Ministerio de Industria, Turismo y Comercio LogoMinisterior
 

Alerta

Resultados 536 resultados
LastUpdate Última actualización 14/12/2025 [06:59:00]
pdfxls
Publicaciones de solicitudes de patente de los últimos 60 días/Applications published in the last 60 days
Resultados 1 a 536  

气体制造装置的停止方法、以及氧气和氢气的制造方法

NºPublicación:  CN121127634A 12/12/2025
Solicitante: 
株式会社德山
CN_121127634_PA

Resumen de: TW202507083A

Gas composition reaching a flammability limit can be prevented by a method of stopping a gas production apparatus in a method of electrolyzing an alkaline electrolyte solution under pressurized conditions, the electrolyzing method including: circulating electrolyte solutions having flown out of anode and cathode chambers, respectively, to the anode and cathode chambers back again, the stopping method comprising: stopping operation of the gas production apparatus according to the procedure including predetermined steps.

MEMBRANE ELECTRODE ASSEMBLY FOR HYDROGEN PRODUCTION

NºPublicación:  WO2025254597A1 11/12/2025
Solicitante: 
NANYANG TECHNOLOGICAL UNIV [SG]
THE CHANCELLOR MASTERS AND SCHOLARS OF THE UNIV OF CAMBRIDGE [GB]
NANYANG TECHNOLOGICAL UNIVERSITY,
THE CHANCELLOR, MASTERS AND SCHOLARS OF THE UNIVERSITY OF CAMBRIDGE
WO_2025254597_PA

Resumen de: WO2025254597A1

The present disclosure relates to a membrane electrode assembly for hydrogen production and a method of producing hydrogen using the membrane electrode assembly

ELECTRODE, METHOD FOR PRODUCING ELECTRODE, ELECTROLYSIS CELL, ELECTROLYSIS TANK FOR ALKALINE WATER ELECTROLYSIS, AND METHOD FOR PRODUCING HYDROGEN

NºPublicación:  WO2025254008A1 11/12/2025
Solicitante: 
ASAHI KASEI KK [JP]
\u65ED\u5316\u6210\u682A\u5F0F\u4F1A\u793E
WO_2025254008_PA

Resumen de: WO2025254008A1

The objective of the present invention is to provide: an electrode in which an increase in overvoltage hardly occurs even when repeatedly turning on and off a power source and starting and stopping the generation of hydrogen; a method for producing the electrode; an electrolysis cell including the electrode; an electrolysis tank for alkaline water electrolysis including the electrolysis cell; and a method for producing hydrogen by means of alkaline water electrolysis using the electrolysis tank for alkaline water electrolysis. To achieve the above objective, an electrode according to the present invention has a nickel-containing conductive substrate and a platinum-containing catalyst layer, and is characterized by including a PtNi alloy and having a Ni atom concentration on the electrode surface of 20% or less.

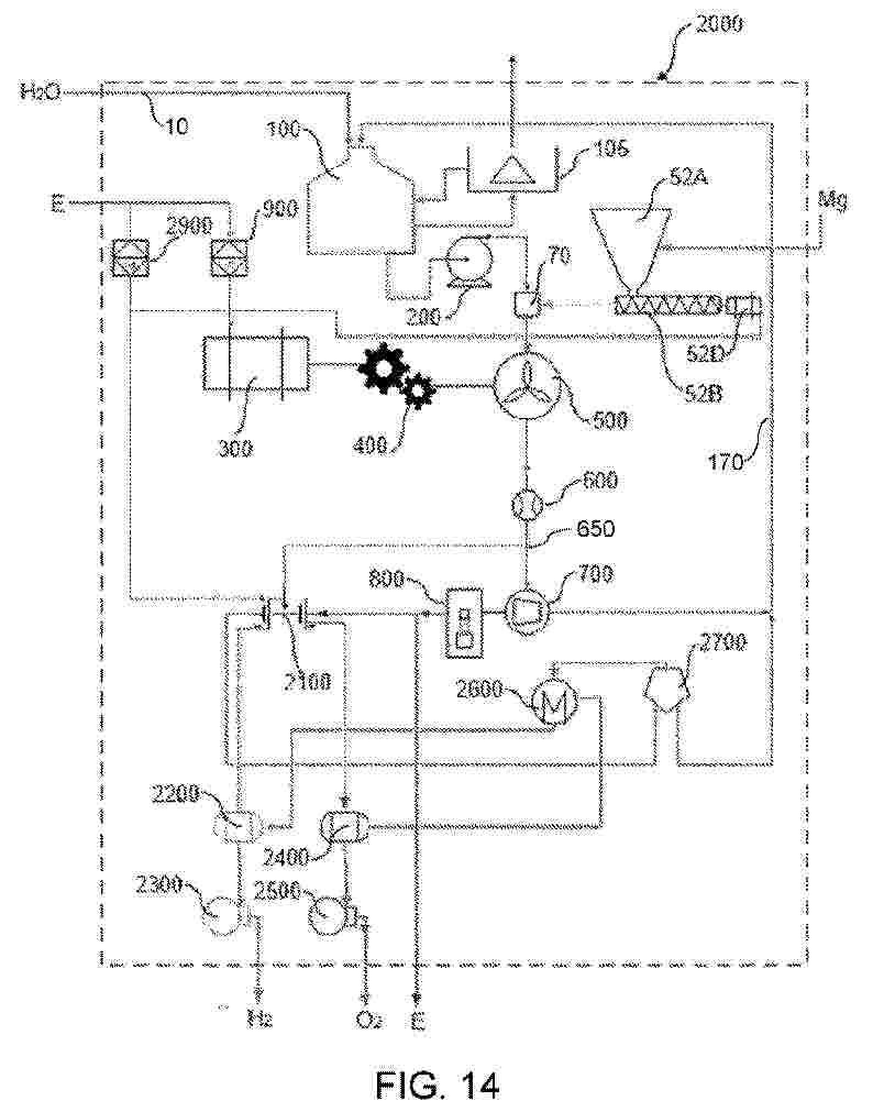
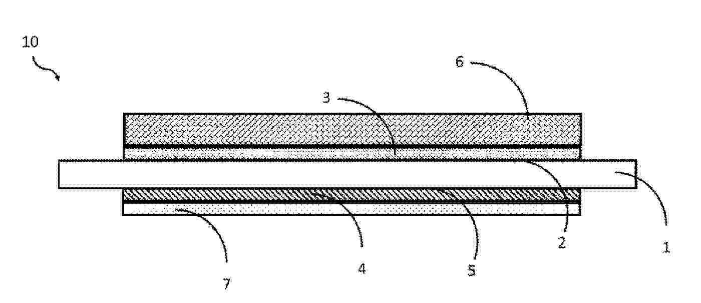
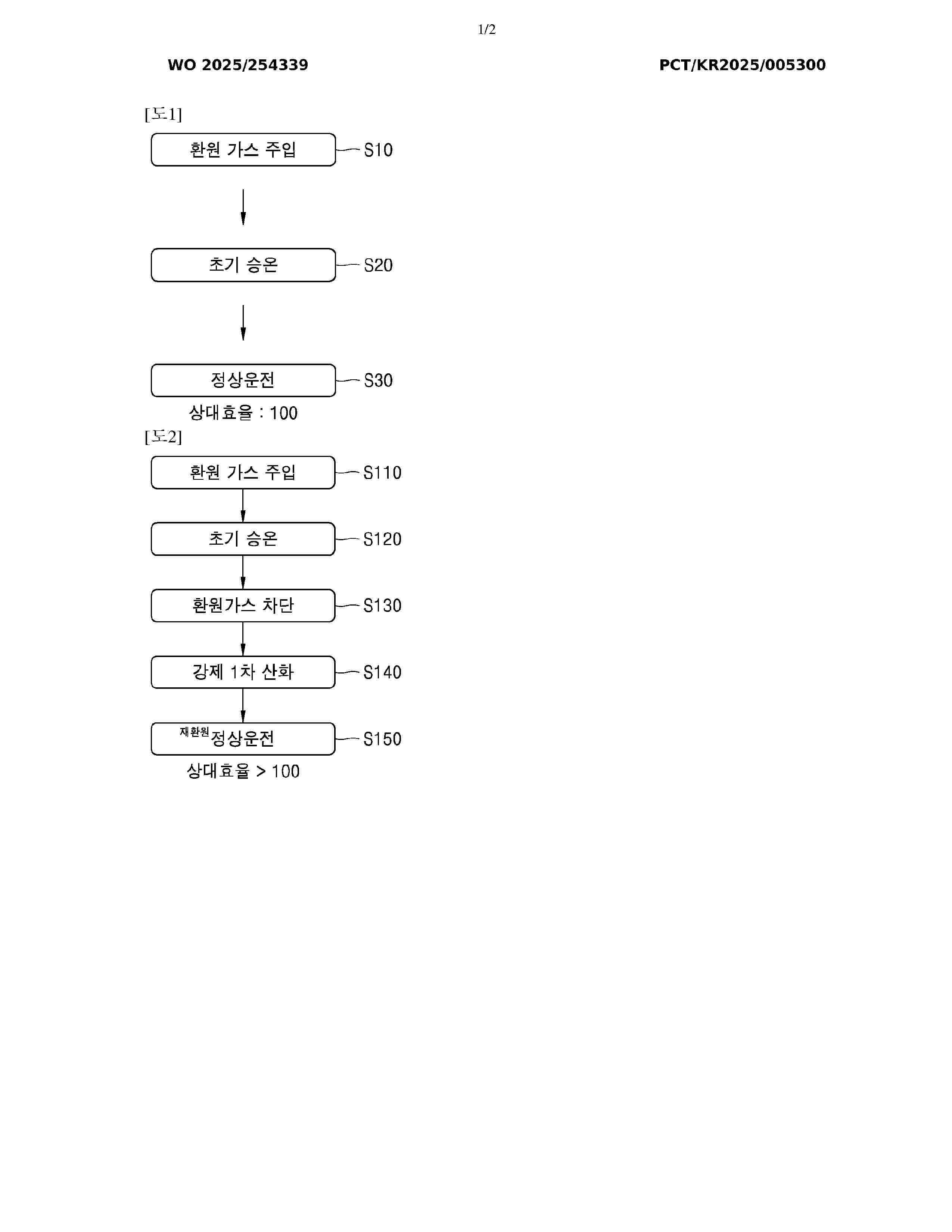
METHOD FOR OPERATING HIGH-TEMPERATURE WATER ELECTROLYSIS STACK

NºPublicación:  WO2025254339A1 11/12/2025
Solicitante: 
SAMSUNG E&A CO LTD [KR]
\uC0BC\uC131\uC774\uC564\uC5D0\uC774(\uC8FC)
WO_2025254339_A1

Resumen de: WO2025254339A1

A method for operating a high-temperature water electrolysis stack. The disclosed method for operating a high-temperature water electrolysis stack comprises the steps of: (S210) injecting a reducing gas into a hydrogen electrode of a high-temperature water electrolysis stack; (S220) initially increasing the temperature of the hydrogen electrode of the high-temperature water electrolysis stack; (S230) blocking the reducing gas injected into the hydrogen electrode of the high-temperature water electrolysis stack; (S240) primarily oxidizing the hydrogen electrode of the high-temperature water electrolysis stack; (S250) reinjecting the reducing gas into the hydrogen electrode of the high-temperature water electrolysis stack; (S260) blocking, again, the reducing gas injected into the hydrogen electrode of the high-temperature water electrolysis; (S270) secondarily oxidizing the hydrogen electrode of the high-temperature water electrolysis stack; and (S280) reinjecting the reducing gas into the hydrogen electrode of the high-temperature water electrolysis stack and performing normal operation.

ANODE ELECTRODE FOR PEM ELECTROLYZER AND METHOD FOR PRODUCING HYDROGEN

NºPublicación:  WO2025251905A1 11/12/2025
Solicitante: 
THE UNIV OF HONG KONG [CN]
\u9999\u6E2F\u5927\u5B66
WO_2025251905_A1

Resumen de: WO2025251905A1

The present application relates to an anode electrode for a PEM electrolyzer, and a method for producing hydrogen. An anode electrode for a PEM electrolyzer uses an aqueous solution containing perchlorate, a substrate of the anode electrode comprising, in terms of mass percentage, 22%≤Ni<80%, 95%≤Ni+Fe, and unavoidable impurities, and the aqueous solution containing perchlorate at a concentration of 0.01 mol/L to 1 mol/L; the anode electrode is configured such that, during use of the PEM electrolyzer, at least one surface of the substrate is exposed to the aqueous solution, so that when an anodic polarization potential of 1.4-2.5 VSHE is applied to the anode electrode, a corrosion-resistant passive film can be formed on at least one surface, the passive film comprising nickel oxide and iron oxide, which together account for at least 90% of the passive film in terms of mass percentage. The present application also discloses a PEM electrolyzer, and a steel plate capable of being used to manufacture an anode electrode for a PEM electrolyzer, as well as a use thereof.

METHOD FOR SUPPLYING A COMPRESSED COMBINED GAS STREAM

NºPublicación:  WO2025252730A1 11/12/2025
Solicitante: 
TOPSOE AS [DK]
TOPSOE A/S
WO_2025252730_PA

Resumen de: WO2025252730A1

The present invention relates to a method for supplying a compressed combined gas stream comprising hydrogen and carbon dioxide for at least one downstream process, preferably for production of alcohols (e.g. methanol) or carbon fuels. More specifically, disclosed is a method wherein the hydrogen gas stream is dosed with a carbon dioxide gas stream and the combined gas stream is compressed in a multistage compression system.

CLEAN HYDROGEN (H2) PRODUCTION FROM A WATER DESALINATION PLANT

NºPublicación:  US2025376771A1 11/12/2025
Solicitante: 
ABDULAAL ABDULRAHMAN MOHAMMED A [SA]
ABDULAAL Abdulrahman Mohammed A
US_2025376771_PA

Resumen de: US2025376771A1

Systems and methods for producing hydrogen (H2) from a desalination plant are described. The method can include desalinating saline water using energy produced by a gas turbine. Producing by splitting the desalinated water with an electrolyzer. The electrolyzer uses energy produced from the gas turbine to split the desalinated water. CO2 can be captured from the gas turbine exhaust. Produced H2 and captured CO2 can be supplied to a reactor. In the reactor, a first product stream that includes H2 and optionally methane (CH4) can be obtained.

SYSTEM AND METHOD FOR DE-WATERING OF HYDROCARBON PRODUCTION WELLS USING ELECTROLYSIS

NºPublicación:  US2025376627A1 11/12/2025
Solicitante: 
CAMPBELL SEAN [CA]
CAMPBELL Sean
US_2025376627_PA

Resumen de: US2025376627A1

Systems and methods for de-watering of hydrocarbon production wells which uses electrolysis of a water fraction in downhole fluids and a reaction chamber at a distal end of a hydrocarbon production well to generate hydrogen and oxygen gases, to improve hydrocarbon inflow into the production well. The produced hydrogen and/or oxygen gases may be used in combination with hydrocarbons produced by the production well to fuel a gas turbine at surface to generate electrical power for the electrolysis, or such gases may be recombined at surface to provide purified water. A first gas collection means surrounds a region above or proximate an anode for collecting the oxygen gas, and a first production tubing extends therefrom to surface. Means are further provided for collecting and producing hydrogen gas at a cathode, either in combination with produced hydrocarbons from the production well, or separately therefrom.

PROTON-CONDUCTING SOLID OXIDE ELECTROLYZERS, RELATED ELECTRODES AND METHODS FOR PRODUCING HYDROGEN GAS

NºPublicación:  US2025376772A1 11/12/2025
Solicitante: 
BATTELLE ENERGY ALLIANCE LLC [US]
Battelle Energy Alliance, LLC
US_2025376772_PA

Resumen de: US2025376772A1

A proton-conducting solid oxide electrolyzer includes a first electrode configured to produce oxygen gas from steam, a second electrode configured to produce hydrogen gas from the steam, and a proton-conducting solid oxide electrolyte between the first electrode and the second electrode. The first electrode includes barium zirconate of formula BaZrO3−δ doped with at least one transition metal and substantially free of a rare earth element, wherein δ is an oxygen deficit, and wherein the at least one transition metal comprises cobalt. Also disclosed are an electrode for the proton-conducting solid oxide electrolyzer, and a method of producing hydrogen gas.

CONTROL SYSTEM FOR HYDROGEN PRODUCTION FACILITY, HYDROGEN PRODUCTION FACILITY, METHOD FOR CONTROLLING HYDROGEN PRODUCTION FACILITY AND CONTROL PROGRAM FOR HYDROGEN PRODUCTION FACILITY

NºPublicación:  US2025376778A1 11/12/2025
Solicitante: 
MITSUBISHI HEAVY IND LTD [JP]
MITSUBISHI HEAVY INDUSTRIES, LTD
US_2025376778_PA

Resumen de: US2025376778A1

A control system for a hydrogen production facility is a control system for controlling operation of a hydrogen production facility including at least one water electrolyzer. The control system includes: a required hydrogen flow rate acquisition part configured to acquire a required hydrogen flow rate that is a hydrogen generation amount required for the water electrolyzer; a conversion part configured to convert the required hydrogen flow rate into a current required to generate hydrogen at the required hydrogen flow rate at the water electrolyzer and acquire a provisional required current; and a first correction part configured to acquire a current set value to be provided to the water electrolyzer by correcting the provisional required current using a first correction factor based on a difference between the required hydrogen flow rate and an actual hydrogen flow rate that is a hydrogen generation amount generated actually at the water electrolyzer.

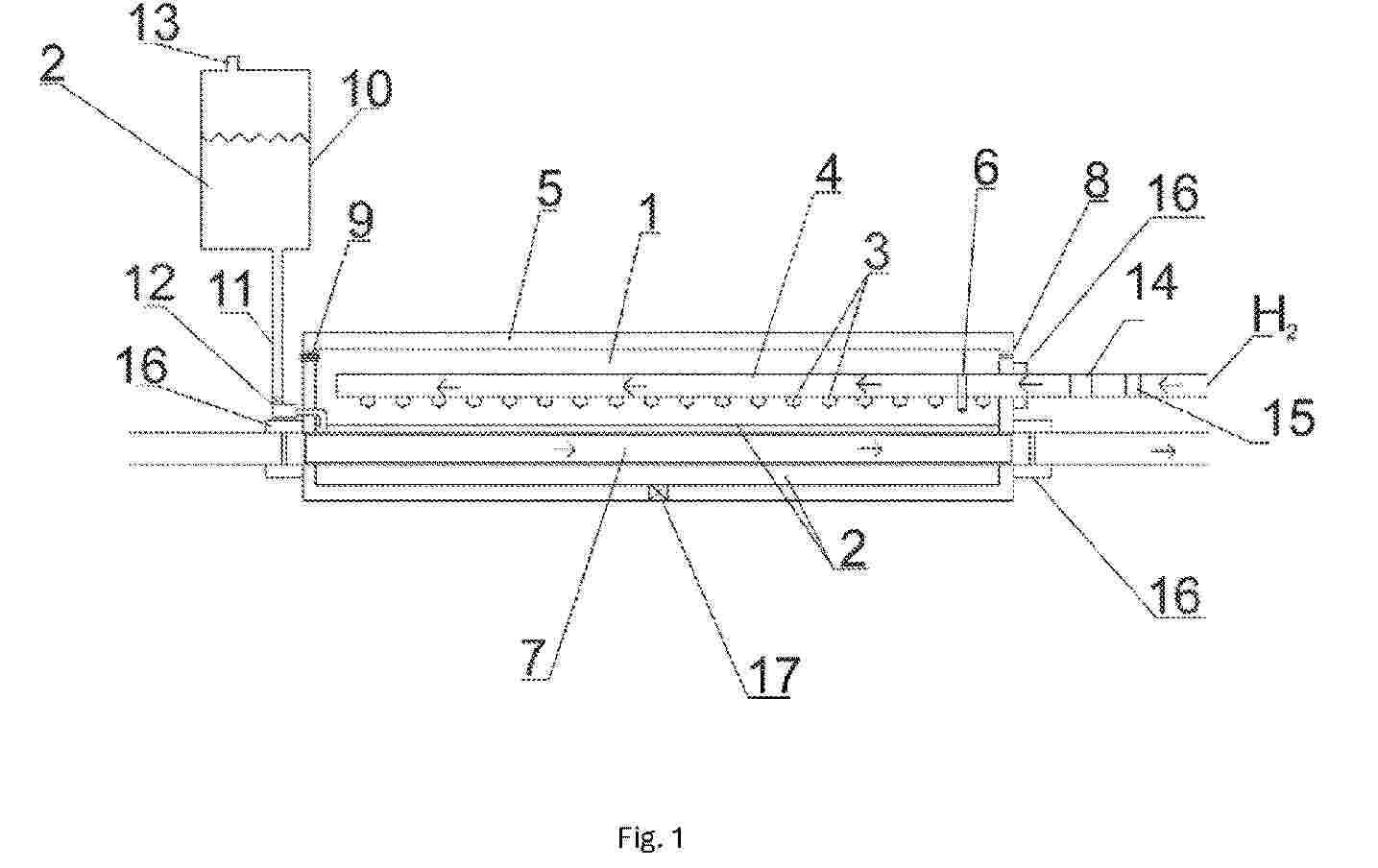
HYDROGEN BURNER USING WATER THERMOLYSIS

NºPublicación:  WO2025254547A1 11/12/2025
Solicitante: 
NOWAKOWSKI WIESLAW [PL]
NOWAKOWSKI JAKUB [PL]
NOWAKOWSKI, Wieslaw,
NOWAKOWSKI, Jakub
WO_2025254547_PA

Resumen de: WO2025254547A1

The subject of the invention is a hydrogen burner using water thermolysis, incorporating a hydrogen combustion chamber (1) containing heating nozzles (3) connected to a fuel transport duct (4), with at least one magneto (6) installed in its vicinity. This burner is characterised in that the chamber (1) contains water (2) in which a duct (6) with heat exchange medium is immersed, and the heating nozzles (3) are dir3ected towards the table of that water (2). The chamber (1) is made of heat-resistant steel and coated with a thermal insulation layer (5) on the outside. Water (2) in the chamber (1) contains transition metals acting as catalysts for water thermolysis, particularly such as cerium, nickel, molybdenum, or chromium.

Elektrolyseur mit optimierter Effizienz und Lebensdauer

NºPublicación:  DE102024205219A1 11/12/2025
Solicitante: 
SIEMENS ENERGY GLOBAL GMBH & CO KG [DE]
Siemens Energy Global GmbH & Co. KG
DE_102024205219_PA

Resumen de: DE102024205219A1

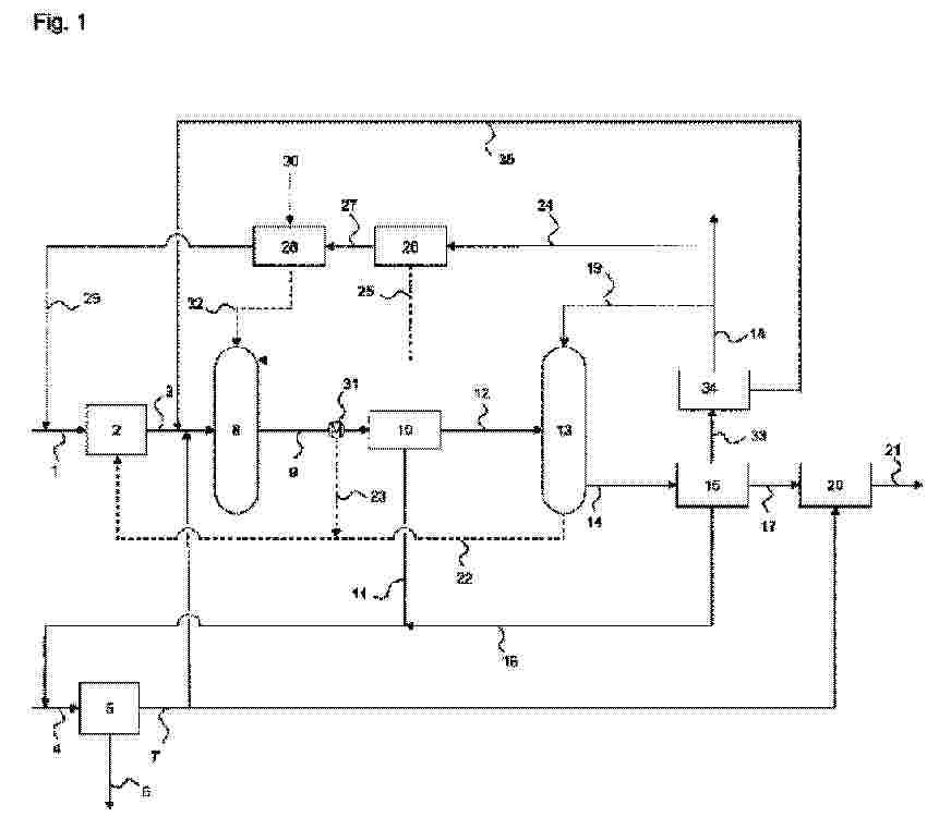
Die Erfindung betrifft einen Elektrolyseur für die Erzeugung von Wasserstoff mittels Elektrolyse, umfassend eine Vielzahl von Elektrolysezellen (1), die in Elektrolysestapel aufgeteilt sind, wobei jede Elektrolysezelle (1) eine ionenselektive Membran mit einem Rekombinationskatalysator (3) aufweist, auf der beidseitig Elektroden (4, 5) angeordnet sind, an welche im Betrieb eine äußere Spannung angelegt wird, wobei anodenseitig eine erste Wasser-Zuleitung (6) zum Zuführen von Wasser zu einem Anodenraum (8) vorgesehen ist und eine Sauerstoff-Produktleitung (10) zum Abführen des erzeugten Sauerstoffs (O2) aus dem Anodenraum (8) angeschlossen ist und kathodenseitig eine Wasserstoff-Produktleitung (11) zum Abführen des erzeugten Wasserstoffs (H2) aus einem Kathodenraum (9) vorgesehen ist, umfassend weiterhin ein Kontrollsystem (12) zum Steuern des Betriebs der Elektrolysestapel, wobei das Kontrollsystem (12) dafür eingerichtet ist, einen im Wesentlichen gleichbleibenden Druck (pK) im Kathodenraum (9) einzustellen und einen Druck (pA) im Anodenraum (8) als Funktion einer Wasserstoffkonzentration (CH2) im Sauerstoff zu regeln. Die Erfindung betrifft ferner ein Verfahren zum Betrieb eines Elektrolyseurs.

SULFUR-INCORPORATED BISMUTH FERRITE NANOPARTICLES AND A METHOD OF PREPARATION THEREOF

NºPublicación:  US2025376422A1 11/12/2025
Solicitante: 
KING FAHD UNIV OF PETROLEUM AND MINERALS [SA]
KING FAHD UNIVERSITY OF PETROLEUM AND MINERALS
US_2025376422_PA

Resumen de: US2025376422A1

Sulfur-incorporated bismuth ferrite nanoparticles (SBFNPs) contain Bi2Fe4O9 nanoparticles doped with Fe(0) and Bi(0) and sulfur in an amount of 0.5 to 5 percent by weight. At least a portion of bismuth is bonded to at least a portion of the sulfur and at least a portion of iron is bonded to at least a portion of the sulfur. The bismuth ferrite nanoparticles have a longest dimension of 1 to 50 nm. A method of photocatalytic degradation of dyes and a method of hydrogen generation and storage using the nanoparticles.

MITIGATING CHLORIDE ION OXIDATION DURING SALINE WATER ELECTROLYSIS FOR HYDROGEN PRODUCTION AND CARBON DIOXIDE MINERALIZATION

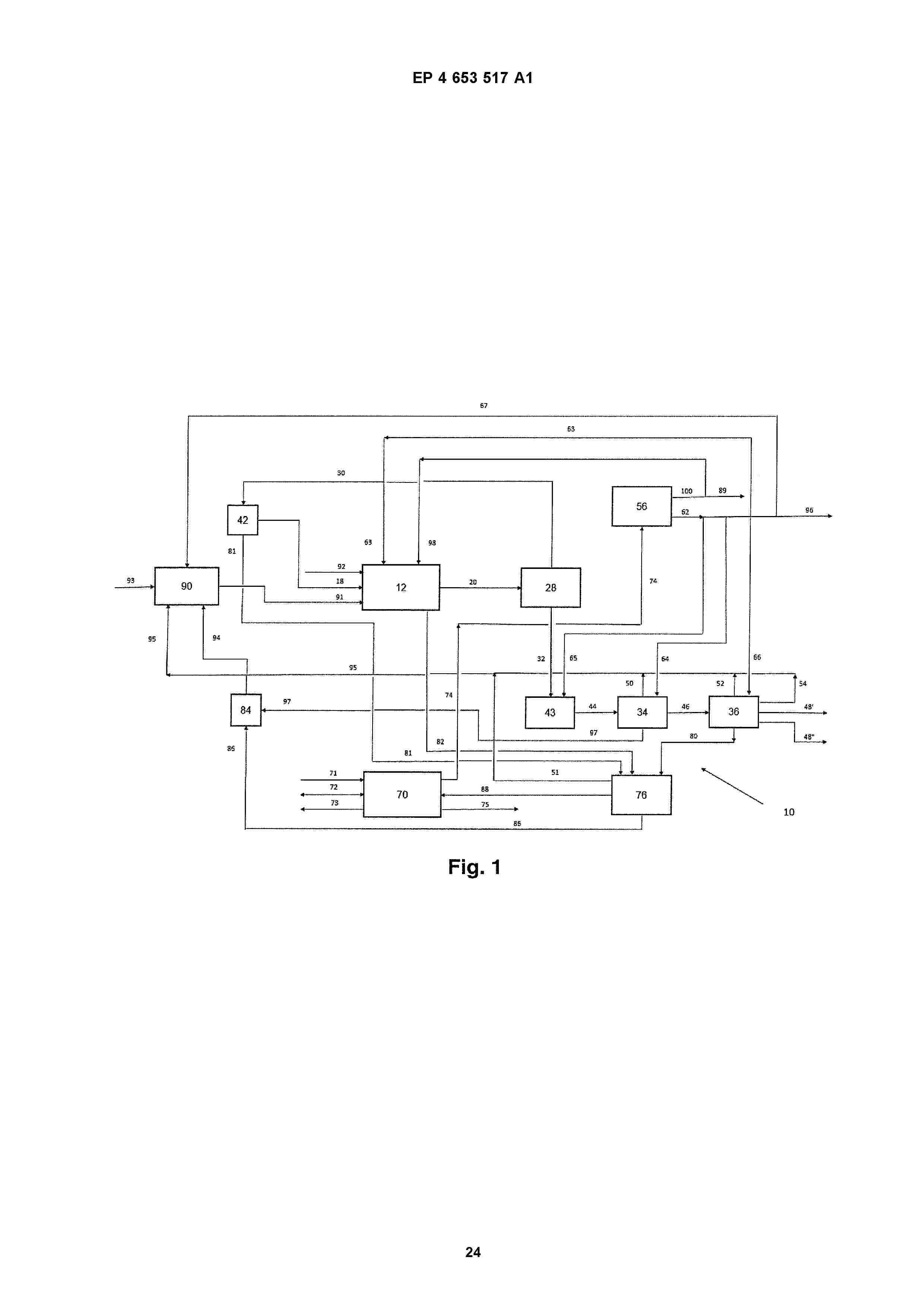
NºPublicación:  EP4658391A1 10/12/2025
Solicitante: 
UNIV CALIFORNIA [US]
THE REGENTS OF THE UNIVERSITY OF CALIFORNIA
KR_20250148612_PA

Resumen de: MX2025008939A

The present disclosure relates to methods of sequestering CO<sub>2 </sub>comprising a first cathodic chamber, performing a first alkaline process, a first anodic chamber, performing a first acidic process, and dechlorinating a solution by contacting the solution with a dechlorinating agent. Also provided herein are systems comprising a first cathodic chamber and a first anodic chamber.

A METHOD OF GENERATING HYDROGEN AND OXYGEN FROM A LIQUID FEED STREAM

NºPublicación:  EP4658837A1 10/12/2025
Solicitante: 
PETROLIAM NASIONAL BERHAD PETRONAS [MY]
Petroliam Nasional Berhad (Petronas)
CN_121039323_A

Resumen de: WO2024162842A1

A method of generating hydrogen and oxygen from a liquid feed stream through an integrated system of forward osmosis and electrolysis, wherein the method comprising the steps of feeding water into an electrolyte solution by means of forward osmosis and applying a voltage across the electrolyte solution to generate hydrogen and oxygen, characterized in that the electrolyte solution comprising an electrolyte, an ionic liquid and a solvent, wherein the electrolyte is used in an amount ranging between 1 wt% to 10 wt% of the electrolyte solution, wherein the ionic liquid is used in an amount ranging between 1 wt% to 5 wt% of the electrolyte solution and wherein the solvent is used in an amount ranging between 75 wt% to 99 wt% of the electrolyte solution.

ELECTROLYTE SOLUTION AND A METHOD OF MANUFACTURING THEREOF

NºPublicación:  EP4658836A1 10/12/2025
Solicitante: 
PETROLIAM NASIONAL BERHAD PETRONAS [MY]
Petroliam Nasional Berhad (Petronas)
CN_120981608_A

Resumen de: WO2024162841A1

An electrolyte solution comprising an electrolyte, wherein the electrolyte is used in an amount ranging between 1 wt% to 10 wt% of the electrolyte solution; an ionic liquid, wherein the ionic liquid is used in an amount ranging between 1 wt% to 5 wt% of the electrolyte solution; and a solvent, wherein the solvent is used in an amount ranging between 75 wt% to 99 wt% of the electrolyte solution.

HYDROGEN BURNER USING WATER THERMOLYSIS

NºPublicación:  EP4660131A1 10/12/2025
Solicitante: 
NOWAKOWSKI WIESLAW [PL]
NOWAKOWSKI JAKUB [PL]
Nowakowski, Wieslaw,
Nowakowski, Jakub
EP_4660131_PA

Resumen de: EP4660131A1

The subject of the invention is a hydrogen burner using water thermolysis, incorporating a hydrogen combustion chamber (1) containing heating nozzles (3) connected to a fuel transport duct (4), with at least one magneto (6) installed in its vicinity. This burner is characterised in that the chamber (1) contains water (2) in which a duct (6) with heat exchange medium is immersed, and the heating nozzles (3) are dir3ected towards the table of that water (2). The chamber (1) is made of heat-resistant steel and coated with a thermal insulation layer (5) on the outside. Water (2) in the chamber (1) contains transition metals acting as catalysts for water thermolysis, particularly such as cerium, nickel, molybdenum, or chromium.

A FEEDWATER PREPARATION METHOD FOR ALKALINE ELETROLYSER SYSTEM AND A FEEDWATER PREPARATION SYSTEM

NºPublicación:  EP4658835A1 10/12/2025
Solicitante: 
GREEN HYDROGEN SYSTEMS AS [DK]
Green Hydrogen Systems A/S
CN_120936752_PA

Resumen de: AU2024214359A1

Feedwater preparation system in a water electrolyser adapted to produce hydrogen and oxygen in one or more pressurised electrolyser stacks (2) using alkaline water and comprising a product gas conditioning system that has a safety valve out-blow material stream pipe (11) which is connected to a feedwater vessel (9), and/or has a depressurisation stream pipe (31) from a gas cleaning vessel which is connected to the feedwater vessel (9).

WATER ELECTROLYSIS SYSTEM AND METHOD FOR OPERATING WATER ELECTROLYSIS SYSTEM

NºPublicación:  EP4660153A1 10/12/2025
Solicitante: 
MITSUBISHI HEAVY IND LTD [JP]
Mitsubishi Heavy Industries, Ltd
EP_4660153_PA

Resumen de: EP4660153A1

The water electrolysis system is a water electrolysis system using an alkaline aqueous solution as an electrolytic solution, the water electrolysis system including a cell stack to which the electrolytic solution is supplied; a storage section in which the electrolytic solution is stored; an annular flow path connecting the storage section and the cell stack to each other; a pump section provided on the annular flow path; a scale removal section that is provided on the annular flow path and is capable of removing a scale included in the electrolytic solution; and a scale component removal section capable of removing scale components dissolved in the electrolytic solution at or below a saturation concentration.

METHOD AND DEVICE FOR PRODUCING HYDROGEN AND OXYGEN FROM WATER AND AQUEOUS SOLUTIONS

NºPublicación:  EP4660350A1 10/12/2025
Solicitante: 
SONOPLASMAH2 OUE [EE]
SonoPlasmaH2 O\u00DC
EP_4660350_PA

Resumen de: EP4660350A1

The invention is aimed to create a method for producing hydrogen and oxygen from water and aqueous solutions, which ensures increased productivity and reduced energy consumption. In the method, electrical energy in the process of water electrolysis is used in the plasma electrolytic process mode between the anode and cathode in water with the removal of hydrogen from the cathode region and oxygen from the anode region, while the water is simultaneously subjected to acoustic impact induced by a piezoelectric emitter, wherein the acoustic impact propagation vector is perpendicular to the electric field vector, the obtained gaseous hydrogen and oxygen are captured separately by electromagnetic separators with oppositely directed magnetic fields. The device for producing hydrogen and oxygen from water and aqueous solutions consists of a reactor in the form of a container with water, in the reactor there is a piezo-acoustic emitter, the power source is connected to the anode and cathode, in which the thermionic insert is made of tungsten, zirconium or hafnium, and the branch pipes of electromagnetic output separators.

水電解膜電極及びその調製方法、並びにそれを用いた水電解槽

NºPublicación:  JP2025179788A 10/12/2025
Solicitante: 
恵州億緯▲軽▼能有限公司
JP_2025179788_A

Resumen de: US2025369130A1

The present disclosure provides a water electrolysis membrane electrode, a method for preparing the water electrolysis membrane electrode, and a water electrolyzer applying the water electrolysis membrane electrode. The water electrolysis membrane electrode includes a cathode gas diffusion layer, a cathode catalytic layer, an anion exchange membrane, a hydrophobic anode catalytic layer, and an anode gas diffusion layer that are stacked in sequence. Raw materials for preparing the hydrophobic anode catalytic layer include an anode catalyst, a hydrophobic material, and an anode ionomer. A mass ratio of the anode catalyst, the hydrophobic material, and the anode ionomer is 10:1-3:1-3. A porosity of the hydrophobic anode catalytic layer is 10%-40%.

水の電気分解方法、水素の製造方法及び、PEM型水電解装置のセルの製造方法

NºPublicación:  JP2025179670A 10/12/2025
Solicitante: 
東邦チタニウム株式会社
JP_2025179670_A

Resumen de: WO2025248902A1

A method for electrolyzing water according to the present invention is a method for splitting water with the use of a PEM water electrolysis device which is provided with a cell in which a cathode, an electrolyte membrane, a porous transport layer, and an anode are stacked, wherein: the porous transport layer has a titanium porous body; in the electrolyte membrane-side surface of the titanium porous body, the average value of the areas of pores that open to the surface is 5 μm2 to 45 μm2 inclusive; the standard deviation value of the areas of the pores is 90 μm2 or less; the number of the pores that are present within a rectangular region that has an area of 22,000 μm2 and an aspect ratio of 4:3 is 120 or more; and the pressure applied in the stacking direction of the cathode, the electrolyte membrane, the porous transport layer, and the anode at the time of assembling the cell is set to 6 MPa or more.

氨分解装置及其制造方法

NºPublicación:  CN121100105A 09/12/2025
Solicitante: 
东京窑业株式会社株式会社科特拉
CN_121100105_PA

Resumen de: WO2024247383A1

Provided is an ammonia decomposition device capable of achieving both an improvement in ammonia conversion rate and an improvement in catalyst life. An ammonia decomposition device (11) comprises: an ammonia gas inlet (13); a catalyst-carrying honeycomb structure (1) that decomposes ammonia to generate hydrogen and nitrogen; and a gas outlet (14). The catalyst-carrying honeycomb structure (1) includes: a ceramic honeycomb structure; a catalyst layer (3) that is formed in a flow path (2a) of the honeycomb structure and decomposes ammonia; and electrodes (4a, 4b) that are formed on a side surface of the honeycomb structure. Electricity is passed through the honeycomb structure.

用于将氢气和氧气发生装置封装在外壳中的方法及适用于氢气和氧气发生装置的外壳

NºPublicación:  CN121100198A 09/12/2025
Solicitante: 
蒂森克虏伯新纪元股份有限及两合公司
CN_121100198_PA

Resumen de: AU2024228415A1

Enclosure adapted for a hydrogen and oxygen generating apparatus arranged in a movable has an interior and an interior surface and an exterior surface whereby the hydrogen and oxygen generating apparatus comprises at least one electrolyser stack adapted for electrolysing water to hydrogen product gas and oxygen product gas and accompanying gas and electrolyte handling equipment. The exterior surface of the enclosure comprises at least a heat insulating, flexible polymer cover element which is attached to a metal frame.

二酸化炭素の付加価値製品への変換のために逆水性ガスシフト反応器とともに使用される一酸化炭素電解槽

NºPublicación:  JP2025539802A 09/12/2025
Solicitante: 
ディオキシクル
JP_2025539802_PA

Resumen de: CN120435590A

Methods and systems related to valuing carbon dioxide are disclosed. The disclosed system includes a reverse water gas shift (RWGS) reactor, a carbon dioxide source connection fluidly connecting a carbon dioxide source to the RWGS reactor, an electrolyzer having an anode region and a cathode region, and a carbon monoxide source connection fluidly connecting the RWGS reactor to the cathode region. The RWGS reactor is configured to generate a volume of carbon monoxide in an RWGS reaction using a volume of carbon dioxide from the carbon dioxide source connection. The electrolyzer is configured to generate a volume of generated chemicals, including hydrocarbons, organic acids, alcohols, olefins, or N-rich organic compounds, using the electrolyzer and the reduction of the volume of carbon monoxide and the oxidation of an oxidizing substrate from the carbon monoxide source link.

電解装置

NºPublicación:  JP2025178745A 09/12/2025
Solicitante: 
本田技研工業株式会社
JP_2025178745_PA

Resumen de: US2025361626A1

An electrolysis device includes a water electrolysis stack configured to electrolyze water, a gas-liquid separator configured to separate hydrogen gas from water discharged from the water electrolysis stack, and a hydrogen compression stack configured to compress the hydrogen gas separated by the gas-liquid separator. The gas-liquid separator includes a storage tank configured to store water, and a maximum storage water level that is a maximum value of a water level that can be allowed in the storage tank is predetermined, and the hydrogen compression stack is located above the maximum storage water level.

水電解システムの制御方法および水電解システム

NºPublicación:  JP2025178728A 09/12/2025
Solicitante: 
株式会社日立製作所
JP_2025178728_PA

Resumen de: WO2025249273A1

Provided is a method for controlling a water electrolysis system with which operation states of a plurality of electrolysis stacks can be independently regulated highly responsively and highly efficiently. This method is for controlling a water electrolysis system which comprises: electrolysis stacks where water is electrolyzed to produce hydrogen and oxygen; a pure water feeder for feeding pure water to the electrolysis stacks; a first regulation part and a second regulation part, which are disposed between each electrolysis stack and the pure water feeder and are capable of regulating the operation state of the electrolysis stack; and an operation state regulation control unit which regulates the first regulation part and the second regulation part to regulate the operation states of the electrolysis stacks. The operation state regulation control unit, after receiving a command to change the operation state of an electrolysis stack, operates the first regulation part on the basis of the operation state and, when a predetermined requirement has been satisfied, operates the second regulation part simultaneously with the first regulation part on the basis of the operation state.

Conjunto de cámara catódica en unidad de celda electrolítica y electrolizador

NºPublicación:  ES3048332A2 09/12/2025
Solicitante: 
TOKUYAMA CORP [JP]
TOKUYAMA CORPORATION
KR_20250123765_PA

Resumen de: TW202428942A

There is provided a cathode chamber assembly, which may not require any skill for assembling, and which may not cause any problems such as formation of an undesirable space in the peripheral portion of the cathode chamber. The cathode can be easily replaced when it deteriorates. The cathode is attached detachably to ribs formed on the bulkhead, directly or indirectly with a plurality of fastening screws or fastening pins, and further or alternatively, a peripheral flange of a rectangular flame shape extending along the inner surface peripheral portion of the bulkhead is disposed. In the embodiment, the cathode may be attached by bonding one surface of a rectangular gasket to the inner surface of the peripheral flange, and by adhering an adhesive tape across the inner peripheral portion of the other surface of the gasket and the outer peripheral portion of the exposed surface of the cathode.

電解システム及び電解システムの診断方法

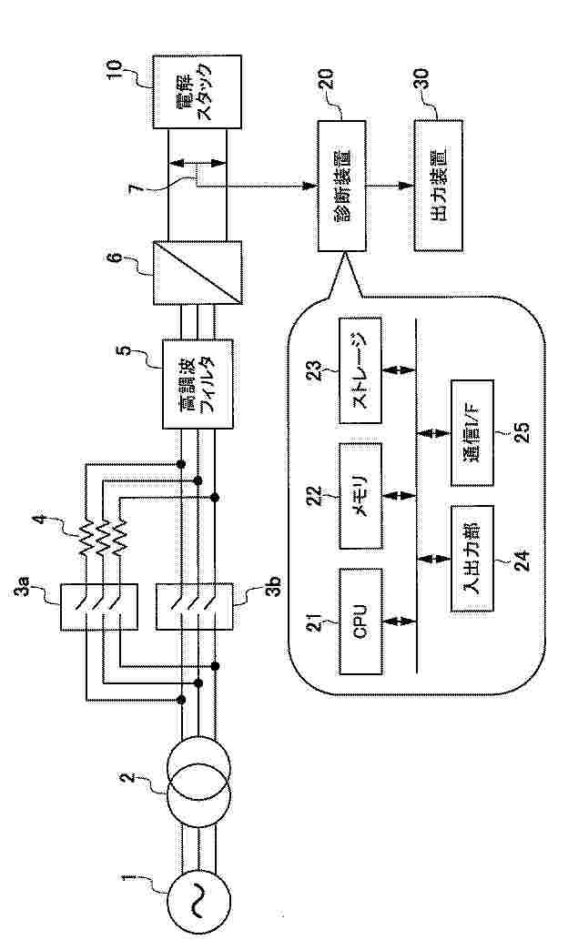
NºPublicación:  JP2025176907A 05/12/2025
Solicitante: 
株式会社日立製作所
JP_2025176907_PA

Resumen de: JP2025176907A

【課題】電解スタックの状態を簡便に診断できるようにする。【解決手段】原料化合物の電気分解により所望のガスを生成する電解スタック10と、電解スタック10に電圧を印加する電力変換装置6と、電解スタック10に印加された電圧を計測する電圧センサ7と、電解スタック10に電圧を印加した際に電圧センサ7が取得する電圧の時系列データを用いて、電解スタックの静電容量成分で規定される指標を算出し、算出した指標の値を基準値と比較して電解スタックの状態を診断する診断装置20と、診断装置が診断した結果を外部に出力または表示する出力装置30と、を備える。【選択図】図1

用于生产化合物的方法和用于生产化合物的设备

NºPublicación:  CN121079452A 05/12/2025
Solicitante: 
海兰德控股公司
CN_121079452_PA

Resumen de: WO2024184587A1

The invention relates to a method for producing a compound comprising at least one of hydrogen or oxygen. The method comprises providing water and a first substance, producing a mixture comprising the water and bubbles comprising the first substance, decreasing diameter of bubbles comprising the first substance, decomposing a part of the water, and composing a compound at least from the decomposed water and the first substance, and the compound comprising at least one of hydrogen or oxygen. The invention further relates to apparatus for producing a compound comprising at least one of hydrogen or oxygen.

电解槽系统中的气体压力平衡方法和具有压力平衡阀系统的电解槽系统

NºPublicación:  CN121079138A 05/12/2025
Solicitante: 
蒂森克虏伯新纪元股份有限及两合公司
CN_121079138_PA

Resumen de: AU2024224224A1

In a gas pressure balance method in an electrolyser system a predefined pressure difference between pressures in an oxygen gas separation tank and a hydrogen gas separation tank is maintained by controlled release of gases through an oxygen back pressure valve and a hydrogen back pressure valve. in a first step, for each of the oxygen back pressure valves and the hydrogen back pressure valves, a predefined, calibrated pilot gas pressure is generated and in a second step, the predefined, calibrated pilot gas pressures are forwarded to the respective back pressure valves and in a third step, hydrogen and oxygen gasses are released whenever the gas pressures in the hydrogen and oxygen separation tanks exceeds the predefined, calibrated pilot pressure in the respective pilot gas streams.

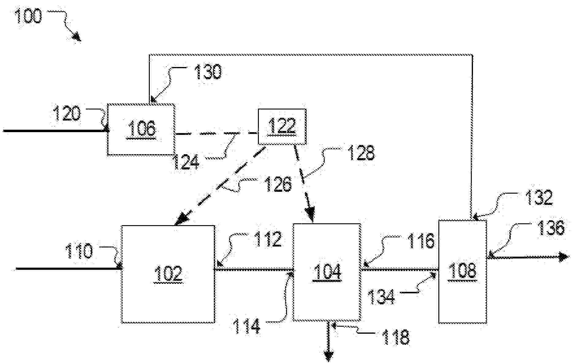
PROCESS AND FACILITY FOR OBTAINING A HYDROGEN-CONTAINING PRODUCT

NºPublicación:  WO2025247582A1 04/12/2025
Solicitante: 
LINDE GMBH [DE]
LINDE GMBH
WO_2025247582_PA

Resumen de: WO2025247582A1

The invention relates to a method and a facility (100) for producing a hydrogen-containing product, wherein ammonia (1) is subjected to a pretreatment (10) so as to obtain an ammonia feed (2), and the ammonia feed (2) is converted into a cracked gas (3), containing ammonia, hydrogen, and nitrogen, in a heated ammonia cracker (20), a sulfur-free fuel gas being burned so as to form a water-containing flue gas (4a) in order to heat the ammonia cracker (20). The invention is characterized in that at least part of the water-containing flue gas is cooled to below the dew point during the pretreatment (10) of ammonia, condensed water and heated ammonia being obtained.

MEMBRANE-ELECTRODE ASSEMBLY FOR A WATER ELECTROLYSER

NºPublicación:  WO2025248230A1 04/12/2025
Solicitante: 
JOHNSON MATTHEY HYDROGEN TECHNOLOGIES LTD [GB]
JOHNSON MATTHEY HYDROGEN TECHNOLOGIES LIMITED
WO_2025248230_PA

Resumen de: WO2025248230A1

A membrane-electrode assembly for a water electrolyser is provided. The membrane-electrode assembly comprises a polymer electrolyte membrane with a first major surface and a second major surface, and an anode component in contact with the first major surface of the polymer electrolyte membrane. The anode component comprises (i) a porous framework of polymer fibres at least partially coated with a metal-containing thin film; and (ii) an oxygen evolution reaction (OER) catalyst supported on the porous framework of polymer fibres.

WATER-EFFICIENT METHOD OF STORING HYDROGEN USING A BICARBONATE/FORMATE BASED REACTION SYSTEM

NºPublicación:  WO2025247962A1 04/12/2025
Solicitante: 
AKROS ENERGY GMBH [DE]
AKROS ENERGY GMBH
WO_2025247962_A1

Resumen de: WO2025247962A1

The present invention relates to a water-efficient method of storing hydrogen using a bicarbonate/formate-based aqueous reaction system, wherein the method comprises: (A) reducing aqueous bicarbonate using hydrogen to form formate and water, (B) at least partially separating water from the aqueous reaction system to provide water and concentrated salt components comprising formate, and (C) using the water provided in step (B) to form hydrogen for use in step (A) and/or to dissolve concentrated salt components comprising bicarbonate to provide aqueous bicarbonate for use in step (A).

LOW TEMPERATURE PRODUCTION OF HYDROGEN PEROXIDE

NºPublicación:  WO2025248075A1 04/12/2025
Solicitante: 
HPNOW APS [DK]
HPNOW APS
WO_2025248075_PA

Resumen de: WO2025248075A1

Embodiments for an apparatus for producing hydrogen peroxide are provided. The apparatus includes a heat exchanger configured to remove heat from deionized water prior to passing the deionized water through the anode passage of one or more cells. The apparatus is also configured to oxidize the deionized water in the anode passage of the one or more cells. The apparatus also includes a controller configured to control the heat exchanger and a first one or more temperature sensors electrically coupled to the controller. The first one or more temperature sensors are configured to provide a first temperature reading based on a temperature of the one or more cells, wherein the controller is configured to control the heat exchanger to maintain the first temperature reading at or below a first temperature threshold.

INTEGRATED PROCESSES FOR PRODUCING OLEFINIC PRODUCTS FROM CARBON DIOXIDE

NºPublicación:  WO2025250426A1 04/12/2025
Solicitante: 
EXXONMOBIL TECH AND ENGINEERING COMPANY [US]
EXXONMOBIL TECHNOLOGY AND ENGINEERING COMPANY
WO_2025250426_PA

Resumen de: WO2025250426A1

Olefinic products may be produced from various sources. For example, methods of production of olefinic products from carbon dioxide may include: performing an electrolysis reaction of water to form hydrogen and oxygen; providing at least a portion of the hydrogen and carbon dioxide to a methanation unit; reacting the hydrogen and the carbon dioxide via a methanation reaction in the methanation unit to produce methane and water; providing at least a portion of the methane and at least a portion of the oxygen to an oxidative coupling unit; and reacting the methane and the oxygen via an oxidative coupling reaction in the oxidative coupling unit to produce an olefinic product, water, and optionally, additional carbon dioxide.

SYSTEM AND METHOD FOR ELECTROLYTIC PRODUCTION OF HYDROGEN

NºPublicación:  WO2025250529A1 04/12/2025
Solicitante: 
BEST PLANET SCIENCE LLC [US]
BEST PLANET SCIENCE LLC
WO_2025250529_PA

Resumen de: WO2025250529A1

Systems and methods for generating hydrogen by electrolysis of water using electricity produced using a vortex generator that results in cavitation and implosion processes in a vortex. The vortex generator can produce conditions within the vortex generator that can allow deuterium molecules naturally occurring in water to acquire sufficient kinetic energy to overcome the Coulomb barrier so that their nuclei can get close enough to each other to undergo various nuclear reactions, discharging a large amount of nuclear energy at the microstate, imparting energy to the water, which can be used to drive a turbine to generate electricity, and the resulting electricity can be used at least in part for the electrolysis of water.

DEVICE FOR PRODUCING HYDROGEN

NºPublicación:  AU2024296183A1 04/12/2025
Solicitante: 
AFC ENERGY PLC
AFC ENERGY PLC
AU_2024296183_PA

Resumen de: AU2024296183A1

The invention provides a device for producing hydrogen gas and a process therefor. It also provides a system for generating electrical energy from hydrogen gas. More particularly, the invention provides a device for producing hydrogen comprising an ammonia cracker having one or more raw cracked gas outlets in fluid communication with a common raw cracked gas flow conduit, one or more gas separators in fluid communication with the ammonia cracker via the common raw cracked gas flow conduit, and in fluid communication with a common partially purified cracked gas flow conduit; one or more filter assemblies, each having a first container having one or more walls, one or more partially purified cracked gas inlets and one or more purified cracked gas outlets, wherein the one or more partially purified cracked gas inlets are in fluid communication with the one or more gas separators via the common partially purified cracked gas flow conduit, the first container containing a single mass of adsorbent comprising silica gel, wherein the one or more partially purified cracked gas inlets and one or more purified cracked gas outlets are arranged such that a partially purified cracked gas flows through the single mass of adsorbent in use.

Water electrolysis cell, water electrolysis cell stack, and manufacturing method of water electrolysis cell

NºPublicación:  AU2025200173A1 04/12/2025
Solicitante: 
KK TOSHIBA
TOSHIBA ENERGY SYSTEMS & SOLUTIONS CORP
Kabushiki Kaisha Toshiba,
Toshiba Energy Systems & Solutions Corporation
AU_2025200173_A1

Resumen de: AU2025200173A1

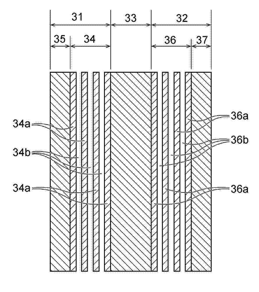
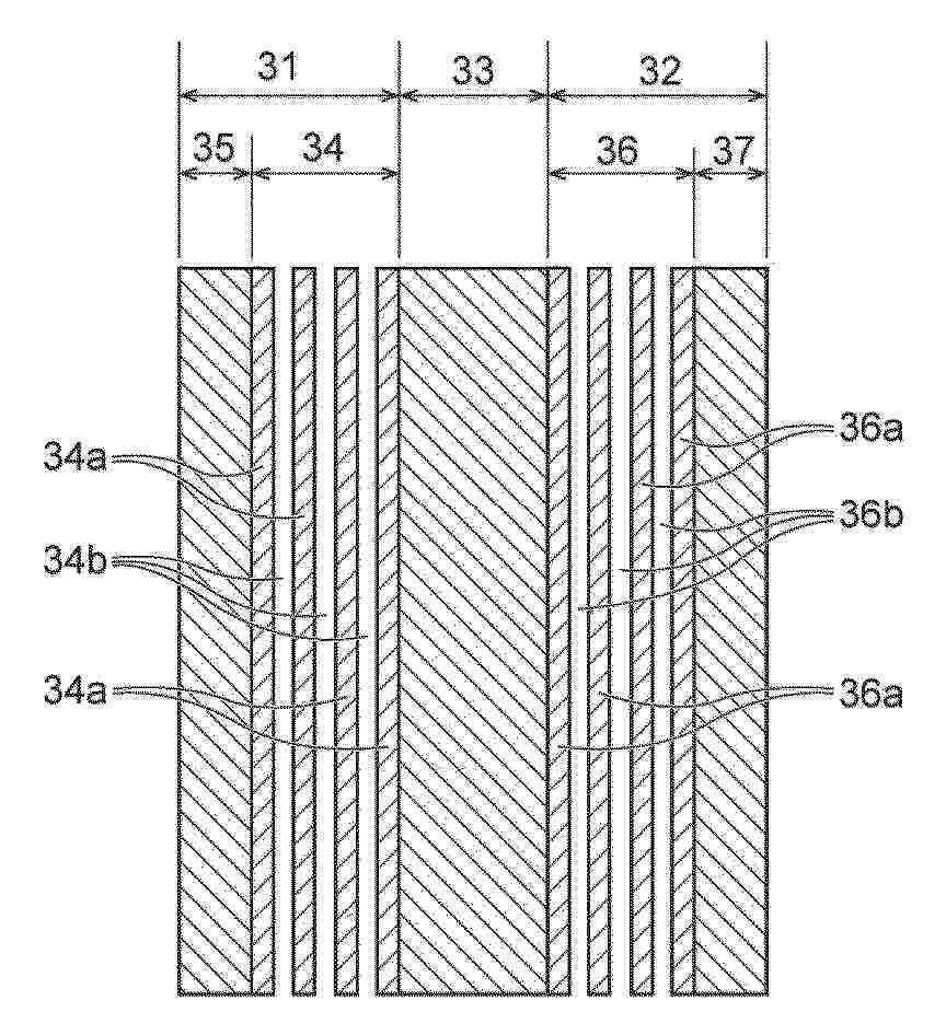
A water electrolysis cell according to an embodiment includes: an anode electrode including an anode catalyst layer in which anode catalyst sheets are stacked via a gap, each anode catalyst sheet containing iridium oxide and being in the form of a nanosheet; a cathode electrode including a cathode catalyst layer in which cathode catalyst sheets are stacked via a gap, each cathode catalyst sheet containing platinum and being in the form of a nanosheet; and an electrolyte membrane containing a hydrocarbon-based material, placed between the anode electrode and the cathode electrode. A water electrolysis cell according to an embodiment includes: an anode electrode including an anode catalyst layer in 5 which anode catalyst sheets are stacked via a gap, each anode catalyst sheet containing iridium oxide and being in the form of a nanosheet; a cathode electrode including a cathode catalyst layer in which cathode catalyst sheets are stacked via a gap, each cathode catalyst sheet containing platinum and being in the form 10 of a nanosheet; and an electrolyte membrane containing a hydrocarbon-based material, placed between the anode electrode and the cathode electrode. an a n a n d t h e c a t h o d e e l e c t r o d e 36a 36b 36a34a 34b 34a 3/33/3 35 34 36 37 36a 34a 36b 34b 34a 36a an a n b b a a

DEVICE FOR HYDROGEN PRODUCTION

NºPublicación:  AU2024296614A1 04/12/2025
Solicitante: 
AFC ENERGY PLC
AFC ENERGY PLC
AU_2024296614_PA

Resumen de: AU2024296614A1

A hydrogen production device for producing a hydrogen rich gas from ammonia comprising a first chamber comprising an inner wall and an outer wall defining an internal volume, wherein the first chamber contains an ammonia decomposition catalyst disposed between the inner wall and the outer wall, the first chamber having one or more ammonia gas inlets and one or more raw cracked gas outlets, wherein said one or more ammonia gas inlets and one or more raw cracked gas outlets are arranged such that the ammonia flows through the first chamber from the one or more ammonia gas inlets to the one or more raw cracked gas outlets and contacts the ammonia decomposition catalyst; and one or more heat sources for heating the ammonia decomposition catalyst; wherein the first chamber has one or more fins, said one or more fins disposed between the inner wall and the outer wall of the first chamber, wherein the first chamber has an internal surface area, wherein the internal volume is between 10 ml and 100 litres and wherein the ratio of the internal surface area in mm2 to the internal volume in mm3 is between approximately 1:2 and 1:6.

System and method for stabilizing the operation of facilities using hydrogen produced by low carbon sources

NºPublicación:  AU2025203497A1 04/12/2025
Solicitante: 
KELLOGG BROWN & ROOT LLC
Kellogg Brown & Root LLC
AU_2025203497_A1

Resumen de: AU2025203497A1

A system and a method for stabilizing hydrogen flow to a downstream process in a facility determining a hydrogen density and pressure profiles in the hydrogen storage unit 5 for different target net hydrogen flows at different time intervals of a time horizon of a renewable power availability profile, determining an operating target net hydrogen flow of a hydrogen feed to the downstream process, determining a target direct hydrogen flow of a hydrogen feed and a target stored hydrogen flow of a hydrogen feed to the downstream process, and controlling the operation of the downstream process based on the operating 10 target hydrogen flows. A system and a method for stabilizing hydrogen flow to a downstream process in a 5 facility determining a hydrogen density and pressure profiles in the hydrogen storage unit for different target net hydrogen flows at different time intervals of a time horizon of a renewable power availability profile, determining an operating target net hydrogen flow of a hydrogen feed to the downstream process, determining a target direct hydrogen flow of a hydrogen feed and a target stored hydrogen flow of a hydrogen feed to the downstream 10 process, and controlling the operation of the downstream process based on the operating target hydrogen flows. ay a y

SYSTEMS AND METHODS OF PROCESSING WASTE TO GENERATE ENERGY AND GREEN HYDROGEN

NºPublicación:  AU2024277487A1 04/12/2025
Solicitante: 
BERTRAM KAREN
BERTRAM, Karen
AU_2024277487_PA

Resumen de: US2025320419A1

Systems and methods for producing green hydrogen from a source material (e.g., biowaste) are contemplated. The source material is at least partially dehydrated to produce a dried intermediate and recovered water. The dried intermediate is pyrolyzed to produce syngas and a char. The recovered water is electrolyzed to produce oxygen and green hydrogen.

WATER ELECTROLYSIS MEMBRANE ELECTRODE, AND PREPARATION METHOD THEREFOR AND WATER ELECTROLYSER APPLYING SAME

NºPublicación:  WO2025246138A1 04/12/2025
Solicitante: 
EVE HYDROGEN ENERGY CO LTD [CN]
\u60E0\u5DDE\u4EBF\u7EAC\u6C22\u80FD\u6709\u9650\u516C\u53F8
WO_2025246138_A1

Resumen de: WO2025246138A1

A water electrolysis membrane electrode, and a preparation method therefor and a water electrolyser applying same. The water electrolysis membrane electrode comprises a cathode gas diffusion layer, a cathode catalytic layer, an anion exchange membrane, a hydrophobic anode catalytic layer and an anode gas diffusion layer. Raw materials for preparing the hydrophobic anode catalytic layer comprise an anode catalyst, a hydrophobic material and an anode ionomer, wherein calculated by mass, the ratio of the anode catalyst: the hydrophobic material: the anode ionomer is 10:1-3:1-3. The porosity of the hydrophobic anode catalytic layer is 10-40%.

METAL OXIDE NANOTUBE ARRAY STRUCTURE CATALYST, AND PREPARATION METHOD THEREFOR AND USE THEREOF

NºPublicación:  WO2025246031A1 04/12/2025
Solicitante: 
NINGBO INSTITUTE OF MATERIALS TECH AND ENGINEERING CHINESE ACADEMY OF SCIENCES [CN]
\u4E2D\u56FD\u79D1\u5B66\u9662\u5B81\u6CE2\u6750\u6599\u6280\u672F\u4E0E\u5DE5\u7A0B\u7814\u7A76\u6240
WO_2025246031_PA

Resumen de: WO2025246031A1

A metal oxide nanotube array structure catalyst, and a preparation method therefor and a use thereof. The preparation method comprises the following steps: cleaning and polishing a metal sheet; immersing the polished metal sheet as an anode in an electrolyte solution to construct an electrochemical system and carrying out an anodic oxidation reaction to obtain a microporous template having a nanotube structure; immersing the microporous template into a metal salt sol for impregnation; taking out the impregnated microporous template, rinsing the surface of the impregnated microporous template with deionized water, then drying the impregnated microporous template, and calcining the impregnated microporous template at a high temperature to convert the metal salt sol into a metal oxide; and dissolving the microporous template with a dissolution solution to obtain the metal oxide nanotube array structure catalyst.

ACTIVE WATER MOLECULE ELECTROLYSIS APPARATUS IN LIMITED SPACE, AND DEVICE

NºPublicación:  WO2025246212A1 04/12/2025
Solicitante: 
DELIGHTSTREAM ELECTRONIC TECH CHANGZHOU CO LTD [CN]
\u5E38\u5DDE\u6E90\u6B23\u7535\u5B50\u79D1\u6280\u6709\u9650\u516C\u53F8
WO_2025246212_PA

Resumen de: WO2025246212A1

Disclosed in the present invention is an active water molecule electrolysis apparatus in a limited space, comprising a housing having an airflow channel, wherein a membrane electrode assembly is disposed in the housing; the membrane electrode assembly divides the airflow channel into an air inlet end and an exhaust end, the air inlet end being provided with a continuous unidirectional moisture-permeable coating membrane, and the exhaust end being provided with an ePTFE microporous breathable protective membrane; and the housing is provided with an oxygen discharge channel that communicates the air inlet end with the outside. A device, comprising the active water molecule electrolysis apparatus, the internal space of the device being in communication with the air inlet end of the active water molecule electrolysis apparatus. In this way, the active water molecule electrolysis apparatus in a limited space and the device of the present invention utilize the difference in moisture permeability between the ePTFE microporous breathable protective membrane and the continuous unidirectional moisture-permeable coating membrane to realize continuous unidirectional discharge of water vapor from the inside to the outside environment, thereby effectively improving the efficiency of electrolytic dehumidification.

COUPLING DEVICE FOR HYDROGEN GAS PRODUCTION AND CARBON DIOXIDE UTILIZATION

NºPublicación:  WO2025246521A1 04/12/2025
Solicitante: 
HUANENG CLEAN ENERGY RES INSTITUTE [CN]
\u4E2D\u56FD\u534E\u80FD\u96C6\u56E2\u6E05\u6D01\u80FD\u6E90\u6280\u672F\u7814\u7A76\u9662\u6709\u9650\u516C\u53F8
WO_2025246521_PA

Resumen de: WO2025246521A1

The present application provides a coupling device for hydrogen gas production and carbon dioxide utilization. The device comprises a spiral heat exchanger, a carbon dioxide collector, a steam generator, and an electrolytic cell, wherein the spiral heat exchanger inputs steam into the steam generator through a first pipe, the steam generator generates electric energy from the steam, the electric energy is transmitted to the electrolytic cell through a cable, and the steam is input into the electrolytic cell through a fourth pipe; the carbon dioxide collector is configured to collect carbon dioxide from flue gas produced by combustion and input the collected carbon dioxide into the spiral heat exchanger through a third pipe; the electrolytic cell is configured to produce hydrogen gas from the steam and the electric energy, and the produced hydrogen gas is introduced into the spiral heat exchanger through a second pipe; and the spiral heat exchanger is configured to promote a chemical reaction between the carbon dioxide and the hydrogen gas, and output a target compound.

WATER ELECTROLYSIS DEVICE, GASKET, AND GASKET DEVICE

NºPublicación:  WO2025249562A1 04/12/2025
Solicitante: 
NOK CORP [JP]
\uFF2E\uFF2F\uFF2B\u682A\u5F0F\u4F1A\u793E
WO_2025249562_PA

Resumen de: WO2025249562A1

A water electrolysis device (5) is provided with gaskets (10). The gaskets (10) are configured to be used in a state where, with respect to one of the gaskets (10), another one of the gaskets (10) is reversed and overlayed. The gaskets (10) seal, in a cell (100), a space (S1) between a separator (101) and an electrolyte membrane (104) of a membrane assembly (103), and a space (S2) between a separator (102) and the electrolyte membrane (104). The gaskets (10) each have: a seal lateral surface (11) and a contact lateral surface (12) which form a pair; a first seal part (3) for sealing the space (S1) or the space (S2); and a second seal part (4) for sealing, on the outer peripheral side of the electrolyte membrane (104), a plurality of flow paths (2) between the separators (101, 102). The first seal part (3) is formed on the seal lateral surface (11) and the contact lateral surface (12), and the second seal part (4) is formed on the seal lateral surface (11) and the contact lateral surface (12).

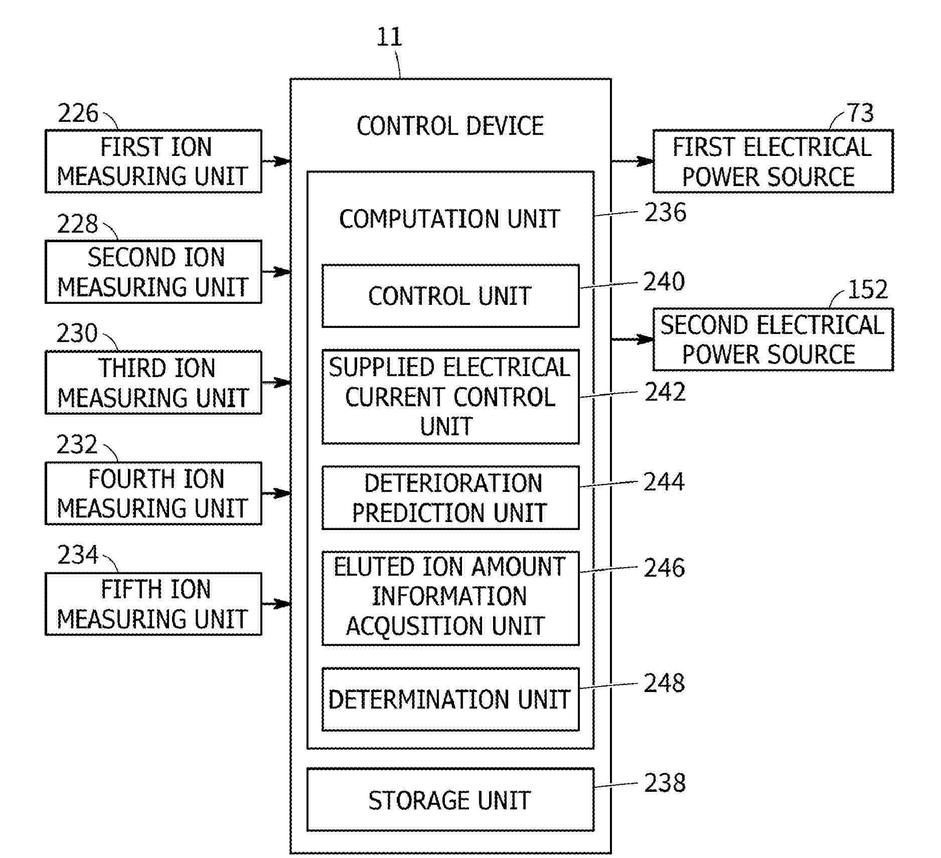
電解システムの制御装置および電解システム

NºPublicación:  JP2025176382A 04/12/2025
Solicitante: 
本田技研工業株式会社
JP_2025176382_PA

Resumen de: US2025361635A1

A control device for an electrolysis system includes a deterioration prediction unit that predicts a degree of deterioration of each of a water electrolysis stack and a compression stack, and a supplied electrical current control unit that controls an electrical current that is supplied to the water electrolysis stack and an electrical current that is supplied to the compression stack, wherein the supplied electrical current control unit controls the electrical current that is supplied to the stack having a larger degree of deterioration from among the water electrolysis stack and the compression stack to be constant, and adaptively controls the electrical current that is supplied to the stack having a smaller degree of deterioration from among the water electrolysis stack and the compression stack.

水素生成組成物及びその製造方法、並びに水素の生成方法

NºPublicación:  JP2025176442A 04/12/2025
Solicitante: 
トヨタ自動車株式会社
JP_2025176442_A

Resumen de: JP2025176442A

【課題】本発明は、水素を高収率及び高生成量で生成し得る手段を提供する。【解決手段】本発明の一態様は、粉体の形態の水素化マグネシウム及び粉体の形態のクエン酸を含み、水素化マグネシウムに対するクエン酸の質量比が2.5から3.5の範囲であり、加圧成型物の形態である、水素生成組成物に関する。本発明の別の一態様は、水素生成組成物の製造方法及び水素の生成方法に関する。【選択図】なし

SYSTEM COMBINATION COMPRISING AT LEAST TWO ELECTROLYSIS SYSTEMS AND A POWER SUPPLY SOURCE

NºPublicación:  US2025373010A1 04/12/2025
Solicitante: 
SIEMENS ENERGY GLOBAL GMBH & CO KG [DE]
Siemens Energy Global GmbH & Co. KG
CN_119452539_PA

Resumen de: US2025373010A1

A system combination having at least two electrolysis systems, a power supply source having a direct voltage output, and a central supply line is provided. The central supply line is connected to the direct voltage output of the power supply source, so that a direct current can be fed into the central supply line and a central DC network designed for high voltage is provided, to which DC network the electrolysis systems are connected by means of the central supply line. The power supply source has, as a power generator, a wind turbine, to which a rectifier having a direct voltage output is connected, the direct voltage output being designed for the high voltage.

A SYSTEM AND METHOD FOR PRODUCING AMMONIA

NºPublicación:  US2025368520A1 04/12/2025
Solicitante: 
SIEMENS ENERGY GLOBAL GMBH & CO KG [DE]
Siemens Energy Global GmbH & Co. KG
JP_2025520839_PA

Resumen de: US2025368520A1

The invention relates to a system and a method for producing ammonia, including an ammonia reactor which is formed for the generation of ammonia (NH3) from a synthesis gas, where the synthesis gas includes hydrogen (H2) and nitrogen (N2), further including an electrolizer which is formed to generate hydrogen and oxygen from water, where the electrolizer is operated with renewable energies, further including a gas turbine operated with hydrogen, where the exhaust gas of the gas turbine containing nitrogen (N2) is employed for the generation of the synthesis gas.

WATER ELECTROLYSIS MEMBRANE ELECTRODE, METHOD FOR PREPARING THE SAME, AND WATER ELECTROLYZER APPLYING THE SAME

NºPublicación:  US2025369130A1 04/12/2025
Solicitante: 
EVE HYDROGEN ENERGY CO LTD [CN]
EVE HYDROGEN ENERGY CO., LTD
WO_2025246138_A1

Resumen de: US2025369130A1

The present disclosure provides a water electrolysis membrane electrode, a method for preparing the water electrolysis membrane electrode, and a water electrolyzer applying the water electrolysis membrane electrode. The water electrolysis membrane electrode includes a cathode gas diffusion layer, a cathode catalytic layer, an anion exchange membrane, a hydrophobic anode catalytic layer, and an anode gas diffusion layer that are stacked in sequence. Raw materials for preparing the hydrophobic anode catalytic layer include an anode catalyst, a hydrophobic material, and an anode ionomer. A mass ratio of the anode catalyst, the hydrophobic material, and the anode ionomer is 10:1-3:1-3. A porosity of the hydrophobic anode catalytic layer is 10%-40%.

NAFION AND METAL ORGANIC FRAMEWORK COMPOSITE ELECTRODE FOR ALKALINE HYDROGEN EVOLUTION REACTION AND MANUFACTURING METHOD THEREOF

NºPublicación:  US2025369135A1 04/12/2025
Solicitante: 
POSTECH RES & BUSINESS DEV FOUND [KR]
POSTECH RESEARCH AND BUSINESS DEVELOPMENT FOUNDATION
US_2025369135_PA

Resumen de: US2025369135A1

The present invention relates to an electrode for a hydrogen evolution reaction in an alkaline water electrolysis cell, wherein the electrode comprises: a co-catalyst consisting of a composite containing a Lewis acid-containing material and a metal-organic framework (MOF); and a catalyst surrounded by the co-catalyst. According to the present invention, the water dissociation step of the alkaline hydrogen evolution reaction is promoted, hydrogen gas generated by the hydrogen evolution reaction can easily permeate through the structure, and Nafion is uniformly dispersed by the large pores created by the MOF, thereby implementing the co-catalyst effect across the entire surface while minimizing catalyst poisoning.

OXYGEN GENERATION SYSTEMS FOR LOW GRAVITY APPLICATIONS

NºPublicación:  US2025369137A1 04/12/2025
Solicitante: 
HAMILTON SUNDSTRAND SPACE SYS [US]
Hamilton Sundstrand Space Systems International, Inc
US_2025369137_PA

Resumen de: US2025369137A1

Oxygen generation systems for use in low-gravity environments include a cell stack with an anode-side phase separator and a cathode-side phase separator fluidly coupled to outlets of the cell stack. An anode-side flow controller and a cathode-side flow controller are arranged downstream from the respective phase separators. A pressure differential is induced upstream of the anode-side flow controller that is greater in pressure than a downstream side thereof. A pressure differential is induced upstream of the cathode-side flow controller that is greater in pressure than a downstream side thereof. An input flow controller is arranged upstream from the stack inlet, the input flow controller configured to cause a pressure differential such that an upstream side of the input flow controller is greater than a downstream side of the input flow controller.

LOW TEMPERATURE PRODUCTION OF HYDROGEN PEROXIDE

NºPublicación:  US2025369126A1 04/12/2025
Solicitante: 
HPNOW APS [DK]
HPNow ApS
WO_2025248075_PA

Resumen de: US2025369126A1

Embodiments for an apparatus for producing hydrogen peroxide are provided. The apparatus includes a heat exchanger configured to remove heat from deionized water prior to passing the deionized water through the anode passage of one or more cells. The apparatus is also configured to oxidize the deionized water in the anode passage of the one or more cells. The apparatus also includes a controller configured to control the heat exchanger and a first one or more temperature sensors electrically coupled to the controller. The first one or more temperature sensors are configured to provide a first temperature reading based on a temperature of the one or more cells, wherein the controller is configured to control the heat exchanger to maintain the first temperature reading at or below a first temperature threshold.

OXYGEN GENERATION SYSTEMS FOR LOW GRAVITY APPLICATIONS

NºPublicación:  US2025369139A1 04/12/2025
Solicitante: 
HAMILTON SUNDSTRAND CORP [US]
Hamilton Sundstrand Corporation

Resumen de: US2025369139A1

Oxygen generation systems for use in low-gravity environments include a cell stack having an anode and a cathode. An anode-side phase separator and a cathode-side phase separator are each fluidly coupled to outlets of the cell stack. The anode-side phase separator separates a mixture into liquid water and gaseous oxygen and the cathode-side phase separates a mixture int liquid water and gaseous hydrogen. A ducting system is configured to house the cell stack and the cathode-side phase separator, a hydrogen sensor is arranged at an outlet of the ducting system, and a controller is configured to stop oxygen generation at the cell stack when a concentration of hydrogen is detected at or above a threshold level at the hydrogen sensor at the outlet of the ducting system.

SYSTEM AND METHODS FOR THE PRODUCTION OF HYDROGEN GAS

NºPublicación:  US2025369125A1 04/12/2025
Solicitante: 
SCHANK JR WILLIAM H [US]
CARDONA STEVEN C [US]
SCHANK, JR. William H,
CARDONA Steven C

Resumen de: US2025369125A1

Methods and systems are disclosed for using industrial waste for the production of hydrogen gas. The method includes examining a pH level of the industrial waste, removing contaminate from the industrial waste, conditioning and concentrating the industrial waste to a proton-rich solution, and using the resulting proton-rich solution as the proton source in a hydrogenase catalyzed hydrogen production system.

METHOD FOR ONE-STEP SYNTHESIS OF SINGLE ATOMS AND NANOPARTICLES CO-DECORATED CARBON NANOTUBE ARRAYS

NºPublicación:  US2025369134A1 04/12/2025
Solicitante: 
CITY UNIV OF HONG KONG [CN]
City University of Hong Kong

Resumen de: US2025369134A1

A liquid-assisted chemical vapor deposition method for preparing hierarchical Ni/NiO@Ru—NC nanotube arrays includes forming Ni/NiO@Ru—NC on surfaces of the NF with single-atom Ru anchored on N-doped carbon (Ru—NC) nanotube and Janus Ni/NiO NPs encapsulated on the tips. The forming Ni/NiO@Ru—NC includes pretreating the NF; creating a CH3CN/RuCl3/Ar atmosphere in the tube furnace to in-situ grow the Ni/NiO@Ru—NC nanotube arrays on the pretreated NF. The bifunctional Ni/NiO@Ru—NC electrocatalyst exhibits overpotentials of 88 m V and 261 m V for hydrogen evolution reaction (HER) and oxygen evolution reaction (OER) at 100 mA cm−2 in alkaline solution, respectively. Meanwhile, the bifunctional Ni/NiO@Ru—NC can stably operate an anion-exchange membrane water electrolysis (AEMWE) system for 50 hours under 500 mA cm−2 at a voltage of 1.95±0.05 V in a 1.0 M KOH solution at room temperature. An overall water-splitting electrolyzer can be efficiently driven by a solar cell.

DEVELOPMENT OF AN EFFICIENT AND PRACTICAL SUSTAINABLE LOWER CARBON AVIATION FUEL (LCAF) FOR IMPROVING AVIATION SUSTAINABILITY

NºPublicación:  US2025368585A1 04/12/2025
Solicitante: 
HAMAD BIN KHALIFA UNIV [QA]
HAMAD BIN KHALIFA UNIVERSITY

Resumen de: US2025368585A1

A carbon closed-loop system and process are provided. The carbon closed-loop system and process can be utilized in an industrial operation for producing, for example, a Lower Carbon Aviation Fuel (LCAF). The LCAF is produced by decarbonizing, for example, industrial furnaces and boilers, such as fired heaters, through the carbon closed-loop system and process which integrates renewable energy-driven H2 generation, CO2 capture, and methanation technologies to substantially reduce the carbon footprint of the industrial operation.

PHOTOCATALYTIC PANEL AND METHODS FOR CONTINUOUS HYDROGEN PRODUCTION

NºPublicación:  US2025368503A1 04/12/2025
Solicitante: 
QDSOL LTD [IL]
TECHNION RES AND DEVELOPMENT FOUNDATION LTD [IL]
QDSol, LTD,
TECHNION RESEARCH AND DEVELOPMENT FOUNDATION, LTD
JP_2025524419_PA

Resumen de: US2025368503A1

The disclosure relates to systems and methods for continuous hydrogen production using photocatalysis. Specifically, the disclosure relates to systems and methods for continuous hydrogen production using photocatalysis of water utilizing semiconductor charge carriers immobilized on removable carriers in the presence of a reducing agent such as tertiary amines.

HYDROGEN PURIFICATION SYSTEM AND METHOD FOR PURIFYING HYDROGEN

NºPublicación:  WO2025249989A1 04/12/2025
Solicitante: 
POSCO HOLDINGS INC [KR]
\uD3EC\uC2A4\uCF54\uD640\uB529\uC2A4 \uC8FC\uC2DD\uD68C\uC0AC
WO_2025249989_PA

Resumen de: WO2025249989A1

According to exemplary embodiments of the present invention, provided are a hydrogen purification system and a method for purifying hydrogen, the hydrogen purification system comprising: a first reactor configured to produce a metal nitride and a hydrogen-rich gas by reacting a mixed gas containing hydrogen and nitrogen with a metal absorbent; and a second reactor configured to receive the metal nitride from the first reactor and regenerate same into the metal absorbent, wherein the pressure of the first reactor is 1-5 bar.

ELECTRODE FOR ALKALINE HYDROGEN EVOLUTION REACTION COMPRISING NAFION AND METAL-ORGANIC FRAMEWORK COMPOSITE AND MANUFACTURING METHOD THEREOF

NºPublicación:  WO2025249719A1 04/12/2025
Solicitante: 
POSTECH RES AND BUSINESS DEVELOPMENT FOUNDATION [KR]
\uD3EC\uD56D\uACF5\uACFC\uB300\uD559\uAD50 \uC0B0\uD559\uD611\uB825\uB2E8
WO_2025249719_PA

Resumen de: WO2025249719A1

The present invention relates to an electrode for a hydrogen evolution reaction of an alkaline water electrolysis cell, the electrode being characterized by comprising: a cocatalyst which is a composite comprising a Lewis acid-containing material and a metal-organic framework (MOF); and a catalyst surrounded by the cocatalyst. Therefore, according to the present invention, a water dissociation step of an alkaline hydrogen evolution reaction is promoted, hydrogen gas generated by the hydrogen evolution reaction is easily permeated, and Nafion is evenly dispersed by large pores generated by the MOF, thereby minimizing catalyst poisoning while implementing the effect of the cocatalyst on the entire surface.

ELECTROCHEMICAL CELL, SOLID OXIDE ELECTROLYSIS CELL, CELL STACK, HOT MODULE, AND HYDROGEN PRODUCTION DEVICE

NºPublicación:  WO2025249472A1 04/12/2025
Solicitante: 
NITERRA CO LTD [JP]
\u65E5\u672C\u7279\u6B8A\u9676\u696D\u682A\u5F0F\u4F1A\u793E
WO_2025249472_PA

Resumen de: WO2025249472A1

An electrolysis cell 21 comprises a solid electrolyte layer 211, a fuel electrode layer 213 stacked and arranged on one surface side of the solid electrolyte layer 211, and an air electrode layer 212 stacked and arranged on the other surface side of the solid electrolyte layer 211. The fuel electrode layer 213 includes a functional layer 213a, a support layer 213b positioned on the side farther from the solid electrolyte layer 211 than from the functional layer 213a, and a mutual diffusion layer 213c positioned between the functional layer 213a and the support layer 213b so as to be in contact with both of the functional layer 213a and the support layer 213b. The mutual diffusion layer 213c includes: a first element which is one element constituting the functional layer 213a; and a second element which is one element constituting the support layer 213b and is different from the first element. The thickness of the mutual diffusion layer 213c is 1.1 μm or more and 9.7 μm or less.

ELECTROCHEMICAL CELL, SOLID OXIDE ELECTROLYSIS CELL, CELL STACK, HOT MODULE, AND HYDROGEN PRODUCTION DEVICE

NºPublicación:  WO2025249470A1 04/12/2025
Solicitante: 
NITERRA CO LTD [JP]
\u65E5\u672C\u7279\u6B8A\u9676\u696D\u682A\u5F0F\u4F1A\u793E
WO_2025249470_PA

Resumen de: WO2025249470A1

An electrolysis cell 21 includes: a solid electrolyte layer 211; a fuel electrode layer 213 stacked and arranged on the rear surface 211A side of the solid electrolyte layer 211; and an air electrode layer 212 stacked and arranged on the front surface 211B side of the solid electrolyte layer 211. A mutual diffusion layer 214 in contact with both the solid electrolyte layer 211 and the fuel electrode layer 213 is formed between the solid electrolyte layer 211 and the fuel electrode layer 213. The mutual diffusion layer 214 includes: a first element which is one element constituting the solid electrolyte layer 211; and a second element which is one element constituting the fuel electrode layer 213 and is different from the first element. The thickness T1 of the mutual diffusion layer 214 falls within the range of 1.5 μm or more and 4.8 μm or less.

ELECTROCHEMICAL CELL, SOLID OXIDE ELECTROLYSIS CELL, CELL STACK, HOT MODULE, AND HYDROGEN PRODUCTION DEVICE

NºPublicación:  WO2025249471A1 04/12/2025
Solicitante: 
NITERRA CO LTD [JP]
\u65E5\u672C\u7279\u6B8A\u9676\u696D\u682A\u5F0F\u4F1A\u793E
WO_2025249471_PA

Resumen de: WO2025249471A1

An electrolysis cell 21 comprises: a solid electrolyte layer 211 including ion-conductive oxide particles; a fuel electrode layer 213 laminated on the back surface 211A side of the solid electrolyte layer 211; and an air electrode layer 212 laminated on the upper surface 211B side of the solid electrolyte layer 211. The average particle diameter of the ion-conductive oxide particles in the solid electrolyte layer 211 is 0.40-1.24 µm.

ELECTROCHEMICAL CELL, SOLID OXIDE ELECTROLYSIS CELL, CELL STACK, HOT MODULE, AND HYDROGEN PRODUCTION DEVICE

NºPublicación:  WO2025249474A1 04/12/2025
Solicitante: 
NITERRA CO LTD [JP]
\u65E5\u672C\u7279\u6B8A\u9676\u696D\u682A\u5F0F\u4F1A\u793E
WO_2025249474_PA

Resumen de: WO2025249474A1

An electrolysis cell 21 comprises: a solid electrolyte layer 211 that includes oxide particles containing Zr; a fuel electrode layer 213 that is stacked and arranged on one surface side of the solid electrolyte layer 211 and includes metal particles and oxide particles containing Ce; and an air electrode layer 212 that is stacked and arranged on the other surface side of the solid electrolyte layer 211. A Raman spectrum of Stokes scattered light of each of the solid electrolyte layer 211 and the fuel electrode layer 213 (213a) has a peak in a wave number region of 334 cm-1 or more and 531 cm-1 or less. When the half widths of the peaks of the Raman spectra of the solid electrolyte layer 211 and the fuel electrode layer 213 (213a) in the wave number region are defined as an electrolyte half width and a fuel electrode half width, respectively, the ratio of the electrolyte half width to the fuel electrode half width is 3.5 or more and 5.7 or less.

METHOD FOR CONTROLLING WATER ELECTROLYSIS SYSTEM, AND WATER ELECTROLYSIS SYSTEM

NºPublicación:  WO2025249273A1 04/12/2025
Solicitante: 
HITACHI LTD [JP]
\u682A\u5F0F\u4F1A\u793E\u65E5\u7ACB\u88FD\u4F5C\u6240
WO_2025249273_PA

Resumen de: WO2025249273A1

Provided is a method for controlling a water electrolysis system with which operation states of a plurality of electrolysis stacks can be independently regulated highly responsively and highly efficiently. This method is for controlling a water electrolysis system which comprises: electrolysis stacks where water is electrolyzed to produce hydrogen and oxygen; a pure water feeder for feeding pure water to the electrolysis stacks; a first regulation part and a second regulation part, which are disposed between each electrolysis stack and the pure water feeder and are capable of regulating the operation state of the electrolysis stack; and an operation state regulation control unit which regulates the first regulation part and the second regulation part to regulate the operation states of the electrolysis stacks. The operation state regulation control unit, after receiving a command to change the operation state of an electrolysis stack, operates the first regulation part on the basis of the operation state and, when a predetermined requirement has been satisfied, operates the second regulation part simultaneously with the first regulation part on the basis of the operation state.

METHOD FOR ELECTROLYZING WATER, METHOD FOR PRODUCING HYDROGEN, AND METHOD FOR PRODUCING CELL OF PEM WATER ELECTROLYSIS DEVICE

NºPublicación:  WO2025248902A1 04/12/2025
Solicitante: 
TOHO TITANIUM CO LTD [JP]
\u6771\u90A6\u30C1\u30BF\u30CB\u30A6\u30E0\u682A\u5F0F\u4F1A\u793E
WO_2025248902_A1

Resumen de: WO2025248902A1

A method for electrolyzing water according to the present invention is a method for splitting water with the use of a PEM water electrolysis device which is provided with a cell in which a cathode, an electrolyte membrane, a porous transport layer, and an anode are stacked, wherein: the porous transport layer has a titanium porous body; in the electrolyte membrane-side surface of the titanium porous body, the average value of the areas of pores that open to the surface is 5 μm2 to 45 μm2 inclusive; the standard deviation value of the areas of the pores is 90 μm2 or less; the number of the pores that are present within a rectangular region that has an area of 22,000 μm2 and an aspect ratio of 4:3 is 120 or more; and the pressure applied in the stacking direction of the cathode, the electrolyte membrane, the porous transport layer, and the anode at the time of assembling the cell is set to 6 MPa or more.

CATALYST-LOADED CARBON, MEMBRANE ELECTRODE ASSEMBLY USING SAME FOR POLYMER ELECTROLYTE FUEL CELLS, AND POLYMER ELECTROLYTE FUEL CELL

NºPublicación:  EP4657576A1 03/12/2025
Solicitante: 
ISHIFUKU METAL IND [JP]
TPR CO LTD [JP]
Ishifuku Metal Industry Co., Ltd,
TPR CO., LTD
EP_4657576_PA

Resumen de: EP4657576A1

Problem To provide a catalyst-loaded carbon having a high initial activity and excellent durability. Solution A catalyst-loaded carbon including catalyst particles and a carbon support, the catalyst particles being loaded on the carbon support. The carbon support has a crystallite size of 3.5 nm or greater and 9 nm or less, a BET specific surface area of 300 m<sup>2</sup>/g or greater and 450 m<sup>2</sup>/g or less, and a pore size of 5.0 nm or greater and 20.0 nm or less. The catalyst particles are made of platinum or a platinum alloy, have a crystallite size of 2.5 nm or greater and 5.0 nm or less and a surface area of 40 m<sup>2</sup>/g or greater and 80 m<sup>2</sup>/g or less.

ELECTROLYSER SYSTEM AND METHOD OF ELECTRODE MANUFACTURE

NºPublicación:  EP4655429A1 03/12/2025
Solicitante: 
SUNGREENH2 PTE LTD [SG]
Sungreenh2 Pte. Ltd
KR_20250150556_PA

Resumen de: AU2024213038A1

An electrolyser system and method of electrode manufacture. The electrolyser system may comprise a first vessel in communication with an electrolyser stack, a power supply, an electrode, a separator, a membrane, and a second vessel in communication with the electrolyser stack. The electrode may comprise a catalytic material and a micro- porous and/or nano-porous structure. The method of electrode manufacture may comprise providing a substrate, contacting the substrate with an acidic solution, applying an electric current to the substrate, simultaneously depositing a main material and supporting material comprising a scarifying material onto the substrate, and leaching the scarifying material.

WATER-EFFICIENT METHOD OF STORING HYDROGEN USING A BICARBONATE/FORMATE BASED REACTION SYSTEM

NºPublicación:  EP4656590A1 03/12/2025
Solicitante: 
AKROS ENERGY GMBH [DE]
AKROS Energy GmbH
EP_4656590_A1

Resumen de: EP4656590A1

The present invention relates to a water-efficient method of storing hydrogen using a bicarbonate/formate-based aqueous reaction system, wherein the method comprises:(A) reducing aqueous bicarbonate using hydrogen to form formate and water,(B) at least partially separating water from the aqueous reaction system to provide water and concentrated salt components comprising formate, and(C) using the water provided in step (B) to form hydrogen for use in step (A) and/or to dissolve concentrated salt components comprising bicarbonate to provide aqueous bicarbonate for use in step (A).

PROCESS FOR CATALYTIC CRACKING OF AMMONIA

NºPublicación:  EP4655243A1 03/12/2025
Solicitante: 
JOHNSON MATTHEY DAVY TECHNOLOGIES LTD [GB]
Johnson Matthey Davy Technologies Limited
KR_20250107272_PA

Resumen de: CN120344485A

The present invention relates to the field of hydrogen production from catalytic cracking of ammonia. The present invention comprises a primary cracking path comprising one or more catalyst-containing reaction tubes disposed within a roasting-type ammonia cracking reactor; and a parallel cleavage path comprising one or more secondary ammonia cleavage reactors arranged in succession and fluidly connected to each other. The invention can be used for producing hydrogen from ammonia.

ELECTROLYSER SYSTEM FOR AN INTERMITTENT ELECTRICITY SUPPLY

NºPublicación:  EP4655430A1 03/12/2025
Solicitante: 
CERES IP CO LTD [GB]
Ceres Intellectual Property Company Limited
KR_20250143144_PA

Resumen de: CN120569516A

The invention provides an electrolytic cell system (10). The electrolytic cell system comprises a heat storage unit (14) and an electrolytic cell (16). The heat storage unit (14) comprises at least one heat source feed inlet. The electrolytic cell (16) comprises at least one electrolytic cell cell (20), a steam inlet and at least one exhaust gas outlet. The exhaust outlet is connected to the heat source feed inlet to heat the heat storage unit (14). The heat storage unit (14) is configured to use its stored heat to generate steam for one of feeding into the steam inlet at a time and generating electricity or both feeding into the steam inlet at the same time and generating electricity. The invention also provides a system comprising an intermittent or variable power source (12) and an electrolytic cell system (10) as defined above. The intermittent or variable power source (12) may be configured to simultaneously or separately power the electrolysis cell (16) and heat the heat storage unit (14) via a heating element.

PEM水電解バイポーラプレート及びその製造方法

NºPublicación:  JP2025539180A 03/12/2025
Solicitante: 
中国科学院大▲連▼化学物理研究所
JP_2025539180_PA

Resumen de: WO2024114488A1

The present invention belongs to the field of water electrolysis for hydrogen production. Disclosed are a PEM water electrolysis bipolar plate and a manufacturing method. The present invention uses a stainless steel plate as a substrate. The substrate is provided with through hole structures which have the same structure as flow channel ridges and positions of which match positions of the flow channel ridges. The upper surface and the lower surface of the substrate are both provided with a titanium layer, and the titanium layers fill the through hole structures so as to enable the upper titanium layer and the lower titanium layer to be connected. A spherical dehydrogenated titanium powder layer and a functional coating are successively provided on the surface of each of the titanium layers. The functional coatings form the flow channel ridges, flow disturbing pillars and a hydrogen-oxygen frame of the bipolar plate. The pore diameter of the spherical dehydrogenated titanium powder layers is 100 nm to 10 μm; and the titanium layers, the spherical dehydrogenated titanium powder layers and the functional coatings all contain titanium powders. The present invention can improve the conductivity of the bipolar plate while using a low-cost stainless steel plate, thus improving the overall properties of the water electrolysis bipolar plate.

A FLOATING POWER PLANT AND AN OFFSHORE ELECTRICITY GENERATION PLANT

NºPublicación:  EP4656506A1 03/12/2025
Solicitante: 
SOLARDUCK HOLDING B V [NL]
SolarDuck Holding B.V
EP_4656506_PA

Resumen de: EP4656506A1

A floating power plant (2) comprises a plurality of interconnected floating platforms (6) which are movable with respect to each other. Each floating platform (6) comprises a floating member (8), wherein the floating member (8) of at least one floating platform (6) has an internal chamber (9) for storing hydrogen. The floating power plant (2) is provided with an electrolyzer including a hydrogen output and a fuel cell including a hydrogen input. The largest number of the floating platforms (6) is provided with PV panels (3) and at least one of the floating platforms (6) is provided with the electrolyzer and/or the fuel cell. The electrolyzer is electrically connectable to the PV panels (3) and the hydrogen output and/or the hydrogen input is fluidly connectable to the internal chamber (9) of the floating member (8) of the at least one platform (6).

WATER ELECTROLYSIS MEMBRANE ELECTRODE, METHOD FOR PREPARING THE SAME, AND WATER ELECTROLYZER APPLYING THE SAME

NºPublicación:  EP4656772A1 03/12/2025
Solicitante: 
EVE HYDROGEN ENERGY CO LTD [CN]
EVE Hydrogen Energy Co., LTD
EP_4656772_A1

Resumen de: EP4656772A1

The present disclosure provides a water electrolysis membrane electrode, a method for preparing the water electrolysis membrane electrode, and a water electrolyzer applying the water electrolysis membrane electrode. The water electrolysis membrane electrode includes a cathode gas diffusion layer, a cathode catalytic layer, an anion exchange membrane, a hydrophobic anode catalytic layer, and an anode gas diffusion layer that are stacked in sequence. Raw materials for preparing the hydrophobic anode catalytic layer include an anode catalyst, a hydrophobic material, and an anode ionomer. A mass ratio of the anode catalyst, the hydrophobic material, and the anode ionomer is 10:1-3:1-3. A porosity of the hydrophobic anode catalytic layer is 10%-40%.

A FLOATING HYDROGEN PRODUCTION PLANT AND AN OFFSHORE HYDROGEN PRODUCTION SYSTEM

NºPublicación:  EP4656771A1 03/12/2025
Solicitante: 
SOLARDUCK HOLDING B V [NL]
SolarDuck Holding B.V
EP_4656771_PA

Resumen de: EP4656771A1

A floating hydrogen production plant (2) comprises a plurality of interconnected floating platforms (6) which are movable with respect to each other. Each floating platform (6) comprises a floating member (7). The floating member (7) of at least one floating platform (6) has an internal chamber (8) for storing hydrogen. Each of the floating platforms (6) is provided with a plurality of hydrogen production devices (3) for producing hydrogen by electrolysis of water in the ambient air through solar energy. The hydrogen production devices (3) have respective hydrogen ports which are fluidly connectable to the internal chamber (8) of the floating member (7) of the at least one floating platform (6).

WATER ELECTROLYSIS STACK AND WATER ELECTROLYSIS SYSTEM

NºPublicación:  EP4656774A2 03/12/2025
Solicitante: 
TOYOTA MOTOR CO LTD [JP]
TOYOTA JIDOSHA KABUSHIKI KAISHA
EP_4656774_PA

Resumen de: EP4656774A2

Provided is a water electrolysis stack capable of improving durability. The water electrolysis stack includes a cell stack that is formed by stacking a plurality of water electrolysis cells, an inter-cell space is formed between each adjacent ones of the water electrolysis cells in the cell stack, and gas flows into the inter-cell spaces in water electrolysis.

METHOD AND PLANT FOR OBTAINING A HYDROGEN-CONTAINING PRODUCT

NºPublicación:  EP4656592A1 03/12/2025
Solicitante: 
LINDE GMBH [DE]
SELAS LINDE GMBH [DE]
Linde GmbH,
Selas-Linde GmbH
EP_4656592_PA

Resumen de: EP4656592A1

Die Erfindung betrifft ein Verfahren sowie eine Anlage (100) zur Herstellung eines Wasserstoff enthaltenden Produkts, wobei Ammoniak (1) unter Erhalt eines Ammoniakeinsatzes (2) einer Vorbehandlung (10) unterworfen und der Ammoniakeinsatz (2) in einem beheizten Ammoniakcracker (20) zu einem Ammoniak sowie Wasserstoff und Stickstoff enthaltenden Spaltgas (3) umgesetzt wird, wobei zur Beheizung des Ammoniakcrackers (20) ein schwefelfreies Brenngas unter Bildung eines wasserhaltigen Rauchgases (4a) verfeuert wird. Kennzeichnend hierbei ist, dass zumindest ein Teil des wasserhaltigen Rauchgases in der Vorbehandlung (10) gegen Ammoniak bis unter den Taupunkt abgekühlt wird, wobei kondensiertes Wasser sowie angewärmtes Ammoniak erhalten werden.

具有可变数量的活性电解电池的电解槽

NºPublicación:  CN121057844A 02/12/2025
Solicitante: 
氢气波有限公司
CN_121057844_PA

Resumen de: AU2024222987A1

A system, comprising: an electrolyzer having a plurality of electrolysis cells arranged in a cell stack, wherein the electrolysis cells are electrically connected in series and grouped into two or more cell groups, each cell group having an electrical contact at either end; an electrical circuit having one or more switches, each switch coupled between the electrical contacts of a respective one of the cell groups and configured to selectively disconnect the cell group from the cell stack by electrically bypassing the cell group via a lower resistance path, to thereby vary the number of active electrolysis cells in the cell stack; and a controller configured to determine the number of active electrolysis cells based on a variable amount of direct current (DC) electrical energy supplied to the cell stack by an electrical energy source, and to control the one or more switches based on the determination.

アンモニアの接触分解のためのプロセス

NºPublicación:  JP2025538901A 02/12/2025
Solicitante: 
ジョンソン、マッセイ、パブリック、リミテッド、カンパニー
JP_2025538901_PA

Resumen de: CN120344485A

The present invention relates to the field of hydrogen production from catalytic cracking of ammonia. The present invention comprises a primary cracking path comprising one or more catalyst-containing reaction tubes disposed within a roasting-type ammonia cracking reactor; and a parallel cleavage path comprising one or more secondary ammonia cleavage reactors arranged in succession and fluidly connected to each other. The invention can be used for producing hydrogen from ammonia.

Electrode for gaseous evolution in electrolytic process

NºPublicación:  IL324185A 01/12/2025
Solicitante: 
IND DE NORA S P A [IT]
INDUSTRIE DE NORA S.P.A
IL_324185_A

Resumen de: AU2024263112A1

The present invention relates to an electrode and in particular to an electrode suitable for gas evolution comprising a metal substrate and a catalytic coating. Such electrode can be used as an anode for the development of oxygen in electrolytic processes such as, for example, in the alkaline electrolysis of water.

PROCESS AND APPARATUS FOR CRACKING AMMONIA

NºPublicación:  CA3268521A1 29/11/2025
Solicitante: 
AIR PRODUCTS AND CHEMICALS INC [US]
AIR PRODUCTS AND CHEMICALS, INC
JP_2025146746_PA

Resumen de: CA3268521A1

In a process in which ammonia is cracked to form a hydrogen gas product and an offgas comprising nitrogen gas, residual hydrogen gas and residual ammonia gas, residual ammonia is recovered from the offgas from the hydrogen recovery process by partial condensation and phase separation, and hydrogen is recovered from the resultant ammonia-lean offgas by partial condensation and phase separation. The recovered ammonia may be recycled the cracking process and the recovered hydrogen may be recycled to the hydrogen recovery process to improve hydrogen recovery from the cracked gas. Overall hydrogen recovery from the ammonia may thereby be increased to over 99%.

COMPOSITE FOR ELECTROCATALYSIS AND PREPARATION METHOD THEROF

NºPublicación:  CA3273968A1 29/11/2025
Solicitante: 
HYDROLYZER DOO [RS]
Hydrolyzer DOO
US_2025354279_PA

Resumen de: CA3273968A1

5 10 15 20 25 30 35 Abstract The present invention relates to a method of preparing a composite material, in particular one useful as a catalyst in an electrolytic hydrogen evolution reaction and/or the oxygen evolution reaction and/or urea oxidation-assisted water electrolysis. Provided is a method of preparing a composite material, the method comprising the steps of: (i) electrochemically depositing material onto a substrate from a deposition solution comprising a nickel (II) salt and graphene oxide, to obtain a nickel-reduced graphene oxide composite material comprising nickel dispersed on reduced graphene oxide, said composite material being deposited on the substrate; (ii) after step (i), placing the substrate, having the nickel-reduced graphene oxide composite deposited thereon, in an alkaline solution along with a counter electrode; and (iii) after step (ii), partially electrochemically oxidising the nickel, to obtain a partially oxidised nickel-reduced graphene oxide composite material comprising partially oxidised nickel dispersed on reduced graphene oxide, said composite material being deposited on the substrate. The composite of the invention demonstrates high catalytic activity for electrolytic hydrogen production under alkaline water electrolysis conditions (for example, a hydrogen evolution current of up to 500 mA cm-2 at -1.35 V against a Reversible Hydrogen Electrode). High activity is demonstrated even when the substrate (on which the composite is deposited)

PROCESS FOR PROVIDING SYNTHESIS GAS AND FOR PRODUCING METHANOL

NºPublicación:  CA3249699A1 29/11/2025
Solicitante: 
LAIR LIQUIDE SA POUR LETUDE ET LEXPLOITATION DES PROCEDES GEORGES CLAUDE [FR]
L'AIR LIQUIDE, SOCIETE ANONYME POUR L'ETUDE ET L'EXPLOITATION DES PROCEDES GEORGES CLAUDE
CN_119954097_PA

Resumen de: CA3249699A1

The present invention proposes a process for producing synthesis gas, in particular synthesis gas for methanol synthesis. The process comprises the steps of providing a sulfur-containing hydrocarbon stream; providing an electrolytically produced hydrogen stream; supplying a portion of the electrolytically produced hydrogen stream to at least a portion of the sulfur-containing hydrocarbon stream to obtain a hydrogen-enriched sulfur-containing hydrocarbon stream; desulfurizing the stream obtained according to step (c) in a hydrodesulfurization unit (HDS unit) (12) to obtain a sulfur-free hydrocarbon stream; supplying a portion of the electrolytically produced hydrogen stream to at least a portion of the stream obtained according to step (d) to obtain a hydrogen-enriched sulfur-free hydrocarbon stream and converting at least a portion of the stream obtained according to step (e) into a synthesis gas stream in the presence of oxygen as oxidant in a reforming step.

SYSTEM AND METHOD FOR STABILIZING THE OPERATION OF FACILITIES USING HYDROGEN PRODUCED BY LOW CARBON SOURCES

NºPublicación:  CA3273333A1 29/11/2025
Solicitante: 
KELLOGG BROWN & ROOT LLC [US]
KELLOGG BROWN & ROOT LLC
KR_20250163830_PA

Resumen de: AU2025203497A1

A system and a method for stabilizing hydrogen flow to a downstream process in a facility determining a hydrogen density and pressure profiles in the hydrogen storage unit 5 for different target net hydrogen flows at different time intervals of a time horizon of a renewable power availability profile, determining an operating target net hydrogen flow of a hydrogen feed to the downstream process, determining a target direct hydrogen flow of a hydrogen feed and a target stored hydrogen flow of a hydrogen feed to the downstream process, and controlling the operation of the downstream process based on the operating 10 target hydrogen flows. A system and a method for stabilizing hydrogen flow to a downstream process in a 5 facility determining a hydrogen density and pressure profiles in the hydrogen storage unit for different target net hydrogen flows at different time intervals of a time horizon of a renewable power availability profile, determining an operating target net hydrogen flow of a hydrogen feed to the downstream process, determining a target direct hydrogen flow of a hydrogen feed and a target stored hydrogen flow of a hydrogen feed to the downstream 10 process, and controlling the operation of the downstream process based on the operating target hydrogen flows. ay a y

飛行体用気体供給システム

NºPublicación:  JP2025173908A 28/11/2025
Solicitante: 
愛三工業株式会社
JP_2025173908_PA

Resumen de: JP2025173908A

【課題】飛行体内の酸素濃度を制御することができる飛行体用気体供給システムを得る。【解決手段】飛行体用気体供給システム10は、飛行機12内に配置されて空気に含まれる水分を吸着しかつ光が照射されることで水を分解して酸素を発生させる光触媒作用を有する多孔性配位高分子を含んで構成された吸着体14と、飛行機12内に配置されて飛行機12内の酸素濃度を測定可能な酸素濃度センサ16と、飛行機12内に配置されて吸着体14に光を照射可能とされると共に光の光量を調整可能とされた照明装置18とを備えている。【選択図】図1

二酸化炭素の分離を伴う二酸化炭素からの合成燃料の製造

NºPublicación:  JP2025538590A 28/11/2025
Solicitante: 
イエフペエネルジヌヴェル
JP_2025538590_PA

Resumen de: CN120225638A

The invention relates to a device/method for capturing/converting CO2. The present invention relates to a process for producing CO and water, comprising/using a CO2 capture unit (2) that produces a CO2-rich effluent (3), a water electrolysis unit (5) that converts water (4) into oxygen (6) and hydrogen (7), an RWGS unit (8) that treats the CO2-rich effluent with hydrogen (7) and produces an RWGS gas (9) enriched in CO and water, an FT unit (13) that converts the RWGS gas and produces an FT effluent (14), a first separation unit (15) that treats the FT effluent and produces a hydrocarbon effluent (17) and a gas effluent (33), a second separation unit (34) separating the first gas (33) producing a CO2-lean gas (18) and a CO2-rich gas (35) fed to the RWGS unit, a hydrogen unit (20) treating the hydrocarbon effluent to produce a hydrocarbon fraction (21).

浮体式風力タービンから水上移動手段に水素を輸送する方法

NºPublicación:  JP2025538564A 28/11/2025
Solicitante: 
クルーズオフショアゲーエムベーハー
JP_2025538564_PA

Resumen de: WO2024115474A1

The aim of the invention is to transport energy produced in an environmentally friendly manner by means of an offshore wind turbine to land in a simple and reliable manner. This is achieved by a method (100) for transporting hydrogen from a floating wind turbine (10) to a water vehicle (11), wherein hydrogen is provided in a storage tank (31) of a floating wind turbine (10), and a water vehicle (11) with a transport tank (36) is positioned by the floating wind turbine (10). The hydrogen is transported from the storage tank (31) to the transport tank (36) using a line (35) which is designed to transport the hydrogen.

アルカリアニオン交換ブレンド膜

NºPublicación:  JP2025538627A 28/11/2025
Solicitante: 
ビーエーエスエフソシエタス・ヨーロピア
JP_2025538627_A

Resumen de: CN120322494A

The present invention relates to a basic anion exchange membrane precursor (pAAEM) comprising a blend of at least one first polymer (P1) comprising recurring units derived from acrylonitrile and at least one second polymer (P2) comprising recurring units derived from vinyl lactam; and to an alkaline anion exchange membrane (AAEM) obtained therefrom.

アンモニアを分解するためのプロセス及び装置

NºPublicación:  JP2025538428A 28/11/2025
Solicitante: 
エアプロダクツアンドケミカルズインコーポレイテッド
JP_2025538428_PA

Resumen de: CN120225461A

The process for cracking ammonia is improved by using heat generated in a compression unit for compressing PSA off-gas recycled to a PSA unit to preheat liquid ammonia prior to gasification and cracking. Heat is transferred using a heat transfer fluid, such as an aqueous solution comprising from about 50% to about 60% by weight of a diol, such as ethylene glycol or propylene glycol.

析氧反应催化剂及其制备方法

NºPublicación:  CN121039844A 28/11/2025
Solicitante: 
庄信万丰股份有限公司
CN_121039844_PA

Resumen de: AU2024276790A1

The specification describes a process for preparing an oxygen evolution reaction catalyst, comprising the steps of: (i) combining iridium powder and a peroxide salt to produce a powder mixture; (ii) carrying out thermal treatment on the powder mixture; (iii) dissolving the product from (ii) in water to produce a solution; (iv) reducing the pH of the solution from (iii) to affect a precipitation and form a solid and a supernatant; (v) separating the solid from the supernatant; and (vi) drying the solid. An oxygen evolution catalyst obtainable by the process is also described.

전극 촉매층 및 막전극 접합체

NºPublicación:  KR20250166984A 28/11/2025
Solicitante: 
TOPPAN HOLDINGS INC [JP]
\uB3C4\uD310 \uD640\uB529\uC2A4 \uAC00\uBD80\uC2DC\uD0A4\uAC00\uC774\uC0E4
KR_20250166984_PA

Resumen de: AU2024244659A1

An electrode catalyst layer 2 comprises catalyst particles 12, an ionomer 13, and ionomer-adsorbing carbon fibers 14α. The ionomer-adsorbing carbon fibers 14α may have an ionomer adsorption amount of 10 mg or larger per g of the ionomer-adsorbing carbon fibers, may have a diameter within the range of 50 nm to 1 μm, and may be hydrophilized vapor-phase growth carbon fibers (VGCF).

电解装置

NºPublicación:  CN121023546A 28/11/2025
Solicitante: 
本田技研工业株式会社
CN_121023546_PA

Resumen de: US2025361626A1

An electrolysis device includes a water electrolysis stack configured to electrolyze water, a gas-liquid separator configured to separate hydrogen gas from water discharged from the water electrolysis stack, and a hydrogen compression stack configured to compress the hydrogen gas separated by the gas-liquid separator. The gas-liquid separator includes a storage tank configured to store water, and a maximum storage water level that is a maximum value of a water level that can be allowed in the storage tank is predetermined, and the hydrogen compression stack is located above the maximum storage water level.

Conversion of solid waste into syngas and hydrogen

NºPublicación:  NZ799208A 28/11/2025
Solicitante: 
RWE GENERATION NL B V
RWE Generation NL B.V
TN_2023000049_A1

Resumen de: NZ799208A

The method and plant (1) for conversing solid recovered fuel pellets (117) made from municipal solid waste (103) allow the transformation of the municipal solid waste (103) into hydrogen with a high yield instead of landfilling or incinerating the municipal solid waste (103). The hydrogen rich product gas stream (601) can be used as feedstock for chemical reactions or for storing energy in a releasable manner.

Process for producing synthetic hydrocarbons from biomass

NºPublicación:  NZ788420A 28/11/2025
Solicitante: 
EXPANDER ENERGY INC
EXPANDER ENERGY INC
MX_2022005578_A

Resumen de: NZ788420A

A process for preparing synthetic hydrocarbons from a biomass feedstock is provided. The process involves electrolyzing water in an electrolyzer to produce oxygen and hydrogen, using the generated oxygen to gasify a biomass feedstock under partial oxidation reaction conditions to generate a hydrogen lean syngas, adding at least a portion of the generated hydrogen to the hydrogen lean syngas to formulate hydrogen rich syngas, which is reacted a Fischer Tropsch (FT) reactor to produce the synthetic hydrocarbons and water. At least a portion of the water produced in the FT reaction is recycled for use in the electrolysis step, and optionally using heat generated from the FT reaction to dry the biomass feedstock.

电解槽电池框架组件和电解槽

NºPublicación:  CN121039324A 28/11/2025
Solicitante: 
星际之门氢解决方案公司
CN_121039324_PA

Resumen de: WO2024231569A1

The present invention discloses an electrolyser cell frame assembly comprising a cell frame with an inner peripheral edge and an outer peripheral edge; a gasket with an inner peripheral edge and an outer peripheral edge; and a cell element with a peripheral edge compressed between the gasket and the cell frame. The gasket exhibits compressible characteristics whereas the cell frame exhibits rigid characteristics. The outer peripheral edge of the gasket extends outwards over the peripheral edge of the cell element in the direction of the outer peripheral edge of the cell frame such that the gasket overlaps a predefined part of the cell frame.

从液体进料流中产生氢气和氧气的方法

NºPublicación:  CN121039323A 28/11/2025
Solicitante: 
马来西亚国家石油公司
CN_121039323_A

Resumen de: WO2024162842A1

A method of generating hydrogen and oxygen from a liquid feed stream through an integrated system of forward osmosis and electrolysis, wherein the method comprising the steps of feeding water into an electrolyte solution by means of forward osmosis and applying a voltage across the electrolyte solution to generate hydrogen and oxygen, characterized in that the electrolyte solution comprising an electrolyte, an ionic liquid and a solvent, wherein the electrolyte is used in an amount ranging between 1 wt% to 10 wt% of the electrolyte solution, wherein the ionic liquid is used in an amount ranging between 1 wt% to 5 wt% of the electrolyte solution and wherein the solvent is used in an amount ranging between 75 wt% to 99 wt% of the electrolyte solution.

用于生产氢的方法和用于生产氢的设备

NºPublicación:  CN121039322A 28/11/2025
Solicitante: 
海兰德控股公司
CN_121039322_PA

Resumen de: WO2024184586A1

The invention relates to a method for producing hydrogen. The method comprises providing water and a gaseous substance, the gaseous substance comprises hydrogen atoms and carbon atoms, producing a mixture comprising the water and bubbles comprising the gaseous substance, decreasing diameter of the bubbles comprising the gaseous substance, and producing gaseous hydrogen by decomposing the gaseous substance in the bubbles having the decreased diameter. The invention further relates to apparatus for producing hydrogen gas.

水電解セル、水電解セルスタックおよび水電解セルの製造方法

NºPublicación:  JP2025174833A 28/11/2025
Solicitante: 
株式会社東芝
JP_2025174833_PA

Resumen de: US2025354277A1

A water electrolysis cell according to an embodiment includes: an anode electrode including an anode catalyst layer in which anode catalyst sheets are stacked via a gap, each anode catalyst sheet containing iridium oxide and being in the form of a nanosheet; a cathode electrode including a cathode catalyst layer in which cathode catalyst sheets are stacked via a gap, each cathode catalyst sheet containing platinum and being in the form of a nanosheet; and an electrolyte membrane containing a hydrocarbon-based material, placed between the anode electrode and the cathode electrode.

一种电极催化剂的制备方法

NºPublicación:  CN121023553A 28/11/2025
Solicitante: 
苏州莒纳新材料科技有限公司
CN_121023553_PA

Resumen de: CN118461035A

The invention provides an electrode catalyst and a preparation method and application thereof, the electrode catalyst comprises a nanosheet catalyst structure, a plurality of holes are formed in the surface of the nanosheet catalyst structure, and the size of the holes is smaller than 80 nm. According to the electrode catalyst and the preparation method and application thereof, electrode catalysts of different structures are obtained, the specific surface area of the electrode catalyst is increased, and active sites are increased, so that the catalytic efficiency is improved, and the production cost is reduced.

METHOD AND SYSTEM FOR HYDROGEN PRODUCTION FROM CHEMICAL WASTEWATER WITH CO-PRODUCTION OF FRESHWATER

NºPublicación:  WO2025241835A1 27/11/2025
Solicitante: 
DALIAN INST OF CHEMICAL PHYSICS CHINESE ACADEMY OF SCIENCES [CN]
\u4E2D\u56FD\u79D1\u5B66\u9662\u5927\u8FDE\u5316\u5B66\u7269\u7406\u7814\u7A76\u6240
WO_2025241835_PA

Resumen de: WO2025241835A1

The present invention relates to a method and system for hydrogen production from chemical wastewater with co-production of freshwater. The system of the present invention comprises a wastewater guiding-out unit and a water electrolysis and low-temperature distillation coupled integrated system, wherein the water electrolysis and low-temperature distillation coupled integrated system comprises an alkaline electrolytic cell unit, an oxygen separation and cooling unit, a hydrogen separation and cooling unit, a hydrogen purification and cooling unit, an alkaline-solution filtration and circulation unit and a wastewater-to-freshwater unit; the wastewater guiding-out unit is used for supplying wastewater into the water electrolysis and low-temperature distillation coupled integrated system; the wastewater-to-freshwater unit is used for heating the wastewater into steam, removing purities from the steam and then condensing the steam to produce freshwater; and an output end of the wastewater-to-freshwater unit is connected to the alkaline electrolytic cell unit, and freshwater in the alkaline electrolytic cell unit is decomposed into hydrogen and oxygen under the action of a direct current. The present invention involves a short technological process and occupies a small area, the quality of produced freshwater is much better than that of conventional wastewater that meets discharge standards, and the resource utilization of chemical wastewater is achieved.

SYSTEM AND METHOD FOR HYDROGEN PRODUCTION BY MEANS OF DECOMPOSITION USING ARRAY PLASMA

NºPublicación:  WO2025241418A1 27/11/2025
Solicitante: 
JIANGSU UNIV [CN]
\u6C5F\u82CF\u5927\u5B66
WO_2025241418_PA

Resumen de: WO2025241418A1

A system and method for hydrogen production by means of decomposition using array plasma. The system comprises a reactor group, a high-voltage power supply (3), a waste-liquid recovery device (8), a raw-material reservoir group, a filter (13), a membrane separator (14), a waste-gas recovery device (15) and a hydrogen collector (16), wherein reactors (1, 2) are each internally provided with an array electrode and a ring electrode (20), and the array electrode comprises a plurality of high-voltage electrodes (17) arranged in an array; each high-voltage electrode (17) comprises an insulating sleeve (27) and a metal pin electrode (28); the insulating sleeve (27) is sleeved outside the metal pin electrode (28); and the upper end of the insulating sleeve (27) is provided with a porous medium (29) having catalytic properties. The array electrodes are arranged in the reactors (1, 2), and the porous mediums (29) having catalytic properties are coupled to the tips of the array electrodes, thereby achieving a synergistic enhancement effect of catalysts and plasma, and improving hydrogen selectivity and the energy utilization efficiency of the plasma; and a liquid phase discharges by means of a strong electric field to generate plasma, thereby prompting a liquid fuel to rapidly decompose so as to produce hydrogen.

Elektrochemisches System und Elektrolyseur

NºPublicación:  DE102024204777A1 27/11/2025
Solicitante: 
BOSCH GMBH ROBERT [DE]
Robert Bosch Gesellschaft mit beschr\u00E4nkter Haftung
DE_102024204777_PA

Resumen de: DE102024204777A1

Elektrochemisches System mit einem elektrochemischen Stack (1), wobei der Stack (1) einen Einlass (201; 301) aufweist, über den eine Flüssigkeit eingeleitet werden kann, und einen Auslass (202; 302), über den eine Flüssigkeit ausgeleitet werden kann. Der Einlass (201; 301) ist mit einem ersten Flüssigkeitsbehälter (25) verbindbar und der Auslass (202; 302) mit einem zweiten Flüssigkeitsbehälter (32).

METHOD AND SYSTEM FOR HYDROGEN PRODUCTION FROM ORGANIC WASTEWATER WITH CO-PRODUCTION OF FRESHWATER AND COMPLEX CARBON SOURCE

NºPublicación:  WO2025241834A1 27/11/2025
Solicitante: 
DALIAN INST OF CHEMICAL PHYSICS CHINESE ACADEMY OF SCIENCES [CN]
\u4E2D\u56FD\u79D1\u5B66\u9662\u5927\u8FDE\u5316\u5B66\u7269\u7406\u7814\u7A76\u6240
WO_2025241834_PA

Resumen de: WO2025241834A1

The present invention relates to a method and system for hydrogen production from organic wastewater with co-production of freshwater and a complex carbon source. The system of the present invention comprises an organic-wastewater guiding-out unit, an oxidation treatment unit, and a water electrolysis and low-temperature distillation coupled integrated system, wherein the water electrolysis and low-temperature distillation coupled integrated system comprises an alkaline electrolytic cell unit, an oxygen separation and cooling unit, a hydrogen separation and cooling unit, a hydrogen purification and cooling unit, an alkaline-solution filtration and circulation unit and a wastewater-to-freshwater unit; the organic-wastewater guiding-out unit is used for supplying wastewater into the oxidation treatment unit; the oxidation treatment unit treats the wastewater into wastewater containing carboxylic acid or carboxylate, and the oxidation treatment unit is connected to the wastewater-to-freshwater unit; the wastewater-to-freshwater unit is used for producing freshwater and a complex carbon source; and an output end of the wastewater-to-freshwater unit is connected to the alkaline electrolytic cell unit, and freshwater in the alkaline electrolytic cell unit is decomposed into hydrogen and oxygen under the action of a direct current. The present invention involves a short technological process, occupies a small area and achieves a high product value and resource utilization of wastewa

ELECTROCHEMICAL HYDROGEN PUMPING COUPLED WITH CATALYTIC MEMBRANE REACTOR AND ITS APPLICATIONS

NºPublicación:  WO2025245447A1 27/11/2025
Solicitante: 
MASSACHUSETTS INSTITUTE OF TECH [US]
MASSACHUSETTS INSTITUTE OF TECHNOLOGY
WO_2025245447_A1

Resumen de: WO2025245447A1

Disclosed is a method of dehydrogenation of hydrogen-containing compounds in a reactor comprising a catalytic chamber, an electrochemical chamber, and an H-conductive membrane, comprising dehydrogenating the hydrogen-containing compound to produce hydrogen atom equivalents and oxidizing the hydrogen atom equivalents on the anodic H-conductive membrane. The reaction between the protons and a molten electrolyte in the electrochemical chamber generates water, which is decomposed on a counter electrode producing hydrogen. The hydrogen can be used in hydrogenation reactions. Also disclosed is a method of reducing a substrate, for example, a substrate dissolved or dispersed in the molten electrolyte.

OXYGEN GENERATING ELECTRODE AND WATER ELECTROLYSIS METHOD

NºPublicación:  WO2025243929A1 27/11/2025
Solicitante: 
TOSOH CORP [JP]
RIKEN [JP]
\u6771\u30BD\u30FC\u682A\u5F0F\u4F1A\u793E,
\u56FD\u7ACB\u7814\u7A76\u958B\u767A\u6CD5\u4EBA\u7406\u5316\u5B66\u7814\u7A76\u6240
WO_2025243929_A1

Resumen de: WO2025243929A1

Provided is: an oxygen generating electrode in which a high electrolytic current density can be obtained even with a content of a noble metal within a certain range, the oxygen generating electrode comprising a catalyst containing an iridium-containing manganese oxide combined with a conductive base material containing platinum; and/or a water electrolysis method using the electrode. The oxygen generating electrode comprises a conductive base material and a catalyst containing an iridium-containing manganese oxide. The conductive base material contains platinum, the total of the amount of iridium per geometric area of the oxygen generating electrode and the amount of platinum per geometric area of the oxygen generating electrode is above 0.1 mg/cm2 and 6.1 mg/cm2 or less, and the ratio of the amount of platinum per geometric area of the oxygen generating electrode to the amount of iridium per geometric area of the oxygen generating electrode is 1 or more and less than 600.

ELECTROLYSIS-INDUCED-BUBBLE-BASED CARBON DIOXIDE GAS SENSORS

NºPublicación:  WO2025245064A1 27/11/2025
Solicitante: 
UNIV OF UTAH RESEARCH FOUNDATION [US]
UNIVERSITY OF UTAH RESEARCH FOUNDATION
WO_2025245064_PA

Resumen de: WO2025245064A1

An example carbon dioxide sensor (100) can include a channel (110) capable of containing water having carbon dioxide dissolved therein. A pair of electrodes (130, 132) can be positioned to contact the water. A voltage source (140) can be connected to the pair of electrodes and operable to supply sufficient voltage to convert a portion of the water to hydrogen gas and oxygen gas by electrolysis to form at least one gas bubble (150, 152) in the channel. A bubble size sensor (160) can be operable to measure a size change over time of the at least one gas bubble in the channel.

METHODS AND SYSTEMS FOR HYDROGEN PRODUCTION

NºPublicación:  WO2025245515A1 27/11/2025
Solicitante: 
UNIV NEW YORK STATE RES FOUND [US]
THE RESEARCH FOUNDATION FOR THE STATE UNIVERSITY OF NEW YORK
WO_2025245515_A1

Resumen de: WO2025245515A1

A portable device for generating hydrogen from ammonia includes a first reactor layer having an ammonia inlet a retentate port, and a chamber containing an ammonia decomposition catalyst. A first gas-collecting layer has a manifold with a hydrogen outlet. A first hydrogen-selective membrane is disposed between the first reactor layer and the first gas-collecting layer. In this way, hydrogen gas generated in the chamber of the first reactor layer will permeate through the hydrogen-selective membrane into the manifold of the first gas-collecting layer. A burner layer is adjacent to the first reactor layer and separated from the chamber by a first conduction plate. The burner layer includes an intake port and an exhaust port. The intake port is in fluid connection with the retentate port of the first reactor layer.

HYDROGEN GENERATING DEVICE PROVIDED WITH SOUND INSULATION COVER AND HYDROGEN GENERATING DEVICE PROVIDED WITH NOVEL POWER MODULE

NºPublicación:  AU2024270923A1 27/11/2025
Solicitante: 
LIN HSIN YUNG
LIN, Hsin-Yung
AU_2024270923_PA

Resumen de: AU2024270923A1

A hydrogen generating device provided with a sound insulation cover and a hydrogen generating device provided with a novel power module. The hydrogen generating device comprises a water tank, an electrolytic cell, a humidifier, a refining device, and a sound insulation cover; the water tank is used for containing electrolyzed water; the electrolytic cell is arranged in the water tank and is used for electrolyzing water to generate hydrogen-containing gas; the humidifier is provided with a humidifying chamber for containing supplementary water; the refining device is arranged in the humidifier and is used for refining the hydrogen-containing gas; the sound insulation cover is arranged in the humidifier and is provided with a sound insulation cavity, a connecting tube connecting the water tank and the refining device, and a gas outlet hole; the hydrogen-containing gas passes through the connecting tube and the refining device and flows into the supplementary water in the sound insulation cavity, and then the hydrogen-containing gas flows into the humidifying chamber through the gas outlet hole. Thus, according to the present invention, sound generated when the hydrogen-containing gas flows in the device can be insulated by means of the sound insulation cover, so as to improve the experience effect, and heat dissipation can be effectively carried out on a circuit board, thereby improving the operation efficiency.

SYSTEMS AND METHODS FOR CONTROLLING A POWER-TO-X PROCESS TO REDUCE FEEDSTOCK COSTS

NºPublicación:  US2025360480A1 27/11/2025
Solicitante: 
INFINIUM TECH LLC [US]
Infinium Technology, LLC
US_2025360480_PA

Resumen de: US2025360480A1

Provided herein are systems and methods for controlling production of low-carbon liquid fuels and chemicals. In an aspect, provided herein is a method controlling a process that produces e-fuels. In another aspect, provided herein is a system for producing an e-fuel.

RENEWABLE ENERGY FUELED INDUSTRIAL PLANTS WITH INTEGRATED CARBON CAPTURE

NºPublicación:  US2025361178A1 27/11/2025
Solicitante: 
TATA CONSULTANCY SERVICES LTD [IN]
TATA CONSULTANCY SERVICES LIMITED
US_2025361178_PA

Resumen de: US2025361178A1

Providing an implementable renewable fuel gas plant processes with management of greenhouse gases with minimal changes to existing plant set ups is a technical challenge to be addressed. Embodiments herein provide a system for renewable fuel gas generation and utilization in industrial plants with carbon dioxide as heat carrier. The system design integrates renewable fuel gas (H2) which is generated within the system and utilized to meet the thermal energy requirements of the production process. CO2 produced as byproduct of calcination in a process equipment, such as during calcination in cement plant is used as a heat-transferring medium to heat the H2. Further, the system provides recycling of the generated byproducts by separating the exhaust gases, comprised of CO2 and H2O. The H2O is recycled to generate H2 via electrolysis. The separated CO2 again serves as a heat-transferring medium, while the excess CO2 is sequestrated.

METHANE SYNTHESIS SYSTEM

NºPublicación:  US2025361637A1 27/11/2025
Solicitante: 
MITSUBISHI ELECTRIC CORP [JP]
Mitsubishi Electric Corporation
US_2025361637_PA

Resumen de: US2025361637A1

A methane synthesis system according to the present disclosure includes: a co-electrolysis part that obtains hydrogen and carbon monoxide by electrolyzing water and carbon dioxide, a methanation reaction part that obtains a product gas containing methane by a methanation reaction that uses the hydrogen and the carbon monoxide, and a cooler having a distribution channel in which a refrigerant capable of phase transition, is distributed. The cooler cools the methanation reaction part using heat of vaporization from vaporizing at least a portion of the refrigerant on an inside of the distribution channel.

ELECTROLYSIS DEVICE

NºPublicación:  US2025361626A1 27/11/2025
Solicitante: 
HONDA MOTOR CO LTD [JP]
HONDA MOTOR CO., LTD
US_2025361626_PA

Resumen de: US2025361626A1

An electrolysis device includes a water electrolysis stack configured to electrolyze water, a gas-liquid separator configured to separate hydrogen gas from water discharged from the water electrolysis stack, and a hydrogen compression stack configured to compress the hydrogen gas separated by the gas-liquid separator. The gas-liquid separator includes a storage tank configured to store water, and a maximum storage water level that is a maximum value of a water level that can be allowed in the storage tank is predetermined, and the hydrogen compression stack is located above the maximum storage water level.

A METHOD FOR COATING A COMPONENT OF AN ELECTROLYSER

NºPublicación:  US2025361621A1 27/11/2025
Solicitante: 
OORT ENERGY LTD [GB]
Oort Energy Ltd
US_2025361621_PA

Resumen de: US2025361621A1

A method of coating a component of an electrolyser is provided. The method comprises applying an acidic solution of platinum cations to at least a portion of the component and reducing the applied platinum cations with a reducing agent to form a layer of platinum metal on the component.

LAMINATE FOR WATER ELECTROLYSIS DEVICE, MEMBRANE ELECTRODE ASSEMBLY FOR WATER ELECTROLYSIS DEVICE, AND WATER ELECTROLYSIS DEVICE

NºPublicación:  US2025361629A1 27/11/2025
Solicitante: 
TOPPAN HOLDINGS INC [JP]
TOPPAN Holdings Inc
US_2025361629_PA

Resumen de: US2025361629A1

A laminate for a water electrolysis device includes a polymer electrolyte membrane and an electrode catalyst layer provided on one surface of the polymer electrolyte membrane. The electrode catalyst layer includes a catalyst, a polymer electrolyte, and a fibrous material. A membrane electrode assembly for a water electrolysis device includes the laminate for a water electrolysis device and a second electrode catalyst layer, and includes an electrode catalyst layer, a polymer electrolyte membrane, and a second electrode catalyst layer in this order.

ELECTROLYZER

NºPublicación:  AU2024291248A1 27/11/2025
Solicitante: 
IND DE NORA S P A
INDUSTRIE DE NORA S.P.A
AU_2024291248_PA

Resumen de: AU2024291248A1

The present invention refers to an electrolyzer (1) for the production of hydrogen from an alkaline electrolyte. The electrolyzer (1) comprises a first header (11) and a second header (12) between which a plurality of elementary cells (20) and a plurality of bipolar plates (5, 5', 5'') are stacked. Each bipolar plate (5) separates two adjacent elementary cells. According to the invention, each of said bipolar plates (5, 5',5'') comprises two plate-form components (5A, 5B) coupled together and configured so as to define one or more inner cavities (66) for the circulation of a cooling fluid. Furthermore, each bipolar plate (5, 5', 5'') comprises an inlet section (SI) and an outlet section (SV) respectively for the inlet and outlet of said cooling fluid in said one or more inner cavities (66).

PROCESS AND SYSTEM FOR GENERATING HYDROGEN

NºPublicación:  US2025361467A1 27/11/2025
Solicitante: 
HYDROBE PTY LTD [AU]
Hydrobe Pty Ltd
US_2025361467_PA

Resumen de: US2025361467A1

Disclosed is a process and system for generating hydrogen from carbon dioxide. The process and system for generating a hydrogen gas stream from a carbon dioxide gas stream comprises converting a first waste carbon dioxide gas stream to an organic feedstock using an algal source in a photosynthesis step. The organic feedstock is then converted using an organism to the hydrogen gas stream and gaseous by-products in a biodecomposition step. The generated hydrogen gas may then be collected.

ELECTROLYZER HAVING AN ANODE-SIDE CATALYST AND RELATED METHODS

NºPublicación:  US2025361630A1 27/11/2025
Solicitante: 
GEORGIA TECH RES CORPORATION [US]
Georgia Tech Research Corporation
US_2025361630_PA

Resumen de: US2025361630A1

An electrolyzer system includes a cathode comprising a cathode catalyst: an anode comprising an anode catalyst configured to promote oxidation of water: and a proton exchange membrane (PEM) between the cathode and the anode, wherein the cathode, anode, and proton exchange membrane are configured such that water at the anode reacts to form oxygen and positively charged hydrogen ions, and the positively charged ions react at the cathode to form hydrogen (H2): wherein the catalyst comprises a Y2Ru2O7—NaBH4 catalyst.

CONTROL DEVICE FOR ELECTROLYSIS SYSTEM AND ELECTROLYSIS SYSTEM

NºPublicación:  US2025361635A1 27/11/2025
Solicitante: 
HONDA MOTOR CO LTD [JP]
HONDA MOTOR CO., LTD
US_2025361635_PA

Resumen de: US2025361635A1

A control device for an electrolysis system includes a deterioration prediction unit that predicts a degree of deterioration of each of a water electrolysis stack and a compression stack, and a supplied electrical current control unit that controls an electrical current that is supplied to the water electrolysis stack and an electrical current that is supplied to the compression stack, wherein the supplied electrical current control unit controls the electrical current that is supplied to the stack having a larger degree of deterioration from among the water electrolysis stack and the compression stack to be constant, and adaptively controls the electrical current that is supplied to the stack having a smaller degree of deterioration from among the water electrolysis stack and the compression stack.

TRANSITION METAL-DOPED OXIDE NANOPARTICLES GROWN ON NICKEL FOAM FOR ELECTROCHEMICAL GENERATION OF HYDROGEN

NºPublicación:  US2025361631A1 27/11/2025
Solicitante: 
KING FAHD UNIV OF PETROLEUM AND MINERALS [SA]
KING FAHD UNIVERSITY OF PETROLEUM AND MINERALS
US_2025361631_PA

Resumen de: US2025361631A1

A method of generating hydrogen using an electrocatalyst including NiMoxCo2-xO4 nanoparticles deposited on a nickel foam substrate, where x>0 and x≤0.06. A first portion of the NiMoxCo2-xO4 nanoparticles have a nano-needle morphology, where the nano-needles assemble to form a sphere in which the nano-needles project horizontally from the sphere, and the sphere has an average diameter of 1-5 micrometers (μm).

ALKALINE ELECTROLYZER

NºPublicación:  WO2025244527A1 27/11/2025
Solicitante: 
AVOXT B V [NL]
AVOXT B.V
WO_2025244527_PA

Resumen de: WO2025244527A1

The invention is directed to a method and electrolytic cell for electrolysis of an alkaline aqueous solution. The method comprises the steps of: - providing an electrolyte (1) chamber comprising an alkaline aqueous solution; - providing a first electrode stack and a second electrode stack, both of which are in fluid contact with the alkaline aqueous solution in the electrolyte chamber and comprise a permeable electrode layer comprising catalytically active electrode material (6, 7), and a permeable non-catalytic layer (8) placed on a first face of the electrode layer facing the electrolyte chamber; - applying a potential difference between the electrode layer of the first electrode stack and the electrode layer of the second electrode stack; - flowing the alkaline aqueous solution from the electrolyte chamber through the first and second electrode stack, thereby causing an oxidation reaction at the electrode layer of one of the electrode stacks and causing a reduction reaction at the electrode layer of the other electrode stack; wherein each non-catalytic layer has a permeability of 1.0 × 10-7 m2 or lower, and/or wherein the flow velocity through the first and second electrode stack is 1.0 × 10-4 m/s or lower.

PLANT AND PROCESS COMPRISING AN AUTOTHERMAL REFORMER FOR PRODUCING SYNTHETIC FUELS WITHOUT EMITTING CARBON DIOXIDE

NºPublicación:  WO2025242614A1 27/11/2025
Solicitante: 
EDL ANLAGENBAU GMBH [DE]
EDL ANLAGENBAU GESELLSCHAFT MBH
WO_2025242614_PA

Resumen de: WO2025242614A1

A plant for producing synthetic fuels, in particular aviation turbine fuel (kerosene), crude gasoline and/or diesel, comprises: • a) a synthesis gas production device for production of a crude synthesis gas comprising carbon monoxide, hydrogen and carbon dioxide from i) carbon dioxide, ii) water, iii) methane and/or hydrogen and iv) oxygen, wherein the synthesis gas production device comprises at least one autothermal reformer, wherein the at least one autothermal reformer comprises at least one feed conduit i) for carbon dioxide, ii) for water, iii) for methane and/or for hydrogen and iv) for oxygen, and a discharge conduit for crude synthesis gas, • b) a separation device for separation of carbon dioxide from the crude synthesis gas produced in the synthesis gas production device, having a discharge conduit for carbon dioxide and a discharge conduit for synthesis gas, • c) a Fischer-Tropsch device for production of hydrocarbons by a Fischer-Tropsch process from the synthesis gas from which carbon dioxide has been separated in the separation device, • d) a refining device for refining the hydrocarbons produced in the Fischer-Tropsch device to give the synthetic fuels and e1) an electrolysis device for separating water into hydrogen and oxygen and/or e2) a methane-steam reformer which is electrically heated by induction and comprises at least one feed conduit for methane, for water and for hydrogen, and a discharge conduit for crude synthesis gas, and the plant furthe

PORE FILLING MEMBRANE, FUEL CELL, AND ELECTROLYSIS DEVICE

NºPublicación:  US2025361634A1 27/11/2025
Solicitante: 
NIPPON KAYAKU KK [JP]
INST OF SCIENCE TOKYO [JP]
Nippon Kayaku Kabushiki Kaisha,
INSTITUTE OF SCIENCE TOKYO
US_2025361634_PA

Resumen de: US2025361634A1

A pore-filling membrane having excellent chemical durability and mechanical strength, a fuel cell including the pore-filling membrane and having excellent durability, and an electrolysis device are provided. The pore-filling membrane has a porous base material and a polyarylene polymer, in which the polyarylene polymer is filled into pores of the porous base material.

DEVICES, SYSTEMS, AND METHODS FOR ADMINISTERING HYDROGEN GAS

NºPublicación:  EP4651926A1 26/11/2025
Solicitante: 
H2 WATER TECH LTD [CA]
H2 Water Technologies Ltd
KR_20250156102_PA

Resumen de: MX2025008404A

The invention provides devices, systems, and methods for providing hydrogen gas mixtures to a subject. The invention allows hydrogen gas mixtures to be provided at a rate that does not restrict normal or even elevated breathing.

PLANT AND PROCESS COMPRISING AN AUTOTHERMAL REFORMER FOR THE PRODUCTION OF SYNTHETIC FUELS WITHOUT CARBON DIOXIDE EMISSION

NºPublicación:  EP4653517A1 26/11/2025
Solicitante: 
EDL ANLAGENBAU GMBH [DE]
EDL Anlagenbau Gesellschaft mbH
EP_4653517_A1

Resumen de: EP4653517A1

Eine Anlage zur Herstellung von synthetischen Kraftstoffen, insbesondere von Flugturbinenkraftstoff (Kerosin), Rohbenzin und/oder Diesel, umfasst:a) eine Synthesegasherstellungseinrichtung zur Herstellung eines Kohlenmonoxid, Wasserstoff und Kohlendioxid umfassenden Rohsynthesegases aus i) Kohlendioxid, ii) Wasser, iii) Methan und/oder Wasserstoff und iv) Sauerstoff, wobei die Synthesegasherstellungseinrichtung mindestens einen autothermen Reformer umfasst, wobei der mindestens eine autotherme Reformer mindestens eine Zufuhrleitung i) für Kohlendioxid, ii) für Wasser, iii) für Methan und/oder für Wasserstoff und iv) für Sauerstoff sowie eine Abfuhrleitung für Rohsynthesegas umfasst,b) eine Trenneinrichtung zur Abtrennung von Kohlendioxid aus dem in der Synthesegasherstellungseinrichtung hergestellten Rohsynthesegas mit einer Abfuhrleitung für Kohlendioxid und einer Abfuhrleitung für Synthesegas,c) eine Fischer-Tropsch-Einrichtung zur Herstellung von Kohlenwasserstoffen durch ein Fischer-Tropsch-Verfahren aus dem Synthesegas, aus dem in der Trenneinrichtung Kohlendioxid abgetrennt wurde,d) eine Raffinationseinrichtung zur Raffination der in der Fischer-Tropsch-Einrichtung hergestellten Kohlenwasserstoffe zu den synthetischen Kraftstoffen undei) eine Elektrolyseeinrichtung zur Auftrennung von Wasser in Wasserstoff und Sauerstoff umfasst, wobei die Elektrolyseeinrichtung eine Wasserzufuhrleitung, eine Sauerstoff- oder Luftabfuhrleitung und eine Wasserstoffabfuhrleitung a

HYDROGEN PLANT

NºPublicación:  EP4652307A1 26/11/2025
Solicitante: 
GREEN HYDROGEN SYSTEMS AS [DK]
Green Hydrogen Systems A/S
WO_2024153322_PA

Resumen de: WO2024153322A1

A hydrogen plant (1) comprising - an electrolysis unit (10) having a hydrogen outlet (11) and an oxygen outlet (12); and - at least one turboexpander unit (20) connected to the oxygen outlet (12); wherein the at least one turboexpander unit (20) is connected to power a unit of the hydrogen producing plant (1) through a mechanical drive (30) directly connected to an output shaft of the turboexpander (20).

HYDROGEN PRODUCTION SYSTEM AND METHOD FOR OPERATING HYDROGEN PRODUCTION SYSTEM

NºPublicación:  EP4653579A1 26/11/2025
Solicitante: 
MITSUBISHI HEAVY IND LTD [JP]
Mitsubishi Heavy Industries, Ltd
EP_4653579_PA

Resumen de: EP4653579A1

A hydrogen production system is provided with: a solid oxide electrolysis cell (SOEC) for electrolyzing water vapor; a power supply device for applying a voltage equal to or higher than a thermoneutral voltage to the SOEC; and a water vapor generation device for generating at least part of the water vapor supplied to the SOEC by heating water using surplus heat of the SOEC.

HYDROGEN PRODUCTION SYSTEM AND METHOD FOR OPERATING HYDROGEN PRODUCTION SYSTEM

NºPublicación:  EP4653578A1 26/11/2025
Solicitante: 
MITSUBISHI HEAVY IND LTD [JP]
Mitsubishi Heavy Industries, Ltd
EP_4653578_PA

Resumen de: EP4653578A1

A hydrogen production system according to the present invention comprises: a solid oxide electrolysis cell (SOEC) that electrolyzes water vapor; a water vapor supply line for supplying water vapor to a hydrogen electrode of the SOEC; a water vapor discharge line through which water vapor discharged from the hydrogen electrode circulates; a first bypass line that communicates the water vapor supply line with the water vapor discharge line; and a first regulation device for regulating the flow rate of water vapor circulating through the first bypass line.

固体酸化物電解セル用カソード材料、ならびにその調製方法およびその使用

NºPublicación:  JP2025538104A 26/11/2025
Solicitante: 
中国石油化工股▲ふん▼有限公司
JP_2025538104_PA

Resumen de: CN118028861A

The invention relates to the technical field of solid oxide electrolytic cells, and discloses a solid oxide electrolytic cell cathode material and a preparation method and application thereof. The molecular formula of the solid oxide electrolytic cell cathode material is La < 0.6 > Sr < 0.4 > Fe < 0.8 > Cu < x > Ni < y > O < 3-delta >, x is greater than or equal to 0.01 and less than or equal to 0.2, y is greater than or equal to 0.01 and less than or equal to 0.2, and x + y is equal to 0.2. According to the electrolytic tank prepared by using the cathode material, the raw material CO2 or H2O can be efficiently converted into synthesis gas through electrochemical catalysis, continuous and stable electrolysis operation on high-temperature water vapor or carbon dioxide can be realized under the conditions that the temperature is 800 DEG C and the electrolysis current density is 0.5 A/cm < 2 > or above, and the cathode material has a relatively good industrial application prospect.

アンモニア分解反応用金属複合触媒及びその製造方法

NºPublicación:  JP2025538136A 26/11/2025
Solicitante: 
コリアインスティテュートオブエナジーリサーチ
JP_2025538136_PA

Resumen de: KR20240063313A

One embodiment of the present invention provides a metal composite catalyst for an ammonia decomposition reaction, which comprises: a metal-containing support; and metal nanoparticles dispersed on the surface of the metal-containing support or inside pores, wherein the particle diameter of the metal nanoparticles is 1.5 to 7 nm. more specifically, the metal composite catalyst according to one embodiment of the present invention is manufactured by a polyol process, and can exhibit a great advantage in ammonia decomposition efficiency.

電気化学反応装置の製造方法及び電気化学反応装置

NºPublicación:  JP2025172614A 26/11/2025
Solicitante: 
株式会社デンソー
JP_2025172614_PA

Resumen de: WO2025239002A1

Provided is a method for manufacturing an electrochemical reaction device (1) comprising: an electrochemical cell (2) that includes an electrolyte layer (20), a first electrode (21), and a second electrode (22); a frame (3) that includes a support section (31) and a frame body section (32); and a sealing plate (4) that hermetically separates a second space (122) and an outer peripheral cavity (11) from each other. The sealing plate (4) includes an outer peripheral plate section (42), an inner peripheral plate section (41), and a coupling section (43). The coupling section (43) includes a flexed section (430) flexed so as to protrude in a normal direction Z of the electrolyte layer (20). When forming the flexed section (430), the sealing plate (4), in which the flexed section (430) has not yet been formed, is fixed to the electrochemical cell (2) and the frame (3), and then a buckling step is performed for causing the coupling section (43) to buckle so as to form the flexed section (430) by causing a volume change of at least one of the electrochemical cell (2), the frame (3), or the sealing plate (4).

水素製造制御システムおよび方法

NºPublicación:  JP2025172460A 26/11/2025
Solicitante: 
株式会社日立製作所
JP_2025172460_PA

Resumen de: WO2025239029A1

Provided is a hydrogen production control system for producing hydrogen with different environmental impacts. A hydrogen production control system 20 causes a hydrogen production apparatus 10 to produce hydrogen. The hydrogen production apparatus inputs, to a water electrolysis device 13, a power amount from a renewable energy generation device 12 or a power amount from a power grid 30, and causes the water electrolysis device to electrolyze water to thereby produce hydrogen with different environmental impacts. The hydrogen production apparatus comprises: a renewable energy variation amount prediction unit which predicts variation in the power amount from the renewable energy power generation device; and a type-specific hydrogen production planning unit which creates a type-specific hydrogen production plan for producing hydrogen with different environmental impacts by the hydrogen production apparatus, on the basis of a prediction result from the renewable energy variation amount prediction unit. The type-specific hydrogen production planning unit creates a production plan for producing a first type of hydrogen with a small environmental impact among hydrogen with different environmental impacts by using a power amount in a first case where the power amount from the renewable energy generation device is predicted to be supplied stably.

DUAL H2 PRODUCTION FROM ELECTROCATALYTIC WATER REDUCTION COUPLED WITH FORMALDEHYDE OXIDATION VIA A COPPER-SILVER ELECTROCATALYST

NºPublicación:  EP4652312A2 26/11/2025
Solicitante: 
UNIV CINCINNATI [US]
University of Cincinnati
WO_2024155894_PA

Resumen de: WO2024155894A2

The present disclosure concerns an electrocatalytic system and methods of the use thereof for the generation of hydrogen at both electrodes. In aspects, the present disclosure concerns an anode of a copper-silver bimetallic alloy, Cu3Ag7, and a basic anolyte with an aldehyde therein. The aldehyde reacts with the hydroxyl groups from the catholyte to produce hydrogen and the catholyte reacts water therein with the electrons from the anolyte to also produce hydrogen in a highly Faradaic efficient system. Application of the present disclosure not only provides for production of clean hydrogen, but also offers an approach for aldehyde decontamination.

A ROOM-TEMPERATURE-SOLID METAL ALLOY FOR MAKING WATER-REACTIVE ALUMINUM COMPOSITIONS

NºPublicación:  EP4651991A1 26/11/2025
Solicitante: 
FOUND ENERGY CO [US]
Found Energy Co
KR_20250145019_PA

Resumen de: CN120677016A

Provided herein are water-reactive aluminum compositions comprising aluminum or an alloy thereof and an activating metal alloy (e.g., a non-eutectic activating metal alloy comprising bismuth, tin, indium, and gallium; or an activating metal alloy comprising bismuth, tin and indium). Some water-reactive aluminum compositions provided herein are free of gallium. Also provided herein are methods of activating aluminum to provide a water-reactive aluminum composition. Also provided are fuel mixtures comprising the water-reactive aluminum composition described herein and a water-reactive aluminum composition having an increased gallium content; and methods of providing hydrogen and/or steam using the water-reactive aluminum compositions described herein.

CATALYST FOR AMMONIA DECOMPOSITION REACTION, METHOD FOR PREPARING SAME, AND METHOD FOR PRODUCING HYDROGEN BY USING SAME

NºPublicación:  EP4653091A1 26/11/2025
Solicitante: 
KOREA RES INST CHEMICAL TECH [KR]
Korea Research Institute of Chemical Technology
EP_4653091_PA

Resumen de: EP4653091A1

The present invention relates to a catalyst for an ammonia decomposition reaction, a method for preparing same, and a method for producing hydrogen by using same. More specifically, the present invention relates to a method for preparing a catalyst for an ammonia decomposition reaction, which economically and efficiently supports highly active ruthenium on a lanthanum-cerium composite oxide support, thereby preparing a catalyst that exhibits a higher ammonia conversion rate than conventional catalysts for an ammonia decomposition reaction, to a catalyst for an ammonia decomposition reaction prepared by the same method, and a method for producing hydrogen by using the same.

WATER ELECTROLYSIS SYSTEM AND METHOD FOR CONTROLLING SAME

NºPublicación:  EP4653581A1 26/11/2025
Solicitante: 
HITACHI LTD [JP]
Hitachi, Ltd
EP_4653581_PA

Resumen de: EP4653581A1

In a water electrolysis system, an AC-side connection end of a power converter is connected to an AC power grid, a series circuit constituted by at least one electrolysis stack and a circuit breaker connected to the at least one electrolysis stack is connected to a DC-side connection end of the power converter, a controller reduces the power flowing to the DC-side connection end before the electrolysis stack is isolated from the series circuit, while maintaining a speed at which the power converter reduces the power flowing to the DC-side connection end below a speed that allows a difference of an amplitude of a voltage of the AC power grid from a reference value to be less than a predetermined value, and when reaching a power level enabling disconnection of an internal DC circuit by the circuit breaker, disconnects the circuit breaker connected to the DC circuit and isolates the electrolysis stack from the series circuit.

WATER ELECTROLYSIS STACK AND WATER ELECTROLYSIS SYSTEM

NºPublicación:  EP4653583A1 26/11/2025
Solicitante: 
TOYOTA MOTOR CO LTD [JP]
TOYOTA JIDOSHA KABUSHIKI KAISHA
EP_4653583_PA

Resumen de: EP4653583A1

Provided is a water electrolysis stack capable of improving durability. The water electrolysis stack includes a cell stack that is formed by stacking a plurality of water electrolysis cells, an inter-cell space is formed between each adjacent ones of the water electrolysis cells in the cell stack, and gas flows into the inter-cell spaces in water electrolysis.

HYDROGEN GENERATING DEVICE HAVING EXTRACTABLE FILTERING STRUCTURE

NºPublicación:  EP4653577A1 26/11/2025
Solicitante: 
LIN HSIN YUNG [TW]
Lin, Hsin-Yung
EP_4653577_PA

Resumen de: EP4653577A1

A hydrogen generator with detachable filter comprises a water tank, an electrolysis module configured in the water tank, a filter channel device coupled to the water tank, a humidifying module, vertically configured above the water tank, an integrated channel device vertically configured above the humidifying module, and a condenser configured on the integrated channel device. The electrolysis module is configured to electrolyze water contained in the water tank to generate gas comprising hydrogen. The humidifying module includes a humidifying chamber and a gas channel isolated from the humidifying chamber. The filtering device is arranged in the gas channel to receive and filter the gas comprising hydrogen generated by the electrolysis module. The condenser is configured to condense the gas comprising hydrogen outputted by the filtering device. The integrated channel device includes a gas input channel for guiding the gas comprising hydrogen outputted from the condenser into the humidifying chamber.

Energy production complex system

NºPublicación:  KR20250164669A 25/11/2025
Solicitante: 
한국전력공사
KR_20220009803_PA

Resumen de: KR20220009803A

The present invention relates to an energy production complex system based on a liquid compound, including: a water electrolysis device unit for electrolyzing water to produce hydrogen; a hydrogen storage device unit for reacting the hydrogen produced by the water electrolysis unit with a first liquid compound to allow the first liquid compound to become a second liquid compound in which hydrogen is stored; a hydrogen desorption device unit for desorbing the hydrogen stored in the second liquid compound into hydrogen and the first liquid compound; and a fuel cell unit for generating power by receiving the hydrogen desorbed from the hydrogen desorption device unit.

电化学系统和电解器

NºPublicación:  CN121006561A 25/11/2025
Solicitante: 
罗伯特·博世有限公司
CN_121006561_PA

Resumen de: DE102024204777A1

Elektrochemisches System mit einem elektrochemischen Stack (1), wobei der Stack (1) einen Einlass (201; 301) aufweist, über den eine Flüssigkeit eingeleitet werden kann, und einen Auslass (202; 302), über den eine Flüssigkeit ausgeleitet werden kann. Der Einlass (201; 301) ist mit einem ersten Flüssigkeitsbehälter (25) verbindbar und der Auslass (202; 302) mit einem zweiten Flüssigkeitsbehälter (32).

MOF Photocatalyst Comprising MOF-Based Trimetallic Complex and Hydrogen Evolution Reaction Using the Same

NºPublicación:  KR20250164535A 25/11/2025
Solicitante: 
UNIV OF SEOUL INDUSTRY COOPERATION FOUNDATION [KR]
\uC11C\uC6B8\uC2DC\uB9BD\uB300\uD559\uAD50 \uC0B0\uD559\uD611\uB825\uB2E8
KR_20250164535_PA

Resumen de: KR20250164535A

본 발명은 MOF 기반 삼중 금속 복합체를 포함하는 광촉매 및 이를 이용한 수소의 생산방법에 관한 것으로, 더욱 상세하게는 한 가지의 전이금속을 사용하는 것이 아닌 다양한 전이금속을 사용함으로써 에너지 준위를 변화시켜 밴드갭을 감소시키고, 더 적은 빛으로 많은 수소를 생산할 수 있는 효과가 있다.

/ METHOD FOR PRODUCING WATER ELECTROLYSIS CATALYST COMPRISING METAL ORGANIC FRAMEWORK/COPPER HYDROXIDE COMPOSITE

NºPublicación:  KR20250164500A 25/11/2025
Solicitante: 
CHUNGBUK NATIONAL UNIV INDUSTRY ACADEMIC COOPERATION FOUNDATION [KR]
\uCDA9\uBD81\uB300\uD559\uAD50 \uC0B0\uD559\uD611\uB825\uB2E8
KR_20250164500_PA

Resumen de: KR20250164500A

본 발명은 용매열 합성을 통해 코발트 기반의 금속유기골격체 상에 Cu(OH)2가 나노 시트의 형태로 성장된 복합체를 포함하는 수전해 촉매 및 이의 제조 방법에 관한 것이다.

Preparation method of highly durable low hydrogen permeability composite electrolyte membrane for water electrolysis and composite electrolyte membrane therefrom

NºPublicación:  KR20250165094A 25/11/2025
Solicitante: 
한국화학연구원

Resumen de: KR20250165094A

본원 발명은 수전해용 고내구성 저수소투과성 복합 전해질막의 제조방법 및 이로부터 제조된 수전해용 복합 전해질막에 대한 것으로, 보다 구체적으로는 고분자 전해질, 라디칼 스캐빈저(radical scavenger); 및 용매를 포함하는 혼합물을 준비하는 단계; 상기 혼합물을 볼밀(ball-mill)하여 고분산 혼합물을 제조하는 단계; 및 상기 고분산 혼합물로 전해질막을 제조하는 제막 단계를 포함하는 것을 특징으로 하는 수전해용 복합 전해질막의 제조방법에 대한 것이다.

PEROVSKITE-BASED PHOTOELECTRODE AND PHOTOELECTROCHEMICAL WATER SPLITTING SYSTEM USING THEREOF

NºPublicación:  KR20250164032A 24/11/2025
Solicitante: 
울산과학기술원
WO_2025239623_PA

Resumen de: WO2025239623A1

The present invention relates to a photoelectrode and a photoelectrochemical water splitting system using same, and more specifically, to a photoelectrode in which a lower electrode, an electron transport layer including SnO2, a light absorption layer including FAPbI3, a hole transport layer, an upper electrode, and a Ni passivation thin film layer are sequentially stacked and can operate when immersed in water, and an efficient and stable large-area water splitting system capable of splitting water and producing hydrogen without an external voltage by using the photoelectrode.

Proceso de descomposición de amoniaco (NH3) en fase acuosa para la obtención de hidrógeno (H2)

NºPublicación:  ES3042960A1 24/11/2025
Solicitante: 
UNIV MADRID AUTONOMA [ES]
Universidad Aut\u00F3noma de Madrid

Hydrogen and oxygen generator for medical applications

NºPublicación:  PL448633A1 24/11/2025
Solicitante: 
INST TECHNIKI GORNICZEJ KOMAG [PL]
KLOSZCZYK BRUNON [PL]
ZIELINSKI GRZEGORZ [PL]
ZORYCHTA GRZEGORZ [PL]
PTASZYNSKA MALGORZATA [PL]
HELINSKI MAREK [PL]
INSTYTUT TECHNIKI G\u00D3RNICZEJ KOMAG,
KLOSZCZYK BRUNON,
ZIELI\u0143SKI GRZEGORZ,
ZORYCHTA GRZEGORZ,
PTASZY\u0143SKA MA\u0141GORZATA,
HELI\u0143SKI MAREK
PL_448633_A1

Resumen de: PL448633A1

Przedmiotem zgłoszenia jest generator wodoru i tlenu dla zastosowań medycznych, wytwarzający gaz HHO na drodze reakcji utleniania-redukcji elektrolitu po doprowadzeniu do elektrod potencjału anody i katody. Generator ma dwie płaskie anody (13) i jedną katodę (14) oraz między nimi blachy neutralne (15), odseparowane od siebie dielektrycznymi przekładkami (3), połączone poprzez dwa współosiowe otwory w jeden zespół śrubami scalającymi elektrody (9) i na każdą śrubę (9) nasunięta jest rurka izolacyjna (16) separująca śrubę od katody (14) oraz przekładek (3) i śruby (9) łączą elektrycznie ze sobą obie anody (13) i generator umieszczony jest w szklanym pojemniku na elektrolit (1), zamkniętym szczelnie od dołu pokrywą dolną (5), a do górnej części pojemnika (1) przymocowana jest szczelnie pokrywa górna (4), gdzie w pokrywie górnej (4) umieszczone są szczelnie w dedykowanych otworach śrubowe przyłącza anody (6), katody (7) oraz przewód odprowadzający gaz HHO, przy czym katoda (14) oraz jedna z anod (13) posiadają sztywne wyprowadzenia elektrycznie połączone odpowiednio z przyłączem katody (7) oraz przyłączem anody (6) i śrubowe przyłącza anody (13) i katody (14), odpowiednio (6 i 7), stanowią mocowanie generatora do pokrywy górnej (4).

电解系统的控制装置及电解系统

NºPublicación:  CN120989668A 21/11/2025
Solicitante: 
本田技研工业株式会社
CN_120989668_PA

Resumen de: US2025361635A1

A control device for an electrolysis system includes a deterioration prediction unit that predicts a degree of deterioration of each of a water electrolysis stack and a compression stack, and a supplied electrical current control unit that controls an electrical current that is supplied to the water electrolysis stack and an electrical current that is supplied to the compression stack, wherein the supplied electrical current control unit controls the electrical current that is supplied to the stack having a larger degree of deterioration from among the water electrolysis stack and the compression stack to be constant, and adaptively controls the electrical current that is supplied to the stack having a smaller degree of deterioration from among the water electrolysis stack and the compression stack.

氢气生成组合物及其制造方法、以及氢气的生成方法

NºPublicación:  CN120987259A 21/11/2025
Solicitante: 
丰田自动车株式会社
CN_120987259_A

Resumen de: CN120987259A

本发明涉及氢气生成组合物及其制造方法、以及氢气的生成方法。本发明提供能够以高收率和高生成量生成氢气的手段。本发明的一个方式涉及一种氢气生成组合物,其含有粉体形态的氢化镁和粉体形态的柠檬酸,柠檬酸相对于氢化镁的质量比为2.5~3.5的范围,所述氢气生成组合物为加压成型物形态。本发明的另一方式涉及氢气生成组合物的制造方法和氢气的生成方法。

ELECTROCHEMICAL SYSTEM

NºPublicación:  KR20250163733A 21/11/2025
Solicitante: 
현대자동차주식회사기아주식회사
US_2025354272_PA

Resumen de: US2025354272A1

Provided is an electrochemical system comprising a water electrolysis stack with an anode and a cathode. The system includes a reaction fluid supply line that supplies a reaction fluid to the anode, a first gas-liquid separator located in the reaction fluid supply line to separate the reaction fluid into gaseous and liquid components, and a first filter part positioned upstream of the first gas-liquid separator to filter the reaction fluid. The system further includes a first circulation line that circulates the liquid reaction fluid from the anode back to the first gas-liquid separator. Additionally, a second gas-liquid separator in a discharged fluid discharge line is connected to the cathode, with a second circulation line configured to maintain the ionic purity of the discharged fluid. The system also includes a mechanism to monitor ionic conductivity and selectively control the operation of the water electrolysis stack based on detected ionic levels.

SYSTEM AND METHOD FOR STABILIZING THE OPERATION OF FACILITIES USING HYDROGEN PRODUCED BY LOW CARBON SOURCES

NºPublicación:  KR20250163830A 21/11/2025
Solicitante: 
켈로그브라운앤드루트엘엘씨
AU_2025203497_A1

Resumen de: AU2025203497A1

A system and a method for stabilizing hydrogen flow to a downstream process in a facility determining a hydrogen density and pressure profiles in the hydrogen storage unit 5 for different target net hydrogen flows at different time intervals of a time horizon of a renewable power availability profile, determining an operating target net hydrogen flow of a hydrogen feed to the downstream process, determining a target direct hydrogen flow of a hydrogen feed and a target stored hydrogen flow of a hydrogen feed to the downstream process, and controlling the operation of the downstream process based on the operating 10 target hydrogen flows. A system and a method for stabilizing hydrogen flow to a downstream process in a 5 facility determining a hydrogen density and pressure profiles in the hydrogen storage unit for different target net hydrogen flows at different time intervals of a time horizon of a renewable power availability profile, determining an operating target net hydrogen flow of a hydrogen feed to the downstream process, determining a target direct hydrogen flow of a hydrogen feed and a target stored hydrogen flow of a hydrogen feed to the downstream 10 process, and controlling the operation of the downstream process based on the operating target hydrogen flows. ay a y

加圧型電解装置のセル積層体のためのセルフレーム及び複数のセルフレームを含む電解装置セル積層体

NºPublicación:  JP2025538041A 21/11/2025
Solicitante: 
グリーン・ハイドロジェン・システムズ・アクシェセルスケープ
JP_2025538041_PA

Resumen de: AU2023381476A1

A cell frame adapted for use in a pressurised electrolyser cell stack is provided. From an inner circumferential rim of the cell frame, a circumferential radial shelf with inwardly tapering thickness is provided, such that an annular space between a circumferential radial shelf and a neighbouring circumferential radial shelf is provided when cell frames are stacked in alignment with each other, and that outwardly of the circumferential radial shelf, a mobility link is provided which connects the radial shelf to the remaining cell frame.

アルカリ水電解用の膜セパレータ

NºPublicación:  JP2025537934A 20/11/2025
Solicitante: 
ジヴエッセソチエタぺルアチオーニ
JP_2025537934_PA

Resumen de: CN120303449A

The present invention relates to a symmetric separator membrane for electrolyzing alkaline water and having a uniform pore distribution.

水素発生材料

NºPublicación:  JP2025171335A 20/11/2025
Solicitante: 
東洋アルミニウム株式会社
JP_2025171335_PA

Resumen de: JP2025171335A

【課題】本発明は、水分と反応して分子状水素を発生可能ながらも、金属探知機にかけても誤探知されない水素発生材料を提供することを目的とする。【解決手段】本発明の水素発生材料は、複数の粒子状水素発生剤がマトリックス樹脂中に分散されており、前記マトリックス樹脂中の粒子状水素発生剤の含有量は0.6重量%以上6重量%以下であり、前記粒子状水素発生剤の体積基準平均径D50が1μm以上50μm以下であることを特徴とする。【選択図】図1

水素発生材料

NºPublicación:  JP2025171336A 20/11/2025
Solicitante: 
東洋アルミニウム株式会社
JP_2025171336_PA

Resumen de: JP2025171336A

【課題】本発明は、酸化防止と共に菌の増殖を抑制して食品や化粧品等の劣化を抑制可能な水素発生材料を提供することを目的とする【解決手段】本発明の水素発生材料は、複数の粒子状水素発生剤と抗菌剤がマトリックス樹脂中に分散されており、前記マトリックス樹脂中に、粒子状水素発生剤は0.6重量%以上6重量%以下、前記抗菌剤は0.1重量%以上10重量%以下含有している。【選択図】図1

전해조 시스템

NºPublicación:  KR20250163344A 20/11/2025
Solicitante: 
케레스인텔렉츄얼프로퍼티컴퍼니리미티드
CN_120882908_PA

Resumen de: AU2024237817A1

The present invention relates to an electrolyser system (10) comprising at least one electrolyser (20), the electrolyser (20) comprising at least one steam inlet (41) and at least one off-gas outlet (38; 39), and a turbocharger (62) for compressing off-gas from the electrolyser (20). The turbocharger (62) comprises a drive fluid inlet, a drive fluid outlet, a compression fluid inlet, a compressed fluid outlet, a compressor (13) and a turbine (12). The turbine (12) is configured to drive the compressor (13). The drive fluid outlet of the turbocharger (62) is fluidically connected to the at least one steam inlet (41) of the electrolyser (20). The at least one off-gas outlet (38; 39) of the electrolyser (20) is fluidically connected to the compression fluid inlet of the turbocharger (62). The system (10) can further can comprise a steam source fluidically connected to the drive fluid inlet of the turbocharger (62) for powering the turbine (12) using pressurised steam.

反応容器

NºPublicación:  JP2025171628A 20/11/2025
Solicitante: 
トヨタ自動車株式会社
JP_2025171628_PA

Resumen de: JP2025171628A

【課題】容器の破損を抑制しつつ、水素を発生させる反応容器の技術の提供。【解決手段】水素化ホウ素ナトリウムと水と酸とから、水素と四ホウ酸ナトリウムとを生成させる反応容器が提供される。この反応容器は、前記四ホウ酸ナトリウムが収容される反応容器であって、水和によって体積が膨張した前記四ホウ酸ナトリウムを許容する許容構造を有する反応容器。【選択図】図2

CATALYTIC COMPOSITIONS AND METHODS OF PREPARING THEREOF

NºPublicación:  WO2025239840A1 20/11/2025
Solicitante: 
NATIONAL UNIV OF SINGAPORE [SG]
NATIONAL UNIVERSITY OF SINGAPORE
WO_2025239840_PA

Resumen de: WO2025239840A1

The invention provides a catalytic composition, the catalytic composition comprising copper oxide nanoparticles, carbon black, and a binder. The invention also provides a catalyst, an electrode and an electrolyser comprising the catalytic composition. In addition, the invention provides a method of preparing a catalytic composition, the method comprising (a) providing a binder in a solvent to provide a binder mixture; (b) incorporating carbon black into the binder mixture; (c) incorporating copper oxide nanoparticles into the binder mixture; and (d) stirring the mixture to form a composite material of the binder, carbon black, and copper oxide nanoparticles. The invention also provides a method of producing hydrogen comprising contacting an aqueous electrolyte with the catalytic composition, the catalyst, or the electrode, and applying a voltage sufficient to split water into hydrogen and oxygen.

SYSTEM AND METHOD FOR STABILIZING THE OPERATION OF FACILITIES USING HYDROGEN PRODUCED BY LOW CARBON SOURCES

NºPublicación:  WO2025240177A1 20/11/2025
Solicitante: 
KELLOGG BROWN & ROOT LLC [US]
KELLOGG BROWN & ROOT LLC
WO_2025240177_PA

Resumen de: WO2025240177A1

A system and a method for stabilizing hydrogen flow to a downstream process in a facility determining a hydrogen density and pressure profiles in the hydrogen storage unit for different target net hydrogen flows at different time intervals of a time horizon of a renewable power availability profile, determining an operating target net hydrogen flow of a hydrogen feed to the downstream process, determining a target direct hydrogen flow of a hydrogen feed and a target stored hydrogen flow of a hydrogen feed to the downstream process, and controlling the operation of the downstream process based on the operating target hydrogen flows.

PEROVSKITE PHOTOELECTRODE AND PHOTOELECTROCHEMICAL WATER SPLITTING SYSTEM USING SAME

NºPublicación:  WO2025239623A1 20/11/2025
Solicitante: 
UNIST ULSAN NATIONAL INSTITUTE OF SCIENCE AND TECH [KR]
\uC6B8\uC0B0\uACFC\uD559\uAE30\uC220\uC6D0
WO_2025239623_PA

Resumen de: WO2025239623A1

The present invention relates to a photoelectrode and a photoelectrochemical water splitting system using same, and more specifically, to a photoelectrode in which a lower electrode, an electron transport layer including SnO2, a light absorption layer including FAPbI3, a hole transport layer, an upper electrode, and a Ni passivation thin film layer are sequentially stacked and can operate when immersed in water, and an efficient and stable large-area water splitting system capable of splitting water and producing hydrogen without an external voltage by using the photoelectrode.

FLUID HEATING UNIT, HOT BOX, AND SOLID OXIDE ELECTROLYSIS CELL SYSTEM

NºPublicación:  WO2025239512A1 20/11/2025
Solicitante: 
SAMSUNG E&A CO LTD [KR]
\uC0BC\uC131\uC774\uC564\uC5D0\uC774(\uC8FC)
WO_2025239512_PA

Resumen de: WO2025239512A1

Disclosed are a fluid heating unit, a hot box, and a solid oxide electrolysis cell system. The disclosed fluid heating unit comprises an electrode recuperator and an electrode heater, wherein the electrode recuperator and the electrode heater are coupled so as to be in fluid communication with each other.

HYDROGEN PRODUCTION CONTROL SYSTEM AND METHOD

NºPublicación:  WO2025239029A1 20/11/2025
Solicitante: 
HITACHI LTD [JP]
\u682A\u5F0F\u4F1A\u793E\u65E5\u7ACB\u88FD\u4F5C\u6240
WO_2025239029_PA

Resumen de: WO2025239029A1

Provided is a hydrogen production control system for producing hydrogen with different environmental impacts. A hydrogen production control system 20 causes a hydrogen production apparatus 10 to produce hydrogen. The hydrogen production apparatus inputs, to a water electrolysis device 13, a power amount from a renewable energy generation device 12 or a power amount from a power grid 30, and causes the water electrolysis device to electrolyze water to thereby produce hydrogen with different environmental impacts. The hydrogen production apparatus comprises: a renewable energy variation amount prediction unit which predicts variation in the power amount from the renewable energy power generation device; and a type-specific hydrogen production planning unit which creates a type-specific hydrogen production plan for producing hydrogen with different environmental impacts by the hydrogen production apparatus, on the basis of a prediction result from the renewable energy variation amount prediction unit. The type-specific hydrogen production planning unit creates a production plan for producing a first type of hydrogen with a small environmental impact among hydrogen with different environmental impacts by using a power amount in a first case where the power amount from the renewable energy generation device is predicted to be supplied stably.

METHOD FOR MANUFACTURING ELECTROCHEMICAL REACTION DEVICE, AND ELECTROCHEMICAL REACTION DEVICE

NºPublicación:  WO2025239002A1 20/11/2025
Solicitante: 
DENSO CORP [JP]
\u682A\u5F0F\u4F1A\u793E\u30C7\u30F3\u30BD\u30FC
WO_2025239002_PA

Resumen de: WO2025239002A1

Provided is a method for manufacturing an electrochemical reaction device (1) comprising: an electrochemical cell (2) that includes an electrolyte layer (20), a first electrode (21), and a second electrode (22); a frame (3) that includes a support section (31) and a frame body section (32); and a sealing plate (4) that hermetically separates a second space (122) and an outer peripheral cavity (11) from each other. The sealing plate (4) includes an outer peripheral plate section (42), an inner peripheral plate section (41), and a coupling section (43). The coupling section (43) includes a flexed section (430) flexed so as to protrude in a normal direction Z of the electrolyte layer (20). When forming the flexed section (430), the sealing plate (4), in which the flexed section (430) has not yet been formed, is fixed to the electrochemical cell (2) and the frame (3), and then a buckling step is performed for causing the coupling section (43) to buckle so as to form the flexed section (430) by causing a volume change of at least one of the electrochemical cell (2), the frame (3), or the sealing plate (4).

INTEGRATED SYSTEM FOR PREPARING HYDROGEN AND A DEHYDROGENATED PRODUCT FROM AN ALCOHOL

NºPublicación:  WO2025238525A1 20/11/2025
Solicitante: 
TERNARY KINETICS LTD [NZ]
TERNARY KINETICS LIMITED
WO_2025238525_PA

Resumen de: WO2025238525A1

The invention provides an integrated system for preparing a dehydrogenated product from an alcohol, the integrated system comprising a heat integration system for heat transfer from at least one heat source to the at least one heat sink. The at least one heat sink includes a feed stream comprising an alcohol and/or an electrolyser system having an electrochemical cell configured for carrying out a partial dehydrogenation process to produce a product stream comprising hydrogen and a co-product stream comprising a dehydrogenated product from the alcohol of the feed stream and/or an infrastructure for handling and/or storing the co- product stream. The at least one heat source includes a hydrogen fuel cell for generating electricity from the product stream of the electrolyser system, wherein operation of the hydrogen fuel cell generates heat, and/or the electrolyser system, wherein the electrolyser system is configured to operate the electrochemical cell so as to generate heat.

ELECTROCHEMICAL PROCESS AND APPARATUS

NºPublicación:  WO2025238527A1 20/11/2025
Solicitante: 
TERNARY KINETICS LTD [NZ]
TERNARY KINETICS LIMITED
WO_2025238527_PA

Resumen de: WO2025238527A1

An electrochemical process and apparatus for generating electricity from an alcohol. Electricity is generated in a hydrogen fuel cell utilising hydrogen produced by partial dehydrogenation of the alcohol in an electrolyser.

ELECTROCHEMICAL PROCESS AND APPARATUS FOR PRODUCING HYDROGEN

NºPublicación:  WO2025238524A1 20/11/2025
Solicitante: 
TERNARY KINETICS LTD [NZ]
TERNARY KINETICS LIMITED
WO_2025238524_PA

Resumen de: WO2025238524A1

An electrochemical process and apparatus for producing hydrogen and a dehydrogenated product from partial oxidation of an alcohol. The hydrogen may be utilised in a hydrogen fuel cell to generated electricity, e.g., to power a vehicle.

ELECTROCHEMICAL SYSTEM

NºPublicación:  US2025354272A1 20/11/2025
Solicitante: 
HYUNDAI MOTOR CO LTD [KR]
KIA CORP [KR]
Hyundai Motor Company,
Kia Corporation
US_2025354272_PA

Resumen de: US2025354272A1

Provided is an electrochemical system comprising a water electrolysis stack with an anode and a cathode. The system includes a reaction fluid supply line that supplies a reaction fluid to the anode, a first gas-liquid separator located in the reaction fluid supply line to separate the reaction fluid into gaseous and liquid components, and a first filter part positioned upstream of the first gas-liquid separator to filter the reaction fluid. The system further includes a first circulation line that circulates the liquid reaction fluid from the anode back to the first gas-liquid separator. Additionally, a second gas-liquid separator in a discharged fluid discharge line is connected to the cathode, with a second circulation line configured to maintain the ionic purity of the discharged fluid. The system also includes a mechanism to monitor ionic conductivity and selectively control the operation of the water electrolysis stack based on detected ionic levels.

WATER ELECTROLYSIS CELL, WATER ELECTROLYSIS CELL STACK, AND MANUFACTURING METHOD OF WATER ELECTROLYSIS CELL

NºPublicación:  US2025354277A1 20/11/2025
Solicitante: 
TOSHIBA KK [JP]
TOSHIBA ENERGY SYSTEMS & SOLUTIONS CORP [JP]
KABUSHIKI KAISHA TOSHIBA,
TOSHIBA ENERGY SYSTEMS & SOLUTIONS CORPORATION
US_2025354277_PA

Resumen de: US2025354277A1

A water electrolysis cell according to an embodiment includes: an anode electrode including an anode catalyst layer in which anode catalyst sheets are stacked via a gap, each anode catalyst sheet containing iridium oxide and being in the form of a nanosheet; a cathode electrode including a cathode catalyst layer in which cathode catalyst sheets are stacked via a gap, each cathode catalyst sheet containing platinum and being in the form of a nanosheet; and an electrolyte membrane containing a hydrocarbon-based material, placed between the anode electrode and the cathode electrode.

WATER ELECTROLYSIS PROCESS HAVING AN EXTENDED RANGE OF OPERATION AND RELATED INSTALLATION

NºPublicación:  US2025354282A1 20/11/2025
Solicitante: 
TOTALENERGIES ONETECH [FR]
TotalEnergies OneTech
US_2025354282_PA

Resumen de: US2025354282A1

A water electrolysis process includes recovering a mixture of electrolyte and dioxygen from an anodic compartment and separating it in a dioxygen separator to obtain a dioxygen stream and a dioxygen containing electrolyte stream; recovering a mixture of electrolyte and dihydrogen from an cathodic compartment and separating it in a dihydrogen separator to obtain a dihydrogen stream and a dihydrogen containing electrolyte stream; recirculating the dioxygen containing electrolyte stream and the dihydrogen containing electrolyte stream. Upon detection of conditions susceptible of leading to a dioxygen to dihydrogen ratio greater than a safety OTH threshold in the cathodic compartment or/and to a dihydrogen to dioxygen ratio greater than a safety HTO threshold in the anodic compartment, flushing dihydrogen in electrolyte fed to the or each cathodic compartment, and/or flushing dioxygen in electrolyte fed to the or each anodic compartment.

COMPOSITE FOR ELECTROCATALYSIS AND PREPARATION METHOD THEREOF

NºPublicación:  US2025354279A1 20/11/2025
Solicitante: 
HYDROLYZER DOO [RS]
Hydrolyzer DOO
EP_4650493_A1

Resumen de: US2025354279A1

The present invention relates to a method of preparing a composite material, in particular one useful as a catalyst in an electrolytic hydrogen evolution reaction and/or the oxygen evolution reaction and/or urea oxidation-assisted water electrolysis. Provided is a method of preparing a composite material, the method comprising the steps of:(i) electrochemically depositing material onto a substrate from a deposition solution comprising a nickel (II) salt and graphene oxide, to obtain a nickel-reduced graphene oxide composite material comprising nickel dispersed on reduced graphene oxide, said composite material being deposited on the substrate;(ii) after step (i), placing the substrate, having the nickel-reduced graphene oxide composite deposited thereon, in an alkaline solution along with a counter electrode; and(iii) after step (ii), partially electrochemically oxidising the nickel, to obtain a partially oxidised nickel-reduced graphene oxide composite material comprising partially oxidised nickel dispersed on reduced graphene oxide, said composite material being deposited on the substrate.The composite of the invention demonstrates high catalytic activity for electrolytic hydrogen production under alkaline water electrolysis conditions (for example, a hydrogen evolution current of up to 500 mA cm−2 at −1.35 V against a Reversible Hydrogen Electrode). High activity is demonstrated even when the substrate (on which the composite is deposited) does not contain any, or at m

CARBON CAPTURE WITH MOLTEN CARBONATE ELECTROLYSIS CELL

NºPublicación:  US2025354275A1 20/11/2025
Solicitante: 
EXXONMOBIL TECH AND ENGINEERING COMPANY [US]
EXXONMOBIL TECHNOLOGY AND ENGINEERING COMPANY

Resumen de: US2025354275A1

Systems and methods are provided for integration of molten carbonate electrolysis cells in applications for hydrogen production and for operating turbines using oxycombustion. In some aspects, the unusual output flows from an MCEC (or more typically a plurality of MCECs) can be synergistically used in combination with reverse flow reactors and/or partial oxidation units to allow for hydrogen production while also performing carbon capture. In other embodiments, the anode output from an MCEC (or a plurality of MCECs) can be used as the oxygen-containing gas for a combustion turbine or a furnace.

HYDROGEN AND OXYGEN DEPLETING SYSTEM WITHIN A WATER ELECTROLYSIS INSTALLATION AND RELATED PROCESS

NºPublicación:  US2025354283A1 20/11/2025
Solicitante: 
TOTALENERGIES ONETECH [FR]
TotalEnergies OneTech
CN_120967379_PA

Resumen de: US2025354283A1

A water electrolysis installation includes a dioxygen separator configured to separate a mixture of electrolyte and dioxygen and to obtain an electrolyte with dissolved dioxygen; a dihydrogen separator to separate a mixture of electrolyte and dihydrogen and to obtain an electrolyte with dissolved dihydrogen; a recombination zone configured to receive the electrolytes to produce, at a mixing region, a mixed electrolyte stream. The installation includes a dihydrogen and/or dioxygen depleting system, including a catalyst configured to react dioxygen and dihydrogen dissolved in the mixed electrolyte stream, to produce a treated electrolyte stream with reduced dioxygen and dihydrogen. The depleting system is positioned in contact with the mixed electrolyte stream downstream of the mixing region and upstream of the inlet of the electrochemical stack device.

Framing Structure For An Electrolyser

NºPublicación:  US2025354276A1 20/11/2025
Solicitante: 
VIERING JENTSCHURA & PARTNER MBB PATENT UND RECHTSANWAELTE [DE]
Viering, Jentschura & Partner mbB Patent- und Rechtsanw\u00E4lte
CA_3247505_A1

Resumen de: US2025354276A1

The present invention relates to a framing structure for an electrolyser subject to internal pressure, able to withstand corrosive environments and radial pressure forces. The present invention also relates to an electrolytic cell and electrolyser equipped with said framing structure, as well as its use in high-pressure water electrolysis applications.

ELECTROCHEMICAL WATER SPLITTING WITH A NIVOX CATALYST

NºPublicación:  US2025354278A1 20/11/2025
Solicitante: 
UNIV KING FAHD PET & MINERALS [SA]
KING FAHD UNIVERSITY OF PETROLEUM AND MINERALS
US_2025354278_PA

Resumen de: US2025354278A1

An electrocatalyst and a method of preparing the electrocatalyst are described. The electrocatalyst includes a porous foam substrate; and a catalytically active layer comprising NiVOx nanostructures, the catalytically active layer being disposed on an exterior surface and an interior pore surface of the porous metal foam substrate; where “x” is in the range of 1 to 3. A method of using the electrocatalyst for water oxidation is also described.

SYSTEM AND METHOD FOR INCREASING HYDROGEN PRODUCTION IN ELECTROLYZERS

NºPublicación:  US2025354280A1 20/11/2025
Solicitante: 
T C ERCIYES UNIV [TR]
T.C. ERCIYES UNIVERSITESI
JP_2025520258_PA

Resumen de: US2025354280A1

Polymer electrolysis membrane (PEM) or alkali electrolyzers are provided. The PEM or alkali electrolyzers have a compact structure that produces high-purity hydrogen and a device and method for increasing the hydrogen production efficiency of these devices. An electrolyzer control circuit includes: an electrolysis cell, a mosfet, a square wave oscillator integration, a potentiometer, a mosfet driver integration, a first resistance, a second resistance, a first adjustable direct current power supply, a second adjustable direct current power supply, and an oscilloscope.

LUNAR WATER COLLECTION DEVICE

NºPublicación:  US2025354490A1 20/11/2025
Solicitante: 
BLUE ORIGIN MFG LLC [US]
Blue Origin Manufacturing, LLC
US_2024035379_PA

Resumen de: US2025354490A1

Techniques and systems extract water from lunar regolith using microwave radiation and may also produce fuel from the extracted water. The system can distill the extracted water to remove impurities before electrolyzing the purified water into oxygen and hydrogen gases, which may then be cooled to form liquid oxygen and liquid hydrogen. A portion of the system may reside on a lunar landing module. Another portion of the system may be affixed to a robotic arm that is extendable from the lunar landing module. This portion of the system includes a water extraction unit, comprising a cone used as a cold trap. The cone may include cooling channels to keep the temperature of the smooth inner surface of the cone cold enough to trap particles of frost that attach to the inner surface. The frost is then scraped from the inner surface and collected.

PRODUCTION OF NANOCHALCOGENIDES FOR USE IN ELECTROCATALYSIS

NºPublicación:  US2025353758A1 20/11/2025
Solicitante: 
THE GOVERNING COUNCIL OF THE UNIV OF TORONTO [CA]
TOTALENERGIES ONETECH [FR]
THE GOVERNING COUNCIL OF THE UNIVERSITY OF TORONTO,
TOTALENERGIES ONETECH
US_2021162392_A1

Resumen de: US2025353758A1

The present description relates to metal alloy electrocatalysts, preferably composed of Ni and Co as transition metals and Se as a chalcogen. The electrocatalysts can take the form of nanochalcogenides that can be made using cryogenic milling followed by surfactant-assistant milling. The electrocatalysts can be used in the context of water electrolysis or electroreduction of CO2 gas into carbon based products.

METHODS AND PROCESSES FOR THE USE OF CALCIUM- AND MAGNESIUM-BEARING OXIDES, HYDROXIDES, AND SILICATES; CALCIUM- AND MAGNESIUM-BEARING AQUEOUS STREAMS TO CAPTURE, CONVERT, AND STORE CARBON DIOXIDE AND PRODUCE HYDROGEN

NºPublicación:  US2025353740A1 20/11/2025
Solicitante: 
UNIV CORNELL [US]
Cornell University
US_2025353740_PA

Resumen de: US2025353740A1

The present disclosure relates to methods for producing hydrogen and calcium- or magnesium-bearing carbonates by capturing, converting, and storing carbon dioxide. The methods may include providing one or more calcium- or magnesium-bearing compounds; providing one or more water-soluble oxygenates; providing a plurality of catalysts; and reacting one or more calcium- or magnesium-bearing compounds and one or more water-soluble oxygenates with plurality of catalysts under conditions to produce hydrogen and calcium- or magnesium-bearing carbonates. The methods may include providing one or more calcium- or magnesium-bearing silicates; providing carbon monoxide; providing water vapor; and reacting one or more calcium- or magnesium-bearing silicates, carbon monoxide, and water vapor. The methods may include providing one or more calcium- or magnesium-bearing compounds; providing one or more water-soluble oxygenates; providing a catalyst; and reacting one or more calcium- or magnesium-bearing compounds and one or more water-soluble oxygenates with said catalyst.

ALLOY MATERIALS AND RELATED METHODS FOR PROCESSING HYDROGEN SULFIDE

NºPublicación:  US2025353743A1 20/11/2025
Solicitante: 
SAUDI ARABIAN OIL CO [SA]
SAUDI ARABIAN OIL COMPANY
US_2025353743_PA

Resumen de: US2025353743A1

A multi-metal composition and a method utilizing the multi-metal composition is disclosed. The multi-metal composition may comprise: an alloy comprising at least five elements selected from the group consisting of Co, Cr, Fe, Mn, Ni, Al, Mg, Cu, Zn, Zr, Ru, Rh, Pd, Ag, W, Re, Ir, Pt, Pd, Au, Ce, Yb, Sn, Ca, Be, Mo, V, W, and Sr. The method may comprise: providing a multi-metal composition comprising an alloy comprising at least five elements selected from the group consisting of Co, Cr, Fe, Mn, Ni, Al, Mg, Cu, Zn, Zr, Ru, Rh, Pd, Ag, W, Re, Ir, Pt, Pd, Au, Ce, Yb, Sn, Ca, Be, Mo, V, W, and Sr; and interacting a gas stream comprising hydrogen sulfide with the multi-metal composition.

METHODS FOR PHOTOCATALYTIC WATER SPLITTING OF PRODUCED WATERS

NºPublicación:  US2025353738A1 20/11/2025
Solicitante: 
SAUDI ARABIAN OIL CO [SA]
SAUDI ARABIAN OIL COMPANY
US_2025353738_A1

Resumen de: US2025353738A1

Methods for photocatalytic water splitting of produced waters may comprise introducing a photocatalyst comprising a semiconductor to a produced water comprising ions of sodium, chloride, calcium, magnesium, potassium, sulfate, barium, iron, lithium, strontium, or any combination thereof; in the presence of sunlight, allowing the photocatalyst to facilitate a reduction-oxidation reaction of a plurality of water molecules from the produced water; and obtaining hydrogen and oxygen.

Method to process borate by-products from sodium borohydride hydrolysis

NºPublicación:  US2025353754A1 20/11/2025
Solicitante: 
UNIV DO PORTO [PT]
LABORATORIO NAC DE ENERGIA E GEOLOGIA [PT]
UNIVERSIDADE DO PORTO,
LABORAT\u00D3RIO NACIONAL DE ENERGIA E GEOLOGIA
US_2025353754_PA

Resumen de: US2025353754A1

The present disclosure relates to a method for processing a liquid by-product of sodium borohydride hydrolysis to obtain a borate compound, the method comprising the following steps: separating the liquid by-product by sedimentation, to obtain a borate-rich supernatant; drying the borate-rich supernatant under vacuum to obtain a solid composition comprising a borate compound. An aspect of the present disclosure relates composition obtainable by the disclosed method comprising at least 90% (w/w) of sodium boron hydroxide and its use as a source of borate in the production of sodium borohydride and/or hydrogen.

A PIEZO PHOTOCATALYTIC PROCESS FOR THE PRODUCTION OF HYDROGEN FROM WATER

NºPublicación:  US2025353739A1 20/11/2025
Solicitante: 
NEWSOUTH INNOVATIONS PTY LTD [AU]
NEWSOUTH INNOVATIONS PTY LIMITED
AU_2023277213_PA

Resumen de: US2025353739A1

The present invention is directed to piezo photocatalytic process for the production of hydrogen from water, wherein the process comprises the steps of: (a) providing non-metal-doped barium titanate which includes at least one defect; (b) contacting the non-metal-doped barium titanate provided in step (a) with water to form a mixture; and (c) subjecting the mixture formed in step (b) to: (i) actinic radiation; and (ii) mechanical force, to produce hydrogen from the water, as well as non-metal-doped barium titanate and methods of production thereof.

SYSTEM AND METHOD FOR STABILIZING THE OPERATION OF FACILITIES USING HYDROGEN PRODUCED BY LOW CARBON SOURCES

NºPublicación:  US2025353737A1 20/11/2025
Solicitante: 
PACHPANDE SUNIL NIVRUTTI [IN]
BALIGA SATISH BANTWAL [US]
FENG ZHENTAO [US]
YAMALIDOU EKATERINI [US]
KELLOGG BROWN & ROOT LLC [US]
Pachpande Sunil Nivrutti,
Baliga Satish Bantwal,
Feng Zhentao,
Yamalidou Ekaterini,
KELLOGG BROWN & ROOT LLC
WO_2025240177_PA

Resumen de: US2025353737A1

A system and a method for stabilizing hydrogen flow to a downstream process in a facility determining a hydrogen density and pressure profiles in the hydrogen storage unit for different target net hydrogen flows at different time intervals of a time horizon of a renewable power availability profile, determining an operating target net hydrogen flow of a hydrogen feed to the downstream process, determining a target direct hydrogen flow of a hydrogen feed and a target stored hydrogen flow of a hydrogen feed to the downstream process, and controlling the operation of the downstream process based on the operating target hydrogen flows.

DEVICES, SYSTEMS, AND METHODS FOR ELECTROCHEMICALLY PURIFYING HYDROGEN

NºPublicación:  US2025352946A1 20/11/2025
Solicitante: 
LUDLOW DARYL J [US]
Ludlow Daryl J
JP_2025530379_PA

Resumen de: US2025352946A1

Hydrogen gas purifier electrochemical cells, systems for purifying hydrogen gas, and methods for purifying hydrogen gas are provided. The cells, systems, and methods employ double membrane electrode (DMEA) electrochemical cells that enhance purification while avoiding the complexity and cost of conventional cells. The purity of the hydrogen gas produced by the cells, systems, and methods can be enhanced by removing at least some intermediate gas impurities from the cells. The purity of the hydrogen gas produced by the cells, systems, and methods can also be enhanced be introducing hydrogen gas to the cells to replenish any lost hydrogen. Water electrolyzing electrochemical cells and methods of electrolyzing water to produce hydrogen gas are also disclosed.

WATER SEALED TANK

NºPublicación:  US2025352926A1 20/11/2025
Solicitante: 
JOHN COCKERILL HYDROGEN BELGIUM [BE]
JOHN COCKERILL HYDROGEN BELGIUM
WO_2024115781_PA

Resumen de: US2025352926A1

A water sealed tank include a tank body and a heat conducting pipe. The tank body includes a gas-liquid inlet, a water outlet, and a gas outlet. The gas outlet is close to or located on a top portion of the tank body and communicates with the tank body. The water outlet is close to or located on a bottom portion of the tank body. The gas-liquid inlet communicates with the tank body and is used for feeding a gas-water mixture into the tank body, and a gas separated from the gas-water mixture inside the tank body is discharged from the gas outlet. At least a part of the heat conducting pipe is located inside the tank body, and used for a liquid to flow through, to allow the heat conducting pipe to exchange heat with water inside the tank body and heat the water inside the tank body.

ALLOY MATERIALS AND RELATED METHODS FOR PROCESSING HYDROGEN SULFIDE

NºPublicación:  WO2025240133A1 20/11/2025
Solicitante: 
SAUDI ARABIAN OIL CO [SA]
ARAMCO SERVICES CO [US]
SAUDI ARABIAN OIL COMPANY,
ARAMCO SERVICES COMPANY
WO_2025240133_A1

Resumen de: WO2025240133A1

A method utilizing the multi-metal composition is disclosed. The multi-metal composition may comprise: an alloy comprising at least five elements selected from the group consisting of Co, Cr, Fe, Mn, Ni, Al, Mg, Cu, Zn, Zr, Ru, Rh, Pd, Ag, W, Re, Ir, Pt, Pd, Au, Ce, Yb, Sn, Ca, Be, Mo, V, W, and Sr. The method may comprise: providing a multi-metal composition comprising an alloy comprising at least five elements selected from the group consisting of Co, Cr, Fe, Mn, Ni, Al, Mg, Cu, Zn, Zr, Ru, Rh, Pd, Ag, W, Re, Ir, Pt, Pd, Au, Ce, Yb, Sn, Ca, Be, Mo, V, W, and Sr; and interacting a gas stream comprising hydrogen sulfide with the multi-metal composition.

ELECTRIC ENERGY CONVERSION UNIT, ESPECIALLY FOR THE USE OF ELECTRICITY WITH TIME-VARYING POWER FOR THE PRODUCTION OF HYDROGEN GAS

NºPublicación:  WO2025238387A1 20/11/2025
Solicitante: 
SZARVAS TIBOR ZOLTAN [HU]
SZARVAS, Tibor Zolt\u00E1n
WO_2025238387_PA

Resumen de: WO2025238387A1

The subject of the invention relates to an electric energy conversion unit, especially for the use of electricity with time-varying power for the production of hydrogen gas, which has a current conducting piece (2) provided with an input gate (3) that may be connected to the electrical energy supply unit (4), at least one hydrogen gas production subunit (20) connected to the current conducting piece (2), and at least one hydrogen gas storage tank (30) connected to the hydrogen gas production subunit (20), where the hydrogen gas production subunit (20) has an electrolysing cell (21), and the gas output (21a) of the electrolysing cell (21) is connected to the input pipe (31)of the hydrogen gas storage tank (30), and the hydrogen gas storage tank (30) is provided with an unloading pipe (32). It is characteristic of the invention that an electric current regulation subunit (10) is fitted between the input gate (3) of the current conducting piece (2) and the hydrogen gas production subunit (20), where the electric current regulation subunit (10) has at least one transformer (11), a rectifier device (12) and a current intensity regulation device (13), and the current intensity regulation device (13) is interposed between the input gate (3) of the current conducting piece (2) and the input (11a) of the transformer (11), or between the output (11) of the transformer (11) and the input (12a) of the rectifier device (12), or between two transformers (11) in the case of several transfor

NANOPARTICLES, USES THEREOF, AND A SYNTHESIS METHOD FOR PRODUCING SAID NANOPARTICLES

NºPublicación:  WO2025238301A1 20/11/2025
Solicitante: 
HELSINGIN YLIOPISTO [FI]
HELSINGIN YLIOPISTO
WO_2025238301_A1

Resumen de: WO2025238301A1

The present invention is providing a nanoparticle, preferably a nano-urchin particle, comprising plasmonic material and a catalytic metal, wherein said plasmonic material comprises tungsten oxide W18O49 and the catalytic metal is selected from a group consisting of: platinum (Pt), iridium (Ir), nickel (Ni), iron (Fe), molybdenum (Mo), ruthenium (Ru), and cobalt (Co), wherein the nanoparticle comprises 0.2 wt. % - 3.0 wt. % of said catalytic metal; and wherein said nanoparticle is capable of catalysing a hydrogen evolution reaction or an oxygen evolution reaction. The present invention is also providing a solvothermal method for producing a nanoparticle product comprising the steps of: a) dissolving a reagent comprising plasmonic material into a first solvent to obtain a first solution; b) adding to said first solution i) a reagent comprising a catalytic metal and ii) α-naphthol to obtain a second solution; c) subjecting said second solution to heat treatment at temperature of at least 150 °C, preferably at 180 °C; and d) collecting the nanoparticle product from the heat treated second solution, preferably by centrifugation.

HYDROGEN PROVIDING SYSTEM

NºPublicación:  WO2025239823A1 20/11/2025
Solicitante: 
LUOSSAVAARA KIIRUNAVAARA AB [SE]
LUOSSAVAARA-KIIRUNAVAARA AB
WO_2025239823_PA

Resumen de: WO2025239823A1

A hydrogen providing system (1) for providing hydrogen to an ironworks plant (4) in a heavy industry site (3). The hydrogen providing system (1) comprises an electrical power control unit (5) connected to a main electrical line (2) providing alternating current, AC, power, an electrolyser (6) configured to produce hydrogen gas, at least one hydrogen storage tank (7) configured to store hydrogen gas, and a fuel mixer (8) in fluid communication with and configured to direct the flow of hydrogen between the electrolyser (6), the hydrogen storage tank (7), and the ironworks plant (4). The hydrogen providing system (1) also comprises an electrical mixer (9) connected to and configured to control the flow of current between an AC current power line (10) connected to the electric power control unit (5), which is configured to control the AC power to the AC current power line (10),a first direct current, DC, power line (11) connected to the electrolyser, and a second DC power line (12) connected to a solar power plant (13).

METHOD FOR PRODUCING AN ELECTRODE FOR USE IN AN ELECTROLYSIS CELL, ELECTRODE AND STACK ARRANGEMENT HAVING SUCH AN ELECTRODE

NºPublicación:  WO2025237774A1 20/11/2025
Solicitante: 
KS GLEITLAGER GMBH [DE]
KS GLEITLAGER GMBH
WO_2025237774_PA

Resumen de: WO2025237774A1

The invention relates to a method for producing an electrode (10) for use in an electrolysis cell, comprising providing a metal flat material portion (18), wherein the flat material portion extends in a planar manner in a main plane, producing at least one three-dimensional contact structure (16) in the flat material portion (18), comprising introducing at least three slots (44) into the flat material portion in such a way that a connection piece (26) formed between two adjacent slots has a plurality of the through-openings, wherein the slots are distributed around a reference region (46), and comprising moving the reference region out of the main plane such that the reference region is displaced to a contact plane which is offset with respect to the main plane, the slots thereby being expanded, in order to form a contact region (24) of the contact structure (16). The invention also relates to such an electrode and to a stack arrangement having such an electrode.

METHOD FOR PREPARING AN ELECTROCHEMICALLY ACTIVATED ELECTRODE BASED ON FLUORINATED MOS2 FOR ELECTROCHEMICAL REDUCTION REACTIONS

NºPublicación:  WO2025237669A1 20/11/2025
Solicitante: 
IFP ENERGIES NOW [FR]
IFP ENERGIES NOUVELLES
WO_2025237669_A1

Resumen de: WO2025237669A1

Disclosed is a method for preparing an electrochemically activated electrode for electrochemical reduction reactions, the electrode comprising at least one catalytic material based on at least one fluorinated group VIB metal, the method consisting in carrying out an oxidative electrochemical treatment on an electrode comprising at least one catalytic material based on at least one fluorinated group VIB metal.

METHOD FOR PREPARING AN ELECTROCHEMICALLY ACTIVATED ELECTRODE BASED ON SUPPORTED MOS2 FOR ELECTROCHEMICAL REDUCTION REACTIONS

NºPublicación:  WO2025237667A1 20/11/2025
Solicitante: 
IFP ENERGIES NOW [FR]
IFP ENERGIES NOUVELLES
WO_2025237667_A1

Resumen de: WO2025237667A1

Disclosed is a method for preparing an electrochemically activated electrode for electrochemical reduction reactions, the electrode comprising at least one catalytic material based on at least one group VIB metal supported on an electrically conductive support, the method consisting in carrying out an electrochemical treatment on an electrode comprising at least one catalytic material based on at least one group VIB metal supported on an electrically conductive support. The electrochemical treatment, which is carried out by cyclic voltammetry (CV) or chronoamperometry (CA), consists of a step of oxidation under specific conditions.

METHOD FOR PREPARING AN ACTIVE LAYER OF AN ELECTRODE BASED ON FLUORINATED MOS2 FOR ELECTROCHEMICAL REDUCTION REACTIONS

NºPublicación:  WO2025237668A1 20/11/2025
Solicitante: 
IFP ENERGIES NOW [FR]
IFP ENERGIES NOUVELLES
WO_2025237668_A1

Resumen de: WO2025237668A1

Disclosed is a method for preparing a catalytic material of an electrode for electrochemical reduction reactions, the catalytic material comprising an active phase based on at least one group VIB metal and fluorine. The method consists in bringing a solid material based on at least one group VIB metal sulphide into contact with a gas comprising at least difluorine, at a temperature of between -50°C and 150°C, for a duration of between 15 seconds and 120 minutes, the gas having a difluorine concentration of between 0.1 and 100% by volume relative to the total volume of the gas, a pressure of between 0.001 and 0.2 MPa, and a PPH of between 0.01 and 200 h-1.

ELECTROLYSER AND METHOD FOR ITS OPERATION

NºPublicación:  EP4649184A1 19/11/2025
Solicitante: 
STIESDAHL HYDROGEN AS [DK]
Stiesdahl Hydrogen A/S
DK_202300028_A1

Resumen de: DK202300028A1

In an electrolyser (1) stack for production of hydrogen gas, multiple bipolar electrically conducting metal seperator plates (21, 25) sandwich membranes. Each seperator plate has raised surface portions (50) towards the membrane (23), forming minor gas channels (40) between the seperator plate (21, 25) and the membrane (23) for transort of produced gas along the seperator plate (21, 25). Each structured area (30A, 30B) with the minor channels (40) is surrounded by a combination of an upper major channel (41) above and a lower major channel (47) below the first structured area (30A), as well as a first major channel (42) and second major channel (49) connecting the lower major channel (47) with the upper major channel (41) on a first and second side. Gas flow through the channels leads to circulation of electrolyte through and around the structured areas (30A, 30B).

COMPOSITE FOR ELECTROCATALYSIS AND PREPARATION METHOD THEROF

NºPublicación:  EP4650493A1 19/11/2025
Solicitante: 
HYDROLYZER DOO [RS]
Hydrolyzer DOO
EP_4650493_A1

Resumen de: EP4650493A1

The present invention relates to a method of preparing a composite material, in particular one useful as a catalyst in an electrolytic hydrogen evolution reaction and/or the oxygen evolution reaction and/or urea oxidation-assisted water electrolysis. Provided is a method of preparing a composite material, the method comprising the steps of:(i) electrochemically depositing material onto a substrate from a deposition solution comprising a nickel (II) salt and graphene oxide, to obtain a nickel-reduced graphene oxide composite material comprising nickel dispersed on reduced graphene oxide, said composite material being deposited on the substrate;(ii) after step (i), placing the substrate, having the nickel-reduced graphene oxide composite deposited thereon, in an alkaline solution along with a counter electrode; and(iii) after step (ii), partially electrochemically oxidising the nickel, to obtain a partially oxidised nickel-reduced graphene oxide composite material comprising partially oxidised nickel dispersed on reduced graphene oxide, said composite material being deposited on the substrate.The composite of the invention demonstrates high catalytic activity for electrolytic hydrogen production under alkaline water electrolysis conditions (for example, a hydrogen evolution current of up to 500 mA cm<sup>-2</sup> at -1.35 V against a Reversible Hydrogen Electrode). High activity is demonstrated even when the substrate (on which the composite is deposited) does not c

SYSTEM AND METHOD FOR STABILIZING THE OPERATION OF FACILITIES USING HYDROGEN PRODUCED BY LOW CARBON SOURCES

NºPublicación:  EP4650904A1 19/11/2025
Solicitante: 
KELLOGG BROWN & ROOT LLC [US]
Kellogg Brown & Root LLC
EP_4650904_PA

Resumen de: EP4650904A1

A system and a method for stabilizing hydrogen flow to a downstream process in a facility determining a hydrogen density and pressure profiles in the hydrogen storage unit for different target net hydrogen flows at different time intervals of a time horizon of a renewable power availability profile, determining an operating target net hydrogen flow of a hydrogen feed to the downstream process, determining a target direct hydrogen flow of a hydrogen feed and a target stored hydrogen flow of a hydrogen feed to the downstream process, and controlling the operation of the downstream process based on the operating target hydrogen flows.

MEMBRANE-ELECTRODE-FRAME-ASSEMBLY FOR ION EXCHANGE MEMBRANE ELECTROLYSER, ELECTROLYSER CELL STACK AND METHOD OF MANUFACTURING

NºPublicación:  EP4650486A1 19/11/2025
Solicitante: 
AVL LIST GMBH [AT]
AVL FUEL CELL CANADA INC [CA]
AVL List GmbH,
AVL Fuel Cell Canada Inc
EP_4650486_PA

Resumen de: EP4650486A1

The present invention relates to a membrane electrode assembly (100) for a stackable electrolyser cell. The membrane electrode assembly (100) comprises a catalyst coated membrane (CCM) member (110) with a polymer membrane (111) that is at least partially coated with a catalyst coating (112, 113), a frame member (140) for mechanical reinforcement, two porous transport layers (121, 122), and an adhesive layer (150). The adhesive layer (150) forms an adhesive bond between the CCM member (110) and at least the frame member (140) and further, comprises an adhesive overlap section (151) that overlaps with a frame overlap section (141) of the frame member (140). The adhesive overlap section (151) extends inwardly with respect to the peripheral area (115) beyond the frame overlap section (141) to delimit a process area (116) of the CCM member (110). The invention relates further to a solid polymer electrolyte electrolyser cell stack with such membrane electrode assembly (100) and a method of manufacturing said membrane electrode assembly (100).

AMMONIA CRACKING FOR HYDROGEN PRODUCTION

NºPublicación:  EP4649050A1 19/11/2025
Solicitante: 
CASALE SA [CH]
CASALE SA
KR_20250137610_PA

Resumen de: CN120476092A

The invention relates to a method for producing hydrogen from ammonia, comprising: ammonia cleavage in which the ammonia is decomposed into hydrogen and nitrogen, the ammonia cleavage being carried out in a sequence of cleavage steps (13, 36, 17, 20), and a final cleavage stream (21) being obtained after the final cleavage step (20), the final ammonia cracking step (20) is carried out in an adiabatic manner and/or after the final cracking step, the final cracking stream (21) is quenched by direct mixing with water or steam.

Energy Production Complex System Based on Hydrogen Storage Technology

NºPublicación:  KR20250162759A 19/11/2025
Solicitante: 
한국전력공사
KR_20220009803_PA

Resumen de: KR20220009803A

The present invention relates to an energy production complex system based on a liquid compound, including: a water electrolysis device unit for electrolyzing water to produce hydrogen; a hydrogen storage device unit for reacting the hydrogen produced by the water electrolysis unit with a first liquid compound to allow the first liquid compound to become a second liquid compound in which hydrogen is stored; a hydrogen desorption device unit for desorbing the hydrogen stored in the second liquid compound into hydrogen and the first liquid compound; and a fuel cell unit for generating power by receiving the hydrogen desorbed from the hydrogen desorption device unit.

ELECTROLYSIS SYSTEM AND CONTROL METHOD FOR ELECTROLYSIS SYSTEM

NºPublicación:  EP4650492A1 19/11/2025
Solicitante: 
MITSUBISHI HEAVY IND LTD [JP]
Mitsubishi Heavy Industries, Ltd
EP_4650492_PA

Resumen de: EP4650492A1

Provided is an electrolysis system (100) including an electrolysis module (10); a water vapor supply system (40) that supplies water vapor to a hydrogen electrode; a hydrogen recovery system (50) that recovers hydrogen-enriched water vapor; an air supply system (20) that supplies air to an oxygen electrode; an oxygen recovery system (30) that recovers exhaust air; a hydrogen-enriched water vapor release system (60) that releases hydrogen-enriched water vapor from the hydrogen recovery system (50) into the atmosphere; an exhaust air release system (70) that releases exhaust air from the oxygen recovery system (30) into the atmosphere; a hydrogen-enriched water vapor discharge valve (63) disposed in the hydrogen-enriched water vapor discharge system (60); and an exhaust air discharge valve (73) disposed in the exhaust air discharge system (70), wherein the opening degrees of the hydrogen-enriched water vapor discharge valve (63) and the exhaust air discharge valve (73) are controlled to be adjustable when the electrolytic module (10) is stopped.

ELECTROLYSIS CELL SYSTEM AND ELECTROLYSIS CELL SYSTEM OPERATION METHOD

NºPublicación:  EP4650491A1 19/11/2025
Solicitante: 
MITSUBISHI HEAVY IND LTD [JP]
Mitsubishi Heavy Industries, Ltd
EP_4650491_PA

Resumen de: EP4650491A1

Provided is an electrolysis cell system with energy efficiency improved. An electrolysis cell system (10) includes: an electrolysis cell (11) that has an anode and a cathode and generates hydrogen on the cathode and oxygen on the anode by electrolyzing steam supplied to the cathode; a supply line (20) that supplies air that controls the temperature of the electrolysis cell (11), to the electrolysis cell (11); an exhaust line (30) through which the air exhausted from the electrolysis cell (11) flows; a circulation line (40) that guides the air exhausted to the exhaust line (30), to the supply line (20); and a supply air temperature control heat exchanger (28) that controls the temperature of the air to be supplied to the electrolysis cell (11).

HYDROGEN AND OXYGEN DEPLETING SYSTEM WITHIN A WATER ELECTROLYSIS INSTALLATION AND RELATED PROCESS

NºPublicación:  EP4650488A1 19/11/2025
Solicitante: 
TOTALENERGIES ONETECH [FR]
TotalEnergies OneTech
EP_4650488_PA

Resumen de: EP4650488A1

The invention concerns a water electrolysis installation comprising:* a dioxygen separator (60) configured to separate a mixture of electrolyte and dioxygen (28B) and to obtain an electrolyte with dissolved dioxygen (61);* a dihydrogen separator (49) to separate a mixture of electrolyte and dihydrogen (28A) and to obtain an electrolyte with dissolved dihydrogen (51);* a recombination zone (32) configured to receive the electrolytes to produce, at a mixing region (68), a mixed electrolyte stream,The installation comprises a dihydrogen and/or dioxygen depleting system (70), comprising a catalyst configured to react dioxygen and dihydrogen dissolved in the mixed electrolyte stream, to produce a treated electrolyte stream (34) with reduced dioxygen and dihydrogen. The depleting system (70) is positioned in contact with the mixed electrolyte stream downstream of the mixing region (68) and upstream of the inlet of the electrochemical stack device.

A WATER ELECTROLYSIS PROCESS HAVING AN EXTENDED RANGE OF OPERATION AND RELATED INSTALLATION

NºPublicación:  EP4650487A1 19/11/2025
Solicitante: 
TOTALENERGIES ONETECH [FR]
TotalEnergies OneTech
EP_4650487_PA

Resumen de: EP4650487A1

The process comprises:- recovering a mixture of electrolyte and dioxygen from an anodic compartment (19B) and separating it in a dioxygen separator (60) to obtain a dioxygen stream and a dioxygen containing electrolyte stream;- recovering a mixture of electrolyte and dihydrogen from an cathodic compartment (19A) and separating it in a dihydrogen separator (49) to obtain a dihydrogen stream and a dihydrogen containing electrolyte stream ;- recirculating the dioxygen containing electrolyte stream and the dihydrogen containing electrolyte stream.Upon detection of conditions susceptible of leading to a dioxygen to dihydrogen ratio greater than a safety OTH threshold in the cathodic compartment (19A) or/and to a dihydrogen to dioxygen ratio greater than a safety HTO threshold in the anodic compartment (19B), flushing dihydrogen in electrolyte fed to the or each cathodic compartment (19A), and/or flushing dioxygen in electrolyte fed to the or each anodic compartment (19B).

WATER ELECTROLYSIS CELL, WATER ELECTROLYSIS CELL STACK, AND MANUFACTURING METHOD OF WATER ELECTROLYSIS CELL

NºPublicación:  EP4650490A1 19/11/2025
Solicitante: 
TOSHIBA KK [JP]
TOSHIBA ENERGY SYSTEMS & SOLUTIONS CORP [JP]
Kabushiki Kaisha Toshiba,
Toshiba Energy Systems & Solutions Corporation
EP_4650490_PA

Resumen de: EP4650490A1

A water electrolysis cell according to an embodiment includes: an anode electrode including an anode catalyst layer in which anode catalyst sheets are stacked via a gap, each anode catalyst sheet containing iridium oxide and being in the form of a nanosheet; a cathode electrode including a cathode catalyst layer in which cathode catalyst sheets are stacked via a gap, each cathode catalyst sheet containing platinum and being in the form of a nanosheet; and an electrolyte membrane containing a hydrocarbon-based material, placed between the anode electrode and the cathode electrode.

用于离子交换膜电解池的膜电极框架组件、电解池堆及制造方法

NºPublicación:  CN120967375A 18/11/2025
Solicitante: 
AVL\u674E\u65AF\u7279\u6709\u9650\u516C\u53F8,
AVL\u71C3\u6599\u7535\u6C60\u52A0\u62FF\u5927\u6709\u9650\u516C\u53F8
CN_120967375_PA

Resumen de: EP4650486A1

The present invention relates to a membrane electrode assembly (100) for a stackable electrolyser cell. The membrane electrode assembly (100) comprises a catalyst coated membrane (CCM) member (110) with a polymer membrane (111) that is at least partially coated with a catalyst coating (112, 113), a frame member (140) for mechanical reinforcement, two porous transport layers (121, 122), and an adhesive layer (150). The adhesive layer (150) forms an adhesive bond between the CCM member (110) and at least the frame member (140) and further, comprises an adhesive overlap section (151) that overlaps with a frame overlap section (141) of the frame member (140). The adhesive overlap section (151) extends inwardly with respect to the peripheral area (115) beyond the frame overlap section (141) to delimit a process area (116) of the CCM member (110). The invention relates further to a solid polymer electrolyte electrolyser cell stack with such membrane electrode assembly (100) and a method of manufacturing said membrane electrode assembly (100).

具有扩大的操作范围的水电解方法和相关装置

NºPublicación:  CN120967363A 18/11/2025
Solicitante: 
道达尔能源一技术公司
CN_120967363_PA

Resumen de: US2025354282A1

A water electrolysis process includes recovering a mixture of electrolyte and dioxygen from an anodic compartment and separating it in a dioxygen separator to obtain a dioxygen stream and a dioxygen containing electrolyte stream; recovering a mixture of electrolyte and dihydrogen from an cathodic compartment and separating it in a dihydrogen separator to obtain a dihydrogen stream and a dihydrogen containing electrolyte stream; recirculating the dioxygen containing electrolyte stream and the dihydrogen containing electrolyte stream. Upon detection of conditions susceptible of leading to a dioxygen to dihydrogen ratio greater than a safety OTH threshold in the cathodic compartment or/and to a dihydrogen to dioxygen ratio greater than a safety HTO threshold in the anodic compartment, flushing dihydrogen in electrolyte fed to the or each cathodic compartment, and/or flushing dioxygen in electrolyte fed to the or each anodic compartment.

水电解装置内的氢和氧消耗系统及相关方法

NºPublicación:  CN120967379A 18/11/2025
Solicitante: 
道达尔能源一技术公司
CN_120967379_PA

Resumen de: EP4650488A1

The invention concerns a water electrolysis installation comprising:* a dioxygen separator (60) configured to separate a mixture of electrolyte and dioxygen (28B) and to obtain an electrolyte with dissolved dioxygen (61);* a dihydrogen separator (49) to separate a mixture of electrolyte and dihydrogen (28A) and to obtain an electrolyte with dissolved dihydrogen (51);* a recombination zone (32) configured to receive the electrolytes to produce, at a mixing region (68), a mixed electrolyte stream,The installation comprises a dihydrogen and/or dioxygen depleting system (70), comprising a catalyst configured to react dioxygen and dihydrogen dissolved in the mixed electrolyte stream, to produce a treated electrolyte stream (34) with reduced dioxygen and dihydrogen. The depleting system (70) is positioned in contact with the mixed electrolyte stream downstream of the mixing region (68) and upstream of the inlet of the electrochemical stack device.

电解质溶液及其制造方法

NºPublicación:  CN120981608A 18/11/2025
Solicitante: 
马来西亚国家石油公司
CN_120981608_A

Resumen de: WO2024162841A1

An electrolyte solution comprising an electrolyte, wherein the electrolyte is used in an amount ranging between 1 wt% to 10 wt% of the electrolyte solution; an ionic liquid, wherein the ionic liquid is used in an amount ranging between 1 wt% to 5 wt% of the electrolyte solution; and a solvent, wherein the solvent is used in an amount ranging between 75 wt% to 99 wt% of the electrolyte solution.

水电解槽、水电解槽组以及水电解槽的制造方法

NºPublicación:  CN120967374A 18/11/2025
Solicitante: 
株式会社东芝东芝能源系统株式会社
CN_120967374_PA

Resumen de: US2025354277A1

A water electrolysis cell according to an embodiment includes: an anode electrode including an anode catalyst layer in which anode catalyst sheets are stacked via a gap, each anode catalyst sheet containing iridium oxide and being in the form of a nanosheet; a cathode electrode including a cathode catalyst layer in which cathode catalyst sheets are stacked via a gap, each cathode catalyst sheet containing platinum and being in the form of a nanosheet; and an electrolyte membrane containing a hydrocarbon-based material, placed between the anode electrode and the cathode electrode.

HYDROGEN AND OXYGEN GENERATING SUPPLYING APPARATUS WITH HEAT DISSIPATIING MODULE

NºPublicación:  KR20250162018A 18/11/2025
Solicitante: 
주식회사헤즈
KR_20250162018_PA

Resumen de: KR20250162018A

본 발명은 방열 모듈을 포함하는 수소 및 산소 공급 장치에 관한 것으로, 보다 상세하게는 수소 및 산소 생성 모듈에 의해 생성된 수소 및 산소가 분산되지 않고 수소 및 산소를 안정적으로 외부로 공급할 수 있는 방열 모듈을 포함하는 수소 및 산소 공급 장치에 관한 것이다.

하나 이상의 가압된 전해조 스택으로부터 2상 유출물을 생성하고 처리하는 방법 및 하나 이상의 개별적인 가압된 전해조 스택을 포함하는 전해조 시스템

NºPublicación:  KR20250162612A 18/11/2025
Solicitante: 
티센크루프누세라아게운트콤파니카게아아
KR_20250162612_PA

Resumen de: AU2024237545A1

A method for generating and treating a two-phase outflow from one or more pressurised electrolyser stacks which are adapted to electrolyse water into hydrogen and oxygen, whereby a pump supplies a catholytic fluid flow from one first gas liquid gravitational separator vessel to the electrolyser stacks and whereby a further pump supplies an anolytic fluid flow from one second gas liquid gravitational separator vessel to the electrolyser stacks, and whereby at least one cyclone type gas liquid separator receives combined outflows from the catholytic chambers and/or receives combined outflows from anolytic chambers respectively inside corresponding gravitational gas liquid separator vessel whereby further, the at least one cyclone type gas liquid separator separates the gas from the liquid along a generally horizontal cyclonic rotation axis inside the gas liquid gravitational separator vessel. An electrolyser system is also provided.

AMMONIA WATER PRODUCTION APPARATUS AND HYDROGEN WATER PRODUCTION SYSTEM HAVING THE SAME

NºPublicación:  KR20250161849A 18/11/2025
Solicitante: 
황후철
KR_20250161849_PA

Resumen de: KR20250161849A

본 발명은 암모니아수 제조장치 및 그것을 구비한 수소수 제조시스템에 관한 것으로, 본 발명은 암모니아액이 저장된 암모니아액저장탱크; 순수가 저장된 순수저장탱크; 암모니아액과 순수가 혼합되어 희석되는 희석탱크; 상기 암모니아액저장탱크와 희석탱크를 연결하여 희석탱크로 암모니아액이 공급되는 암모니아액공급라인; 상기 순수저장탱크와 희석탱크를 연결하여 희석탱크로 순수가 공급되는 순수공급라인; 상기 암모니아액공급라인에 구비되어 상기 희석탱크로 공급되는 암모니아액의 유량을 조절하는 제1 유량조절기; 상기 순수공급라인에 구비되어 상기 희석탱크로 공급되는 순수의 유량을 조절하는 제2 유량조절기; 및 상기 희석탱크와 연결관에 의해 연결되어 상기 희석탱크에서 희석된 암모니아수가 공급되어 저장되는 암모니아수저장탱크를 포함한다. 본 발명에 따르면, 암모니아수를 생성하는 구성을 간단하고 컴팩트하게 하여 설치 공간을 줄이고, 암모니아수의 희석 비율의 정확도를 높이면서 암모니이수 희석 효율을 향상시키며 이물질이 누적되는 것을 방지하여 장비에 공급하는 수소수의 신뢰성을 높인다.

Method of preparing methanol using green hydrogen and blue hydrogen

NºPublicación:  KR20250162165A 18/11/2025
Solicitante: 
동국대학교산학협력단
KR_20250162165_PA

Resumen de: KR20250162165A

그린수소 및 블루수소를 활용한 메탄올 합성 시스템 및 상기 시스템을 이용한 메탄올 합성방법을 제공한다. 상기 메탄올 합성 시스템은 수전해부, 가스 개질부, 수소 정제부, 메탄올 합성부 및 메탄올 정제부를 포함하는 시스템으로, 상기 메탄올 합성부는 상기 수전해부에서 분리된 그린수소, 상기 수소 정제부에서 분리된 블루수소, 상기 가스 개질부에서 개질된 이산화탄소 및 상기 메탄올 합성부에 추가로 공급되는 외부의 이산화탄소를 활용하여 메탄올을 합성할 수 있다. 상기 메탄올 합성 시스템을 이용한 메탄올 합성방법은 순산소 메탄올 합성 공정으로 고순도의 메탄올을 제공할 수 있다.

PRODUCTION APPARATUS AND METHOD FOR HIGH PURITY HYDROGEN

NºPublicación:  KR20250161712A 18/11/2025
Solicitante: 
한국에너지기술연구원
KR_20250161712_PA

Resumen de: US2025346486A1

An embodiment of the present disclosure provides a production apparatus for high purity hydrogen, the production apparatus including: a decomposition reaction unit configured to decompose ammonia through ammonia decomposition reaction and discharge reaction products including hydrogen and nitrogen produced from the ammonia decomposition reaction and non-reacting ammonia; an adsorption refinement unit configured to discharge intermediate refined products by separating or removing ammonia from the reaction products; and a hydrogen separation membrane configured to discharge a high-purity hydrogen product by refining high-purity hydrogen by separating and filtering the intermediate refined products.

用于水电解应用的选择性隔膜及其制造方法

NºPublicación:  CN120981607A 18/11/2025
Solicitante: 
科慕埃弗西有限公司
CN_120981607_PA

Resumen de: WO2024191979A1

A selective separator is described that comprises a porous polymeric separator and selective material on at least one outer surface. Selective material comprising a composite of ion exchange polymer and zirconium oxide particles (ZrO2) distributed throughout the ion exchange polymer may be applied as a liquid by a spray coating method. Selective separators made by methods described herein are suitable for use in alkaline water electrolysis applications.

수소 생성을 위한 알칼리 수전해용 막전극, 이의 제조방법 및 전해조

NºPublicación:  KR20250161623A 17/11/2025
Solicitante: 
차이나에너지인베스트먼트코포레이션리미디트내셔널인스티튜트오브클린앤로우카본에너지
WO_2024193079_PA

Resumen de: WO2024193079A1

The present invention provides a membrane electrode for alkaline water electrolysis for hydrogen production and a preparation method therefor, and an electrolytic cell. According to the preparation method provided by the present invention, a membrane electrode having catalyst layers uniformly and firmly attached to the surfaces of a membrane can be obtained in a direct coating and hot-pressing mode, the membrane electrode can be endowed with good stability, and the obtained membrane electrode has a remarkably reduced water electrolysis overpotential. The preparation method comprises the following steps: directly applying a catalyst slurry on the surfaces of two sides of a membrane, and drying and hot-pressing the catalyst slurry to respectively form catalyst layers on the surfaces of the two sides of the membrane to obtain the membrane electrode. The membrane is selected from a porous membrane or an alkaline anion exchange membrane; the catalyst slurry comprises a binder solution and a catalyst, wherein the binder solution is one or more of a perfluorosulfonic acid resin solution and a perfluorosulfonic acid ionomer dispersion, and the mass concentration of the binder solution is 5-30%; and the mass ratio of the binder solution to the catalyst is 1:1 to 4:1.

Alkaline electrolyzer generating hydrogen and oxygen at pressures up to 250 bar

NºPublicación:  PL448572A1 17/11/2025
Solicitante: 
INST TECHNIKI GORNICZEJ KOMAG [PL]
DEBITA GRZEGORZ [PL]
SIERPOWSKI KORNELIUSZ [PL]
INSTYTUT TECHNIKI G\u00D3RNICZEJ KOMAG,
DEBITA GRZEGORZ,
SIERPOWSKI KORNELIUSZ
PL_448572_A1

Resumen de: PL448572A1

Przedmiotem zgłoszenia jest wysokociśnieniowy elektrolizer alkaliczny do produkcji wodoru i tlenu o ciśnieniu do 250 bar, na drodze procesu elektrolizy wody, po doprowadzeniu do anody i katody (elektrody) potencjału elektrycznego, a oba gazy są separowane pod wysokim ciśnieniem. Elektrolizer alkaliczny generujący wodór i tlen o ciśnieniu do 250 bar zbudowany z dwóch pokryw (2) zamykających konstrukcję elektrolizera z obu stron, zespołu ułożonych szeregowo elektrod bipolarnych (1), zespołu membran (3), gdzie pomiędzy każdymi sąsiadującymi ze sobą elektrodami bipolarnymi (1) umieszczona jest membrana (3) dzieląca przestrzeń pomiędzy elektrodami (1) na przestrzeń anodową i katodową elektrolizera i przestrzenie pomiędzy membraną (3) a sąsiadującymi elektrodami bipolarnymi (1) wypełnione są na obwodzie elektrod bipolarnych (1) wkładkami uszczelniającymi z materiału nieprzewodzącego (4), a membrana (3) uszczelniona jest między dociśniętymi do niej z obu stron wkładkami uszczelniającymi z materiału nieprzewodzącego (4).

Procédé de préparation d’une électrode activée électrochimiquement à base de MoS2 fluoré pour des réactions de réduction électrochimique

NºPublicación:  FR3162052A1 14/11/2025
Solicitante: 
IFP ENERGIES NOW [FR]
IFP ENERGIES NOUVELLES
FR_3162052_A1

Resumen de: FR3162052A1

Procédé de préparation d’une électrode activée électrochimiquement pour des réactions de réduction électrochimique, ladite électrode comprenant au moins un matériau catalytique à base d’au moins un métal du groupe VIB fluoré, ledit procédé consiste à réaliser un traitement électrochimique oxydatif à une électrode comprenant au moins un matériau catalytique à base d’au moins un métal du groupe VIB fluoré.

アンモニア分解用触媒及びこの製造方法

NºPublicación:  JP2025537382A 14/11/2025
Solicitante: 
ポスコホールディングスインコーポレーティッド
JP_2025537382_PA

Resumen de: CN120418004A

The present invention relates to an ammonia decomposition catalyst and a method for producing the same, and more particularly, to an ammonia decomposition catalyst comprising alumina (Al2O3), cerium (Ce), lanthanum (La), ruthenium (Ru), and potassium (K), and a method for producing the same.

電解フィルム

NºPublicación:  JP2025537164A 14/11/2025
Solicitante: 
セラニーズ・インターナショナル・コーポレーション
JP_2025537164_PA

Resumen de: CN120530521A

Disclosed is a hydrophilic porous polymer membrane which is particularly suitable for use in electrolytic cells for producing hydrogen. The porous polymer membranes contain one or more high density polyethylene polymers in combination with one or more hydrophilic additives. The porous membrane may be formed by a gel extrusion process or sintering. Extremely thin membranes having desired permeability characteristics, hydrophilic characteristics, and mechanical characteristics required for use in batteries can be produced.

水素及び一酸化炭素の電気化学的同時生成

NºPublicación:  JP2025537354A 14/11/2025
Solicitante: 
ユティリティ・グローバル・インコーポレイテッド
JP_2025537354_PA

Resumen de: CN120167017A

A process for co-production of carbon monoxide and hydrogen is discussed herein, the process comprising: (a) providing an electrochemical reactor having an anode, a cathode, and a hybrid conductive membrane positioned between the anode and the cathode; (b) introducing a first stream into the anode, wherein the first stream comprises a fuel; (c) introducing a second stream into the cathode wherein the second stream comprises carbon dioxide and water wherein carbon monoxide is electrochemically generated from carbon dioxide and hydrogen is electrochemically generated from water. In an embodiment, the anode and the cathode are separated by the membrane, and both are exposed to a reducing environment during the entire operating time.

수전해 응용을 위한 선택적 분리막 및 그 제조 방법

NºPublicación:  KR20250160976A 14/11/2025
Solicitante: 
더케무어스컴퍼니에프씨엘엘씨
KR_20250160976_PA

Resumen de: WO2024191979A1

A selective separator is described that comprises a porous polymeric separator and selective material on at least one outer surface. Selective material comprising a composite of ion exchange polymer and zirconium oxide particles (ZrO2) distributed throughout the ion exchange polymer may be applied as a liquid by a spray coating method. Selective separators made by methods described herein are suitable for use in alkaline water electrolysis applications.

水含有酸素含有流を圧縮する方法

NºPublicación:  JP2025537387A 14/11/2025
Solicitante: 
シエル・インターナシヨネイル・リサーチ・マーチヤツピイ・ベー・ウイ
JP_2025537387_PA

Resumen de: CN120265887A

The invention provides a method of compressing an aqueous oxygen-containing stream originating from an electrolysis cell, the method comprising at least the steps of: (a) providing an aqueous oxygen-containing stream (10); (b) combining the aqueous oxygen-containing stream (10) provided in step (a) as a suction fluid with an aqueous stream (20) as a motive fluid in an ejector (2), thereby obtaining a combined stream; (c) flashing the combined stream through the ejector (2), thereby obtaining a two-phase fluid (30) exiting the ejector (2); (d) separating the two-phase fluid (30) exiting the injector (2) into an oxygen-containing gas stream (40) and a liquid stream (50); (e) pressurizing the liquid stream (40) obtained in step (d), thereby obtaining a pressurized liquid stream; (f) using the pressurized liquid stream obtained in step (e) as the motive fluid (20) in step (b); (g) dehydrogenating the oxygen-containing gas stream (40) obtained in step (d), thereby obtaining a dehydrogenated oxygen-containing stream (70); (h) dewatering the dehydrogenated oxygen-containing stream (70) obtained in step (g), thereby obtaining a dewatered dehydrogenated oxygen-containing stream (80); (i) compressing the dehydrated and dehydrogenated oxygen-containing stream (80) obtained in step (h), thereby obtaining a compressed oxygen-containing stream (90); and (j) using the compressed oxygen-containing stream (90) obtained in step (i), in particular in a gasifier (9).

AEM电解槽

NºPublicación:  CN120945395A 14/11/2025
Solicitante: 
苏州莒纳新材料科技有限公司上海莒纳新材料科技有限公司
CN_120945395_PA

Resumen de: CN115948757A

The invention provides an electrolytic bath which comprises a cathode end plate, a cathode insulating layer, an electrolytic unit, an anode insulating layer and an anode end plate which are sequentially arranged in the same direction, each small electrolysis chamber comprises a cathode plate, a cathode sealing ring, a cathode gas diffusion layer, a diaphragm, an anode gas diffusion layer and an anode plate which are sequentially arranged in the same direction, the cathode plate and the anode plate at the series connection part between the small electrolysis chambers are combined to form a bipolar plate, the cathode plate comprises a cathode surface, the anode plate comprises an anode surface, and the bipolar plate comprises a cathode surface and an anode surface; a concave area and an outer frame area are arranged on the cathode surface and the anode surface, the outer frame area is arranged around the concave area, a plurality of raised lines are arranged in the concave area, a diversion trench is formed between the raised lines, confluence trenches are arranged in the concave area at two ends of the diversion trench, and the confluence trenches are communicated with the diversion trench. According to the scheme, uniform diffusion of the electrolyte is realized.

酸素の製造方法

NºPublicación:  JP2025169505A 14/11/2025
Solicitante: 
国立大学法人山口大学
JP_2025169505_PA

Resumen de: JP2025169505A

【課題】本発明の課題は、塩化物イオンを含む水の電解において塩化物イオンの酸化を抑制して酸素を製造できる酸素の製造方法を提供することである。【解決手段】酸化ルテニウム(IV)又は酸化イリジウム(IV)を含む酸素発生反応用触媒を担持した電極を陽極に使用して、塩化物イオンを含む水を電解することにより酸素を製造する酸素の製造方法であって、前記塩化物イオンを含む水の温度を30℃以上にして前記電解を行う酸素の製造方法。【選択図】図3

水素の製造方法

NºPublicación:  JP2025169754A 14/11/2025
Solicitante: 
マイクロ波化学株式会社
JP_2025169754_A

Resumen de: JP2025169754A

【課題】水から水素を効率的に製造する新たな方法を提供する。【解決手段】本発明の製造方法は、還元剤を加えた水に電磁波を照射して、水素を発生する、水素の製造方法である。【選択図】なし

Bipolar plate with a speed bump flow field that facilitates oxygen discharge

NºPublicación:  KR20250160699A 14/11/2025
Solicitante: 
서울시립대학교산학협력단
KR_20250160699_PA

Resumen de: KR20250160699A

바이폴라 플레이트가 제공된다. 상기 바이폴라 플레이트는 유로가 형성된 판부;를 포함하고, 상기 유로에는 스피드 범프(speed bump)가 형성될 수 있다. 상기 유로는 양이온 교환막(PEM, Proton Exchange Membrane) 또는 막전극접합체(MEA, Membrane Electrode Assembly)에 대면하는 상기 판부의 일면에 트렌치(trench) 형상으로 형성될 수 있다. 상기 유로의 내측벽과 바닥면 중 적어도 하나로부터 돌출된 돌출부가 마련될 수 있다.

Procédé de préparation d’une couche active d’électrode à base de MoS2 fluoré pour des réactions de réduction électrochimique

NºPublicación:  FR3162008A1 14/11/2025
Solicitante: 
IFP ENERGIES NOW [FR]
IFP ENERGIES NOUVELLES
FR_3162008_A1

Resumen de: FR3162008A1

Procédé de préparation d’un matériau catalytique d’une électrode pour des réactions de réduction électrochimique, ledit matériau catalytique comprenant une phase active à base d’au moins un métal du groupe VIB et de fluor. Ledit procédé consiste en la mise en contact d’un matériau solide à base d’au moins un métal du groupe VIB sulfuré avec un gaz comprenant au moins du difluor, à une température comprise entre -50°C et 150°C, une durée comprise entre 15 secondes et 120 minutes, une concentration en difluor dans le gaz comprise entre 0,1 et 100% volume par rapport au volume total dudit gaz, une pression comprise 0,001 et 0,2 MPa, une P.P.H comprise entre 0,01 et 200 h-1.

Procédé de préparation d’une électrode activée électrochimiquement à base de MoS2 supporté pour des réactions de réduction électrochimique

NºPublicación:  FR3162053A1 14/11/2025
Solicitante: 
IFP ENERGIES NOW [FR]
IFP ENERGIES NOUVELLES
FR_3162053_A1

Resumen de: FR3162053A1

Procédé de préparation d’une électrode activée électrochimiquement pour des réactions de réduction électrochimique, ladite électrode comprenant au moins un matériau catalytique à base d’au moins un métal du groupe VIB supporté sur un support électro conducteur, ledit procédé consiste à réaliser un traitement électrochimique à une électrode comprenant au moins un matériau catalytique à base d’au moins un métal du groupe VIB supporté sur un support électroconducteur. Ledit traitement électrochimique, réalisé par voltampérométrie cyclique (CV) ou chronoampérométrie (CA), consiste en une étape d’oxydation dans des conditions spécifiques.

电化学系统

NºPublicación:  CN120945394A 14/11/2025
Solicitante: 
现代自动车株式会社起亚株式会社
CN_120945394_PA

Resumen de: US2025354272A1

Provided is an electrochemical system comprising a water electrolysis stack with an anode and a cathode. The system includes a reaction fluid supply line that supplies a reaction fluid to the anode, a first gas-liquid separator located in the reaction fluid supply line to separate the reaction fluid into gaseous and liquid components, and a first filter part positioned upstream of the first gas-liquid separator to filter the reaction fluid. The system further includes a first circulation line that circulates the liquid reaction fluid from the anode back to the first gas-liquid separator. Additionally, a second gas-liquid separator in a discharged fluid discharge line is connected to the cathode, with a second circulation line configured to maintain the ionic purity of the discharged fluid. The system also includes a mechanism to monitor ionic conductivity and selectively control the operation of the water electrolysis stack based on detected ionic levels.

低カーボンフットプリントで高級炭化水素を生成する方法

NºPublicación:  JP2025537074A 14/11/2025
Solicitante: 
ポールワースエス.アー.
JP_2025537074_PA

Resumen de: AU2023366329A1

A method for producing higher hydrocarbons in a Fischer-Tropsch (FT) reactor by recycling a FT tail-gas comprising: feeding the FT reactor with a dry syngas to form liquid hydrocarbons and the FT tail-gas, wherein the dry syngas is obtained by a Reverse Water-Gas Shift (RWGS) reaction of a stream of CO

HYDROGEN ECOSYSTEM FOR UPSTREAM OIL PRODUCTION

NºPublicación:  WO2025235123A2 13/11/2025
Solicitante: 
CONOCOPHILLIPS CO [US]
CONOCOPHILLIPS COMPANY
WO_2025235123_A2

Resumen de: WO2025235123A2

A hydrogen ecosystem for producing oil and gas is described, where land local to an oil field hosts each of the following components: one or more producing oil wells, one or more non -producing oil wells, and optionally one or more new wells; a wind farm or a solar farm, or both, for generating electricity; said wind farm or a solar farm, or both, electrically connected to an electrolyzer for converting water to hydrogen; said electrolyzer fluidly connected to a compressor for producing compressed hydrogen; said compressor fluidly connected to a high pressure injection line for injecting said compressed hydrogen into a hydrogen storage well (HSW), said hydrogen storage well being a non-producing well that has been plugged and fitted for hydrogen storage; said HSW fluidly connected to a pressure reducing regulator for producing uncompressed hydrogen; said pressure reducing regulator fluidly connected to a pipeline for delivering said uncompressed hydrogen to a hydrogen power unit for converting said uncompressed hydrogen to electricity; said electricity electrically connected to oil production equipment for producing hydrocarbons from said oil field.

TITANIUM ALLOY BIPOLAR PLATE WITH HIGH PITTING POTENTIAL AND LOW RESISTIVITY AND PREPARATION METHOD THEREFOR

NºPublicación:  WO2025231966A1 13/11/2025
Solicitante: 
ANSTEEL BEIJING RES INSTITUTE CO LTD [CN]
ANGANG STEEL COMPANY LTD [CN]
\u978D\u94A2\u96C6\u56E2\u5317\u4EAC\u7814\u7A76\u9662\u6709\u9650\u516C\u53F8,
\u978D\u94A2\u80A1\u4EFD\u6709\u9650\u516C\u53F8
WO_2025231966_A1

Resumen de: WO2025231966A1

Disclosed in the present invention are a titanium alloy bipolar plate with a high pitting potential and a low resistivity and a preparation method therefor. The titanium alloy bipolar plate comprises the following components in percentages by mass: 3.0-5.0% of Mo, 0.1-0.3% of Ni, 0.005-0.05% of Ru and the balance being Ti, and the total content of impurity elements (Fe, O, C, N and H) does not exceed 0.01%. According to the titanium alloy bipolar plate of the present invention, on the basis of meeting the electrical conductivity requirement, the pitting potential of the titanium alloy bipolar plate can be improved, such that the problems of a relatively poor corrosion resistance and a low hydrogen production efficiency caused due to the relatively low pitting potential of the titanium alloy bipolar plate in a service environment of a water electrolysis hydrogen production electrolytic bath are fundamentally solved.

ELECTRICALLY ISOLATED ELECTROCHEMICAL CELL AND METHOD OF MANUFACTURING THE SAME

NºPublicación:  WO2025235885A1 13/11/2025
Solicitante: 
EVOLOH INC [US]
EVOLOH, INC
WO_2025235885_PA

Resumen de: WO2025235885A1

The present application relates to components for use in an electrolysis cell and/or stack comprising features, geometry, and materials to overcome prior art limitations related to cell electrical isolation, fluid sealing, and high speed manufacturing. The electrolysis cell comprises a membrane, an anode, a cathode, an anode flow field, a cathode flow field, and a bipolar plate assembly comprising an embedded hydrogen seal and both conductive and non-conductive areas. The components are cut using two-dimensional patterns from substantially flat raw materials capable of being sourced in roll form. These substantially two-dimensional components are processed to create a fully unitized, three- dimensional electrolysis cell with a hermetically sealed cathode chamber.

ALUMINUM-WATER-AIR-REACTOR (AWAR) DEVICES AND SYSTEMS, AND METHODS OF USE THEREOF

NºPublicación:  WO2025235887A1 13/11/2025
Solicitante: 
FOUND ENERGY CO [US]
FOUND ENERGY CO
WO_2025235887_PA

Resumen de: WO2025235887A1

Provided herein are methods and systems for collecting energy from aluminum-water reactions and/or powering processes using energy collected from aluminum-water reactions. The methods and systems described herein substantially convert the embodied energy of aluminum to usable energy, in part, by combusting hydrogen produced by the aluminum-water reaction in the generation of superheated steam.

GAS PRODUCTION SYSTEMS

NºPublicación:  WO2025235469A1 13/11/2025
Solicitante: 
CUMMINS EMISSION SOLUTIONS INC [US]
CUMMINS EMISSION SOLUTIONS INC
WO_2025235469_PA

Resumen de: WO2025235469A1

A gas production system includes an electrolyzer configured to provide an electrolysis gas including a mixture of hydrogen gas and oxygen gas. The gas production system includes a housing having a housing inlet configured to receive the electrolysis gas from the electrolyzer. The gas production system includes a catalyst member disposed in the housing. The catalyst member includes a first catalyst bed configured to receive the electrolysis gas from the housing inlet. The first catalyst bed includes a first catalyst material. The catalyst member includes a second catalyst bed separated from the housing inlet by the first catalyst bed and configured to receive the electrolysis gas from the first catalyst bed. The second catalyst bed includes a second catalyst material different from the first catalyst material.

AEM ELECTROLYZER WITH STRUCTURAL GASKETS

NºPublicación:  WO2025233816A1 13/11/2025
Solicitante: 
NE M E SYS SRL [IT]
NE.M.E.SYS. SRL
WO_2025233816_PA

Resumen de: WO2025233816A1

An AEM electrolyzer comprises structural end elements (20, 30) and an electrolytic structure (22) comprising a plurality of electrolytic cells (40) to which respective gasket assemblies (50) completely made of elastomeric material are associated and in which portions of anode side inlet channels (23) and outlet channels (24) and of cathode side inlet channels (25) and outlet channels (26) are obtained, while a pressurisable chamber is obtained between at least one of the end elements (20, 30) and the electrolytic structure (22) to compensate for the gas pressure in the electrolytic structure itself. An AEM electrolyzer is obtained with reduced production costs and high electrical efficiency.

AEM ELECTROLYZER WITH CONTACT FORCES STABILIZATION SYSTEM

NºPublicación:  WO2025233819A1 13/11/2025
Solicitante: 
NE M E SYS SRL [IT]
NE.M.E.SYS. SRL
WO_2025233819_PA

Resumen de: WO2025233819A1

An AEM electrolyzer comprises end structural elements (20, 30) and an electrolytic structure (22) comprising a plurality of electrolytic cells (40) to which are associated respective structural support and sealing assemblies (50) completely made of elastomeric material and in which are obtained portions of anode side inlet channels (23) and outlet channels (24) and of cathode side inlet channels (25) and outlet channels (26), while a pressurizable chamber is obtained between at least one of the end elements (20, 30) and the electrolytic structure (22) to compensate the gas pressure in the electrolytic structure itself. An AEM electrolyzer is obtained with reduced production costs and high electrical efficiency.

HYDROGEN GENERATION

NºPublicación:  WO2025233484A1 13/11/2025
Solicitante: 
ORIGIN21 LTD [GB]
ORIGIN21 LTD
WO_2025233484_PA

Resumen de: WO2025233484A1

An apparatus (1) for generating hydrogen, the apparatus (1) comprising a housing (10) containing a first electrode (11) and a second electrode (12), each of the first electrode (11) and second electrode (12) being for submersion within water located within the housing (10), the first electrode (11) surrounding the second electrode (12), wherein the first electrode (11) is of cylindrical form and the second electrode (12) is of at least part-conical or frusto-conical form.

METHOD FOR PRODUCING CATALYST

NºPublicación:  WO2025234874A1 13/11/2025
Solicitante: 
PETROLIAM NASIONAL BERHAD PETRONAS [MY]
UNIV KEBANGSAAN MALAYSIA [MY]
PETROLIAM NASIONAL BERHAD (PETRONAS),
UNIVERSITI KEBANGSAAN MALAYSIA
WO_2025234874_PA

Resumen de: WO2025234874A1

The invention relates to a method for producing a catalyst, in particular for use in water electrolysis. The catalyst prepared from nickel, iron and/or cobalt precursors via hydrothermal synthesis is utilised in the membrane electrode assembly for anion exchange membrane water electrolysis.

SYSTEM AND METHOD FOR USING BOILER HOT FLUE GAS TO DECOMPOSE HYDROGEN IODIDE

NºPublicación:  WO2025232928A1 13/11/2025
Solicitante: 
HUANENG CHONGQING LUOHUANG POWER GENERATION CO LTD [CN]
XIAN THERMAL POWER RES INSTITUTE CO LTD [CN]
\u534E\u80FD\u91CD\u5E86\u73DE\u749C\u53D1\u7535\u6709\u9650\u8D23\u4EFB\u516C\u53F8,
\u897F\u5B89\u70ED\u5DE5\u7814\u7A76\u9662\u6709\u9650\u516C\u53F8
WO_2025232928_PA

Resumen de: WO2025232928A1

Disclosed in the present invention are a system and method for using boiler hot flue gas to decompose hydrogen iodide. The system comprises a mixed liquid container, a mixed liquid pump, a pump outlet regulating valve, a boiler high-temperature flue gas zone and a temperature control valve, wherein an outlet of the mixed liquid container is connected to an inlet of the mixed liquid pump; an outlet of the mixed liquid pump is connected to an inlet of the pump outlet regulating valve; an outlet of the pump outlet regulating valve is connected to an inlet of the boiler high-temperature flue gas zone; and an outlet of the boiler high-temperature flue gas zone is connected to an inlet of the temperature control valve. In the present invention, heat is obtained from flue gas from a power station boiler; it is only necessary to place a hydrogen iodide heating device in a high-temperature zone of a furnace of the boiler, and two sides of the hydrogen iodide heating device are at low pressure, thereby greatly improving the safety; in addition, obtaining heat directly from the flue gas is more economical than obtaining heat via steam and electric energy.

LOW-HYDROGEN-PERMEABILITY PROTON EXCHANGE MEMBRANE, AND PREPARATION METHOD THEREFOR AND USE THEREOF

NºPublicación:  WO2025232473A1 13/11/2025
Solicitante: 
SHANDONG DONGYUE FUTURE HYDROGEN ENERGY MAT CO LTD [CN]
\u5C71\u4E1C\u4E1C\u5CB3\u672A\u6765\u6C22\u80FD\u6750\u6599\u80A1\u4EFD\u6709\u9650\u516C\u53F8
WO_2025232473_PA

Resumen de: WO2025232473A1

The present invention relates to the technical field of the electrolysis of water, and specifically relates to a low-hydrogen-permeability proton exchange membrane, and a preparation method therefor and the use thereof. The proton exchange membrane comprises a Pt-containing additive layer and a matrix membrane, wherein the Pt-containing additive layer is composed of a Pt additive and a fluorine-containing proton exchange resin, the Pt-containing additive layer comprises an array layer and a flattening layer, the thickness ratio and the active-component ratio of the array layer to the flattening layer are respectively within the ranges of 1:(0.5-30) and 1:(1-50), and the array layer is composed of arrays arranged in order and an array layer resin coating the arrays. In the low-hydrogen-permeability proton exchange membrane provided by the present invention, by providing the Pt-containing additive layer consisting of the array layer and the flattening layer, the specific surface area of the Pt-containing additive layer is effectively increased by means of the arrays in the array layer, thereby achieving the efficient utilization of an additive; moreover, the hydrogen permeability improvement effect is further improved by controlling the thickness ratio and the active-component ratio of the array layer to the flattening layer and the parameters of the arrays.

ELECTROCHEMICAL CELL WITH NIO ELECTRODE

NºPublicación:  US2025347010A1 13/11/2025
Solicitante: 
KING FAHD UNIV OF PETROLEUM AND MINERALS [SA]
KING FAHD UNIVERSITY OF PETROLEUM AND MINERALS
US_2025034732_PA

Resumen de: US2025347010A1

A method of making NiO nanoparticles is described, as well as a method of using NiO nanoparticles as an electrocatalyst component to a porous carbon electrode. The carbon electrode may be made of carbonized filter paper. Together, this carbon-supported NiO electrode may be used for water electrolysis. Using a pamoic acid salt in the NiO nanoparticle synthesis leads to smaller and monodisperse nanoparticles, which support higher current densities.

A TRANSITION METAL-DOPED IRIDIUM-BASED COMPOSITE CATALYST AND ITS PREPARATION AND USE

NºPublicación:  US2025347009A1 13/11/2025
Solicitante: 
CHINA PETROLEUM & CHEM CORP [CN]
SINOPEC RES INSTITUTE OF PETROLEUM PROCESSING CO LTD [CN]
CHINA PETROLEUM & CHEMICAL CORPORATION,
SINOPEC RESEARCH INSTITUTE OF PETROLEUM PROCESSING CO., LTD
JP_2025514283_PA

Resumen de: US2025347009A1

Disclosed are a transition metal-doped iridium-based composite catalyst and its preparation and use. The catalyst is essentially composed of amorphous oxides of iridium and a transition metal. The transition metal is selected from a metal of Group IVB, a metal of Group VB or a combination thereof. In terms of moles, the ratio of the content of iridium to the content of the transition metal in the catalyst is (0.4-0.7):(0.3-0.6). In the XRD spectrum of the catalyst, there is no diffraction peak corresponding to Iridium oxide in rutile phase. There is no diffraction peak corresponding to the crystalline phase of the oxide of the transition metal. The catalyst is in the form of a nano powder, has a uniform bulk structure, high catalytic activity and low usage amount of the precious metal iridium, and has excellent performance when applied to the anode of a proton exchange membrane water electrolyzer.

HYDROGEN ECOSYSTEM FOR UPSTREAM OIL PRODUCTION

NºPublicación:  US2025347210A1 13/11/2025
Solicitante: 
CONOCOPHILLIPS COMPANY [US]
CONOCOPHILLIPS COMPANY

Resumen de: US2025347210A1

A hydrogen ecosystem for producing oil and gas is described, where land local to an oil field hosts each of the following components: one or more producing oil wells, one or more non-producing oil wells, and optionally one or more new wells; a wind farm or a solar farm, or both, for generating electricity; said wind farm or a solar farm, or both, electrically connected to an electrolyzer for converting water to hydrogen; said electrolyzer fluidly connected to a compressor for producing compressed hydrogen; said compressor fluidly connected to a high pressure injection line for injecting said compressed hydrogen into a hydrogen storage well (HSW), said hydrogen storage well being a non-producing well that has been plugged and fitted for hydrogen storage; said HSW fluidly connected to a pressure reducing regulator for producing uncompressed hydrogen; said pressure reducing regulator fluidly connected to a pipeline for delivering said uncompressed hydrogen to a hydrogen power unit for converting said uncompressed hydrogen to electricity; said electricity electrically connected to oil production equipment for producing hydrocarbons from said oil field.

Green Hydrogen for the Generation of Electricity and Other Uses

NºPublicación:  US2025347235A1 13/11/2025
Solicitante: 
SKLAR ALFRED [US]
Sklar Alfred
WO_2023225066_PA

Resumen de: US2025347235A1

The disclosure provides systems and′methods for generating electricity, while using a portion of the generated electricity and/or thermal energy (heat) for producing green hydrogen through the electrolysis of water. Using this protocol, a first round of electricity can be generated at a combustion device, i.e., a combustion turbine unit, and the excess thermal energy (heat) generated can be used to generate a second round of electricity, in order to evacuate any contaminating gases from either the first round or the second round of electrical power generation, the contaminating gases are made to flow through a chimney stack and dispersed into the environment.

BIMETALLIC RUTHENIUM-COBALT ALLOY ELECTROCATALYST FOR HYDROGEN PRODUCTION

NºPublicación:  US2025347011A1 13/11/2025
Solicitante: 
UNIV KING FAHD PET & MINERALS [SA]
KING FAHD UNIVERSITY OF PETROLEUM AND MINERALS

Resumen de: US2025347011A1

An electrode includes a bimetallic ruthenium-cobalt (RuCo) alloy electrocatalyst having a metallic substrate and a layer of a RuCo alloy at least partially covering the surface of the metallic substrate. The layer of the RuCo alloy includes spherical-shaped particles having an average particle size of 0.5 to 5 micrometers (μm). The electrode can be used for electrochemical water splitting applications to generate hydrogen and water.

GENERATING HYDROGEN FROM REFINERY WASTE AND CONSUMER WASTE PLASTIC FOR SUPPLY TO HYDROPROCESSING

NºPublicación:  US2025346818A1 13/11/2025
Solicitante: 
SAUDI ARABIAN OIL COMPANY [SA]
Saudi Arabian Oil Company

Resumen de: US2025346818A1

Electrical power derived from a renewable energy source is used to perform electrolysis of water to produce oxygen and hydrogen. A feed stream includes consumer waste plastics, a waste stream from a hydrocarbon refinery, or both. The feed stream is partially oxidized to produce syngas. At least a portion of the carbon monoxide of the syngas is reacted with water to produce additional carbon dioxide and hydrogen. A hydrocarbon feed stream is hydroprocessed using at least a portion of the hydrogen generated by electrolysis and at least a portion of the hydrogen from the syngas to produce a hydroprocessing product stream including a saturated hydrocarbon. At least a portion of the carbon dioxide of the syngas is hydrogenated using at least a portion of the hydrogen generated by electrolysis to produce a product stream including a hydrocarbon, an oxygenate, or both.

Catalysts and processes for the direct production of liquid fuels from carbon dioxide and hydrogen

NºPublicación:  US2025346542A1 13/11/2025
Solicitante: 
INFINIUM TECH LLC [US]
Infinium Technology, LLC
AU_2025202662_A1

Resumen de: US2025346542A1

Embodiments of the present invention relates to two improved catalysts and associated processes that directly converts carbon dioxide and hydrogen to liquid fuels. The catalytic converter is comprised of two catalysts in series that are operated at the same pressures to directly produce synthetic liquid fuels or synthetic natural gas. The carbon conversion efficiency for CO2 to liquid fuels is greater than 45%. The fuel is distilled into a premium diesel fuels (approximately 70 volume %) and naphtha (approximately 30 volume %) which are used directly as “drop-in” fuels without requiring any further processing. Any light hydrocarbons that are present with the carbon dioxide are also converted directly to fuels. This process is directly, applicable to the conversion of CO2 collected from ethanol plants, cement plants, power plants, biogas, carbon dioxide/hydrocarbon mixtures from secondary oil recovery, and other carbon dioxide/hydrocarbon streams. The catalyst system is durable, efficient and maintains a relatively constant level of fuel productivity over long periods of time without requiring re-activation or replacement.

PRODUCTION APPARATUS AND METHOD FOR HIGH PURITY HYDROGEN

NºPublicación:  US2025346486A1 13/11/2025
Solicitante: 
KOREA INST ENERGY RES [KR]
KOREA INSTITUTE OF ENERGY RESEARCH

Resumen de: US2025346486A1

An embodiment of the present disclosure provides a production apparatus for high purity hydrogen, the production apparatus including: a decomposition reaction unit configured to decompose ammonia through ammonia decomposition reaction and discharge reaction products including hydrogen and nitrogen produced from the ammonia decomposition reaction and non-reacting ammonia; an adsorption refinement unit configured to discharge intermediate refined products by separating or removing ammonia from the reaction products; and a hydrogen separation membrane configured to discharge a high-purity hydrogen product by refining high-purity hydrogen by separating and filtering the intermediate refined products.

PHOTOCATALYTIC SPLITTING OF WATER

NºPublicación:  US2025346485A1 13/11/2025
Solicitante: 
OXFORD UNIV INNOVATION LIMITED [GB]
Oxford University Innovation Limited
MX_2024000922_A

Resumen de: US2025346485A1

Photocatalytic water-splitting processes are described using an aqueous solution of at least one neutral salt, where the process is conducted at a temperature of 200-400° C. When compared with conventional photocatalytic water-splitting processes, the processes of the invention give rise to notably increased activity and quantum efficiency.

HYDROPROCESSING FOR PRODUCING CLEAN FUELS AND CHEMICALS WITH REDUCED CARBON FOOTPRINT

NºPublicación:  US2025346544A1 13/11/2025
Solicitante: 
SAUDI ARABIAN OIL COMPANY [SA]
Saudi Arabian Oil Company

Resumen de: US2025346544A1

Electrical power derived from a renewable energy source is used to perform water electrolysis to produce oxygen and hydrogen. A flue gas and heat are produced from combustion of a fuel using at least a portion of the oxygen generated by electrolysis. A feed stream including hydrocarbon oil is hydroprocessed using the generated heat and at least a portion of the hydrogen generated by electrolysis to produce a product including a saturated hydrocarbon. At least a portion of the flue gas is hydrogenated using at least a portion of the hydrogen generated by electrolysis to produce a second product stream including a hydrocarbon, an oxygenate, or both.

CATALYST FOR AMMONIA DECOMPOSITION REACTION, METHOD FOR PREPARING SAME, AND METHOD FOR PRODUCING HYDROGEN BY USING SAME

NºPublicación:  US2025345783A1 13/11/2025
Solicitante: 
KOREA RESEARCH INSTITUTE OF CHEMICAL TECH [KR]
Korea Research Institute of Chemical Technology
JP_2025533632_PA

Resumen de: US2025345783A1

The present invention relates to a catalyst for an ammonia decomposition reaction, a method for preparing same, and a method for producing hydrogen by using same. More specifically, the present invention relates to a method for preparing a catalyst for an ammonia decomposition reaction, which economically and efficiently supports highly active ruthenium on a lanthanum-cerium composite oxide support, thereby preparing a catalyst that exhibits a higher ammonia conversion rate than conventional catalysts for an ammonia decomposition reaction, to a catalyst for an ammonia decomposition reaction prepared by the same method, and a method for producing hydrogen by using the same.

METHOD OF PRODUCING A HYDROGEN STREAM AND AN OXYGEN STREAM AND PASSING THE HYDROGEN STREAM AND THE OXYGEN STREAM TO A REVERSE WATER-GAS SHIFT REACTOR

NºPublicación:  AU2024285985A1 13/11/2025
Solicitante: 
JOHNSON MATTHEY DAVY TECH LIMITED
JOHNSON MATTHEY DAVY TECHNOLOGIES LIMITED
AU_2024285985_PA

Resumen de: AU2024285985A1

A method of producing a hydrogen stream and an oxygen stream and passing the hydrogen stream and the oxygen stream to a reverse water-gas shift reactor is described, the method comprising: providing a water stream to an electrolysis system configured to form: a hydrogen stream at a first pressure, and an oxygen stream at a second pressure; passing the hydrogen stream, a carbon dioxide stream, and the oxygen stream to the reverse water-gas shift reactor, wherein the first pressure is lower than the second pressure.

Adhesive-fixed Electrolysis Module

NºPublicación:  AU2025202385A1 13/11/2025
Solicitante: 
TECHCROSS INC
TECHCROSS Inc
AU_2025202385_A1

Resumen de: AU2025202385A1

The present invention is an adhesive-fixed electrolysis module comprising a single stack, the single stack having a separator, a pair of bipolar plates, a pair of gaskets, a pair of diffusion layers, a pair of electrodes, and a cell frame, wherein the bipolar plates, the gaskets, 5 the diffusion layers, and the electrodes are sequentially arranged on the cathode and anode sides, respectively, with respect to the separator, forming a symmetrical structure, wherein the separator, the bipolar plates, the gaskets, the diffusion layers, and the electrodes are stacked in a zero-gap manner within the cell frame, and wherein the bipolar plates are adhered and fixed to the cell frame using an adhesive, thereby simplifying product assembly 10 and reducing assembly costs compared to a single stack fixing method using welding, riveting, bolting, etc. between conventional parts. The present invention is an adhesive-fixed electrolysis module comprising a single stack, the single stack having a separator, a pair of bipolar plates, a pair of gaskets, a pair of 5 diffusion layers, a pair of electrodes, and a cell frame, wherein the bipolar plates, the gaskets, the diffusion layers, and the electrodes are sequentially arranged on the cathode and anode sides, respectively, with respect to the separator, forming a symmetrical structure, wherein the separator, the bipolar plates, the gaskets, the diffusion layers, and the electrodes are stacked in a zero-gap manner within the cell frame, and wher

OXYGEN EVOLUTION REACTION CATALYST AND METHOD FOR ITS PREPARATION

NºPublicación:  AU2024276790A1 13/11/2025
Solicitante: 
JOHNSON MATTHEY PLC
JOHNSON MATTHEY PUBLIC LIMITED COMPANY
AU_2024276790_PA

Resumen de: AU2024276790A1

The specification describes a process for preparing an oxygen evolution reaction catalyst, comprising the steps of: (i) combining iridium powder and a peroxide salt to produce a powder mixture; (ii) carrying out thermal treatment on the powder mixture; (iii) dissolving the product from (ii) in water to produce a solution; (iv) reducing the pH of the solution from (iii) to affect a precipitation and form a solid and a supernatant; (v) separating the solid from the supernatant; and (vi) drying the solid. An oxygen evolution catalyst obtainable by the process is also described.

ELECTROLYTIC METHOD, ELECTROLYSIS CELL, AND SYSTEM

NºPublicación:  AU2024249829A1 13/11/2025
Solicitante: 
PHLAIR GMBH
PHLAIR GMBH
AU_2024249829_PA

Resumen de: AU2024249829A1

The invention relates to an electrolytic method for producing carbon dioxide, having the following steps: a. anodically oxidizing hydrogen gas within an electrolysis cell, an acidic oxidation product being obtained; b. reacting the acidic oxidation product with an aqueous electrolyte solution within the electrolysis cell, an acidic aqueous solution being obtained; c. cathodically reducing water within the electrolysis cell, an alkaline aqueous solution and hydrogen gas being obtained; d. reacting the alkaline aqueous solution outside of the electrolysis cell with a gas which contains carbon dioxide, wherein the gas is air in particular, in order to obtain a carbonate-containing aqueous solution; and e. reacting the carbonate-containing alkaline aqueous solution with the acidic aqueous solution outside of the electrolysis cell in order to obtain dissolved carbon dioxide gas.

HYDROGEN PLASMOLYSIS

NºPublicación:  US2025347005A1 13/11/2025
Solicitante: 
TETRONICS TECH LIMITED [GB]
Tetronics Technologies Limited
CN_119604645_PA

Resumen de: US2025347005A1

The present invention relates to a method for the combined electrolytic and thermal production of hydrogen gas, the method comprising: (i) providing a plasma treatment unit having a plasma treatment chamber comprising first and second electrodes, and a first gas outlet in fluid communication with said plasma treatment chamber; wherein a base portion of the plasma treatment chamber forms a reservoir of an aqueous electrolyte; wherein the first electrode is comprised within a plasma torch whereby the plasma torch is arranged at a distance above a surface of the reservoir; and wherein the second electrode is submerged in the aqueous electrolyte; (ii) establishing a DC electric potential between the first and second electrodes whilst providing a flow of non-oxidising ionisable gas between the first electrode and the surface of the reservoir to generate and sustain a plasma arc therebetween, thereby producing hydrogen gas in the plasma treatment chamber; and (iii) recovering the hydrogen gas via the first gas outlet. The present invention also relates to a plasma treatment unit.

METHOD FOR MAKING A POLY(TRIAMINO)PYRIMMIDINE PHOTOCATALYST PHOTOELECTRODE

NºPublicación:  US2025347014A1 13/11/2025
Solicitante: 
KING FAHD UNIV OF PETROLEUM AND MINERALS [SA]
KING FAHD UNIVERSITY OF PETROLEUM AND MINERALS
US_2023407500_PA

Resumen de: US2025347014A1

A photoelectrode includes a fluorine-doped tin oxide (FTO) substrate, and a layer of graphitic-poly(2,4,6-triaminopyrimidine) (g-PTAP) nanoflakes at least partially covering a surface of the FTO substrate. Further, the g-PTAP nanoflakes have a width of 0.1 to 5 micrometers (μm). In addition, a method for producing the photoelectrode, and a method for photocatalytic water splitting, in which the photoelectrode is used.

ELECTROLYSIS PLANT, METHOD FOR OPERATING AN ELECTROLYSIS PLANT, AND COMBINATION COMPRISING AN ELECTROLYSIS PLANT AND A WIND TURBINE

NºPublicación:  US2025347008A1 13/11/2025
Solicitante: 
SIEMENS ENERGY GLOBAL GMBH & CO KG [DE]
Siemens Energy Global GmbH & Co. KG
CN_119365633_PA

Resumen de: US2025347008A1

An electrolysis plant includes at least one electrolysis module. The electrolysis module has a plurality of series-connected electrolysis cells. A DC-capable switching device is connected electrically in parallel and has an activatable power resistor such that, in the closed state, a current path through the power resistor can be activated so as to bypass electrolysis cells and to be able to drain excess power through the power resistor. There is also described a method for operating such an electrolysis plant for separating water into hydrogen and oxygen, and to a combination with an electrolysis plant that is connected directly to a wind turbine.

ELECTRICALLY ISOLATED ELECTROCHEMICAL CELL AND METHOD OF MANUFACTURING THE SAME

NºPublicación:  US2025347015A1 13/11/2025
Solicitante: 
EVOLOH INC [US]
EvolOH, Inc
US_2025347015_PA

Resumen de: US2025347015A1

The present application relates to components for use in an electrolysis cell and/or stack comprising features, geometry, and materials to overcome prior art limitations related to cell electrical isolation, fluid sealing, and high speed manufacturing. The electrolysis cell comprises a membrane, an anode, a cathode, an anode flow field, a cathode flow field, and a bipolar plate assembly comprising an embedded hydrogen seal and both conductive and non-conductive areas. The components are cut using two-dimensional patterns from substantially flat raw materials capable of being sourced in roll form. These substantially two-dimensional components are processed to create a fully unitized, three-dimensional electrolysis cell with a hermetically sealed cathode chamber.

METHOD FOR CATALYTICALLY SPLITTING WATER

NºPublicación:  US2025347013A1 13/11/2025
Solicitante: 
KING FAHD UNIV OF PETROLEUM AND MINERALS [SA]
KING FAHD UNIVERSITY OF PETROLEUM AND MINERALS
US_2023407500_PA

Resumen de: US2025347013A1

A photoelectrode includes a fluorine-doped tin oxide (FTO) substrate, and a layer of graphitic-poly(2,4,6-triaminopyrimidine) (g-PTAP) nanoflakes at least partially covering a surface of the FTO substrate. Further, the g-PTAP nanoflakes have a width of 0.1 to 5 micrometers (μm). In addition, a method for producing the photoelectrode, and a method for photocatalytic water splitting, in which the photoelectrode is used.

MEMBRANE-FREE CHEMICAL-LOOPING CYCLIC WATER ELECTROLYSIS HYDROGEN PRODUCTION DEVICE AND METHOD BASED ON INTRINSIC SAFETY

NºPublicación:  WO2025232414A1 13/11/2025
Solicitante: 
SOUTHEAST UNIV [CN]
\u4E1C\u5357\u5927\u5B66
WO_2025232414_PA

Resumen de: WO2025232414A1

The present invention relates to a membrane-free chemical-looping cyclic water electrolysis hydrogen production device and method based on intrinsic safety. The device comprises two electrolytic cells, a normal-temperature alkali liquor buffer tank, a high-temperature alkali liquor buffer tank, an oxygen separation device, a hydrogen separation device, a storage tank, and an external power supply, wherein at least one electrolytic chamber is formed in each electrolytic cell, an anode plate and a cathode plate are provided in each electrolytic chamber, a porous partition plate is provided between the anode plate and the cathode plate, and the anode plate material contains a chemical-looping oxygen carrier. The method comprises: each electrolytic cell alternately operating in first and second working conditions, and the two electrolytic cells in the same time period being in different working conditions, so as to realize synchronous and continuous production of hydrogen and oxygen in different spaces. The first and the second working conditions are respectively as follows: under the conditions of a normal-temperature alkali liquor and circuit connection, a cathode performs electrochemical hydrogen production, and the chemical-looping oxygen carrier of an anode is oxidized into an oxidized-state chemical-looping oxygen carrier; and under the conditions of a high-temperature alkali liquor and circuit disconnection, the oxidized-state chemical-looping oxygen carrier of the anode i

REACTOR AND METHOD FOR HYDROGEN PRODUCTION FROM WASTEWATER

NºPublicación:  WO2025232351A1 13/11/2025
Solicitante: 
HUANENG CLEAN ENERGY RES INSTITUTE [CN]
HUANENG ZHANGYE ENERGY CO LTD [CN]
\u4E2D\u56FD\u534E\u80FD\u96C6\u56E2\u6E05\u6D01\u80FD\u6E90\u6280\u672F\u7814\u7A76\u9662\u6709\u9650\u516C\u53F8,
\u534E\u80FD\u5F20\u6396\u80FD\u6E90\u6709\u9650\u516C\u53F8
WO_2025232351_PA

Resumen de: WO2025232351A1

A reactor and method for hydrogen production from wastewater. The reactor for hydrogen production from wastewater comprises: an electrolytic cell (1), a gas-liquid separation assembly (2), a desorption unit (3), a first control valve, and a second control valve, wherein the electrolytic cell (1) has an electrolyte inlet (11) and an electrolyte outlet (12); the gas-liquid separation assembly (2) comprises a gas-liquid separation unit (21), the gas-liquid separation unit (21) has a separation inlet (211) and a separation outlet (212), and the separation inlet (211) is in communication with the electrolyte outlet (12); the desorption unit (3) has a liquid inlet (31), a liquid outlet (32), a carrier gas inlet (33), and a carrier gas outlet (34), the liquid inlet (31) is connected to the separation outlet (212), and the liquid outlet (32) is connected to the electrolyte inlet (11); the first control valve is connected to the separation outlet (212) to control the liquid discharge rate at the separation outlet (212); and the second control valve is connected to the carrier gas inlet (33) to control the gas inlet rate at the carrier gas inlet (33). In hydrogen production using the reactor, the purity can be conveniently adjusted.

WATER SPLITTING SYSTEM AND METHOD

NºPublicación:  WO2025235613A1 13/11/2025
Solicitante: 
PURDUE RESEARCH FOUNDATION [US]
PURDUE RESEARCH FOUNDATION
WO_2025235613_A1

Resumen de: WO2025235613A1

The metal organic framework (MOF)-based light-driven water-splitting system 100 includes a water oxidation catalyst 102 coupled with a MOF substance 104. In a specific example, the MOF substance 104 may include MIL-142. Fe3O nodes of the MIL-142 may absorb visible light, leading to charge separation. The water oxidation catalyst 104 includes a trans-Ru(R-tpy)(Qc)(H2O)+ scaffold. The MOF substance 104 may be coupled to a conducting support 106.

REFORMER INTEGRATED GASIFICATION FOR PRODUCING HYDROGEN

NºPublicación:  EP4647396A1 12/11/2025
Solicitante: 
TECHNIP ENERGIES FRANCE [FR]
Technip Energies France
EP_4647396_PA

Resumen de: EP4647396A1

There is described a hydrogen production system comprising: a gasification sub-system to produce a syngas stream from a biomass and/or refuse derived fuel feed stream; and a steam methane reformer (SMR) sub-system to produce an SMR syngas stream from a hydrocarbon feed, and to produce a low carbon hydrogen final product by integrating the syngas stream from the gasification sub-system and the SMR syngas stream.

COOLING SYSTEM FOR AN ELECTROCHEMICAL PLANT

NºPublicación:  EP4647532A2 12/11/2025
Solicitante: 
ELECTRIC HYDROGEN CO [US]
Electric Hydrogen Co
EP_4647532_PA

Resumen de: EP4647532A2

The present disclosure advantageously provides an improved cooling system for an electrochemical plant. The configurations disclosed herein provide advantages and improvements in a cooling system for the electrochemical plant. The cooling system advantageously cools multiple subsystems within the plant using dry coolers, thereby easing maintenance and access to various components within the plant, minimizing or reducing the amount of process piping within the plant used to cool the multiple subsystems, and reducing the complexity of the overall plant.

PLATE ASSEMBLY, ELECTROLYSER AND METHOD FOR PRODUCING A PLATE ASSEMBLY

NºPublicación:  EP4647534A1 12/11/2025
Solicitante: 
SCHAEFFLER TECHNOLOGIES AG [DE]
Schaeffler Technologies AG & Co. KG
EP_4647534_PA

Resumen de: EP4647534A1

Eine Plattenanordnung (1) eines Stapels elektrochemischer Zellen (2) umfasst ein zumindest teilweise als 3D-Druck-Element ausgebildetes Plattenelement (3), in welchem mehrere Schichten (6, 7, 8) parallel zueinander angeordnet sind, die jeweils durchbrochene, zur Durchleitung eines Fluids geeignete Strukturen aufweisen, wobei die Feinheit der Durchbrechungen (17) von Schicht (6, 7, 8) zu Schicht (6, 7, 8) variiert, und wobei ein Temperatursensor (19), der an ein Kabel (20) angeschlossen ist, welches durch mehrere der genannten Schichten (6, 7, 8) verläuft, an diejenige Schicht (8) grenzt, welche die feinsten Durchbrechungen (17) aufweist.

CATALYST FOR DECOMPOSITION OF AMMONIA, AND METHOD FOR DECOMPOSITION OF AMMONIA

NºPublicación:  EP4647161A1 12/11/2025
Solicitante: 
LG CHEMICAL LTD [KR]
LG CHEM, LTD
EP_4647161_PA

Resumen de: EP4647161A1

The present disclosure relates to a catalyst for decomposition of ammonia and a method for decomposition of ammonia.

Hydrogen charging system and method

NºPublicación:  KR20250160290A 12/11/2025
Solicitante: 
티유브이슈드코리아주식회사
KR_20250160290_PA

Resumen de: KR20250160290A

본 발명의 일 실시예에 따른 수소 충전 시스템은, 복수의 수소 튜브 트레일러에 수소를 순차적으로 충전하기 위한 수소 충전 시스템에 있어서, 외부로부터 투입되는 물을 분해하여 수소를 생성하는 수전해기; 상기 수전해기에서 생성된 수소를 일시적으로 저장하는 버퍼탱크; 상기 버퍼탱크로부터 배출되는 수소의 압력인 제1 압력값을 측정하는 제1 압력센서; 상기 버퍼탱크로부터 분기된 후 이송되는 수소를 압축시키는 압축기; 상기 압축기로부터 압축되되, 상기 수소 튜브 트레일러에 충전될 수소를 저장하는 저장탱크; 상기 버퍼탱크로부터 분기된 후 상기 압축기를 향하지 않는 수소 또는 상기 압축기에서 압축된 후 상기 저장탱크로 저장되기 전에 우회되는 수소를 내측에 수용하는 수소배관; 상기 수소배관의 내측에 수용된 수소의 압력인 제2 압력값을 측정하는 제2 압력센서; 상기 제1 압력값과 제2 압력값을 이용하여 수소의 이송방향을 제어하는 제어부; 및 상기 복수의 수소 튜브 트레일러에 수소가 충전되도록 상기 저장탱크가 일측에 배치되는 충전 스테이션;을 포함할 수 있다.

水素・酸素発生装置用の電極板、及び水素・酸素発生装置

NºPublicación:  JP2025169014A 12/11/2025
Solicitante: 
株式会社神鋼環境ソリューション
JP_2025169014_PA

Resumen de: JP2025169014A

【課題】水を満遍なく分散させることにより、局所的な温度上昇が生じにくく、水素ガス及び酸素ガスを効率よく発生させやすい水素・酸素発生装置用の電極板と、該電極板を備える水素・酸素発生装置とを提供する。【解決手段】電極板10の一端側に形成された少なくとも一つの水供給孔101aと、電極板10の他端側に形成された少なくとも一つの水排出孔101bと、少なくとも一つの水供給孔101aから供給された水が電極板10に沿って少なくとも一つの水排出孔101bへと流れる途中で通過する領域において、少なくとも一つの水供給孔101aと少なくとも一つの水排出孔101bとを結ぶ仮想直線VSLを基準として、仮想直線VSLの近くには流水に与える抵抗が大きい大抵抗部113を有し、仮想直線VSLから遠くには流水に与える抵抗が小さい小抵抗部114を有する水整流部と、を備える、水素・酸素発生装置用の電極板10である。【選択図】図3

ELECTROCHEMICAL METHOD THAT FACILITATES THE RECOVERY OF CARBON DIOXIDE FROM ALKALINE WATER BY THE ACIDIFICATION OF SUCH WATER SOURCES ALONG WITH THE CONTINUOUS HYDROGEN GAS PRODUCTION

NºPublicación:  EP4646395A1 12/11/2025
Solicitante: 
US GOV SEC NAVY [US]
THE GOVERNMENT OF THE UNITED STATES OF AMERICA, AS REPRESENTED BY THE SECRETARY OF THE NAVY
WO_2024129657_PA

Resumen de: WO2024129657A1

The present invention provides a device for carbon dioxide recovery from alkaline water using a module having at least three compartments where each compartment is separated by an electrode pair (anode and cathode) with electrochemical reactions occurring at the electrodes. The electrodes can be in a unipolar or bipolar configuration. Multiple electrochemical modules can be electrically connected in series, in parallel, or in a combination of both series and parallel. Also disclosed it the related process for recovering carbon dioxide from alkaline water.

PROCESO DE RECUPERACIÓN DE Li

NºPublicación:  AR133932A2 12/11/2025
Solicitante: 
MANGROVE WATER TECH LTD [CA]
MANGROVE WATER TECHNOLOGIES LTD

Resumen de: AR133932A2

En esta divulgación, se introduce un proceso de reciclado de ácido, base y los reactivos de sal requeridos en el proceso de recuperación de Li. Se implementa una celda electrolítica de membrana que incorpora un cátodo de oxígeno despolarizado para generar los productos químicos requeridos en el sitio. El sistema puede utilizar una porción de la salmuera de salares u otra salmuera o residuo sólido que contiene litio para generar ácido clorhídrico o sulfúrico, hidróxido de sodio y sales de carbonato. La generación simultánea de ácido y base permite tomar ventaja de ambos productos químicos durante la recuperación convencional de Li de salmueras y rocas minerales. El agua desalinizada también se puede usar en los pasos de lavado en el proceso de recuperación o regresar a los estanques de evaporación. El método también se puede usar para la conversión directa de sales de litio en el producto LiOH con alto valor. El método no produce ningún efluente sólido lo cual lo torna de fácil adopción para su uso en las plantas industriales de recuperación de Li existentes.

PROCESOS DE RECUPERACIÓN DE Li

NºPublicación:  AR133930A2 12/11/2025
Solicitante: 
MANGROVE WATER TECH LTD [CA]
MANGROVE WATER TECHNOLOGIES LTD

Resumen de: AR133930A2

En esta divulgación, se introduce un proceso de reciclado de ácido, base y los reactivos de sal requeridos en el proceso de recuperación de Li. Se implementa una celda electrolítica de membrana que incorpora un cátodo de oxígeno despolarizado para generar los productos químicos requeridos en el sitio. El sistema puede utilizar una porción de la salmuera de salares u otra salmuera o residuo sólido que contiene litio para generar ácido clorhídrico o sulfúrico, hidróxido de sodio y sales de carbonato. La generación simultánea de ácido y base permite tomar ventaja de ambos productos químicos durante la recuperación convencional de Li de salmueras y rocas minerales. El agua desalinizada también se puede usar en los pasos de lavado en el proceso de recuperación o regresar a los estanques de evaporación. El método también se puede usar para la conversión directa de sales de litio en el producto LiOH con alto valor. El método no produce ningún efluente sólido lo cual lo torna de fácil adopción para su uso en las plantas industriales de recuperación de Li existentes.

接着固定式水電解モジュール

NºPublicación:  JP2025169202A 12/11/2025
Solicitante: 
テクロス・インコーポレイテッド
JP_2025169202_PA

Resumen de: AU2025202385A1

The present invention is an adhesive-fixed electrolysis module comprising a single stack, the single stack having a separator, a pair of bipolar plates, a pair of gaskets, a pair of diffusion layers, a pair of electrodes, and a cell frame, wherein the bipolar plates, the gaskets, 5 the diffusion layers, and the electrodes are sequentially arranged on the cathode and anode sides, respectively, with respect to the separator, forming a symmetrical structure, wherein the separator, the bipolar plates, the gaskets, the diffusion layers, and the electrodes are stacked in a zero-gap manner within the cell frame, and wherein the bipolar plates are adhered and fixed to the cell frame using an adhesive, thereby simplifying product assembly 10 and reducing assembly costs compared to a single stack fixing method using welding, riveting, bolting, etc. between conventional parts. The present invention is an adhesive-fixed electrolysis module comprising a single stack, the single stack having a separator, a pair of bipolar plates, a pair of gaskets, a pair of 5 diffusion layers, a pair of electrodes, and a cell frame, wherein the bipolar plates, the gaskets, the diffusion layers, and the electrodes are sequentially arranged on the cathode and anode sides, respectively, with respect to the separator, forming a symmetrical structure, wherein the separator, the bipolar plates, the gaskets, the diffusion layers, and the electrodes are stacked in a zero-gap manner within the cell frame, and wher

固体電気化学セルスタック

NºPublicación:  JP2025537021A 12/11/2025
Solicitante: 
ネーデルランドセ・オルガニサティ・フォール・トゥーヘパスト-ナトゥールウェテンスハッペライク・オンデルズーク・テーエヌオー
JP_2025537021_PA

Resumen de: CN120226171A

The present disclosure relates to an electrochemical cell stack comprising solid state electrochemical cells (20), an electrically conductive separator (30); and a sealing element (40). The separator comprises: a central portion (31) having an oppositely recessed support surface (32) supporting the solid oxide cell, and a contact surface (34) opposite the recessed support surface contacting an adjacent solid state electrochemical cell; and a boundary portion (36) providing a relatively elevated top (37) and upstanding side walls (38). A sealing element (40) extends between an elevated top surface of the boundary portion and an opposing support surface (39) of an adjacent bulkhead. The spacing distance between the concave support surface and the contact surface of the adjacent separator, defined by the combined height of the sealing element and the upstanding side wall, is matched to the thickness of the solid state electrochemical cell.

Method of Methanol Production Using Ammonia

NºPublicación:  KR20250160293A 12/11/2025
Solicitante: 
티유브이슈드코리아주식회사
KR_20250160293_PA

Resumen de: KR20250160293A

본 발명의 일 실시예에 따른 암모니아를 이용한 메탄올 생산 방법은, a) 선박에 저장된 암모니아가 접안 부두에 정차된 탱크로리로 운송 및 저장되는 단계; b) 상기 탱크로리에 저장된 암모니아의 일부가 친환경 연료로서 발전소로 공급된 후에 상기 발전소의 발전에 사용되는 단계; c) 상기 발전소가 암모니아를 기반으로 발전하는동안 생성되는 이산화탄소를 포집, 분리 및 액화시킨 후 저장하는 단계; d) 상기 발전소로 공급되지 않고 상기 탱크로리에 남은 나머지 암모니아가 수소 생산소로 운송되며, 상기 수소 생산소에서 수소와 질소로 분해됨으로써 수소를 생산하는 단계; 및 e) 메탄올 생산소가 상기 c) 단계에서 저장된 이산화탄소와, 상기 d) 단계에서 생산된 수소를 이용하여 메탄올을 생산하는 단계;를 포함할 수 있다.

A SOLID OXIDE ELECTROLYSIS CELL SYSTEM AND A METHOD OF OPERATING A SOLID OXIDE ELECTROLYSIS CELL SYSTEM

NºPublicación:  KR20250160222A 11/11/2025
Solicitante: 
버사파워시스템스리미티드
JP_2025121917_PA

Resumen de: JP2025121917A

To provide a method of operating a solid oxide electrolysis cell (SOEC) system at partial load.SOLUTION: A method is provided wherein the SOEC system includes a plurality of branches electrically connected in parallel, and each branch includes at least one SOEC stack. The method includes determining a thermally neutral target voltage below which operation is endothermic and above which operation is exothermic; and executing pulse width modulation current control by cycling an ON phase and an OFF phase for each branch such that the SOEC system operates at an average operating power equal to a chosen percentage of the operating power at the thermally neutral target voltage. In the ON phase, all of the SOEC stacks in a branch operate at the thermally neutral target voltage, and in the OFF phase, all of the SOEC stacks in the branch operate at 0% power. Each branch is configured to be operated independently of the other branches.SELECTED DRAWING: Figure 1

用于产生和处理来自一个或多个加压电解槽堆的两相流出物的方法和包括一个或更多个单体加压电解槽堆的电解槽系统

NºPublicación:  CN120936421A 11/11/2025
Solicitante: 
蒂森克虏伯新纪元股份有限及两合公司
CN_120936421_PA

Resumen de: AU2024237545A1

A method for generating and treating a two-phase outflow from one or more pressurised electrolyser stacks which are adapted to electrolyse water into hydrogen and oxygen, whereby a pump supplies a catholytic fluid flow from one first gas liquid gravitational separator vessel to the electrolyser stacks and whereby a further pump supplies an anolytic fluid flow from one second gas liquid gravitational separator vessel to the electrolyser stacks, and whereby at least one cyclone type gas liquid separator receives combined outflows from the catholytic chambers and/or receives combined outflows from anolytic chambers respectively inside corresponding gravitational gas liquid separator vessel whereby further, the at least one cyclone type gas liquid separator separates the gas from the liquid along a generally horizontal cyclonic rotation axis inside the gas liquid gravitational separator vessel. An electrolyser system is also provided.

用于碱性电解系统的给水制备方法以及给水制备系统

NºPublicación:  CN120936752A 11/11/2025
Solicitante: 
蒂森克虏伯新纪元股份有限及两合公司
CN_120936752_PA

Resumen de: AU2024214359A1

Feedwater preparation system in a water electrolyser adapted to produce hydrogen and oxygen in one or more pressurised electrolyser stacks (2) using alkaline water and comprising a product gas conditioning system that has a safety valve out-blow material stream pipe (11) which is connected to a feedwater vessel (9), and/or has a depressurisation stream pipe (31) from a gas cleaning vessel which is connected to the feedwater vessel (9).

METHOD OF DRAINING AND STORAGE OF HYDROGEN OBTAINED BY ALKALINE ELECTROLYSIS FROM WATER

NºPublicación:  LT2024518A 10/11/2025
Solicitante: 
LIETUVOS ENERGETIKOS INST [LT]
Lietuvos energetikos institutas

Resumen de: LT2024518A

The method described in the invention is aimed at drying moist hydrogen obtained through alkaline electrolysis, containing up to 2000 ppm of water. This is achieved through the utilization of complex processes involving water hydrolysis, hydrogen storage, and compression, employing metal hydrides. During water hydrolysis, water vapor that are present in the hydrogen gas actively reacts with a mixture of activated aluminum and NaOH, splitting into hydrogen and oxygen. Oxygen and a portion of hydrogen combine with activated aluminum to form aluminum hydroxide, while the remaining hydrogen, along with the overall hydrogen stream, enters the metal hydride container. There, upon interaction with magnesium-based powders, metal hydrides are formed, capable of preserving hydrogen from several minutes to several years without significant hydrogen loss. Using the described method, hydrogen is dehydrated from 2000 ppm of water to no more than 5 ppm of water. Dry hydrogen can successfully react with magnesium-based metals for up to 500 cycles, with absorbed/desorbed hydrogen losses not exceeding 5 %. During the decomposition of metal hydrides, the resulting hydrogen is more than 99.999 % pure and, upon release, generates pressure of up to 30 bars. The waste heat generated in industrial processes is utilized to optimize the hydrolysis and formation/decomposition processes of metal hydrides, thereby creating additional added economic and ecological value.

用于在碱性介质中电解的钙钛矿电极

NºPublicación:  CN120917183A 07/11/2025
Solicitante: 
星际之门氢解决方案公司
CN_120917183_PA

Resumen de: WO2024160929A1

An electrode for use in the electrolysis of water under alkaline conditions, comprising a nickel metal substrate, a ceramic material with a perovskite-type structure comprising an oxide of at least one metal selected from among lanthanides including lanthanum, cerium and praseodymium, where said ceramic material is forming a coating on said nickel metal substrate, and metal nanoparticles are socketed into the said ceramic material. The metal nanoparticles facing the alkaline solution have electrochemical activity, whereas the metal nanoparticles facing the said metal substrate form an anchoring points between the metal substrate and the said ceramic material.

Procédé de fabrication d’une céramique nanoarchitecturée poreuse pour électrode de cellule d’électrolyseur

NºPublicación:  FR3161913A1 07/11/2025
Solicitante: 
COMMISSARIAT ENERGIE ATOMIQUE [FR]
Commissariat \u00E0 l'Energie Atomique et aux Energies Alternatives
FR_3161913_PA

Resumen de: FR3161913A1

Procédé de fabrication d’une céramique nanoarchitecturée poreuse (200) pour électrode de cellule d’électrolyseur (100), notamment pour électrode de cellule d’électrolyseur à haute température (également connue selon l’acronyme EHT), le procédé comprenant les étapes suivantes de : fourniture d’une résine comprenant un photoréactif polymérique, un solvant, par exemple un solvant organique, et une charge comportant au moins un précurseur minéral de la céramique, impression 3D de la résine selon un motif prédéterminé de sorte à former un squelette nanoarchitecturé poreux (300), par exemple sous forme de nid d’abeilles ou sous forme tétrakaidécahédrale, etfrittage du squelette nanoarchitecturé poreux (300) de sorte à obtenir une céramique nanoarchitecturée poreuse (200). Figure 4

水電解システムおよび水電解装置の制御方法

NºPublicación:  JP2025167807A 07/11/2025
Solicitante: 
株式会社豊田中央研究所
JP_2025167807_PA

Resumen de: JP2025167807A

【課題】水電解装置の劣化を抑制しつつ、高い水素生成効率を実現する。【解決手段】水電解システムは、水の電気分解を行う水電解部と、水電解部に電力を供給する電力供給部と、電力供給部から水電解部に供給される電流の大きさを検出する電流検出部と、電気分解される水の温度である水温度を取得する温度取得部と、取得された水温度が予め設定された上限温度以下となるように、電力供給部から水電解部に供給される電力を制御する制御部と、を備え、制御部は、電流検出部により検出された検出電流の増加に応じて、上限温度を低下させる【選択図】図1

水電解システム

NºPublicación:  JP2025167582A 07/11/2025
Solicitante: 
トヨタ自動車株式会社
JP_2025167582_PA

Resumen de: US2025333854A1

A water electrolysis system that generates hydrogen and oxygen by electrolysis of water includes a water electrolysis cell including an anode, a cathode, and an electrolyte membrane sandwiched between the anode and the cathode, and a control device that controls electric power supplied to the water electrolysis cell, wherein the control device performs a potential changing process of changing a potential of the anode either or both of upon starting of the water electrolysis system and during continuous operation of the water electrolysis system, and the potential changing process includes a potential lowering process of lowering the potential of the anode to a predetermined potential.

水電解システム、水供給システム、および水供給方法

NºPublicación:  JP2025167806A 07/11/2025
Solicitante: 
株式会社豊田中央研究所
JP_2025167806_PA

Resumen de: JP2025167806A

【課題】水素の生成効率を向上させた上で、水電解装置の劣化を抑制する。【解決手段】水電解システムは、水の電気分解を行う水電解部と、水電解部に供給される水を貯蔵するタンクと、タンクに水を供給する供給部と、タンクに貯蔵された水量を取得する水量取得部と、タンクに貯蔵された水の温度を取得する温度取得部と、タンクに貯蔵された水量と水の温度に応じて、供給部からタンクに供給される水量を制御する制御部と、を備え、制御部は、タンク内の水量が第1水量未満の場合に、タンク内の水量が第1水量よりも多い第2水量になるまで供給部から水を供給し、タンク内の水量が第1水量以上、かつ、タンク内の水の温度が基準温度よりも高い場合に、タンク内の水量が第2水量よりも多い第3水量になるまで供給部から水を供給する。【選択図】図1

副生成物の部分オキシ燃料燃焼およびCO2の分離によるCO2からの合成燃料の製造

NºPublicación:  JP2025536795A 07/11/2025
Solicitante: 
イエフペエネルジヌヴェル
JP_2025536795_PA

Resumen de: CN120239739A

The invention relates to a device/method for capturing/converting CO2. The invention relates to a process for the production of CO and water, comprising/using a CO2 capture unit (2) that produces CO2 (3), a water electrolysis unit (5) that converts water (4) into oxygen (6) and hydrogen (7), an RWGS unit (8) that treats CO2 with hydrogen (7) and produces an RWGS gas (9) enriched in CO and water, an FT unit (13) that converts the RWGS gas and produces an FT effluent (14), a first separation unit (15) that treats the FT effluent and produces a hydrocarbon effluent (17) and a gas effluent (33), a second separation unit (34) separating the effluent gas into a CO2-lean gas (18) and a CO2-rich gas (35) fed to the RWGS unit, a partial oxycombustion unit (28) oxidizing the CO2-lean gas and producing CO fed to the FT unit, a hydrogen unit (20) treating the hydrocarbon effluent to produce a hydrocarbon fraction (21).

AMMONIA DECOMPOSITION OVER SUPPORTED MEDIUM ENTROPY METAL ALLOY CATALYSTS

NºPublicación:  WO2025230786A1 06/11/2025
Solicitante: 
SAUDI ARABIAN OIL COMPANY [SA]
ARAMCO SERVICES COMPANY [US]
SAUDI ARABIAN OIL COMPANY,
ARAMCO SERVICES COMPANY
WO_2025230786_A1

Resumen de: WO2025230786A1

A method of catalytic ammonia decomposition, where the method includes: flowing ammonia into a reactor charged with a supported medium entropy metal alloy (MEA) catalyst including MEA particles supported on a support, the MEA particles including a first principal metal, a second principal metal, and a third principal metal, where each of the principal metals is independently selected without repetition from the group consisting of Co, Cr, Fe, Mn, Ni, Al, Cu, Zn, Ti, Zr, Mo, V, Ru, Rh, Pd, Ag, W, Re, Ir, Pt, Au, Ce, Y, Yb, Sn, Ga, In, and Be; and catalytically decomposing the ammonia into hydrogen and nitrogen over the supported MEA catalyst in the reactor at a reaction temperature between 200 °C and 900 °C.

METHOD FOR OPERATING AN ELECTROCHEMICAL SYSTEM, COMPUTING UNIT

NºPublicación:  WO2025228738A1 06/11/2025
Solicitante: 
ROBERT BOSCH GMBH [DE]
ROBERT BOSCH GMBH
WO_2025228738_PA

Resumen de: WO2025228738A1

The invention relates to a method for operating at least one electrochemical system (1), for example an electrolysis system for producing hydrogen, wherein software is used during operation of the electrochemical system (1), which software is at least once updated or replaced by subsequent software, and wherein the updated software or the subsequent software is tested and/or validated at least in parts. According to the invention, (a) a virtual operating environment is generated by means of a simulation, which virtual operating environment reproduces an actual operating state using real operating data, (b) the updated software or subsequent software is executed within the virtual operating environment, and (c) the updated software or subsequent software is tested and/or validated on the basis of the actual operating state in parallel with ongoing operation. The invention also relates to a computing unit (4) which is designed to carry out steps of a method according to the invention.

A POROUS TRANSPORT LAYER WITH A SUBSTANTIALLY FLAT SURFACE AND METHOD FOR PRODUCING THE SAME

NºPublicación:  WO2025228586A1 06/11/2025
Solicitante: 
SMOLTEK AB [SE]
SMOLTEK AB
WO_2025228586_PA

Resumen de: WO2025228586A1

A porous transport layer, PTL, (200) for a water electrolyzer (100). The porous transport layer comprises a porous layer (210), where the porous layer (210) is a porous structure comprising irregular pores (212) and solid sections (213). At least a first surface (211) of the porous layer (210) is formed by a first plurality of solid sections (213). At least some of the solid sections (213) in the first plurality have at least one surface that is substantially flat and arranged facing outwards from the porous layer such that it forms part of the first surface (211).

Plattenanordnung, Elektrolyseur und Verfahren zur Herstellung einer Plattenanordnung

NºPublicación:  DE102024112692A1 06/11/2025
Solicitante: 
SCHAEFFLER TECHNOLOGIES AG [DE]
Schaeffler Technologies AG & Co. KG
DE_102024112692_PA

Resumen de: DE102024112692A1

Eine Plattenanordnung (1) eines Stapels elektrochemischer Zellen (2) umfasst ein zumindest teilweise als 3D-Druck-Element ausgebildetes Plattenelement (3), in welchem mehrere Schichten (6, 7, 8) parallel zueinander angeordnet sind, die jeweils durchbrochene, zur Durchleitung eines Fluids geeignete Strukturen aufweisen, wobei die Feinheit der Durchbrechungen (17) von Schicht (6, 7, 8) zu Schicht (6, 7, 8) variiert, und wobei ein Temperatursensor (19), der an ein Kabel (20) angeschlossen ist, welches durch mehrere der genannten Schichten (6, 7, 8) verläuft, an diejenige Schicht (8) grenzt, welche die feinsten Durchbrechungen (17) aufweist.

二酸化炭素の回収方法、二酸化炭素回収システム

NºPublicación:  JP2025166373A 06/11/2025
Solicitante: 
鹿島建設株式会社
JP_2025166373_PA

Resumen de: JP2025166373A

【課題】水の電気分解を利用した二酸化炭素の回収方法であって、回収を確実に見込める方法を提供すること。【解決手段】本発明の回収方法は、水を電気分解した電解装置の陰極室32Bから取り出したアルカリ性の陰極側電解液35Bを、二酸化炭素を含む気体で曝気する曝気工程と、曝気した陰極側電解液35Bを酸性にする酸性化工程と、酸性にした陰極側電解液35Bを加熱して、気体で放出された二酸化炭素を回収する二酸化炭素回収工程とを有する。各工程において陰極側電解液35Bに対する二酸化炭素の溶解と放出を制御することで、二酸化炭素を効率的に回収することができる。【選択図】図1

AN AMMONIA ELECTROLYSIS CELL

NºPublicación:  WO2025230473A1 06/11/2025
Solicitante: 
NANYANG TECHNOLOGICAL UNIV [SG]
THE CHANCELLOR MASTERS AND SCHOLARS OF THE UNIV OF CAMBRIDGE [GB]
NANYANG TECHNOLOGICAL UNIVERSITY,
THE CHANCELLOR, MASTERS AND SCHOLARS OF THE UNIVERSITY OF CAMBRIDGE
WO_2025230473_PA

Resumen de: WO2025230473A1

The present disclosure relates broadly to ammonia electrochemical cells. The ammonia electrolysis cell may comprise: a chamber for containing an electrolyte; two electrodes disposed within the chamber; and an anion exchange membrane disposed between the electrodes, wherein each electrode comprises a bifunctional catalyst having ammonia oxidation reaction activity and hydrogen evolution reaction activity, and wherein each electrode is capable of alternating in polarity when subjected to an alternating potential. There is also disclosed herein a method of operating an ammonia electrolysis cell as well as the use of an ammonia electrolysis cell to produce hydrogen from ammonia.

WATER ELECTROLYZER

NºPublicación:  WO2025231331A1 06/11/2025
Solicitante: 
VOLTA ENERGY INC [US]
VOLTA ENERGY, INC
WO_2025231331_PA

Resumen de: WO2025231331A1

A direct impure water electrolysis (DIWE) approach generates green hydrogen in a modified proton-exchange membrane pure water electrolyzer (PEM-PWE), that avoids fouling, corrosion, deactivation, and side reactions normally caused by the ions in impure or saline waters. Conventional electrolyzers require ultrapure deionized (DI) water as feed because: 1) the proton-exchange membrane (PEM) and electrocatalysts are readily poisoned by the anions, e.g., chloride, and cations, e.g., sodium, calcium, and magnesium that are present in seawater or brackish water; and 2) the chloride anions readily form chlorine at the PEM-electrolyzer anode, which is toxic and corrosive. This adds substantially to the cost and complexity of the electrolyzer plant due to the water treatment plant needed for producing ultrapure DI water. The tolerance of impure water as described herein avoids reverse osmosis and deionization requirements steps which is beneficial for use in semi-arid regions with a paucity of fresh water.

CONTAINED HYDROGEN GENERATION SYSTEM

NºPublicación:  WO2025231104A1 06/11/2025
Solicitante: 
GREEN FUEL LLC [US]
GREEN FUEL, LLC
WO_2025231104_PA

Resumen de: WO2025231104A1

A contained hydrogen generation system ("system") comprises a high-pressure containment vessel ("vessel"), one or more proton-exchange membrane ("PEM") cells, an oxygen-water separator, and a passive dual regulator with relative differential venting ("regulator"). The vessel defines a hydrogen plenum. The PEM and the oxygen-water separator are disposed in the hydrogen plenum. The regulator includes a hydrogen fluid path in fluid communication with the hydrogen plenum, an exterior hydrogen storage vessel, and an exterior of the vessel, and also includes an oxygen fluid path in fluid communication with the oxygen-water separator, an exterior oxygen storage vessel, and an exterior of the vessel. The regulator regulates pressure imbalances between an oxygen-side of the system and a hydrogen-side of the system, and vents oxygen and hydrogen to an exterior of the vessel to allow collection of both hydrogen and oxygen and avoid rupture of a PEM in the one or more PEM cells.

RUTHENIUM-NICKEL FOAM CATALYST COMPOSITE, PREPARATION METHOD THEREFOR, AND HYDROGEN EXTRACTION SYSTEM USING SAME

NºPublicación:  WO2025230390A1 06/11/2025
Solicitante: 
POSTECH RES & BUSINESS DEV FOUND [KR]
\uD3EC\uD56D\uACF5\uACFC\uB300\uD559\uAD50 \uC0B0\uD559\uD611\uB825\uB2E8
WO_2025230390_A1

Resumen de: WO2025230390A1

A ruthenium-nickel foam catalyst composite, a preparation method therefor, and a hydrogen extraction system (10) using same are disclosed. Specifically, provided is the method for preparing a catalyst composite used for ammonia decomposition, comprising the steps of: (a) making a porous support, which is in the form of a three-dimensional structure having pores and includes a first metal, come into contact with an acidic aqueous solution so as to pretreat the porous support; (b) preparing a second metal precursor aqueous solution comprising water and a second metal precursor that includes a second metal; and (c) using the pretreated porous support and the second metal precursor aqueous solution so as to support a catalyst including the second metal on a part or all of the surface of the porous support, thereby preparing a catalyst composite. The present invention provides a low-loading noble metal catalyst by maximizing the utilization of supported noble metals through selective adsorption of Ru metal.

DECOUPLING TYPE ELECTROCHEMICAL CARBON DIOXIDE CAPTURE SYSTEM

NºPublicación:  WO2025227539A1 06/11/2025
Solicitante: 
SICHUAN UNIV [CN]
\u56DB\u5DDD\u5927\u5B66
WO_2025227539_PA

Resumen de: WO2025227539A1

The present invention belongs to the technical field of carbon dioxide capture. Provided is a decoupling type electrochemical carbon dioxide capture system. The system comprises an electrolysis reactor, a carbon dioxide absorption tower and a carbon dioxide desorption tower. The system can achieve the electrochemical capture and purification of ultralow-concentration carbon dioxide in an oxygen-containing carbon dioxide environment. In practical use, an external power supply can be used for supplying power to the system, and the pH environments of a solution at a cathode and an anode are changed by means of an electrochemical PCET reaction to promote the enrichment of OH- in a cathode region and the enrichment of H+ in an anode region, thereby achieving the absorption of ultralow-concentration carbon dioxide and the release of high-purity carbon dioxide; and an anode liquid is reduced and regenerated outside the system by means of hydrogen generated by the cathode, thereby achieving low-energy-consumption continuous stable carbon dioxide capture and purification.

- RUTHENIUM-NICKEL FOAM COMPOSITE CATALYST METHOD OF MANUFACTURING SAME AND HYDROGEN EXTRACTION SYSTEM USING SAME

NºPublicación:  KR20250158379A 06/11/2025
Solicitante: 
포항공과대학교산학협력단
KR_20250158379_PA

Resumen de: WO2025230390A1

A ruthenium-nickel foam catalyst composite, a preparation method therefor, and a hydrogen extraction system (10) using same are disclosed. Specifically, provided is the method for preparing a catalyst composite used for ammonia decomposition, comprising the steps of: (a) making a porous support, which is in the form of a three-dimensional structure having pores and includes a first metal, come into contact with an acidic aqueous solution so as to pretreat the porous support; (b) preparing a second metal precursor aqueous solution comprising water and a second metal precursor that includes a second metal; and (c) using the pretreated porous support and the second metal precursor aqueous solution so as to support a catalyst including the second metal on a part or all of the surface of the porous support, thereby preparing a catalyst composite. The present invention provides a low-loading noble metal catalyst by maximizing the utilization of supported noble metals through selective adsorption of Ru metal.

PROCESS FOR SPLITTING WATER

NºPublicación:  WO2025227188A1 06/11/2025
Solicitante: 
COMMONWEALTH SCIENT AND INDUSTRIAL RESEARCH ORGANISATION [AU]
COMMONWEALTH SCIENTIFIC AND INDUSTRIAL RESEARCH ORGANISATION
WO_2025227188_PA

Resumen de: WO2025227188A1

Described herein is a process for splitting water into molecular hydrogen (H2) and oxygen (O2), comprising: contacting water molecules with a catalyst, wherein the catalyst or at least portion thereof in contact with the water molecules is irradiated with microwave radiation, and wherein the catalyst comprises a compound of a metal (M) and at least one Lewis acidic element (X) different to the metal, whereby on contact, the water molecules split to form molecular hydrogen (H2) and oxygen (O2).

STORAGE AND REUSE OF HYDROGEN AND OXYGEN PRODUCED BY GREEN ENERGY IN GROUNDWATER

NºPublicación:  US2025341280A1 06/11/2025
Solicitante: 
PALKOVICS MILAN DANIEL [HU]
GYORBIRO KAROLY [HU]
KATAI ATTILA [HU]
MELEGHEGYI ANDRAS [HU]
PALKOVICS Mil\u00E1n D\u00E1niel,
GYORB\u00CDR\u00D3 K\u00E1roly,
K\u00C1TAI Attila,
MELEGHEGYI Andr\u00E1s
US_2025341280_PA

Resumen de: US2025341280A1

The storage apparatus according to the invention, a geo hydrogen storage system, is a system consisting of a plurality of groundwater wells drilled into the ground. Hydrogen is produced by electrolysis using green energy. The hydrogen and the associated oxygen are stored in and recovered from cartridges installed in said wells being flooded by the groundwater and located at appropriate distances from each other. The system uses closed-circuit circulating water to transport the gases generated in electrolysis in the form of bubbles. The gases are separated from the circulating water by volume expansion and form gas bubbles when they reach the corresponding cartridge. This gas bubble will, with continued operation, squeeze larger and larger volume of water from the groundwater in the cartridge, thereby pressurizing the system.

GREEN HYDROGEN FROM SEAWATER

NºPublicación:  US2025341001A1 06/11/2025
Solicitante: 
THE REGENTS OF THE UNIV OF CALIFORNIA [US]
The Regents of the University of California
US_2025341001_PA

Resumen de: US2025341001A1

An electrode configuration and system useful for performing electrolysis, including one or more pairs of non-planar electrodes each comprising a first electrode having a first base and a second electrode comprising a second base. A mount can be used to mount the first electrode and the second electrode in each of the pairs with a spacing between the first base and the second base, so that an electric current may flow through a fluid between the first base and the second base to drive an electrochemical reaction of the fluid. A surface area of the bases (the base of the first electrode and the base of the second electrode) exposed to the fluid are dimensioned to support a current density of the electric current of at least 10 A/cm2 or in a range of 10 A/cm2 and 14 A/cm2. An electrolysis system including the electrodes can be used for the electrolysis of seawater to produce hydrogen at higher rates and with reduced chlorine evolution.

METHODS OF GENERATING ELECTRICITY

NºPublicación:  US2025341007A1 06/11/2025
Solicitante: 
BATTELLE ENERGY ALLIANCE LLC [US]
Battelle Energy Alliance, LLC
US_2025341007_A1

Resumen de: US2025341007A1

An electrochemical cell comprises a first electrode, a second electrode, and a proton-conducting membrane between the first electrode and the second electrode. The first electrode comprises a layered perovskite having the general formula: DAB2O5+δ, wherein D consists of two or more lanthanide elements; A consists of one or more of Sr and Ba; B consists of one or more of Co, Fe, Ni, Cu, Zn, Mn, Cr, and Nd; and δ is an oxygen deficit. The second electrode comprises a cermet material including at least one metal and at least one perovskite. Related structures, apparatuses, systems, and methods are also described.

DEVICE AND METHOD FOR PREPARING HIGH-PURITY HYDROGEN AND/OR OXYGEN BY ELECTROLYSIS OF WATER

NºPublicación:  US2025341004A1 06/11/2025
Solicitante: 
LAIR LIQUIDE SA POUR LETUDE ET LEXPLOITATION DES PROCEDES GEORGES CLAUDE [FR]
L'Air Liquide, Societe Anonyme pour l'Etude et l'Exploitation des Procedes Georges Claude
US_2025341004_PA

Resumen de: US2025341004A1

A device for preparing high-purity hydrogen and/or high-purity oxygen by electrolysis of water, wherein the hydrogen and/or oxygen produced has an argon content of less than 5 ppb by weight. Including, in sequence, a desalination water treatment system, a desalination water storage tank, a degasser feed water pump, a desalinated and degassed water heat exchanger, a degasser for degassing desalinated water, an electrolyzer feed water pump, and an electrolyzer. The degasser is configured to produce water that has an argon content of less than 10 ppb by weight after being degassed. The electrolyzer is an alkaline electrolyzer, and includes an electrolytic cell, and anode lye separator, a cathode lye separator, and a lye cooler. The electrolyzer also includes a lye heat exchanger and a hot lye recirculation stream. Also involved is a method of preparing high-purity hydrogen and/or oxygen by using the device.

METHOD FOR GENERATING GAS MIXTURES COMPRISING CARBON MONOXIDE AND CARBON DIOXIDE FOR USE IN SYNTHESIS REACTIONS

NºPublicación:  US2025341003A1 06/11/2025
Solicitante: 
HALDOR TOPSOEE AS [DK]
HALDOR TOPS\u00D8E A/S
US_2025341003_A1

Resumen de: US2025341003A1

A method for the generation of a gas mixture including carbon monoxide, carbon dioxide and optionally hydrogen for use in hydroformylation plants or in carbonylation plants, including mixing an optional steam with carbon dioxide in the desired molar ratio, feeding the resulting gas to a solid oxide electrolysis cell (SOEC) or an SOEC stack at a sufficient temperature for the cell or cell stack to operate while effecting a partial conversion of carbon dioxide to carbon monoxide and optionally of steam to hydrogen, removing some or all the remaining steam from the raw product gas stream by cooling the raw product gas stream and separating the remaining product gas from a liquid, and using the gas mixture containing CO and CO2 for liquid phase synthesis reactions utilizing carbon monoxide as one of the reactants while recycling CO2 to the SOEC or SOEC stack.

WATER ELECTROLYZER

NºPublicación:  US2025341002A1 06/11/2025
Solicitante: 
VOLTA ENERGY INC [US]
Volta Energy, Inc
US_2025341002_PA

Resumen de: US2025341002A1

A direct impure water electrolysis (DIWE) approach generates green hydrogen in a modified proton-exchange membrane pure water electrolyzer (PEM-PWE), that avoids fouling, corrosion, deactivation, and side reactions normally caused by the ions in impure or saline waters. Conventional electrolyzers require ultrapure deionized (DI) water as feed because: 1) the proton-exchange membrane (PEM) and electrocatalysts are readily poisoned by the anions, e.g., chloride, and cations, e.g., sodium, calcium, and magnesium that are present in seawater or brackish water; and 2) the chloride anions readily form chlorine at the PEM-electrolyzer anode, which is toxic and corrosive. This adds substantially to the cost and complexity of the electrolyzer plant due to the water treatment plant needed for producing ultrapure DI water. The tolerance of impure water as described herein avoids reverse osmosis and deionization requirements steps which is beneficial for use in semi-arid regions with a paucity of fresh water.

AMMONIA DECOMPOSITION OVER MEDIUM ENTROPY METAL ALLOY CATALYSTS

NºPublicación:  WO2025231009A2 06/11/2025
Solicitante: 
SAUDI ARABIAN OIL COMPANY [SA]
ARAMCO SERVICES COMPANY [US]
SAUDI ARABIAN OIL COMPANY,
ARAMCO SERVICES COMPANY
WO_2025231009_A2

Resumen de: WO2025231009A2

A method of catalytic ammonia decomposition is provided. The method includes: flowing ammonia into a reactor charged with a medium entropy metal alloy (MEA) catalyst including a first principal metal, a second principal metal, and a third principal metal, where each of the principal metals is independently selected without repetition from the group consisting of Co, Cr, Fe, Mn, Ni, Al, Cu, Zn, Ti, Zr, Mo, V, Ru, Rh, Pd, Ag, W, Re, Ir, Pt, Au, Ce, Y, Yb, Sn, Ga, In, and Be; and catalytically decomposing the ammonia into hydrogen and nitrogen over the MEA catalyst in the reactor at a reaction temperature between 200 °C and 900 °C.

REFORMER INTEGRATED GASIFICATION TECHNOLOGY (RIG)

NºPublicación:  WO2025229398A1 06/11/2025
Solicitante: 
TECHNIP ENERGIES FRANCE [FR]
TECHNIP ENERGIES FRANCE
WO_2025229398_A1

Resumen de: WO2025229398A1

There is described a hydrogen production system comprising: a gasification sub-system to produce a syngas stream from a biomass and/or refuse derived fuel feed stream; and a steam methane reformer (SMR) sub-system to produce an SMR syngas stream from a hydrocarbon feed, and to produce a low carbon hydrogen final product by integrating the syngas stream from the gasification sub-system and the SMR syngas stream.

HIGH PRESSURE GASKET FOR AN ELECTROLYSIS DEVICE

NºPublicación:  WO2025230800A1 06/11/2025
Solicitante: 
FED MOGUL POWERTRAIN LLC [US]
FEDERAL-MOGUL POWERTRAIN LLC
WO_2025230800_PA

Resumen de: WO2025230800A1

The electrolysis device includes a plurality of plates that have a plurality of sets of aligned fluid openings. At least one of the sets of aligned fluid openings is configured for conveying high pressure hydrogen gas. At least one gasket, which has an annular shape and is made of an elastomeric material, surrounds at least one of the sets of aligned fluid openings to establish a fluid-tight seal between at least two of the plurality of plates. The at least one gasket has a generally constant cross-sectional shape around a central axis, the cross-sectional shape having a sealing surface that includes a pair of peaks that are spaced radially apart from one another and that includes a pair of elevated plateaus on opposite radial sides of the pair of peaks.

CONVERSION OF CARBON DIOXIDE AND WATER TO SYNTHESIS GAS

NºPublicación:  US2025340500A1 06/11/2025
Solicitante: 
TOPSOE AS [DK]
Topsoe A/S
US_2025340500_PA

Resumen de: US2025340500A1

The invention relates to a method for producing methanol via a synthesis gas produced by combining electrolysis of a water feedstock for producing a stream comprising hydrogen, and electrolysis of carbon dioxide rich stream for producing a stream comprising CO and CO2 in which the synthesis gas has a molar ratio CO/CO2 greater than 2. The invention relates also to a method for producing a synthesis gas by once-through co-electrolysis in a SOEC unit of a feed gas stream combining CO2 and steam.

RUTHENIUM-DOPED ALUMINA-SUPPORTED COBALT/NICKEL CATALYST FOR AMMONIA DECOMPOSITION TO HYDROGEN AND NITROGEN

NºPublicación:  US2025340433A1 06/11/2025
Solicitante: 
UNIV KING FAHD PET & MINERALS [SA]
KING FAHD UNIVERSITY OF PETROLEUM AND MINERALS
US_2025340433_PA

Resumen de: US2025340433A1

A method for ammonia (NH3) decomposition to hydrogen (H2) and nitrogen (N2) using a ruthenium-doped alumina-supported cobalt/nickel (Ru—CoNi/Al2O3) catalyst. The method includes introducing and passing an NH3-containing feed gas stream into a reactor to contact the NH3-containing feed gas stream with a reduced Ru—CoNi/Al2O3 catalyst at a temperature of 100 to 1000° C. thereby converting at least a portion of the NH3 to H2 and regenerating the Ru—CoNi/Al2O3 catalyst particles to form a regenerated Ru—CoNi/Al2O3 catalyst, and producing a residue gas stream leaving the reactor.

ELECTROLYZER OPERATING METHODS AND ELECTROLYZER SYSTEMS

NºPublicación:  US2025341010A1 06/11/2025
Solicitante: 
VERDAGY INC [US]
Verdagy, Inc
US_2025341010_PA

Resumen de: US2025341010A1

A method of operating an electrolyzer includes changing a current density associated with operation of the electrolyzer based on one or more electricity input factors, or one or more hydrogen output factors, or both.

SYSTEMS AND CIRCUITS FOR CONNECTING COMPONENTS OF A HYDROGEN PLANT TO A POWER SOURCE

NºPublicación:  US2025343422A1 06/11/2025
Solicitante: 
OHMIUM INT INC [US]
Ohmium International, Inc
US_2025343422_PA

Resumen de: US2025343422A1

The present disclosure relates to circuits for connecting components of a hydrogen plant to a power grid to power the components in an efficient manner. In one implementation, power-side alternate current (AC) to direct current (DC) converters may be connected to a source power grid without the need for an isolation transformer by providing separate buses between the power-side AC-DC converters and load-side DC-DC converters instead of a shared DC bus between the converters. Other implementations for connecting components of a hydrogen plant to a power grid may include an adjustable transformer, such as a tappable transformer or an autotransformer, to connect any number of auxiliary loads of the plant to the power grid. The adjustable transformer may provide for various types of auxiliary load devices to connect to the power provided by the transformer at the same time, including both three-phase devices and one-phase devices.

A SEPARATOR FOR ALKALINE WATER ELECTROLYSIS

NºPublicación:  AU2024407460A1 06/11/2025
Solicitante: 
AGFA GEVAERT NV
AGFA-GEVAERT NV
AU_2024407460_PA

Resumen de: AU2024407460A1

A catalyst coated separator for alkaline water electrolysis (1) comprising a porous support (100) and on at least side of the support, in order: - an optional porous polymer layer (200), - a non-porous alkali-stable polymer layer (300), and - a catalyst layer (400).

POWER SYSTEM, CONTROL DEVICE, AND CONTROL METHOD

NºPublicación:  AU2024244811A1 06/11/2025
Solicitante: 
ENEOS CORP
ENEOS CORPORATION
AU_2024244811_PA

Resumen de: AU2024244811A1

Provided is a configuration capable of improving the operation rate of a hydrogen production device for producing hydrogen using power supplied from multiple power sources using different renewable energies. A power system 1 according to one embodiment of the present disclosure comprises: a hydrogen production device 41 that produces hydrogen using power supplied from different types of renewable energy generators 21, 31; and an information processing device 71 that causes power to be supplied to the hydrogen production device 41 from a renewable energy generator, the output of which is reduced, from among the renewable energy generators 21, 31.

冷却された双極電極を伴うアルカリ電解槽

NºPublicación:  JP2025536460A 06/11/2025
Solicitante: 
スティースダルハイドロゲンエー/エス
JP_2025536460_PA

Resumen de: US2025236972A1

Electrolyzer for production of hydrogen gas and comprising a stack of bipolar electrodes sandwiching ion-transporting membranes between each two of the bipolar electrodes. Each bipolar electrode comprises two metal plates welded together back-to-back forming a coolant compartment in between and having a respective anode surface and an opposite cathode surface, each of which is abutting one of the membranes. The plates are embossed with a major vertical channel and minor channels in a herringbone pattern for transport of oxygen and hydrogen gases. The embossed herringbone pattern is provided on both sides of the metal plates so as to also provide coolant channels in a herringbone pattern inside the coolant compartment.

水電解装置

NºPublicación:  JP2025166457A 06/11/2025
Solicitante: 
株式会社堤水素研究所
JP_2025166457_PA

Resumen de: JP2025166457A

【課題】水の電気分解において、反応が進行する場所は電極表面の気体と液体の界面-すなわち固体、気体、液体の三相の界面の極めて限られた領域で反応が進む。つまり反応が進行する場所は電極表面の気体と液体の界面の狭い範囲に限定される。この狭い反応領域の一点に水の二分子もしくは水酸基の4分子が同時に接触しなければ水素分子もしくは酸素分子は発生せず極めて限定された反応機構となる。【解決手段】負極と正極と中間電極を有し、負極と正極との間に中間電極を配した少なくとも2組の電極群において、一方の電極群の負極と他方の電極群の正極との間に中間電極が配された水電解装置とすることにより反応面が線から面に広がり効率の良い水電解が可能となる。【選択図】図1A

水電解装置

NºPublicación:  JP2025166415A 06/11/2025
Solicitante: 
株式会社フジタ
JP_2025166415_PA

Resumen de: JP2025166415A

【課題】浄水器の劣化をおさえながら、水電解用の水を冷却および浄化し、十分な量を水電解セルに供給すること。【解決手段】水電解装置1は、水電解反応により水素および酸素を生成する水電解セルと、前記水電解セルで使用された水を貯蔵する水タンクと、前記水タンクに接続され前記水タンクから供給された水を冷却する熱交換器と、前記熱交換器に接続され前記熱交換器で冷却された水を浄化する浄水器と、前記水タンクから供給された水が前記熱交換器および前記浄水器を介して前記水電解セルに流れる第1流路92と、前記水タンクから供給された水が前記熱交換器および前記浄水器を介さずに直接前記水電解セルに流れる第2流路93と、前記水電解セルから前記水タンクに水が流れる第3流路と、を備える。【選択図】図1

ELECTROLYSIS SYSTEM COMPRISING AN ELECTROLYSIS PLANT AND A RENEWABLE ENERGY PLANT AND METHOD FOR CONTROLLING AN ELECTROLYSIS SYSTEM

NºPublicación:  EP4643431A1 05/11/2025
Solicitante: 
SIEMENS ENERGY GLOBAL GMBH & CO KG [DE]
Siemens Energy Global GmbH & Co. KG
CN_120693765_PA

Resumen de: AU2024301470A1

The present invention relates to an electrolysis system (100) comprising a renewable power generation plant (1), an electrolysis plant (3), a transformer station (27) and an AC bus bar (5), wherein the renewable power generation plant (1) is connected to the public electricity grid at a point of connection (POC) via the AC bus bar (5) and comprises a power plant controller (7) and a self-controlled converter (9) that is connected to the AC bus bar (5). The electrolysis plant (3) comprises an electrolysis active power controller (11) and a converter arrangement (13) that is connected to the AC bus bar (5), and wherein the electrolysis active power controller (11) is configured for controlling active power (P) of the electrolysis plant (3) at the AC bus bar (5) and the power plant controller (7) is configured for controlling reactive power (Q) at the point of connection (POC).

POROUS MONOLITHIC CATALYST WITH CORE-SHELL STRUCTURE, AND PREPARATION METHOD THEREFOR AND USE THEREOF

NºPublicación:  EP4644586A1 05/11/2025
Solicitante: 
NINGBO INST MATERIALS TECH & ENG CAS [CN]
Ningbo Institute of Materials Technology and Engineering, Chinese Academy of Sciences
EP_4644586_PA

Resumen de: EP4644586A1

The present disclosure discloses an integral catalyst with porous core-shell structure and a preparation method and an application thereof. With a transition metal as active material, a stable bifunctional catalyst capable of performing hydrogen evolution and biomass oxidation at the same time is prepared by epitaxial growth and air calcination; and, the process efficiencies of internal diffusion, external diffusion, adsorption, reaction and desorption of reactive molecules and product molecules and so on can be increased by the porous structure of the catalyst, realizing increase of the catalyst activity.

COMPOSITE DIAPHRAGM FOR HYDROGEN PRODUCTION BY ALKALINE ELECTROLYZED WATER, AND PREPARATION METHOD FOR COMPOSITE DIAPHRAGM

NºPublicación:  EP4644588A1 05/11/2025
Solicitante: 
HUA XIA HYDROGEN TECH XIAMEN CO LTD [CN]
Hua Xia Hydrogen Technology (Xiamen) Co., Ltd
EP_4644588_A1

Resumen de: EP4644588A1

The present invention provides an improved composite diaphragm for hydrogen production by alkaline electrolysis water. A thermally induced phase separation method is used for preparation, the process is simple, large-scale and large-area stable production can be realized, and the prepared composite diaphragm has high hydrophilicity and high mechanical strength, can tolerate high temperature (90-160°C) and high-concentration alkali liqid, and is an excellent diaphragm for an alkaline electrolytic cell for water electrolysis.

Bipolar plate and electrodes assembly and method for generating a bipolar plate and electrodes assembly and electrolyser unit adapted for electrolysing water into hydrogen and oxygen.

NºPublicación:  DK202430166A1 05/11/2025
Solicitante: 
GREEN HYDROGEN SYSTEMS AS [DK]
Green Hydrogen Systems A/S
WO_2025219328_PA

Resumen de: DK202430166A1

A bipolar plate and electrodes assembly where the bipolar plate is connected to an electrode through a number of distance units is thus suggested whereby the distance units are singular, and that further, between each singular distance unit and at least one of the bipolar plate and the electrode a fusion zone is/are provided. The invention also comprises a method for generating a bipolar plate and electrodes assembly. Further an electrolyser adapted for electrolysing water into oxygen and hydrogen, is provided, whereby the electrolyser comprises a cell stack having alternatingly a diaphragm and a bipolar plate and electrode assembly and the assembly is comprised of a number of singular distance units interposed between and interconnecting bipolar plate and respective cathode and anode electrode, which distance units are adapted to be generated by way of one or more distance unit controlled generators during an assembly and fusion process.

ADHESIVE-FIXED ELECTROLYSIS MODULE

NºPublicación:  EP4644584A2 05/11/2025
Solicitante: 
TECHCROSS INC [KR]
Techcross Inc
EP_4644584_PA

Resumen de: EP4644584A2

The present invention is an adhesive-fixed electrolysis module comprising a single stack, the single stack having a separator, a pair of bipolar plates, a pair of gaskets, a pair of diffusion layers, a pair of electrodes, and a cell frame, wherein the bipolar plates, the gaskets, the diffusion layers, and the electrodes are sequentially arranged on the cathode and anode sides, respectively, with respect to the separator, forming a symmetrical structure, wherein the separator, the bipolar plates, the gaskets, the diffusion layers, and the electrodes are stacked in a zero-gap manner within the cell frame, and wherein the bipolar plates are adhered and fixed to the cell frame using an adhesive, thereby simplifying product assembly and reducing assembly costs compared to a single stack fixing method using welding, riveting, bolting, etc. between conventional parts.

SYSTEM AND METHOD FOR PRODUCING HYDROGEN FROM FEEDSTOCK

NºPublicación:  EP4642880A1 05/11/2025
Solicitante: 
SYNTHEC FUELS GMBH [DE]
Synthec Fuels GmbH
DE_102022134996_PA

Resumen de: WO2024141564A1

The present disclosure relates to a system for producing hydrogen from feedstock and a method thereof. The system comprises a first chamber adapted to thermally decompose the feedstock, and a second chamber adapted to receive a first portion of the gaseous stream and to receive a first portion of the solids stream to form a reactants combination. The second chamber adapted to partially react the reactants combination with steam to produce a product gas. The system further comprises a third chamber adapted to receive a second portion of the gaseous stream and adapted to receive a second portion of the solids stream to form a combustibles combination. The third chamber adapted to at least partially combust the combustibles combination to produce process heat for the first chamber and/or the second chamber. The system further comprises a controller adapted to adjust the composition of the reactants combination and of the combustibles combination.

LOW-CAPACITY HIGH-PRESSURE ELECTROLYSIS DEVICE

NºPublicación:  EP4642951A1 05/11/2025
Solicitante: 
HYDRO GEN BV [NL]
HYDRO-GEN BV
KR_20250129009_PA

Resumen de: CN120390829A

The present invention provides a small high-voltage electrolyzer for generating hydrogen and oxygen, the small high-voltage electrolyzer comprising: one or more cells each comprising a plurality of high-voltage electrolysis cells wherein the electrolysis cells of the respective cells are electrically connected in series; and a central electrolyte header functionally connected to each of the electrolytic cells for supplying a liquid electrolyte to the cell; a central hydrogen header connected to each of the electrolytic cells for discharging the generated hydrogen from the cells; a central oxygen header connected to each of the electrolytic cells for discharging the generated oxygen from the cells; the direct-current power supply is used for supplying power to each unit of the electrolytic bath which is connected in series; wherein the cells of the electrolytic cells connected in series are electrically connected in parallel.

A PLASMA-CATALYTIC GLIDING DISCHARGE SYSTEM FOR THE DECOMPOSITION OF AMMONIA AND USE THEREOF

NºPublicación:  EP4642571A1 05/11/2025
Solicitante: 
POLITECHNIKA WARSZAWSKA [PL]
Politechnika Warszawska
PL_444277_A1

Resumen de: WO2024205436A1

The object of the invention is a plasma-catalytic system for the decomposition of ammonia in gliding discharge plasma characterized in that it contains a gliding discharge reactor containing at least one catalytic bed (5) containing a metallic catalyst selected from a group including Ni and Co in an amount in a range of 2-20% by weight deposited on the Al2O3 substrate. Another object of the invention is the plasma-catalytic system of the invention for use in the decomposition of ammonia, characterized in that the mixture to be decomposed contains at least 60% ammonia and at least 40% another component selected from nitrogen and hydrogen with a flow rate in a range of 160-200 Ndm3/h.

CONTROL OF AN ELECTROLYSIS SYSTEM FOR PRODUCING HYDROGEN AND OXYGEN BY ELECTROLYSING WATER

NºPublicación:  EP4643430A1 05/11/2025
Solicitante: 
SIEMENS ENERGY GLOBAL GMBH & CO KG [DE]
Siemens Energy Global GmbH & Co. KG
CN_120836126_PA

Resumen de: AU2024318321A1

The invention relates to an electrolysis system (10) comprising a plurality of electrolysis devices (34, 36) which are connected to a power supply line (30), the electrolysis devices (34, 36) having a power supply unit (38, 40) and an electrolysis module (12, 14, 16, 18, 20, 22, 24, 26) coupled to the power supply unit, the power supply units of the electrolysis devices comprising a transformer (42, 44, 46, 48) and a rectifier unit (50, 52, 54, 56, 58, 60, 62, 64), the transformer having a primary winding (66, 68, 70, 72) and a secondary winding (74, 76, 78, 80, 82, 84, 86, 88) connected to an AC voltage side of the rectifier unit. According to the invention, the primary winding of the transformer of at least a first of the electrolysis devices (40) is designed to be adjustable in stages, and the rectifier unit of said electrolysis device is designed to be operated in an uncontrolled manner, the rectifier unit of the power supply unit of at least a second of the electrolysis devices being designed to be operated in a controlled manner depending on the electrical energy that can be provided by the energy source.

水素発生装置

NºPublicación:  JP2025165571A 05/11/2025
Solicitante: 
株式会社神鋼環境ソリューション
JP_2025165571_PA

Resumen de: JP2025165571A

【課題】熱交換器を用いた水の温度調整での調整精度を高めることが可能な水素発生装置を提供し、水素発生装置での水素ガスの製造効率を向上させる。【解決手段】水を電気分解して水素を発生させる電解装置と、電解装置を通じて水が循環する水循環経路と、水循環経路でイオンを除去するイオン交換器と、水循環経路の水温を調節する水温調節装置とを有し、水循環経路がイオン交換器通過と電解装置との間で分岐した後に合流し、水温調節装置は、電解装置が排出する水よりも低温の水をイオン交換器に供給し、該水よりも高温の水を電解装置に供給すべく、分岐点から合流点までの間に熱交換器を有し、合流点で合流する水に温度差を設けるよう構成され、合流する水の割合を調整して電解装置に供給する水の温度を調整する温度調整弁を有している水素発生装置を提供する。【選択図】 図3

電解装置

NºPublicación:  JP2025165583A 05/11/2025
Solicitante: 
株式会社デンソー
JP_2025165583_PA

Resumen de: JP2025165583A

【課題】内側領域の温度上昇を抑制することができる、電解装置を提供すること。【解決手段】電解質層と、第1電極21と、第2電極と、第1流路と、を備えた電解セルと、第2流路と、第1電極に当接すると共に第1流路を形成する流路形成導体5と、を有し、流路形成導体5を介して第1電極21と第2電極との間に電圧を印加することで、反応流体Fを電気分解して、水素を生成するよう構成された、電解装置1。第1面の法線方向Zから見て、第1電極21を、第1電極21の外周端辺を含む外周領域A1と、外周領域A1の内側の内側領域A2とに分け、内側領域A2の外形は、第1電極21の外形の相似形であって、内側領域A2の面積を第1電極21の面積の半分とし、電解セルにおける電気分解反応に伴う単位面積当たりの吸熱量を吸熱密度としたとき、外周領域A1における吸熱密度の平均値よりも、内側領域A2における吸熱密度の平均値の方が大きい。【選択図】図2

PARTIAL LOAD OPERATION OF ELECTROLYZER

NºPublicación:  EP4642959A1 05/11/2025
Solicitante: 
SIEMENS ENERGY GLOBAL GMBH & CO KG [DE]
Siemens Energy Global GmbH & Co. KG
CN_120731295_PA

Resumen de: AU2024307301A1

A method and arrangement of performing electrolysis by an electrolyzer includes an operational mode and a partial operational mode. During the operational mode operational power from a main power source (202) to a first (808) and second set of stacks (806). In response to detecting a power insufficient for the first and the second set of stacks (806) to perform electrolysis without impurities, the electrolyzer is set to a partial operational mode, wherein the first set of stacks (808) perform electrolysis without impurities and the second set of stacks (806) do not perform electrolysis.

CATALYST FOR WATER ELECTROLYSIS USING FLUORINE DOPED TIN OXIDE SUPPORT AND METHOD FOR MANUFACTURING THE SAME

NºPublicación:  KR20250157901A 05/11/2025
Solicitante: 
한국과학기술연구원한국기초과학지원연구원
KR_20250157901_PA

Resumen de: KR20250157901A

본 발명은 담지체를 준비하는 단계; 담지체에 불소를 도핑하는 단계; 및 불소가 도핑된 담지체의 표면에 금속 입자 촉매를 형성하는 단계;를 포함하는 불소가 도핑된 담지체를 이용한 수전해용 촉매의 제조 방법과 이로부터 제조된 수전해용 촉매에 관한 것이다.

ENERGY SUPPLY SYSTEM FOR COUPLING TO A WIND TURBINE USED IN ISLAND MODE, AND METHOD FOR SUPPLYING THE WIND TURBINE WITH SOLAR ENERGY

NºPublicación:  EP4643012A1 05/11/2025
Solicitante: 
SIEMENS ENERGY GLOBAL GMBH & CO KG [DE]
Siemens Energy Global GmbH & Co. KG
CN_120813766_PA

Resumen de: AU2024291100A1

The invention relates to an energy supply system (20) for coupling to a wind turbine (30) used in island mode, wherein the wind turbine (30) is configured to operate an electrolysis system (11) for producing green hydrogen using wind energy, wherein the energy supply system (20) has a solar energy source (21), comprising a photovoltaic module (22) and/or a solar thermal collector (23), which is configured to supply the electrolysis system (21), in particular an enclosure (12) and water-conducting lines of electrolysis units of the electrolysis system (11), with thermal energy in the event of the absence of wind energy. The invention also relates to a corresponding method for supplying solar energy to a wind turbine (30) used in island mode.

ORGANIC-INORGANIC COMPOSITE SEPARATOR FOR PRODUCTION OF HYDROGEN BY ALKALINE WATER ELECTROLYSIS, AND PREPARATION METHOD THEREFOR

NºPublicación:  EP4644587A1 05/11/2025
Solicitante: 
HUA XIA HYDROGEN TECH XIAMEN CO LTD [CN]
Hua Xia Hydrogen Technology (Xiamen) Co., Ltd
EP_4644587_PA

Resumen de: EP4644587A1

The present invention provides an improved organic-inorganic composite diaphragm for hydrogen production by alkaline water electrolysis, and a preparation method therefor. An organic polymer resistant to high temperature and concentrated alkali is selected; a polar polymer and a soluble metal salt are introduced into a diaphragm-forming solution; an aqueous alcohol solution containing ions capable of precipitating the metal salt in the diaphragm-forming solution is used as a diaphragm-forming coagulation bath; and the diaphragm and inorganic particles are generated simultaneously to prepare an organic-inorganic composite diaphragm having the inorganic particles uniformly distributed on the surface and the interior of the diaphragm. The organic-inorganic composite diaphragm has few defects, high stability and strong controllability, is used as a diaphragm for hydrogen production by alkaline water electrolysis, and demonstrates a lower electrolysis voltage and very high electrolysis efficiency.

MEMBRANE, MEMBRANE ELECTRODE ASSEMBLY, AND WATER ELECTROLYSIS DEVICE

NºPublicación:  EP4644122A1 05/11/2025
Solicitante: 
INST OF SCIENCE TOKYO [JP]
NIPPON KAYAKU KK [JP]
INSTITUTE OF SCIENCE TOKYO,
Nippon Kayaku Kabushiki Kaisha
EP_4644122_PA

Resumen de: EP4644122A1

A membrane having excellent radical durability and low gas permeability, a membrane electrode assembly including the membrane, and a water electrolysis apparatus are provided. A membrane having a laminated structure including a layer B1, a layer A, and a layer B2 in this order, in which the layer A contains a hydrocarbon-based polymer (a) which has an ionic group and may be fluorine-substituted, and each of the layers B1 and B2 contains a perfluoro-carbon polymer (b) having an ionic group.

水電解システム、水電解方法、および、コンピュータプログラム

NºPublicación:  JP2025165009A 04/11/2025
Solicitante: 
株式会社豊田中央研究所
JP_2025165009_PA

Resumen de: JP2025165009A

【課題】 水電解システムにおいて、目標露点となっている水素を短時間で製造する技術を提供する。【解決手段】 水電解システムは、水の電気分解によって水素を生成する水電解装置と、水電解装置に接続され、水電解装置によって生成された水素と水とを含むガスが流れる流路と、流路に接続され、水電解装置から供給されるガスを収容する収容部と、収容部に供給されるガスを冷却する冷却部と、収容部の内部の温度を検出する温度検出部と、収容部の内部の圧力を変更する圧力変更部と、収容部の内部の露点が目標露点となるための収容部の内部の温度と圧力との関係を示す情報と、温度検出部によって検出された温度と、を用いて目標圧力を推定し、収容部の内部の圧力が目標圧力になるように、圧力変更部を制御する制御部と、を備える。【選択図】 図1

WATER ELECTROLYSIS SYSTEM

NºPublicación:  KR20250157224A 04/11/2025
Solicitante: 
도요타지도샤가부시키가이샤
JP_2025167582_PA

Resumen de: US2025333854A1

A water electrolysis system that generates hydrogen and oxygen by electrolysis of water includes a water electrolysis cell including an anode, a cathode, and an electrolyte membrane sandwiched between the anode and the cathode, and a control device that controls electric power supplied to the water electrolysis cell, wherein the control device performs a potential changing process of changing a potential of the anode either or both of upon starting of the water electrolysis system and during continuous operation of the water electrolysis system, and the potential changing process includes a potential lowering process of lowering the potential of the anode to a predetermined potential.

물로부터 수소 및 산소를 생산하는 전기화학 셀 및 방법

NºPublicación:  KR20250157382A 04/11/2025
Solicitante: 
프라운호퍼게젤샤프트쭈르푀르데룽데어안겐반텐포르슝에베
KR_20250157382_PA

Resumen de: WO2024179759A1

The invention relates to an electrochemical cell and to a method for producing hydrogen and oxygen from water. By virtue of the electrochemical cell according to the invention, it is possible to carry out an electrochemical reaction at temperatures of 120 °C - 200 °C and pressures of up to 30 bar even under harsh chemical conditions (e.g. KOH mass fractions of up to 35% in the electrolyte) over long periods of time. By virtue of the method according to the invention it is possible to produce hydrogen and oxygen from water at temperatures of 120 °C - 200° C and pressures of up to 30 bar even under harsh chemical conditions (e.g. KOH mass fractions of up to 35% in the electrolyte).

一种电解水用的电解槽气室及碱性电解槽

NºPublicación:  CN120888952A 04/11/2025
Solicitante: 
温州高企氢能科技有限公司
CN_120888952_A

Resumen de: CN120119273A

The invention relates to the field of hydrogen production through water electrolysis, and discloses an electrolytic bath air chamber for water electrolysis and an alkaline electrolytic bath, the electrolytic bath air chamber comprises a supporting net, an anode, an anode side separation net, a diaphragm, a cathode side separation net, a cathode and a supporting net which are sequentially overlapped, the anode side separation net and the cathode side separation net are pore plates with holes, grids with holes or layers with air permeability, and the supporting net is arranged between the anode side separation net and the cathode side separation net. The electrode and the diaphragm are separated through the cathode side separation net and the anode side separation net, a gap for discharging gas on the electrode is generated, and meanwhile, the tightness of laminations in the electrolytic bath such as the electrode and the supporting net is ensured, so that the alkaline electrolytic bath for producing hydrogen by electrolyzing water has relatively low contact resistance and bubble resistance, and the quality of the obtained gas is ensured.

用于产生氢气的方法

NºPublicación:  CN120897885A 04/11/2025
Solicitante: 
氢有限公司
CN_120897885_PA

Resumen de: AU2024224275A1

A process for the reaction of aluminium with water comprising the steps of adding aluminium metal to an aqueous solution comprising potassium hydroxide at a concentration of between 0.1M and 0.4M and a surfactant; agitating the mixture of previous step; and collecting generated hydrogen. A composition for use in such a process for reacting aluminium with water, comprising potassium hydroxide and a surfactant.

A SOLID OXIDE ELECTROLYSIS CELL AND A METHOD OF MANUFACTURING THE SAME

NºPublicación:  KR20250156340A 03/11/2025
Solicitante: 
현대자동차주식회사기아주식회사연세대학교산학협력단한국과학기술연구원
KR_20250156340_PA

Resumen de: US2025333862A1

A solid oxide electrolysis cell includes an oxygen electrode, a fuel electrode, and an electrolyte interposed between the oxygen electrode and the fuel electrode. The oxygen electrode comprises an oxygen electrode carrier comprising internal pores, and an oxygen electrode catalyst supported in the internal pores, and having a perovskite single-phase structure. The fuel electrode comprises a fuel electrode carrier and a fuel electrode catalyst supported on the fuel electrode carrier.

METHOD FOR GENERATING HYDROGEN USING ALUMINUM DROSS METHOD FOR MANUFACTURING ALUMINUM BILLET METHOD AND SYSTEM FOR EXTRUDING ALUMINUM USING THE SAME METHOD

NºPublicación:  KR20250156482A 03/11/2025
Solicitante: 
정종욱
KR_20250156482_PA

Resumen de: KR20250156482A

본 발명은 용해로에 알루미늄을 투입하고, 버너를 이용하여 상기 용해로를 가열하는 단계; 알루미늄 용융된 용탕의 표면에서 알루미늄 드로스를 수집하는 단계; 반응조에 수집된 알루미늄 드로스 및 폐알칼리 용액을 투입하여 수소 가스를 발생시키고, 발생된 수소 가스를 포집하는 단계; 및 상기 용탕으로 알루미늄 빌렛을 제조하는 단계; 를 포함하며, 상기 버너는 수소 버너를 포함하고, 상기 알루미늄 드로스 및 상기 폐알칼리 용액을 반응시켜 발생된 수소 가스는 상기 수소 버너의 연료로 공급되는 것을 특징으로 하는 알루미늄 빌렛 제조 방법에 관한 것이다.

HYDROGEN GENERATOR AND SHIPS CONTAINING THE SAME

NºPublicación:  KR20250156282A 03/11/2025
Solicitante: 
에이치디한국조선해양주식회사
KR_20250156282_PA

Resumen de: KR20250156282A

본 발명의 일 실시예에 따른 선박은, 해수를 수소로 분리하는 수소발생장치 및 상기 수소발생장치를 통해 제조된 수소를 저장하는 수집부를 포함하고, 상기 수소발생장치는, 광촉매를 통해 해수로부터 수소를 발생시키는 촉매부 및 해수의 수면에 배치되어 상기 촉매부를 지지하는 지지부를 포함할 수 있다.

HYDROGEN PRODUCTION APPARATUS USING MICROWAVE PYROLYSIS OF AMMONIA

NºPublicación:  KR20250156580A 03/11/2025
Solicitante: 
알에프에이치아이씨주식회사
KR_20250156580_PA

Resumen de: KR20250156580A

본 발명은 수소 제조 장치에 관한 것으로서, 구체적으로는 암모니아에 마이크로파를 인가하여 수소와 질소로 분해하는 장치에 관한 것이다. 본 발명은 특히 고출력 마이크로파 발생부를 이용하여 암모니아의 열분해를 효율적으로 수행하고, 그 생성된 수소를 다양한 용례에 활용할 수 있게 하는 수소 제조 장치에 관한 것이다. 본 발명에 따른 수소 제조 장치는 구체적으로, 암모니아가 투입되면 비귀금속 촉매재를 이용하여 상기 암모니아를 수소와 질소로 분해하는 반응기, 상기 반응기 내 상기 암모니아에 마이크로파를 인가하는 적어도 하나의 마이크로파 발생부, 및 상기 마이크로파 발생부의 출력 레벨 및 주파수를 제어하여 상기 반응기 내 온도를 유지하는 제어 시스템을 포함한다.

PROCESS FOR THE PREPARATION OF METHANOL

NºPublicación:  MX2025012653A 03/11/2025
Solicitante: 
TOPSOE AS [DK]
TOPSOE A/S
WO_2024251639_A1

Resumen de: MX2025012653A

Process for the preparation of methanol comprising the steps of (a) preparing a hydrogen feedstock by electrolysis (b) providing a carbon oxide feedstock in periods of operating the electrolysis in step (a) (c) mixing at least part of the hydrogen feed and carbon oxide source consisting of carbon monoxide and/or carbon dioxide feed to obtain a methanol synthesis gas; (d) adjusting the molar content of hydrogen, carbon monoxide and/or carbon dioxide from step (c) to a module M of (H2-CO2)/(CO2+CO) to between 1.9 and 2.2 (e) converting the methanol synthesis gas in one or more boiling water reactors to methanol; in periods without operating the electrolysis in step (a) (f) interrupting the converting of the methanol synthesis gas in the one or more boiling water reactors by heat exchange with boiling water, wherein in step (f) the one or more boiling water reactors are heated by one or more auxiliary heaters to maintain boiling of the water in the one or more boiling water reactors.

AN ANION EXCHANGE MEMBRANE WATER ELECTROLYZER COMPRISING THE METAL NANOCRYSTAL ELECTRODEPOSITED SUPER-HYDROPHILIC TiO2-BASED NANOTUBE ELECTRODE AND PREPARATION METHOD THEREOF

NºPublicación:  KR20250156298A 03/11/2025
Solicitante: 
경북대학교산학협력단
KR_20250156298_PA

Resumen de: WO2025226115A1

The present invention relates to a super-hydrophilic titanium oxide nanotube electrode electrodeposited with metal nanoparticles and, more specifically, to a method for manufacturing a super-hydrophilic titanium oxide nanotube-based electrode electrodeposited with metal nanoparticles through simple electrooxidation and electrodeposition.

Système et procédé de coproduction de dihydrogène, de dioxygène et d’un produit hydrogéné ou oxydé

NºPublicación:  FR3161690A1 31/10/2025
Solicitante: 
GENVIA [FR]
SERVICES PETROLIERS SCHLUMBERGER [FR]
GENVIA,
SERVICES PETROLIERS SCHLUMBERGER
FR_3161690_A1

Resumen de: FR3161690A1

Couplage d’une installation d’hydrogénation ou d’oxydation (2) et d’une installation de production de dihydrogène (3) pour transférer (4) de la chaleur produite par l’installation d’hydrogénation ou d’oxydation (2) à un flux d’entrée d’un dispositif électrochimique de l’installation de production de dihydrogène (3) et/ou pour acheminer (100) vers l’installation d’hydrogénation ou d’oxydation (2) un ou plusieurs fluides formés par le dispositif électrochimique. Figure pour l’abrégé : Fig. 6

用于控制氢气生产设施的操作的方法

NºPublicación:  CN120882913A 31/10/2025
Solicitante: 
ABB\u745E\u58EB\u80A1\u4EFD\u6709\u9650\u516C\u53F8
CN_120882913_PA

Resumen de: WO2024208614A1

- 27 - Method for use in controlling operation of a hydrogen production plant ABSTRACT The invention provides computer-implemented method for use in controlling operation of a hydrogen production plant, the method comprising determining a maximum available amount of energy of a predetermined energy category in a current time interval; determining a target minimum amount of the energy of the predetermined energy category to be used for hydrogen production in the current time interval; and determining hydrogen setpoints for the current time interval using the maximum available amount and the target minimum amount as constraints. Fig. 1b

经由高流体速度电解和气体分离生成氢气

NºPublicación:  CN120882907A 31/10/2025
Solicitante: 
懿华水处理技术有限责任公司
CN_120882907_PA

Resumen de: AU2024286612A1

Disclosed are a system and method for the generation of hydrogen from a source of liquid comprising water. The system comprises a high fluid velocity electrolyzer comprising an inlet and an outlet, the inlet of the high fluid velocity electrolyzer fluidly connected to the source of liquid, and a gas fractionation system fluidly connected to the outlet of the high fluid velocity electrolyzer.

氢气制造系统以及氢气制造系统的运转方法

NºPublicación:  CN120882910A 31/10/2025
Solicitante: 
三菱重工业株式会社
CN_120882910_PA

Resumen de: AU2024239221A1

This hydrogen production system is provided with: a solid oxide electrolytic cell (SOEC) that electrolyzes water vapor; a power supply device that applies a voltage equal to or greater than a thermal neutral voltage to the SOEC; and a water vapor generation device that generates at least a portion of water vapor to be supplied to the SOEC by heating water using surplus heat generation of the SOEC.

Procédé et système de production d’hydrogène à consommation électrique diminuée

NºPublicación:  FR3161689A1 31/10/2025
Solicitante: 
GENVIA [FR]
SERVICES PETROLIERS SCHLUMBERGER [FR]
GENVIA,
SERVICES PETROLIERS SCHLUMBERGER
FR_3161689_PA

Resumen de: FR3161689A1

L’invention concerne un procédé de production d’hydrogène par électrolyse de vapeur d’eau, comprenant les étapes suivantes : production de vapeur d’eau (112) par chauffage d’eau liquide (204), etélectrolyse, dans une unité d’électrolyse (102), d’au moins une partie de ladite vapeur d’eau (112), pour fournir un premier flux de sortie (116) riche en hydrogène et d’un deuxième flux de sortie (118) riche en oxygène ; caractérisé en ce que la production de la vapeur d’eau est réalisée par au moins un circuit de pompe à chaleur réutilisant une partie de la chaleur d’au moins un desdits flux de sortie (116,118) pour vaporiser l’eau liquide. Elle concerne également un système (400) mettant en œuvre un tel procédé. Voir Figure 4

氢制造系统及氢制造系统的运行方法

NºPublicación:  CN120882909A 31/10/2025
Solicitante: 
三菱重工业株式会社
CN_120882909_PA

Resumen de: JP2024140857A

To provide a hydrogen production system and an operation method of the hydrogen production system capable of suppressing the production cost of hydrogen generated by electrolysis of steam in a solid oxide electrolytic cell (SOEC) and expanding the range of the amount of steam which can be electrolyzed.SOLUTION: A hydrogen production system includes a solid oxide electrolytic cell (SOEC) for electrolysis of steam, a steam generator for heating feed water to generate steam, and a combustor for burning a part of hydrogen included in the steam discharged from the hydrogen electrode of the SOEC. The steam generator is configured such that at least a part of the supply water is heated by heat exchange between at least a part of the supply water and a gas containing combustion gas generated in the combustor to generate at least a part of the steam.SELECTED DRAWING: Figure 1

电解槽系统

NºPublicación:  CN120882908A 31/10/2025
Solicitante: 
赛瑞斯知识产权有限公司
CN_120882908_PA

Resumen de: AU2024237817A1

The present invention relates to an electrolyser system (10) comprising at least one electrolyser (20), the electrolyser (20) comprising at least one steam inlet (41) and at least one off-gas outlet (38; 39), and a turbocharger (62) for compressing off-gas from the electrolyser (20). The turbocharger (62) comprises a drive fluid inlet, a drive fluid outlet, a compression fluid inlet, a compressed fluid outlet, a compressor (13) and a turbine (12). The turbine (12) is configured to drive the compressor (13). The drive fluid outlet of the turbocharger (62) is fluidically connected to the at least one steam inlet (41) of the electrolyser (20). The at least one off-gas outlet (38; 39) of the electrolyser (20) is fluidically connected to the compression fluid inlet of the turbocharger (62). The system (10) can further can comprise a steam source fluidically connected to the drive fluid inlet of the turbocharger (62) for powering the turbine (12) using pressurised steam.

DEVICE FOR PRODUCING HYDROGEN USING THERMOCHEMICAL REDOX CYCEL

NºPublicación:  KR20250156050A 31/10/2025
Solicitante: 
이화여자대학교산학협력단
KR_20250156050_PA

Resumen de: KR20230147339A

The present invention provides a device for producing hydrogen using a thermochemical redox cycle. A device for producing hydrogen according to one embodiment of the present invention comprises: a first reactor having one end selectively connected to a heat supply source through a valve and the other end selectively connected to an external cooling device and a heat source-using device through a valve; a second reactor having one end selectively connected to the heat supply source through a valve and the other end selectively connected to the external cooling device and the heat source-using device through a valve; and a control unit performing a control operation by adjusting the state of the valve so that hydrogen or oxygen may be produced in the first reactor and the second reactor. Hydrogen or oxygen can be produced in a plurality of reactors by adjusting the state of a valve.

POROUS TRANSPORT LAYER AND PRODUCTION METHOD

NºPublicación:  WO2025223600A1 30/10/2025
Solicitante: 
DORSTENER DRAHTWERKE H W BRUNE & CO GES MIT BESCHRAENKTER HAFTUNG [DE]
DORSTENER DRAHTWERKE H. W. BRUNE & CO. GESELLSCHAFT MIT BESCHR\u00C4NKTER HAFTUNG
WO_2025223600_PA

Resumen de: WO2025223600A1

The invention relates to a porous transport layer (1) for use in an electrolyzer, wherein the transport layer (1) has a plurality of layers (2-4) which are connected to one another, at least one of the layers (2) has a porosity of less than 75%, another layer (3) has a porosity of 75% to 90%, all of the layers (2-4) consist of metal and are integrally bonded to one another, and at least one of the layers (3) consists of a sheet material made of wire or an expanded metal mesh, said sheet material having a main plane and a 3D structuring perpendicular to the main plane such that flow channels are formed in conjunction with an adjacent layer (4, 2).

RECOMBINATION LAYERS FOR CROSSOVER MITIGATION FOR EXCHANGE MEMBRANES AND WATER ELECTROLYZER MEMBRANE ELECTRODE ASSEMBLIES

NºPublicación:  AU2023443530A1 30/10/2025
Solicitante: 
PLUG POWER INC
PLUG POWER INC
AU_2023443530_PA

Resumen de: AU2023443530A1

A method for forming a recombination layer includes, for example, an ionomer and a nanocrystal catalyst disposed in the ionomer. A method for forming the recombination layer may include, for example, providing an ionomer dispersion, providing a compound having a catalyst having a charge, adding the catalyst in the compound to the ionomer to form a mixture, reducing the catalyst in the compound to a metal catalyst in the ionomer, and forming the mixture with the metal catalyst into a recombination layer for a proton exchange membrane.

METHOD AND SYSTEM FOR SYNTHESIZING FUEL FROM DILUTE CARBON DIOXIDE SOURCE

NºPublicación:  AU2025248680A1 30/10/2025
Solicitante: 
CARBON ENG LTD
Carbon Engineering Ltd
AU_2025248680_A1

Resumen de: AU2025248680A1

Abstract A method for producing a synthetic fuel from hydrogen and carbon dioxide comprises extracting hydrogen molecules from hydrogen compounds in a hydrogen feedstock to produce a hydrogen-containing fluid stream; extracting carbon dioxide molecules from a dilute gaseous mixture in a carbon dioxide feedstock to produce a carbon dioxide containing fluid stream; and processing the hydrogen and carbon dioxide 5 containing fluid streams to produce a synthetic fuel. At least some thermal energy and/or material used for at least one of the steps of extracting hydrogen molecules, extracting carbon dioxide molecules, and processing the hydrogen and carbon dioxide containing fluid streams is obtained from thermal energy and/or material produced by another one of the steps of extracting hydrogen molecules, extracting carbon dioxide molecules, and processing the hydrogen and carbon dioxide containing fluid streams. 10 Abstract A method for producing a synthetic fuel from hydrogen and carbon dioxide comprises extracting hydrogen molecules from hydrogen compounds in a hydrogen feedstock to produce a hydrogen-containing fluid stream; extracting carbon dioxide molecules from a dilute gaseous mixture in a carbon dioxide feedstock 5 to produce a carbon dioxide containing fluid stream; and processing the hydrogen and carbon dioxide containing fluid streams to produce a synthetic fuel. At least some thermal energy and/or material used for at least one of the steps of extracting hydrogen mole

PROCESS FOR PRODUCING GAS COMPRISING HYDROGEN

NºPublicación:  WO2025223733A1 30/10/2025
Solicitante: 
AIR LIQUIDE [FR]
L'AIR LIQUIDE, SOCIETE ANONYME POUR L'ETUDE ET L'EXPLOITATION DES PROCEDES GEORGES CLAUDE
WO_2025223733_PA

Resumen de: WO2025223733A1

The invention relates to a process (100) for producing a hydrogen product (81) from an endothermic cracking reaction of an ammonia feed (4), comprising the following steps: - in said cracking unit, performing (S20) the endothermic cracking reaction of the ammonia feed, thereby producing a cracked gas (80) containing hydrogen (81), nitrogen (82) and unconverted ammonia (83), - in said cracking unit, combusting the separated unconverted ammonia in a combustion step (S40) to provide heat to the endothermic cracking reaction, - reducing (S50) a cracking temperature (Tc) of the endothermic cracking reaction, thus increasing the amount of unconverted ammonia in the cracked gas and to be combusted to provide heat to the endothermic cracking reaction, - controlling (S60) the flow of the ammonia feed directed to the cracking unit to produce a desired amount of hydrogen product (Psp).

REACTOR SYSTEM BASED ON AN ALKALINE ELECTROLYSIS SYSTEM FOR PRODUCTION OF A FUEL GAS AND PROCESS FOR PRODUCING THE FUEL GAS BY MEANS OF THE REACTOR

NºPublicación:  WO2025223592A1 30/10/2025
Solicitante: 
BREITMAYER JUERGEN [DE]
BREITMAYER, J\u00FCrgen
WO_2025223592_PA

Resumen de: WO2025223592A1

It is an object of the invention to provide a reactor system based on an alkaline electrolysis system and an associated process for producing a synthetic fuel gas having a high proportion of oxygen from natural gas, biogas or exhaust gases from an internal combustion engine with hydrogen and oxygen formed in the electrolysis as fuel gas or synthesis gas. As a result of a high proportion of oxygen in the fuel gas of more than 20% by volume, the energy content of the new synthetic fuel gas is significantly higher than that of mixed gases already used in practice with a proportion of oxygen of less than 5% by volume. The arrangement of the reactor, including all additional systems, in a container allows largely standardized prefabrication on the part of the manufacturer of the reactor comprising the electrolysis system, including compliance with and installation of corresponding safety devices. The reactor system and the process for producing a fuel gas (25) from a carrier gas (11), e.g. natural gas (11), hydrogen, and oxygen utilize an alkaline low-voltage electrolysis system (3) which consists of a plurality of individual cells (4) within a reactor housing (2) and allows the fuel gas (25) to be formed in the individual cell (4) already during electrolysis. In spite of its high oxygen content, the fuel gas (25) is combustible but not explosive.

REACTOR GAS SYSTEM WITH MOTOR AND GENERATOR

NºPublicación:  WO2025223593A1 30/10/2025
Solicitante: 
BREITMAYER JUERGEN [DE]
BREITMAYER, J\u00FCrgen
WO_2025223593_PA

Resumen de: WO2025223593A1

The object of the invention is to use an electric generator system with an internal combustion engine in combination with a reactor system based on an alkaline electrolysis system for producing a fuel gas with a high oxygen content from a carrier gas, e.g. natural gas, and/or the exhaust gases of internal combustion engines and using the hydrogen and oxygen produced during the electrolysis process, and to provide a method for producing a fuel gas or synthesis gas with a high oxygen content by means of the reactor, wherein the energy input for producing the fuel gas is reduced and the water input is minimized compared to already known methods and systems. The system and the method for producing a fuel gas (25) from a carrier gas (11), e.g. natural gas (11), exhaust gases from internal combustion engines, hydrogen and oxygen, use an alkaline low-voltage electrolysis system (3), which consists of a plurality of individual cells (4) within a reactor housing (2) and allows the fuel gas (25) to be produced directly in the individual cell (4) during electrolysis. Despite its high oxygen content, the fuel gas (25) is combustible but not explosive.

FESTOXID-ELEKTROLYSEZELLE UND VERFAHREN ZU DEREN HERSTELLUNG

NºPublicación:  DE102024204053A1 30/10/2025
Solicitante: 
HYUNDAI MOTOR CO LTD [KR]
KIA CORP [KR]
KOREA INST SCI & TECH [KR]
UIF UNIV INDUSTRY FOUNDATION YONSEI UNIV [KR]
Hyundai Motor Company,
Kia Corporation,
Korea Institute of Science and Technology,
UIF (University Industry Foundation), Yonsei University
DE_102024204053_PA

Resumen de: DE102024204053A1

Offenbart sind eine Festoxid-Elektrolysezelle und ein Verfahren zu deren Herstellung.

HYDROGEN GENERATION SYSTEM AND REGULATOR THEREFOR

NºPublicación:  US2025336995A1 30/10/2025
Solicitante: 
GREEN FUEL LLC [US]
Green Fuel, LLC
US_2025336995_PA

Resumen de: US2025336995A1

A passive dual modulating regulator with relative differential venting (“regulator”) for use with a contained hydrogen generation system (“system”) comprises a flexible diaphragm clamped between a first housing section and a second housing section. The regulator defines a hydrogen fluid path in fluid communication with the hydrogen-side of the system, an exterior hydrogen storage vessel, and an exterior of the system. The regulator also defines an oxygen fluid path in fluid communication with the oxygen-side of the system, an exterior oxygen storage vessel, and an exterior of the system. The regulator regulates pressure imbalances between the oxygen-side of the system and the hydrogen-side of the system, and vents oxygen and hydrogen to an exterior of the system to allow collection of both hydrogen and oxygen and avoid rupture of a proton-exchange membrane of the system.

SPATIAL CONTROL OF POLYNUCLEOTIDE SYNTHESIS BY STRAND CAPPING

NºPublicación:  US2025333773A1 30/10/2025
Solicitante: 
MICROSOFT TECH LICENSING LLC [US]
MICROSOFT TECHNOLOGY LICENSING, LLC
US_2025333773_PA

Resumen de: US2025333773A1

Enzymatic polynucleotide synthesis with a template-independent polymerase is used to create multiple polynucleotides having different, arbitrary sequences on the surface of an array. The array provides a spatially-addressable substrate for solid-phase synthesis. Blocking groups are attached to the 3′ ends of polynucleotides on the array. Prior to polynucleotide extension, the blocking groups are removed at a selected location on the array. In an implementation, the blocking groups are acyl groups removed with a negative voltage created at an electrode. The array is then incubated with the polymerase and a single species of nucleotide. Nucleotides are incorporated onto the 3′ ends of the polynucleotides without blocking groups. Washing removes the polymerase and free nucleotides. To create polynucleotides with different sequences at different locations on the array, the location where the blocking groups are removed and the species of nucleotide may be changed during repeated cycles of synthesis.

SOLID OXIDE ELECTROLYSIS CELL AND METHOD OF MANUFACTURING THE SAME

NºPublicación:  US2025333862A1 30/10/2025
Solicitante: 
HYUNDAI MOTOR COMPANY [KR]
KIA CORP [KR]
UIF UNIV INDUSTRY FOUNDATION YONSEI UNIV [KR]
KOREA INSTITUTE OF SCIENCE AND TECH [KR]
HYUNDAI MOTOR COMPANY,
KIA CORPORATION,
UIF (UNIVERSITY INDUSTRY FOUNDATION), YONSEI UNIVERSITY,
KOREA INSTITUTE OF SCIENCE AND TECHNOLOGY
US_2025333862_PA

Resumen de: US2025333862A1

A solid oxide electrolysis cell includes an oxygen electrode, a fuel electrode, and an electrolyte interposed between the oxygen electrode and the fuel electrode. The oxygen electrode comprises an oxygen electrode carrier comprising internal pores, and an oxygen electrode catalyst supported in the internal pores, and having a perovskite single-phase structure. The fuel electrode comprises a fuel electrode carrier and a fuel electrode catalyst supported on the fuel electrode carrier.

HYDROGEN GENERATION SYSTEM AND REGULATOR THEREFOR

NºPublicación:  US2025333869A1 30/10/2025
Solicitante: 
GREEN FUEL LLC [US]
Green Fuel, LLC
US_2025333869_PA

Resumen de: US2025333869A1

A passive dual modulating regulator with relative differential venting (“regulator”) for use with a contained hydrogen generation system (“system”) comprises a housing, a first piston valve, a second piston valve, and a third piston valve. The regulator defines a hydrogen fluid path in fluid communication with a hydrogen-side of the system, an exterior hydrogen storage vessel, and an exterior of the system. The regulator also defines an oxygen fluid path in fluid communication with the oxygen-side of the system, an exterior oxygen storage vessel, and an exterior of the system. The regulator regulates pressure imbalances between the oxygen-side of the system and the hydrogen-side of the system, and vents oxygen and hydrogen to the exterior of the system to allow collection of both hydrogen and oxygen and avoid rupture of a proton-exchange membrane of the system.

MEMBRANE ELECTRODE ASSEMBLY FOR COx REDUCTION

NºPublicación:  US2025333857A1 30/10/2025
Solicitante: 
TWELVE BENEFIT CORP [US]
Twelve Benefit Corporation
US_2025333857_PA

Resumen de: US2025333857A1

Provided herein are membrane electrode assemblies (MEAs) for COx reduction. According to various embodiments, the MEAs are configured to address challenges particular to COx including managing water in the MEA. Bipolar and anion-exchange membrane (AEM)-only MEAs are described along with components thereof and related methods of fabrication.

SQUARE-METER-SCALE STAINLESS STEEL INTEGRATED ELECTRODE WITH SURFACE MODIFIED BY BIMETALLIC SULFIDE AND PREPARATION METHOD AND APPLICATION THEREOF

NºPublicación:  US2025333863A1 30/10/2025
Solicitante: 
HAINAN UNIV [CN]
HAINAN UNIVERSITY
US_2025333863_A1

Resumen de: US2025333863A1

Disclosed in the present disclosure are a square-meter-scale stainless steel integrated electrode with a surface modified by bimetallic sulfide, and a preparation method and application thereof. The preparation method includes the following steps: (1) performing ultrasonic cleaning on a stainless steel substrate with deionized water, acetone and ethanol in sequence, performing heating and soaking with a dilute hydrochloric acid solution, and finally, performing drying after washing and cleaning with deionized water to obtain the stainless steel substrate with a clean surface; (2) dissolving two transition metal cation salts and a sulfur source in an aqueous solution and performing stirring at a room temperature for even mixing; and (3) putting the stainless steel substrate with the clean surface obtained in step (1) into the solution of the step (2) for a heating reaction, washing an obtained sample with water after the reaction is finished, and then, performing drying.

ADHESIVE-FIXED ELECTROLYSIS MODULE

NºPublicación:  US2025333859A1 30/10/2025
Solicitante: 
TECHCROSS INC [KR]
TECHCROSS INC
US_2025333859_PA

Resumen de: US2025333859A1

Provided is an adhesive-fixed electrolysis module comprising a single stack, the single stack having a separator, a pair of bipolar plates, a pair of gaskets, a pair of diffusion layers, a pair of electrodes, and a cell frame, wherein the bipolar plates, the gaskets, the diffusion layers, and the electrodes are sequentially arranged on the cathode and anode sides, respectively, with respect to the separator, forming a symmetrical structure, wherein the separator, the bipolar plates, the gaskets, the diffusion layers, and the electrodes are stacked in a zero-gap manner within the cell frame, and wherein the bipolar plates are adhered and fixed to the cell frame using an adhesive, thereby simplifying product assembly and reducing assembly costs compared to a single stack fixing method using welding, riveting, bolting, etc. between conventional parts.

HIGH PRESSURE GASKET FOR AN ELECTROLYSIS DEVICE

NºPublicación:  US2025333858A1 30/10/2025
Solicitante: 
TENNECO INC [US]
Tenneco Inc
US_2025333858_PA

Resumen de: US2025333858A1

The electrolysis device includes a plurality of plates that have a plurality of sets of aligned fluid openings. At least one of the sets of aligned fluid openings is configured for conveying high pressure hydrogen gas. At least one gasket, which has an annular shape and is made of an elastomeric material, surrounds at least one of the sets of aligned fluid openings to establish a fluid-tight seal between at least two of the plurality of plates. The at least one gasket has a generally constant cross-sectional shape around a central axis, the cross-sectional shape having a sealing surface that includes a pair of peaks that are spaced radially apart from one another and that includes a pair of elevated plateaus on opposite radial sides of the pair of peaks.

HYDROGEN PRODUCTION SYSTEM AND HYDROGEN PRODUCTION METHOD

NºPublicación:  US2025333853A1 30/10/2025
Solicitante: 
MITSUBISHI HEAVY IND LTD [JP]
MITSUBISHI HEAVY INDUSTRIES, LTD
US_2025333853_PA

Resumen de: US2025333853A1

A hydrogen production system and a hydrogen production method includes: a heat exchanger that heats steam by using a heating medium heated by thermal energy at 600° C. or higher; a high-temperature steam electrolysis device that electrolyzes steam at 600° C. or higher to produce hydrogen by applying, to a high-temperature steam electrolysis cell, a voltage lower than an electric potential at a thermal neutral point at which Joule heating caused by application of a current and heat absorption caused by electrolysis reaction are balanced; and a heating device that heats the high-temperature steam electrolysis device by the steam.

WATER ELECTROLYSIS SYSTEM

NºPublicación:  US2025333854A1 30/10/2025
Solicitante: 
TOYOTA JIDOSHA KK [JP]
TOYOTA JIDOSHA KABUSHIKI KAISHA
US_2025333854_PA

Resumen de: US2025333854A1

A water electrolysis system that generates hydrogen and oxygen by electrolysis of water includes a water electrolysis cell including an anode, a cathode, and an electrolyte membrane sandwiched between the anode and the cathode, and a control device that controls electric power supplied to the water electrolysis cell, wherein the control device performs a potential changing process of changing a potential of the anode either or both of upon starting of the water electrolysis system and during continuous operation of the water electrolysis system, and the potential changing process includes a potential lowering process of lowering the potential of the anode to a predetermined potential.

ELECTROLYSIS CELL AND ELECTROLYSIS CELL STACK WITH IMPROVED STRAY CURRENT EFFICIENCY

NºPublicación:  WO2025223961A1 30/10/2025
Solicitante: 
TOPSOE AS [DK]
TOPSOE A/S
WO_2025223961_PA

Resumen de: WO2025223961A1

The invention at hand relates to an electrolysis cell, a process for the production of hydrogen by electrolysis and a cell stack comprising a multitude of the electrolysis cells, wherein each cell comprises an anode compartment, a cathode compartment and a separator, wherein a sealing member seals the electrolysis cell volume from the surrounding, the electrolysis cell electrolyte feed and/or electrolysis cell electrolyte outlet are located in the cell volume and comprise means for reducing stray currents.

MODULAR HYDROGEN GENERATION SYSTEM

NºPublicación:  US2025333852A1 30/10/2025
Solicitante: 
GREEN FUEL LLC [US]
Green Fuel, LLC
US_2025333852_PA

Resumen de: US2025333852A1

A modular hydrogen generation system (“system”) comprises a high-pressure containment vessel (“vessel”) defining a hydrogen plenum. The system also comprises a hydrogen generation insert (“insert”) shaped to be received in the hydrogen plenum. The insert includes a cover, one or more proton-exchange membrane (“PEM”) cells, an oxygen-water separator; and a passive dual regulator with relative differential venting (“regulator”). The insert is inserted into the hydrogen plenum such that hydrogen and oxygen can be produced at an interior pressure of from 200 to 6,000 psi. The regulator receives oxygen from the oxygen-water separator and hydrogen from the hydrogen plenum and regulates pressure imbalances between an oxygen-side of the system, vents oxygen to an exterior of the high-pressure containment vessel, and vents hydrogen to an exterior of the vessel to allow collection of hydrogen and oxygen and avoid rupture of the one or more PEM cells during operation.

CONTAINED HYDROGEN GENERATION SYSTEM

NºPublicación:  US2025333851A1 30/10/2025
Solicitante: 
GREEN FUEL LLC [US]
Green Fuel, LLC
US_2025333851_PA

Resumen de: US2025333851A1

A contained hydrogen generation system (“system”) comprises a high-pressure containment vessel (“vessel”), one or more proton-exchange membrane (“PEM”) cells, an oxygen-water separator, and a passive dual regulator with relative differential venting (“regulator”). The vessel defines a hydrogen plenum. The PEM and the oxygen-water separator are disposed in the hydrogen plenum. The regulator includes a hydrogen fluid path in fluid communication with the hydrogen plenum, an exterior hydrogen storage vessel, and an exterior of the vessel, and also includes an oxygen fluid path in fluid communication with the oxygen-water separator, an exterior oxygen storage vessel, and an exterior of the vessel. The regulator regulates pressure imbalances between an oxygen-side of the system and a hydrogen-side of the system, and vents oxygen and hydrogen to an exterior of the vessel to allow collection of both hydrogen and oxygen and avoid rupture of a PEM in the one or more PEM cells.

Separator for Water Electrolysis

NºPublicación:  US2025333868A1 30/10/2025
Solicitante: 
AGFA GEVAERT NV [BE]
Agfa-Gevaert NV
US_2025333868_A1

Resumen de: US2025333868A1

A separator (1) for water electrolysis comprising on at least one side thereof:—a surface area Smax,—a surface area Sc for contacting a surface of an electrode, and—a channel (10) for evacuating gas bubbles having a cross section Φc, characterized in that:—a ratio Sc/Smax is from 0.025 to 0.50, and—the cross section Φc is large enough for evacuating gas bubbles having a diameter from 5 to 50 μm.

TITANIUM NANOTUBES MODIFIED WITH COBALT OXYPHOSPHIDES FOR HYDROGEN PRODUCTION AND METHODS OF PREPARATION THEREOF

NºPublicación:  US2025333865A1 30/10/2025
Solicitante: 
KING FAHD UNIV OF PETROLEUM AND MINERALS [SA]
King Fahd University of Petroleum and Minerals
US_2025333865_PA

Resumen de: US2025333865A1

An electrocatalyst useful for forming hydrogen from water by the hydrogen evolution reaction. The electrocatalyst includes a titanium (Ti)-including substrate, an array of titanium dioxide (TiO2) nanotubes (TNTs) disposed on the Ti-including substrate, and cobalt oxyphosphide (CoOP) nanostructures disposed on the surface of the TNTs. The TNTs are crystalline, as observed by powder X-ray diffraction (PXRD). The CoOP is amorphous by PXRD, and the CoOP nanostructures are substantially spherical and have a mean size of 75 to 400 nanometers (nm).

ELECTRODE FOR ELECTROLYSIS AND ELECTROLYZER

NºPublicación:  US2025333867A1 30/10/2025
Solicitante: 
ASAHI KASEI KK [JP]
ASAHI KASEI KABUSHIKI KAISHA
US_2025333867_PA

Resumen de: US2025333867A1

An electrode for electrolysis, including: a conductive substrate; and a catalyst layer disposed on a surface of the conductive substrate, in which at least one of the following conditions (I) and (II) is satisfied:(I) the catalyst layer contains a ruthenium element and an iridium element, and a crystallite size is 50 Å or more and 100 Å or less, the crystallite size being calculated from a peak observed in a 20 range of 27° or more and 28.5° or less in an XRD spectrum, the XRD spectrum being obtained by subjecting the catalyst layer to X-ray diffraction measurement and(II) the catalyst layer contains (i) a ruthenium element, (ii) an iridium element, and (iii) at least one kind of metal element M selected from the group consisting of W, Zn, Mn, Cu, Co, V, Ga, Ta, Ni, Fe, Mo, Nb and Zr, in the catalyst layer.

METHOD AND SYSTEM FOR PRODUCING HYDROGEN WITH DECREASED ELECTRICITY CONSUMPTION

NºPublicación:  WO2025223916A1 30/10/2025
Solicitante: 
GENVIA [FR]
SCHLUMBERGER TECH CORPORATION [US]
SCHLUMBERGER CANADA LTD [CA]
SERVICES PETROLIERS SCHLUMBERGER [FR]
SCHLUMBERGER TECH B V [NL]
GENVIA,
SCHLUMBERGER TECHNOLOGY CORPORATION,
SCHLUMBERGER CANADA LIMITED,
SERVICES P\u00C9TROLIERS SCHLUMBERGER,
SCHLUMBERGER TECHNOLOGY B.V
WO_2025223916_PA

Resumen de: WO2025223916A1

The invention relates to a method for producing hydrogen via steam electrolysis, the method comprising the following steps: - producing steam (112) by heating liquid water (204); and - electrolysing, in an electrolysis unit (102), at least a portion of the steam (112) to provide a first output stream (116) rich in hydrogen and a second output stream (118) rich in oxygen; characterised in that the steam is produced by at least one heat pump circuit reusing a portion of the heat from at least one of the output streams (116, 118) in order to vaporise the liquid water. The invention also relates to a system (400) implementing such a method.

SYSTEM AND METHOD FOR CO-PRODUCTION OF DIHYDROGEN, DIOXYGEN AND A HYDROGENATED OR OXIDIZED PRODUCT

NºPublicación:  WO2025223924A1 30/10/2025
Solicitante: 
GENVIA [FR]
SCHLUMBERGER TECHNOLOGY CORP [US]
SCHLUMBERGER CA LTD [CA]
SERVICES PETROLIERS SCHLUMBERGER [FR]
SCHLUMBERGER TECHNOLOGY BV [NL]
GENVIA,
SCHLUMBERGER TECHNOLOGY CORPORATION,
SCHLUMBERGER CANADA LIMITED,
SERVICES P\u00C9TROLIERS SCHLUMBERGER,
SCHLUMBERGER TECHNOLOGY B.V
WO_2025223924_PA

Resumen de: WO2025223924A1

The invention relates to the coupling of a hydrogenation or oxidation plant (2) and a dihydrogen production plant (3), for transferring (4) heat generated by the hydrogenation or oxidation plant (2) to an input stream of an electrochemical device of the dihydrogen production plant (3) and/or for feeding (100), to said hydrogenation or oxidation plant (2), one or more fluids formed by the electrochemical device.

ELECTROLYSIS UNIT FOR A FILTER-PRESS-TYPE ELECTROLYSER

NºPublicación:  US2025333860A1 30/10/2025
Solicitante: 
JOHN COCKERILL HYDROGEN BELGIUM [BE]
JOHN COCKERILL HYDROGEN BELGIUM
US_2025333860_PA

Resumen de: US2025333860A1

Electrolysis unit including a plurality of electrolysis cells held against one another along a stacking axis (Oy) between a first intermediate end plate and a second intermediate end plate, the first end plate including a first smooth bore and the second end plate including a second smooth bore. A tie rod including a body provided, at a first end, with a first head and, at a second end, with a second head, and first tensioning means for tensioning it. An electrolyzer includes the electrolysis unit.

SYSTEM AND METHOD FOR PRODUCING AMMONIA

NºPublicación:  US2025333316A1 30/10/2025
Solicitante: 
SIEMENS ENERGY GLOBAL GMBH & CO KG [DE]
Siemens Energy Global GmbH & Co. KG
US_2025333316_PA

Resumen de: US2025333316A1

The invention relates to a system and a method for generating ammonia, wherein, in an ammonia reactor, ammonia (NH3) is generated from a synthesis gas, wherein the synthesis gas contains hydrogen (H2) and nitrogen (N2), wherein a nitrogren supply flow and a first heat exchanger are used, which are designed in such a way that the hot ammonia (NH3) flowing out of the ammonia reactor heats the nitrogen used as synthesis gas in the nitrogen supply flow.

AMMONIA DECOMPOSITION OVER MEDIUM ENTROPY METAL ALLOY CATALYSTS

NºPublicación:  US2025333298A1 30/10/2025
Solicitante: 
SAUDI ARABIAN OIL CO [SA]
Saudi Arabian Oil Company
US_2025333298_PA

Resumen de: US2025333298A1

A method of catalytic ammonia decomposition is provided. The method includes: flowing ammonia into a reactor charged with a medium entropy metal alloy (MEA) catalyst including a first principal metal, a second principal metal, and a third principal metal, where each of the principal metals is independently selected without repetition from the group consisting of Co, Cr, Fe, Mn, Ni, Al, Cu, Zn, Ti, Zr, Mo, V, Ru, Rh, Pd, Ag, W, Re, Ir, Pt, Au, Ce, Y, Yb, Sn, Ga, In, and Be; and catalytically decomposing the ammonia into hydrogen and nitrogen over the MEA catalyst in the reactor at a reaction temperature between 200° C. and 900° C.

AMMONIA DECOMPOSITION OVER SUPPORTED MEDIUM ENTROPY METAL ALLOY CATALYSTS

NºPublicación:  US2025332578A1 30/10/2025
Solicitante: 
SAUDI ARABIAN OIL CO [SA]
Saudi Arabian Oil Company
US_2025332578_PA

Resumen de: US2025332578A1

A method of catalytic ammonia decomposition, where the method includes: flowing ammonia into a reactor charged with a supported medium entropy metal alloy (MEA) catalyst including MEA particles supported on a support, the MEA particles including a first principal metal, a second principal metal, and a third principal metal, where each of the principal metals is independently selected without repetition from the group consisting of Co, Cr, Fe, Mn, Ni, Al, Cu, Zn, Ti, Zr, Mo, V, Ru, Rh, Pd, Ag, W, Re, Ir, Pt, Au, Ce, Y, Yb, Sn, Ga, In, and Be; and catalytically decomposing the ammonia into hydrogen and nitrogen over the supported MEA catalyst in the reactor at a reaction temperature between 200° C. and 900° C.

METHOD AND PLANT FOR PRODUCING HYDROGEN

NºPublicación:  AU2024256387A1 30/10/2025
Solicitante: 
LINDE GMBH
LINDE GMBH
AU_2024256387_PA

Resumen de: AU2024256387A1

The invention relates to a method (100) for producing hydrogen (103), wherein feed water is subjected to electrolysis (10) with a cathode gas (101) being obtained, wherein the cathode gas (101) contains hydrogen, oxygen and some of the feed water, wherein a process gas flow (102) is formed using at least some of the cathode gas (101), wherein the process gas flow (102) contains at least some of the hydrogen, oxygen and feed water contained in the cathode gas (101), and wherein, in the process gas flow (102), at least some of the oxygen is subjected to an oxidative catalytic reaction with some of the hydrogen to form oxidation water, and wherein at least some of the feed water and the oxidation water in the process gas flow (102) are removed from the process gas flow (1029 in a water removal process. The catalytic reaction and the water removal process are carried out using one or more process units (41, 42), wherein the one process unit (41, 42) or each of the plurality of process units (41, 42) has a first adsorptive drying bed (4a), by means of which at least some of the feed water is removed from the process gas flow (102), a catalytic bed (4b) which is arranged downstream of the first drying bed (4a) and by means of which the catalytic reaction is carried out, and a second adsorptive drying bed (4c) which is arranged downstream of the catalytic bed and by means of which at least some of the oxidation water is removed from the process gas flow (102). The invention also pro

電解セルスタック、電解セルカートリッジ、電解セルモジュールおよび電解セルスタックの製造方法

NºPublicación:  JP2025164506A 30/10/2025
Solicitante: 
三菱重工業株式会社
JP_2025164506_PA

Resumen de: WO2025220485A1

The present disclosure provides an electrolytic cell stack capable of increasing the amount of product generated by electrolysis while suppressing a temperature rise of the cell stack. An electrolytic cell stack (101) according to the present disclosure comprises: a hydrogen generation unit (10) provided with an electrolytic cell (105) having a hydrogen electrode, an oxygen electrode, and a solid electrolyte membrane; a raw material gas supply port (11); a hydrogen gas discharge port (12); a raw material gas supply-side heat exchange unit (13); and a hydrogen gas discharge-side heat exchange unit (14). The raw material gas supply-side heat exchange unit and the hydrogen gas discharge-side heat exchange unit are each composed of a heat transfer unit and a header unit. The heat transfer unit area of the hydrogen gas discharge-side heat exchange unit is larger than the heat transfer unit area of the raw material gas supply-side heat exchange unit.

SELECTIVE SEPARATION OF SODIUM CARBONATE AND SALT FROM A SOLUTION CONTAINING SODIUM CARBONATE AND SALT, AND PRODUCTION OF CAUSTIC

NºPublicación:  WO2025226248A1 30/10/2025
Solicitante: 
ESKISEHIR OSMANGAZI UNIV [TR]
KAZAN SODA ELEKTRIK UERETIM ANONIM SIRKETI [TR]
ESKISEHIR OSMANGAZI UNIVERSITESI,
KAZAN SODA ELEKTR\u0130K \u00DCRET\u0130M ANON\u0130M \u015E\u0130RKET\u0130
WO_2025226248_PA

Resumen de: WO2025226248A1

The present invention relates to a process for the recovery of waste materials by producing soda ash, sodium hydroxide and hydrogen via converting the liquid and solid wastes, which are generated as a result of production from the Trona ore using solution mining and underground production methods, into a solution; and a process that will enable production in brine production areas that are currently not suitable for production.

SOLID OXIDE WATER ELECTROLYSIS SYSTEM

NºPublicación:  WO2025225856A1 30/10/2025
Solicitante: 
SAMSUNG E&A CO LTD [KR]
\uC0BC\uC131\uC774\uC564\uC5D0\uC774(\uC8FC)
WO_2025225856_PA

Resumen de: WO2025225856A1

A solid oxide water electrolysis system is disclosed. The disclosed system comprises: a stack including a fuel electrode, an electrolyte, and an air electrode; a fuel electrode recuperator configured to exchange heat between a product discharged from the fuel electrode and water vapor supplied to the fuel electrode; a recycle blower configured to recirculate a portion of the product discharged from the fuel electrode recuperator to the fuel electrode recuperator; a product cooler configured to cool the remainder of the product discharged from the fuel electrode recuperator; a separator configured to separate the product discharged at least from the product cooler into hydrogen and water; an air blower configured to supply outside air to the air electrode; and an air electrode recuperator configured to exchange heat between exhaust discharged from the air electrode and the outside air supplied to the air electrode.

ELECTROCHEMICAL REACTION SYSTEM WITHOUT ELECTRICAL CONTACT BETWEEN STACK AND MANIFOLD

NºPublicación:  WO2025225918A1 30/10/2025
Solicitante: 
UIF UNIV INDUSTRY FOUNDATION YONSEI UNIV [KR]
UNIV SEJONG IND ACAD COOP FOUD [KR]
\uC5F0\uC138\uB300\uD559\uAD50 \uC0B0\uD559\uD611\uB825\uB2E8,
\uC138\uC885\uB300\uD559\uAD50\uC0B0\uD559\uD611\uB825\uB2E8
WO_2025225918_PA

Resumen de: WO2025225918A1

Disclosed is an electrochemical reaction system without an electrical contact between a stack and a manifold. The system may comprise: an insulating manifold including at least a plate-shaped base manifold part, through which a first fluid conduit and a second fluid conduit pass from top to bottom, and a housing part, which has a downwardly open cross-section and can be fastened to the upper surface and lower edge of the base manifold, the insulating manifold further including insulating plates located on the upper surface and lower surface, respectively, of an inner space surrounded by the base manifold part and the housing part; and a stack which is accommodated between the insulating plates in the inner space so as not to cover at least one of the first fluid conduit or the second fluid conduit, and in which at least a plurality of plate electrodes and separating plates separating the plurality of plate electrodes are stacked, wherein sealing materials are stacked above and below the stack.

METHODS AND SYSTEMS FOR SYNTHESIS USING AN UNDERWATER ELECTRICAL ARC

NºPublicación:  WO2025226337A2 30/10/2025
Solicitante: 
WILLIAM MARSH RICE UNIV [US]
WILLIAM MARSH RICE UNIVERSITY
WO_2025226337_PA

Resumen de: WO2025226337A2

Methods and systems for synthesis using an underwater electric arc. Such methods and systems form an electrical arc between an anode and a cathode positioned under water or within an aqueous mist and introduce an added material into the vicinity of the electrical arc. The formation of the electrical arc in the vicinity of the added material facilitates synthesis of chemical products from the added material. Such synthesized chemical products include ammonia, hydrogen, cyanide, and hydrogen cyanide.

THERMAL DECOMPOSITION OF SODIUM FORMATE AND SODIUM OXALATE USING SUPER-HEATED STEAM FROM NUCLEAR REACTOR SYSTEM FOR DIRECT IN-SITU METHANOL PRODUCTION

NºPublicación:  WO2025226320A2 30/10/2025
Solicitante: 
NUSCALE POWER LLC [US]
NUSCALE POWER, LLC
WO_2025226320_PA

Resumen de: WO2025226320A2

An integrated energy system including a power plant is discussed herein. In some examples, the integrated energy system may include at least one nuclear reactor and electrical power generation system configured to generate steam and electricity, a water treatment plant configured to produce Sodium Hydroxide (NaOH) from salt water, a Sodium Formate (HCOONa) production plant configured to receive the Sodium Hydroxide (NaOH) to produce Sodium Formate (HCOONa), a Thermal Decomposition reactor configured to receive the Sodium Formate (HCOONa) and configured to receive at least a first portion of the steam or at least a second portion of the electricity from the power plant to indirectly heat the Thermal Decomposition reactor to produce Hydrogen (H2), Carbon Dioxide (CO2), and Carbon Monoxide (CO) from the Sodium Formate (HCOONa), and a Methanol (CH3OH) reaction chamber configured to receive the Hydrogen (H2), the Carbon Dioxide (CO2), and the Carbon Monoxide (CO) to produce Methanol (CH3OH).

SUPER-HYDROPHILIC TITANIUM OXIDE NANOTUBE ELECTRODE ELECTRODEPOSITED WITH METAL NANOPARTICLES, METHOD FOR MANUFACTURING SAME, AND ANION EXCHANGE MEMBRANE WATER ELECTROLYZER USING SAME

NºPublicación:  WO2025226115A1 30/10/2025
Solicitante: 
KYUNGPOOK NAT UNIV IND ACADEMIC COOP FOUND [KR]
\uACBD\uBD81\uB300\uD559\uAD50 \uC0B0\uD559\uD611\uB825\uB2E8
WO_2025226115_PA

Resumen de: WO2025226115A1

The present invention relates to a super-hydrophilic titanium oxide nanotube electrode electrodeposited with metal nanoparticles and, more specifically, to a method for manufacturing a super-hydrophilic titanium oxide nanotube-based electrode electrodeposited with metal nanoparticles through simple electrooxidation and electrodeposition.

EVALUATION SYSTEM, PROGRAM FOR EVALUATION SYSTEM, AND EVALUATION METHOD

NºPublicación:  WO2025225466A1 30/10/2025
Solicitante: 
HORIBA LTD [JP]
\u682A\u5F0F\u4F1A\u793E\u5800\u5834\u88FD\u4F5C\u6240
WO_2025225466_PA

Resumen de: WO2025225466A1

An evaluation system according to the present invention evaluates the performance of an electrolysis cell that electrolyzes supplied steam to generate hydrogen gas or a test piece that is a portion thereof and comprises a steam supply line that supplies steam to the test piece, a hydrogen gas extraction line that extracts hydrogen gas that is generated from the test piece by electrolysis, a generated hydrogen information acquisition unit that acquires generated hydrogen information that directly or indirectly indicates the hydrogen gas content of a fluid that flows along the hydrogen gas extraction line, and a steam control unit that controls the flow rate of the steam supplied to the test piece from the steam supply line on the basis of the acquired generated hydrogen information.

ELECTRODE OF ELECTROLYTIC CELL, AND APPLICATION THEREOF

NºPublicación:  WO2025223557A1 30/10/2025
Solicitante: 
SHANGHAI JUNA NEW MATERIAL TECH CO LTD [CN]
SUZHOU JUNA NEW MATERIAL TECH CO LTD [CN]
\u4E0A\u6D77\u8392\u7EB3\u65B0\u6750\u6599\u79D1\u6280\u6709\u9650\u516C\u53F8,
\u82CF\u5DDE\u8392\u7EB3\u65B0\u6750\u6599\u79D1\u6280\u6709\u9650\u516C\u53F8
WO_2025223557_A1

Resumen de: WO2025223557A1

An electrode of an electrolytic cell, and an application thereof. The electrode comprises: a substrate (102); a surface treatment layer (106), which is formed on the substrate (102); and a catalyst layer (20), which is formed on the surface treatment layer (106). The surface structure and/or surface properties of the substrate can be modified by means of the surface treatment layer, so that the surface area of a subsequent electrode is increased, allowing more active sites to be exposed, thereby effectively improving the electrochemical performance of the electrode.

HYDROGEN GENERATION DEVICE WITH BREATHING DETECTION FUNCTION

NºPublicación:  WO2025222998A1 30/10/2025
Solicitante: 
LIN HSIN YUNG [CN]
\u6797\u4FE1\u6D8C
WO_2025222998_PA

Resumen de: WO2025222998A1

A hydrogen generation device with a breathing detection function. The hydrogen generation device comprises an electrolytic cell, a gas pipe, a sensor, a valve switch and a controller, wherein the electrolytic cell is used for electrolyzing water to generate a hydrogen-containing gas; the gas pipe is in communication with the electrolytic cell and has a gas outlet, and the gas pipe is used for receiving the hydrogen-containing gas and outputting the hydrogen-containing gas through the gas outlet; the sensor is used for sensing the breathing of a user to generate a breathing signal; the valve switch is arranged in the gas pipe; and the controller is electrically connected to the valve switch and the sensor, and the controller opens the valve switch on the basis of an inspiration signal, and closes the valve switch on the basis of an expiration signal. Therefore, the present invention provides the hydrogen-containing gas, and does not provide the hydrogen-containing gas in an expiration state, such that not only can excessive pressure in a breathing tube be prevented, but also the hydrogen-containing gas can be prevented from rapidly flowing to a user when the user inhales again, thereby improving the practicability and the usage experience.

ELECTRODE OF ELECTROLYZER, AND USE

NºPublicación:  WO2025223558A1 30/10/2025
Solicitante: 
SHANGHAI JUNA NEW MATERIAL TECH CO LTD [CN]
SUZHOU JUNA NEW MATERIAL TECH CO LTD [CN]
\u4E0A\u6D77\u8392\u7EB3\u65B0\u6750\u6599\u79D1\u6280\u6709\u9650\u516C\u53F8,
\u82CF\u5DDE\u8392\u7EB3\u65B0\u6750\u6599\u79D1\u6280\u6709\u9650\u516C\u53F8
WO_2025223558_PA

Resumen de: WO2025223558A1

An electrode of an electrolyzer, and the use thereof. The electrode comprises a substrate (30) and a catalyst layer (20) formed on the substrate, wherein the catalyst layer comprises a plurality of first catalyst zones (201) and a plurality of second catalyst zones (202), and the structural texture of the first catalyst zones (201) is different from the structural texture of the second catalyst zones (202). Using the catalyst zones having different structural textures can increase active sites of the catalyst layer, and can also achieve an effective dispersion effect on the distribution of an active catalyst on the substrate, so as to avoid excessive agglomeration in local regions, thus increasing the utilization rate of precious metal.

- SINGLE-ATOM-NANO PARTICLE COMPOSITE PREPARING METHOD OF THE SAME FUEL CELL AND WATER ELECTROLYSIS DEVICE INCLUDING THE SAME

NºPublicación:  KR20250155089A 30/10/2025
Solicitante: 
주식회사라피스타
KR_20250155089_PA

Resumen de: KR20250155089A

본 발명은 단원자-나노입자 복합체, 그의 제조방법, 그를 포함하는 연료전지와 수전해 장치에 관한 것으로서, 본 발명의 일 실시예에 따른 단원자-나노입자 복합체는, 탄소 지지체; 및 상기 탄소 지지체 표면에 코팅된 흡착층;을 포함하고, 상기 흡착층은 단원자 금속 이온, 산성 물질, 고분자 및 질소가 결합된 것이다.

ELECTROCHEMICAL REACTION SYSTEM WITHOUT ELECTRICAL CONTACT BETWEEN STACK AND MANIFOLD

NºPublicación:  KR20250155409A 30/10/2025
Solicitante: 
연세대학교산학협력단세종대학교산학협력단
KR_20250155409_PA

Resumen de: WO2025225918A1

Disclosed is an electrochemical reaction system without an electrical contact between a stack and a manifold. The system may comprise: an insulating manifold including at least a plate-shaped base manifold part, through which a first fluid conduit and a second fluid conduit pass from top to bottom, and a housing part, which has a downwardly open cross-section and can be fastened to the upper surface and lower edge of the base manifold, the insulating manifold further including insulating plates located on the upper surface and lower surface, respectively, of an inner space surrounded by the base manifold part and the housing part; and a stack which is accommodated between the insulating plates in the inner space so as not to cover at least one of the first fluid conduit or the second fluid conduit, and in which at least a plurality of plate electrodes and separating plates separating the plurality of plate electrodes are stacked, wherein sealing materials are stacked above and below the stack.

SEA WATER ELECTROLYSIS SYSTEM AND SHIP HAVING THE SAME

NºPublicación:  KR20250155237A 30/10/2025
Solicitante: 
에이치디현대중공업주식회사
KR_20250155237_PA

Resumen de: KR20250155237A

본 발명의 실시예에 따른 해수전해 시스템은, 선박으로 유입되는 해수를 1차적으로 전기분해하도록 구성된 제1전해조; 및 상기 제1전해조에 의해 1차적으로 전기분해된 해수를 2차적으로 전기분해하도록 구성된 제2전해조;를 포함할 수 있다.

Self-standing electrode for generation of hydrogen and method for producing the same

NºPublicación:  KR20250155142A 30/10/2025
Solicitante: 
고려대학교산학협력단

Resumen de: KR20250155142A

본 발명은 표면처리된 카본시트; 및 상기 카본시트의 적어도 일면에 구비되는 루테늄 단일원자 및 루테늄 나노클러스터;를 포함하는 수소발생용 자립형 전극관한 것이다.

POWER SYSTEM AND FREQUENCY MODULATION CONTROL METHOD THEREFOR

NºPublicación:  US2025337244A1 30/10/2025
Solicitante: 
SUNGROW POWER SUPPLY NANJING CO LTD [CN]
Sungrow Power Supply (Nanjing) Co., Ltd
US_2025337244_PA

Resumen de: US2025337244A1

A power system and a frequency modulation control method therefor. The method includes: first, determining whether the current power grid frequency of a power system falls within a preset allowable frequency deviation range; if not, performing calculation according to the current power grid frequency and a power grid rated frequency to obtain an input current change value of a hydrogen production power generation unit in the power system; on the basis of the size relationship between the input current change value and limit values thereof and the size relationship between the changed input current value and limit values thereof, determining a target input current of the hydrogen production power generation unit; and finally, adjusting an input current of the hydrogen production power generation unit according to the target input current, so as to allow the power grid frequency of the power system to fall within the preset allowable frequency deviation range. Therefore, by means of the relationship between system power consumption and frequency fluctuation, the present application can guide input current setting for the hydrogen production power generation unit on the basis of a measured system frequency to achieve frequency modulation control of the power system, thus solving the problem of frequency fluctuation of power grid systems caused by randomness and fluctuation of renewable energy power generation.

LIGHT-WATER-REACTOR (LWR) NUCLEAR COGENERATION PLANT AND HIGH-TEMPERATURE WATER ELECTROLYSIS SYSTEM(S) FOR PRODUCING HYDROGEN USING HEAT FROM THE LWR

NºPublicación:  EP4639585A1 29/10/2025
Solicitante: 
COMMISSARIAT ENERGIE ATOMIQUE [FR]
Commissariat \u00E0 l'Energie Atomique et aux Energies Alternatives
WO_2024133496_PA

Resumen de: WO2024133496A1

The subject matter of the invention is essentially that of obtaining an indirect optimal thermal coupling between a nuclear reactor and a production unit for producing hydrogen by high-temperature electrolysis by means of a suitably chosen draw-off tap downstream of the high-pressure body of the Rankine cycle turbine of the nuclear reactor, which will transfer the heat thus drawn off by means of a closed loop between an intermediate heat exchanger and a coupling steam generator to liquid water supplied to the production unit in order to inject steam at a high temperature required to perform the electrolysis. This indirect heat input may be carried out continuously or at a decreasing rate until there is enough heat produced by the electrolysis reaction.

SOC STACK COMPRISING COMBINED FLOW DISTRIBUTOR AND CONTACT ENABLER

NºPublicación:  EP4639651A1 29/10/2025
Solicitante: 
TOPSOE AS [DK]
Topsoe A/S
KR_20250124826_PA

Resumen de: CN120476486A

A solid oxide cell stack has a combined flow distributor and contact enabler made of a pressed metal foil with diversion structures and contact regions between interconnect layers and cell layers in the stack.

SOC STACK COMPRISING COMBINED FLOW DISTRIBUTOR AND CONTACT ENABLER

NºPublicación:  EP4639650A1 29/10/2025
Solicitante: 
TOPSOE AS [DK]
Topsoe A/S
KR_20250124826_PA

Resumen de: CN120476486A

A solid oxide cell stack has a combined flow distributor and contact enabler made of a pressed metal foil with diversion structures and contact regions between interconnect layers and cell layers in the stack.

PROCESS FOR PRODUCING SYNTHESIS GAS PRODUCT COMPRISING HYDROGEN

NºPublicación:  EP4638350A1 29/10/2025
Solicitante: 
AIR LIQUIDE [FR]
L'AIR LIQUIDE, SOCIETE ANONYME POUR L'ETUDE ET L'EXPLOITATION DES PROCEDES GEORGES CLAUDE
KR_20250127295_PA

Resumen de: WO2024132579A1

A process for producing a synthesis gas product comprising hydrogen from an endothermic cracking reaction of an ammonia feedstock stream, comprising the following steps: - Providing an ammonia feedstock stream, - Performing a catalytic conversion by catalytically converting the ammonia feedstock stream by cracking endothermically said ammonia feedstock stream into a synthesis gas product comprising hydrogen, - Performing heat exchanges step by performing heat exchanges between the synthesis gas product and the catalytic conversion of the ammonia feedstock stream, said heat exchanges step comprising the following steps: • Discharging the synthesis gas product in a synthesis gas product circulation duct, said duct being arranged for the heat exchanges between the discharged synthesis gas product and the catalytic conversion of the ammonia feedstock stream, • Recovering heat from the discharged synthesis gas product, • Directing the recovered heat to the catalytic conversion of the ammonia feedstock stream.

ELECTROCHEMICAL REACTOR AND METHOD FOR OPERATING AN ELECTROCHEMICAL REACTOR

NºPublicación:  EP4639652A1 29/10/2025
Solicitante: 
FRAUNHOFER GES FORSCHUNG [DE]
Fraunhofer-Gesellschaft zur F\u00F6rderung der angewandten Forschung e.V
KR_20250129650_PA

Resumen de: CN120418995A

The invention relates to an electrochemical reactor (1), in particular a redox flow cell, a fuel cell, an electrolytic cell or an electrosynthesis cell, comprising a stack (Z) consisting of a plurality of cells (2) which are separated from each other by at least one bipolar plate (3) and are stacked in a stacking direction (R), wherein the cells (2) each have two electrodes (5, 6) and a separator (10) arranged between the two electrodes (5, 6), and wherein the at least one bipolar plate (3) is flexible. In order to be able to increase mass transfer and material distribution with low construction and equipment investment and low material load, an oscillator (13) which excites at least one bipolar plate (3) to generate oscillations is integrated in the bipolar plate (3).

PROCESS FOR PRODUCING GAS COMPRISING HYDROGEN

NºPublicación:  EP4640623A1 29/10/2025
Solicitante: 
AIR LIQUIDE [FR]
L'AIR LIQUIDE, SOCIETE ANONYME POUR L'ETUDE ET L'EXPLOITATION DES PROCEDES GEORGES CLAUDE
EP_4640623_PA

Resumen de: EP4640623A1

The invention relates to a process (100) for producing a hydrogen product (81) from an endothermic cracking reaction of an ammonia feed (4), comprising the following steps:- providing (S10) the ammonia feed to a cracking unit (210),- in said cracking unit, performing (S20) the endothermic cracking reaction of the ammonia feed, thereby producing a cracked gas (80) containing hydrogen (81), nitrogen (82) and unconverted ammonia (83),- in said cracking unit, combusting the separated unconverted ammonia in a combustion step (S40) to provide heat to the endothermic cracking reaction,- reducing (S50) a cracking temperature (Tc) of the endothermic cracking reaction, thus increasing the amount of unconverted ammonia in the cracked gas and to be combusted to provide heat to the endothermic cracking reaction,- controlling (S60) the flow of the ammonia feed directed to the cracking unit to produce a desired amount of hydrogen product (Psp).

空気直接電解による水素製造システム

NºPublicación:  JP2025535842A 29/10/2025
Solicitante: 
スーチュァンユニバーシティー
JP_2025535842_PA

Resumen de: EP4582589A1

The present application belongs to the technical field of electrolytic hydrogen production, and particularly relates to a direct air electrolytic hydrogen production system. The system comprises an energy supply module, an electrolytic hydrogen production module, an electrolyte recycling module and a moisture vapor self-trapping module, wherein the energy supply module is connected to the electrolytic hydrogen production module; the electrolytic hydrogen production module comprises an electrolyzer; and the electrolyte recycling module is connected to the electrolytic hydrogen production module and the moisture vapor self-trapping module separately. The system may realize direct air electrolytic hydrogen production, while its energy consumption for electrolysis is comparable to that of industrial pure water electrolysis for hydrogen production, without additional energy consumption for desalination/purification of impure water solutions or for harvesting moisture from the air. The system greatly broadens the range of hydrogen energy sources without time and space limitation, providing technical support for future distributed hydrogen energy arrangement.

ELECTROLYTE COMPRISING SOLVENT WITH LOW POLARITY AND METHOD OF PREPARING ELECTROCHEMICAL LITHIUM- MEDIATED AMMONIA USING THE SAME

NºPublicación:  KR20250154956A 29/10/2025
Solicitante: 
포항공과대학교산학협력단
KR_20250154956_PA

Resumen de: US2025327193A1

Disclosed is a electrolyte comprising solvent with low polarity and method of manufacturing electrochemical lithium-mediated ammonia using the same. In detail, an electrolyte comprising a first solvent represented by Structural Formula 1; a second solvent represented by Structural Formula 2; a metal salt; and a proton donor compound. The present disclosure can control the solvation structure through a solvent with low polarity even in a relatively low-concentration electrolyte, thereby constructing a high-performance ammonia production system.

HYDROGEN PRODUCTION VIA SEAWATER SPLITTING

NºPublicación:  EP4638833A2 29/10/2025
Solicitante: 
UNIV MICHIGAN REGENTS [US]
YANG PE [US]
BATISTA VICTOR S [US]
The Regents Of The University Of Michigan,
Yang, Pe,
Batista, Victor S
KR_20250136327_PA

Resumen de: AU2023408768A1

A method of hydrogen production includes providing a solution and immersing a device in the solution. The device includes a substrate having a surface, an array of conductive projections supported by the substrate and extending outward from the surface of the substrate, and a plurality of catalyst nanoparticles disposed over the array of conductive projections. The solution includes dissolved sodium chloride (NaCl).

WATER ELECTROLYSIS HYDROGEN PRODUCTION SYSTEM

NºPublicación:  EP4640922A1 29/10/2025
Solicitante: 
HITACHI LTD [JP]
Hitachi, Ltd
EP_4640922_PA

Resumen de: EP4640922A1

Provided is a water electrolytic hydrogen production system configured by connecting a plurality of water electrolysis stacks in series, wherein the system is capable of ensuring sufficient insulation performance of each of the water electrolysis stacks. The water electrolytic hydrogen production system includes: a plurality of water electrolysis apparatuses, wherein each of the water electrolysis apparatuses includes: a water electrolysis stack configured to generate hydrogen and oxygen by electrolysis of water; a water supply portion configured to supply water to the water electrolysis stack; a water intake portion configured to take water into the water supply portion from outside; a hydrogen release portion configured to release hydrogen generated in the water electrolysis stack to outside; and an oxygen release portion configured to release oxygen generated in the water electrolysis stack to outside, the water electrolysis stacks of the plurality of water electrolysis apparatuses are electrically connected to each other in series, and an insulation member is disposed at a connecting portion of piping for supplying or releasing a fluid with outside of the apparatus, the piping including at least the water intake portion, the hydrogen release portion, and the oxygen release portion of each of the plurality of water electrolysis apparatuses.

CONTROLLABLE RECTIFIER ARRANGEMENT FOR HYDROGEN ELECTROLYSIS

NºPublicación:  EP4639746A1 29/10/2025
Solicitante: 
ANDRITZ AG MASCHF [AT]
Andritz AG
AT_526361_PA

Resumen de: WO2024130276A1

The invention relates to a rectifier arrangement for hydrogen electrolysis, comprising a transformer (1) with a primary winding (2) for connecting an input alternating voltage and a secondary winding (3) for providing an output alternating voltage, and comprising a rectifier (4) connected to the secondary winding (3) for generating an output direct current IDC and an output direct voltage UDC, wherein at the primary winding (2) of the transformer (1) a number N > 1 of winding taps (5) are provided, and a load stage switch (6) connected to a controller (7) is provided which is designed for switching the winding taps (5) without interruption such that the transformation ratio of the transformer (1) can be switched via the controller (7) in N stages.

一种电极催化剂的制备方法

NºPublicación:  CN120844115A 28/10/2025
Solicitante: 
苏州莒纳新材料科技有限公司
CN_120844115_PA

Resumen de: CN118461035A

The invention provides an electrode catalyst and a preparation method and application thereof, the electrode catalyst comprises a nanosheet catalyst structure, a plurality of holes are formed in the surface of the nanosheet catalyst structure, and the size of the holes is smaller than 80 nm. According to the electrode catalyst and the preparation method and application thereof, electrode catalysts of different structures are obtained, the specific surface area of the electrode catalyst is increased, and active sites are increased, so that the catalytic efficiency is improved, and the production cost is reduced.

氨脱氢用催化剂、其制备方法以及利用其制备氢气的方法

NºPublicación:  CN120857975A 28/10/2025
Solicitante: 
HD \u73B0\u4EE3 OILBANK \u682A\u5F0F\u4F1A\u793E
CN_120857975_A

Resumen de: WO2024190982A1

Disclosed are a catalyst for the dehydrogenation of ammonia, a manufacturing method therefor, and a method for producing hydrogen using same. The disclosed catalyst for the dehydrogenation of ammonia comprises clay and an alkali metal and ruthenium supported on the clay.

由金属硼氧化物制备金属硼氢化物的方法

NºPublicación:  CN120841450A 28/10/2025
Solicitante: 
H2\u71C3\u6599\u7CFB\u7EDF\u6709\u9650\u516C\u53F8
CN_120841450_PA

Resumen de: US2023024948A1

A method for producing metal borohydride, Me(BH4)n, from metal boron oxide, Me(BO2)n, in which Me is a metal or a molecule that shows metal-like behaviour and can act as a metal, and n is an integer number that can be associated with the valence of the metal, wherein in a first fluidized bed step the metal boron oxide is provided in a first fluidized bed. The first fluidized bed is fluidized using a gas selected from at least one of nitrogen, N2, gas and a noble gas, optionally the noble gas being selected from at least one of helium, He; neon, Ne; argon, Ar; and xenon, Xe, under such circumstances, especially pressure and temperature, that oxygen atoms are removed from the metal boron oxide to provide metal boron, MeBn, particles, possibly ions. In a subsequent second fluidized bed step the metal boron particles are provided in a second fluidized bed that is fluidized using hydrogen, H2, gas under such circumstances that hydrogen chemically reacts with the metal boron particles to provide metal borohydride.

一种电极催化剂及其制备方法与应用

NºPublicación:  CN120844114A 28/10/2025
Solicitante: 
苏州莒纳新材料科技有限公司
CN_120844114_PA

Resumen de: CN118461035A

The invention provides an electrode catalyst and a preparation method and application thereof, the electrode catalyst comprises a nanosheet catalyst structure, a plurality of holes are formed in the surface of the nanosheet catalyst structure, and the size of the holes is smaller than 80 nm. According to the electrode catalyst and the preparation method and application thereof, electrode catalysts of different structures are obtained, the specific surface area of the electrode catalyst is increased, and active sites are increased, so that the catalytic efficiency is improved, and the production cost is reduced.

固体氧化物电解池及其制造方法

NºPublicación:  CN120844126A 28/10/2025
Solicitante: 
现代自动车株式会社起亚株式会社延世大学校产学协力团韩国科学技术研究院
CN_120844126_PA

Resumen de: US2025333862A1

A solid oxide electrolysis cell includes an oxygen electrode, a fuel electrode, and an electrolyte interposed between the oxygen electrode and the fuel electrode. The oxygen electrode comprises an oxygen electrode carrier comprising internal pores, and an oxygen electrode catalyst supported in the internal pores, and having a perovskite single-phase structure. The fuel electrode comprises a fuel electrode carrier and a fuel electrode catalyst supported on the fuel electrode carrier.

水电解系统

NºPublicación:  CN120844111A 28/10/2025
Solicitante: 
丰田自动车株式会社
CN_120844111_PA

Resumen de: US2025333854A1

A water electrolysis system that generates hydrogen and oxygen by electrolysis of water includes a water electrolysis cell including an anode, a cathode, and an electrolyte membrane sandwiched between the anode and the cathode, and a control device that controls electric power supplied to the water electrolysis cell, wherein the control device performs a potential changing process of changing a potential of the anode either or both of upon starting of the water electrolysis system and during continuous operation of the water electrolysis system, and the potential changing process includes a potential lowering process of lowering the potential of the anode to a predetermined potential.

Manufacturing method of eggshell structural catalyst

NºPublicación:  KR20250154063A 28/10/2025
Solicitante: 
한국에너지기술연구원
KR_20250154063_PA

Resumen de: KR20250154063A

본 발명은 촉매 지지체를 준비하는 제1단계; 촉매 활성금속 용액을 준비하는 제2단계; 상기 촉매 지지체에 촉매 활성금속 용액을 스프레이하는 제3단계; 촉매 활성금속 용액이 스프레이된 촉매 지지체를 가열 건조하는 제4단계;순으로 된 에그쉘 구조 촉매의 제조방법에 관한 것으로, 촉매 활성금속 용액을 촉매 지지체 표면에 스프레이하고 효과적으로 가열 건조함으로써 촉매 입자의 표면 부근에 활성금속 성분이 두루 퍼져 있는 구조를 갖는 에그쉘 구조 촉매의 제조방법에 대한 것이다. 본 발명에 의하면, 촉매 활성금속 용액을 촉매 지지체 표면에 스프레이하고 효과적인 건조과정으로 에그쉘 구조 촉매의 제조가 가능하여 촉매 활성금속이 촉매 입자의 표면에 두루 퍼지도록 할 수 있어 값비싼 촉매 활성금속을 적게 써도 활성이 유지되어 경제성이 좋은 효과가 있다.

アンモニアの合成装置

NºPublicación:  JP2025162706A 28/10/2025
Solicitante: 
日本特殊陶業株式会社
JP_2025162706_PA

Resumen de: JP2025162706A

【課題】アンモニアの合成効率を上げることができる合成装置を提供する。【解決手段】合成装置は、窒素を含む原料ガスが供給される反応場にプラズマを発生するプラズマ発生装置と、水蒸気を分解して反応場に水素を発生する電気化学セルと、電気化学セルを作動した後、プラズマ発生装置を作動する制御装置と、を備える。制御装置は、反応場が条件を満たしたと判断される場合にプラズマ発生装置を作動しても良い。制御装置は、水素センサ、水蒸気センサ、計時装置または計測装置の電気信号に基づいてプラズマ発生装置を作動しても良い。【選択図】図1

アンモニアの合成装置

NºPublicación:  JP2025162704A 28/10/2025
Solicitante: 
日本特殊陶業株式会社
JP_2025162704_PA

Resumen de: JP2025162704A

【課題】安定してアンモニアを生成できる合成装置を提供する。【解決手段】合成装置は、筒状の電解質と、電解質の内側に配置されたカソードと、電解質の外側に配置されたアノードと、を備える電気化学セルと、カソードと間隔をあけて電気化学セルの内側に配置された電極を含む筒状の電極部材を含み、電極とカソードとの間にプラズマを発生するプラズマ発生装置と、を備え、原料ガスは電極部材の内側の第1の空間に供給され、電気化学セルは電極部材とカソードとの間の第2の空間に水素を発生し、第1の空間と第2の空間とをつなぐ孔が電極に複数設けられ、カソードはプラズマ発生装置のアース電極を兼ねる。【選択図】図1

熱エネルギー貯蔵を伴う電気化学セルシステム及び関連する方法

NºPublicación:  JP2025535749A 28/10/2025
Solicitante: 
ヌオーヴォ・ピニォーネ・テクノロジー・ソチエタ・レスポンサビリタ・リミタータ
JP_2025535749_PA

Resumen de: CN120391000A

An electrochemical cell system (100) comprising: an electrochemical cell arrangement (10); a control unit (20) configured to operate the electrochemical cell arrangement (10) only as an electrolytic cell or as a fuel cell; a heating unit (40) located outside the electrochemical cell arrangement (10), the heating unit being thermally coupled to the electrochemical cell arrangement (10) and the heating unit being configured to alternately store heat from the electrochemical cell arrangement (10) to the heating unit (40) and supply heat from the heating unit (40) to the electrochemical cell arrangement (10); and a transfer arrangement (30) configured to alternately transfer heat from the electrochemical cell arrangement (10) to the heating unit (40) and from the heating unit (40) to the electrochemical cell arrangement (10).

/ Quaternized polyphenylene oxide/polyvinyl alcohol composition anion exchange membrane and its preparation method

NºPublicación:  KR20250154086A 28/10/2025
Solicitante: 
이규하전북대학교산학협력단
KR_20250154086_PA

Resumen de: KR20250154086A

본 발명은 향상된 수분흡수율 및 화학적 안정성을 갖는 우수한 이온전도성 고분자 조성물로, 사차화된 폴리페닐렌 옥사이드(QPPO: quaternized polyphenylene oxide)와 폴리비닐알콜(PVA: polyvinyl alcohol)를 포함하는 고분자 조성물, 상기 고분자 조성물을 포함하는 이오노머 주조 방법 및 이를 활용한 음이온교환막에 관한 것이다.

전기화학 전지 스택

NºPublicación:  KR20250154491A 28/10/2025
Solicitante: 
섀플러테크놀로지스아게운트코카게
KR_20250154491_PA

Resumen de: WO2024183850A1

An electrochemical cell stack (1) comprises a plurality of cells (2), which are separated from one another by bipolar plates (5, 5'), wherein each cell (2) is formed from two half-cells (3, 4) between which a membrane (6), surrounded by a support frame (7), is arranged, and wherein there is a porous transport layer (10, 11) in each half-cell (3, 4). The support frame (7) describes a stepped shape with two adjacent cross-section regions (12, 13), wherein an edge (18) of the membrane (6) lies in a step (17) formed by the cross-section regions (12, 13) and the porous transport layer (10) of a half-cell (3) extends into the step (17), and wherein the support frame (7) comprises at least one sealing arrangement (15) which is injection-moulded onto the support frame (7) and comprises an electrically insulating sealing material, wherein the sealing arrangement (15) comprises three sealing regions (19, 20, 21) each having at least one sealing lip (22, 22'), specifically a first sealing region (19) and a second sealing region (20) which are assigned to the narrower of the two cross-section regions (12, 13) facing the membrane (6) and each of which contact exactly one bipolar plate (5, 5'), and a third sealing region (21) which is on a side of the support frame (7) facing away from the step (17) and borders an opening (9) of the support frame (7) provided for the guiding through of media, and contacts both bipolar plates (5, 5') to which the first and the second sealing region (19, 20)

Circulation-Type Hydrogen Production and Power Generating System

NºPublicación:  KR20250153897A 28/10/2025
Solicitante: 
권동열

Resumen de: KR20250153897A

본 발명은 수전해 장치에서 생성된 수소와 산소를 수소연료전지 시스템으로 공급하여 전기를 생성하고, 이 과정에서 생성된 물을 다시 수전해 장치로 공급하여 수전해에 사용하는 형태로서 물의 공급없이 또는 최소한의 공급을 통해 전기를 생산하는 순환식 수소생성 및 발전장치를 제공한다.

熱交換器

NºPublicación:  JP2025163079A 28/10/2025
Solicitante: 
ティーアイホールディングスベスローテンヴェンノーツハップ
JP_2025163079_PA

Resumen de: TW202446469A

The invention relates to a thermal inverter (1, 2) for generating from a parent compound a first fluid of first molecules (H2) with a first molecular weight and a second fluid of second molecules (O2) with a second molecular weight, whereby the first molecular weight of the first molecules (H2) is less than the second molecular weight of the second molecules (O2). In a reaction device (1) the parent compound is decomposed into a mixture compound of the first molecules (H2) and the second molecules (O2).In order to improve the efficiency of such a thermal inverter the invention proposes a gas separator device (2) comprising a mixture inlet (26) for the mixture compound of the first and the second molecules at a bottom section (24) of the gas separator device (2) and a first and a second outlet (2() at a top section (25) of the gas separator device (2), the first outlet (27) providing substantially the first molecules (H2) and the second outlet (28) providing substantially the second molecules (O2), the gas separator device (2) further comprising guiding elements (6) for guiding the first and second molecules (H2, O2) from the mixture inlet (26) towards the first and second outlet (27, 28) in a coiled path, wherein the coiled path is confined by a sidewall (29).

共電解メタネーション装置

NºPublicación:  JP2025161369A 24/10/2025
Solicitante: 
大阪瓦斯株式会社
JP_2025161369_PA

Resumen de: JP2025161369A

【課題】共電解の電解開始時の電流取り出しから定格相当の電流を得るまでの工程において、メタン化反応に最適な(一酸化炭素+二酸化炭素)/水素の比率を実現し、エネルギー変換効率の向上が可能な、共電解メタネーション装置を提供する。【解決手段】水蒸気と二酸化炭素を電解する共電解部5と、水蒸気と二酸化炭素の流量を制御する流量制御手段と、メタン合成部7と、分離部と、を備える共電解メタネーション装置1であって、共電解部5に電解電力を供給する電解電圧制御手段と、電解電流を計測する電解電流計測手段と、が備えられており、流量制御手段は、共電解部5の電解電流の取り出し開始から定格電解電流に達するまでの過程において、電解電流の増加に応じて、カソード極53に供給する水蒸気及び二酸化炭素の各流量を制御する。【選択図】図1

Method for manufacturing electrodes for electrochemical catalysis using pulsed laser irradiation and electrodes for electrochemical catalysis manufactured accordingly

NºPublicación:  KR20250153019A 24/10/2025
Solicitante: 
경상국립대학교산학협력단
KR_20250153019_PA

Resumen de: KR20250153019A

본 발명은 전극용 금속 폼의 표면 산화층을 제거하여 전처리된 금속 폼 기판을 준비하는 단계; 및 상기 전처리된 금속 폼 기판을 전이금속 전구체를 함유하는 수용액에 침지시키고, 상기 금속 기판에 펄스 레이저를 조사하여 전기화학 촉매용 전극을 제조하는 제2 단계;를 포함하되, 상기 제2 단계에서, 상기 펄스 레이저의 파장은 250~1100 nm인 것을 특징으로 하는, 펄스 레이저 조사를 이용한 전기화학 촉매용 전극의 제조방법을 제공한다. 본 발명의 제조방법은 3차원 전극 기판 상에 전이금속 또는 전이금속 산화물 층을 one-pot 방식으로 형성하며, 추가적인 환원제의 사용 없이 금속을 환원시킬 수 있고, 종래의 바인더를 사용하여 전극과 활물질을 결합하는 방식에서 벗어나 공정의 단계를 개선함으로써 공정비용을 감소시키는 효과가 있다.

水電解評価装置、水電解装置評価方法及び水電解評価装置用プログラム

NºPublicación:  JP2025161071A 24/10/2025
Solicitante: 
株式会社堀場製作所
JP_2025161071_PA

Resumen de: JP2025161071A

【課題】電解液の電気特性を制御しつつ、気液分離タンクの液位を一定に制御する水電解評価装置を提供する。【解決手段】水電解評価装置であって、供試体と導入ラインを介して接続され、前記供試体から導出される流体を酸素ガス又は水素ガスと電解液とに分離する気液分離タンクと、前記流体に含まれる電解液の導電率又は比抵抗を示す電気特性を測定する電気特性測定部と、前記気液分離タンクから前記電解液を排出するとともに、前記電解液の排液量を調整する排液量調整機器が設けられている排出ラインと、前記気液分離タンク内の前記電解液の前記電気特性と異なる水を前記気液分離タンクに供給するとともに、前記水の供給量を調整する供給量調整機器が設けられている供給ラインと、前記電気特性測定部により測定された前記電気特性に基づいて、前記排液量調整機器及び前記供給量調整機器を制御する流量制御部とを備える。【選択図】図1

水素製造システム、電力供給装置及び水素製造システムの制御方法

NºPublicación:  JP2025161309A 24/10/2025
Solicitante: 
株式会社日立製作所
JP_2025161309_PA

Resumen de: JP2025161309A

【課題】 外部電源の異常発生時における水素製造システムの応答に応じて発生し得る外部電源への悪影響を抑制して外部電源の安定化を図るとともに、異常解消後の電流変動による水素製造装置の劣化を防止する。【解決手段】 本発明の水素製造システムは、水素製造装置と、水素製造装置に直流電流を出力する電力供給部と、外部電源の電圧を監視し、電圧の監視結果に基づき、電力供給部から出力される直流電流を制御する制御部であって、外部電源の電圧低下を検知すると、電力供給部から出力される直流電流の値を0より大きな所定の直流電流値に低下させて水素製造装置の運転を継続し、その後、外部電源の電圧回復を検知すると、直流電流の値を所定の増加態様で特定の直流電流値まで増加させる制御部と、を備える。【選択図】 図2

共電解メタネーション装置

NºPublicación:  JP2025161368A 24/10/2025
Solicitante: 
大阪瓦斯株式会社
JP_2025161368_PA

Resumen de: JP2025161368A

【課題】メタン純度を維持し、プロセス出口ガスの単位体積当たりの熱量を高位に保つ共電解メタネーション装置の提供。【解決手段】水蒸気と二酸化炭素を電解する共電解部と、水蒸気と二酸化炭素の流量を制御する流量制御手段と、メタン合成部と、を備える共電解メタネーション装置であって、電解電圧制御手段と、電解電流計測手段と、ガス利用率算出手段と、をさらに備え、流量制御手段は共電解部に第1制御流量値として水蒸気と二酸化炭素を供給し、電解電流計測手段は第1実績電解電流値として電流値を計測し、ガス利用率算出手段は第1制御流量値として供給した水蒸気と二酸化炭素の全量が水素と一酸化炭素に電解される場合の電解電流値を第1理論電解電流値として算出し、第1理論電解電流値に対する第1実績電解電流値の割合を第1実績ガス利用率とし、流量制御手段は第1実績ガス利用率に基づき水蒸気と二酸化炭素の流量を第2制御流量値として制御する。【選択図】図1

炭素酸化物電解装置二極性膜のための界面

NºPublicación:  JP2025535276A 24/10/2025
Solicitante: 
トゥエルブベネフィットコーポレーション
JP_2025535276_PA

Resumen de: US2024141514A1

Provided herein are membrane electrode assemblies (MEAs) for carbon oxide reduction. According to various embodiments, the MEAs are configured to address challenges particular to COx including mitigating the deleterious effects of electrical current fluctuations on the MEA. Bipolar membrane MEAs equipped with an interface composed of nanoparticles are described.

フィルタ

NºPublicación:  JP2025535220A 24/10/2025
Solicitante: 
ハイダックフィルターテヒニクゲゼルシャフトミットベシュレンクテルハフツング
JP_2025535220_PA

Resumen de: AU2023379054A1

2. The invention relates to a filter for treating process fluid such as that which in particular arises during hydrogen electrolysis, preferably for separating hydrogen and/or oxygen from process water, having a first filter element (10) and a second filter element (12), which encloses the first filter element (10) with the formation of a flow space (14) with a predefinable radial spacing, wherein each filter element (10, 12) has a filter medium (16, 18) through which the process fluid can flow in a flow-through direction (24) from the outside to the inside or preferably from the inside to the outside, wherein, seen in the flow-through direction (24), the one filter medium (16) forms a first degassing stage, which is used to enlarge gas bubbles through coalescence and to remove same from the process fluid through separation caused by buoyancy, and the subsequent further filter medium (18) forms a second degassing stage, which is used to remove very finely distributed gas bubbles remaining in the process fluid, again through coalescence and the separation of same through rising caused by buoyancy.

アンモニアを処理するためのシステム及び方法

NºPublicación:  JP2025535370A 24/10/2025
Solicitante: 
アモジーインコーポレイテッド
JP_2025535370_PA

Resumen de: WO2024086793A1

The present disclosure provides a catalyst, methods of manufacturing the catalyst, and methods for using the catalyst for ammonia decomposition to produce hydrogen and nitrogen. The catalyst may comprise an electrically conductive support with a layer of one or more metal oxides adjacent to the support and at least one active metal adjacent to the layer. Methods are disclosed for deposition of metal oxide and active metal, drying and heat treatment. The method of using the catalyst may comprise bringing ammonia in contact with the catalyst in a reactor. The catalyst may be configured to be heated to a target temperature in less than about 60 minutes, by passing an electrical current through the catalyst. The method of using the catalyst may comprise bringing the catalyst in contact with ammonia at about 450 to 700 °C, to generate a reformate stream with a conversion efficiency of greater than about 70%.

水素プラントの構成要素を電源に接続するためのシステムおよび回路

NºPublicación:  JP2025535262A 24/10/2025
Solicitante: 
オーミアムインターナショナル,インコーポレイテッド
JP_2025535262_PA

Resumen de: WO2024081426A2

The present disclosure relates to circuits for connecting components of a hydrogen plant to a power grid to power the components in an efficient manner. In one implementation, power-side alternate current (AC) to direct current (DC) converters may be connected to a source power grid without the need for an isolation transformer by providing separate buses between the power-side AC-DC converters and load-side DC-DC converters instead of a shared DC bus between the converters. Other implementations for connecting components of a hydrogen plant to a power grid may include an adjustable transformer, such as a tappable transformer or an autotransformer, to connect any number of auxiliary loads of the plant to the power grid. The adjustable transformer may provide for various types of auxiliary load devices to connect to the power provided by the transformer at the same time, including both three-phase devices and one-phase devices.

通过电解水来产生氢气和氧气的电解设备的控制

NºPublicación:  CN120836126A 24/10/2025
Solicitante: 
西门子能源国际公司
CN_120836126_PA

Resumen de: AU2024318321A1

The invention relates to an electrolysis system (10) comprising a plurality of electrolysis devices (34, 36) which are connected to a power supply line (30), the electrolysis devices (34, 36) having a power supply unit (38, 40) and an electrolysis module (12, 14, 16, 18, 20, 22, 24, 26) coupled to the power supply unit, the power supply units of the electrolysis devices comprising a transformer (42, 44, 46, 48) and a rectifier unit (50, 52, 54, 56, 58, 60, 62, 64), the transformer having a primary winding (66, 68, 70, 72) and a secondary winding (74, 76, 78, 80, 82, 84, 86, 88) connected to an AC voltage side of the rectifier unit. According to the invention, the primary winding of the transformer of at least a first of the electrolysis devices (40) is designed to be adjustable in stages, and the rectifier unit of said electrolysis device is designed to be operated in an uncontrolled manner, the rectifier unit of the power supply unit of at least a second of the electrolysis devices being designed to be operated in a controlled manner depending on the electrical energy that can be provided by the energy source.

用于裂解氨的方法

NºPublicación:  CN120835863A 24/10/2025
Solicitante: 
庄信万丰戴维科技有限公司
CN_120835863_PA

Resumen de: TW202502644A

A process for the catalytic cracking of ammonia, the process comprising: supplying an ammonia feed gas to one or more heated catalyst containing reaction vessels disposed within an ammonia cracking reactor; and cracking the ammonia in the ammonia feed gas in the one or more catalyst containing reaction vessels to produce a hydrogen containing stream, wherein the or each of the reaction vessels has a wall which is composed of at least a first alloy and a second alloy, wherein the first alloy is more resistant to nitriding than the second alloy and the second alloy provides mechanical support to the first alloy, and wherein at least a portion of the wall adjacent the catalyst is composed of the first alloy.

具有呼吸侦测功能的氢气产生装置

NºPublicación:  CN120830110A 24/10/2025
Solicitante: 
林信涌
CN_120830110_PA

Resumen de: WO2025222998A1

A hydrogen generation device with a breathing detection function. The hydrogen generation device comprises an electrolytic cell, a gas pipe, a sensor, a valve switch and a controller, wherein the electrolytic cell is used for electrolyzing water to generate a hydrogen-containing gas; the gas pipe is in communication with the electrolytic cell and has a gas outlet, and the gas pipe is used for receiving the hydrogen-containing gas and outputting the hydrogen-containing gas through the gas outlet; the sensor is used for sensing the breathing of a user to generate a breathing signal; the valve switch is arranged in the gas pipe; and the controller is electrically connected to the valve switch and the sensor, and the controller opens the valve switch on the basis of an inspiration signal, and closes the valve switch on the basis of an expiration signal. Therefore, the present invention provides the hydrogen-containing gas, and does not provide the hydrogen-containing gas in an expiration state, such that not only can excessive pressure in a breathing tube be prevented, but also the hydrogen-containing gas can be prevented from rapidly flowing to a user when the user inhales again, thereby improving the practicability and the usage experience.

수소 생성 방법

NºPublicación:  KR20250153217A 24/10/2025
Solicitante: 
하이드로젠알에잇리미티드
KR_20250153217_PA

Resumen de: AU2024224275A1

A process for the reaction of aluminium with water comprising the steps of adding aluminium metal to an aqueous solution comprising potassium hydroxide at a concentration of between 0.1M and 0.4M and a surfactant; agitating the mixture of previous step; and collecting generated hydrogen. A composition for use in such a process for reacting aluminium with water, comprising potassium hydroxide and a surfactant.

액체 환경에서 펄스 전자기장들에 의해 국한된 플라즈마를 이용하는 수소 생성 시스템

NºPublicación:  KR20250153215A 24/10/2025
Solicitante: 
코에네만로버트엘
KR_20250153215_PA

Resumen de: MX2025009259A

A hydrogen generation system includes: a direct current (DC) power supply providing a driver signal, a reactive circuit coupled to the power supply and configured to generate a pulse drive signal from the driver signal, at least one reaction chamber coupled to the reactive circuit and receiving the pulse drive signal wherein the chamber is configured to generate hydrogen from feedstock material utilizing the pulse drive signal, a gas analyzer coupled to the at least one reaction chamber and configured to detect the generated hydrogen, and a control unit coupled to the reactive circuit and to the gas analyzer and configured to control the reactive circuit based on the detected hydrogen. The reaction chamber includes a plurality of positively charged elements and a plurality of negatively charged elements. The elements are composed of non-dis similar metallic material.

共電解メタネーション装置及び共電解メタネーション装置の運転方法

NºPublicación:  JP2025161367A 24/10/2025
Solicitante: 
大阪瓦斯株式会社
JP_2025161367_PA

Resumen de: JP2025161367A

【課題】最終出口部分での生成ガスの熱量を高位に保ち、熱量の変動幅を小さくする共電解メタネーション装置及びその運転方法の提供。【解決手段】水蒸気及び二酸化炭素を電気分解して水素、一酸化炭素、水蒸気及び二酸化炭素を含む合成ガスを生成する共電解部5と、共電解部5のカソード極53に供給する水蒸気及び二酸化炭素の各流量を制御する流量制御手段と、合成ガスを冷却して水を分離し、圧縮する水分離・圧縮部6と、水が分離された合成ガスをメタン化触媒に通じてメタネーションを行うメタン合成部7と、メタン合成部7より送出されるガスからメタンを分離する分離部と、を備える共電解メタネーション装置1であって、二酸化炭素の流量に対する水蒸気の流量の比率である基準流量比率を算出する流量比算出手段9を備え、基準流量比率に基づき、カソード極53に供給する水蒸気及び二酸化炭素の各流量を制御する。【選択図】図1

SYSTEM AND METHOD FOR THE COMBINED COMPRESSION OF HYDROGEN AND NATURAL GAS

NºPublicación:  WO2025219222A1 23/10/2025
Solicitante: 
THYSSENKRUPP UHDE GMBH [DE]
THYSSENKRUPP AG [DE]
THYSSENKRUPP UHDE GMBH,
THYSSENKRUPP AG
WO_2025219222_PA

Resumen de: WO2025219222A1

The present invention relates to a system and a method for the combined compression of "green" hydrogen and natural gas in a natural gas compressor when "green" hydrogen is added into a conventional NH3 system or to an NH3-urea complex.

DEVICE FOR GENERATING MOLECULAR HYDROGEN FOR DOMESTIC AND INDUSTRIAL APPLICATIONS

NºPublicación:  WO2025217696A1 23/10/2025
Solicitante: 
DORIVAL DE OLIVEIRA THIAGO [BR]
DORIVAL DE OLIVEIRA, Thiago
WO_2025217696_PA

Resumen de: WO2025217696A1

The present invention relates to an advanced portable system for generating molecular hydrogen, designed to enrich water with hydrogen gas. The device uses an optimized electrolysis technique to infuse hydrogen into water, providing significant antioxidant and alkalizing benefits. Although initially designed for domestic use, the modular and scalable design of the system allows its application in industrial and commercial settings, providing customised solutions for water treatment at various scales. The core technology of the invention can adjust the concentration of molecular hydrogen dissolved in water, allowing the user to control the level of hydrogenation as necessary. This is crucial for adapting the device to various water quality requirements across multiple sectors, including healthcare, hospitality and industrial processing. The system is also designed to be extremely energy-efficient, using low-power components to reduce environmental impact and operating costs. The novelty of this invention lies not only in its hydrogenation functionality, but also in its ability to raise the pH of water, although this feature is involved as a secondary benefit. The invention primarily aims to provide a consistent and effective source of hydrogen-enriched water, known for its beneficial effects in reducing oxidative stress, improving cellular hydration and potentially supporting the prevention of various age-related conditions. This system represents a significant advancement in

METHOD FOR PRODUCING REGENERATIVE HYDROCARBONS VIA THE METHANOL ROUTE AND CORRESPONDING SYNTHESIS PLANT

NºPublicación:  WO2025218944A1 23/10/2025
Solicitante: 
SIEMENS ENERGY GLOBAL GMBH & CO KG [DE]
SIEMENS ENERGY GLOBAL GMBH & CO. KG
WO_2025218944_PA

Resumen de: WO2025218944A1

The invention relates to a method for producing hydrocarbons. The method comprises the steps of providing i) a regenerative starting material (5) containing carbon (C) and hydrogen (H). Furthermore, the method comprises gasifying ii) the starting material (5) in a gasifier (8), wherein a synthesis gas (6) is produced, producing iii) methanol (MeOH) from the synthesis gas (6) and regenerative hydrogen (H2), wherein pure methanol (16) is separated from the produced methanol product gas (10), and producing iv) a hydrocarbon (CH) from the pure methanol (16), wherein the pure methanol (16) is catalytically converted into a hydrocarbon target product (31), in particular kerosene, gasoline, diesel or naphtha, wherein by-products (17, 23, 24, 32, 33) of the methanol synthesis and/or hydrocarbon synthesis are returned to the gasifier (8) and are further reacted into synthesis gas (6) which is then also converted into methanol and the hydrocarbon product (31). The invention also relates to a corresponding synthesis plant.

差圧式電解装置

NºPublicación:  JP2025160544A 23/10/2025
Solicitante: 
本田技研工業株式会社
JP_2025160544_PA

Resumen de: US2025320616A1

A differential pressure electrolysis device is equipped with a resin frame member bonded to a peripheral edge portion of an electrolyte membrane. A first member is interposed between a first separator and the resin frame member, and a second member is interposed between the resin frame member and a second separator. The differential pressure electrolysis device is equipped with a positioning member. The positioning member positions the resin frame member relative to the first member or the second member. However, the positioning member permits the resin frame member to move along a surface direction.

Elektrolyseur und Zellenkomponentenanordnung für ein elektrochemisches System

NºPublicación:  DE102024111159A1 23/10/2025
Solicitante: 
SCHAEFFLER TECHNOLOGIES AG [DE]
Schaeffler Technologies AG & Co. KG
DE_102024111159_PA

Resumen de: DE102024111159A1

Eine Zellenkomponentenanordnung (1) für ein elektrochemisches System umfasst ein dreidimensional strukturiertes Plattenelement (16), durch welches ein Prägefeld (12) gebildet ist, welches über einen eine Flussrichtung (FR) vorgebenden Durchleitungsbereich (7) mit einem Port (5) des elektrochemischen Systems verbunden ist, wobei durch eine Strukturierung (21) des Plattenelementes (16) insbesondere verschiedene 3er-Gruppen (22, 25) an länglichen, nebeneinander angeordneten, in Längsrichtung, das heißt Flussrichtung (FR), des Durchleitungsbereichs (7) ausgerichteten Prägeelementen (23, 24, 26, 27) gebildet sind. Hierbei handelt es sich um eine mittlere 3er-Gruppe (22) sowie zwei äußere 3er-Gruppen (25). In jeder 3er-Gruppe (22, 25) ist das mittlere Prägeelement (23, 26) geringer vom Rand (28) des Prägefeldes (12) beabstandet als die zwei seitlichen Prägeelemente (24, 27). Zugleich ist jede der beiden äußeren 3er-Gruppen (25) geringer vom Rand (28) des Prägefeldes (12) beabstandet als die mittlere 3er-Gruppe (22) an Prägeelementen (23, 24).

Poröse Transportschicht und Herstellverfahren

NºPublicación:  DE102024111239A1 23/10/2025
Solicitante: 
DORSTENER DRAHTWERKE H W BRUNE & CO GES MIT BESCHRAENKTER HAFTUNG [DE]
Dorstener Drahtwerke H. W. Brune & Co. Gesellschaft mit beschr\u00E4nkter Haftung
DE_102024111239_PA

Resumen de: DE102024111239A1

Poröse Transportschicht 1 für den Einsatz in einem Elektrolyseur, wobei die Transportschicht 1 mehrere miteinander verbundene Lagen 2-4 aufweist, wobei mindestens eine der Lagen 2 eine Porosität unter 75 % aufweist und eine weitere Lage 3 eine Porosität von 75 % bis 90 % aufweist, wobei alle Lagen 2-4 aus Metall bestehen und stoffschlüssig miteinander verbunden sind, wobei wenigstens eine der Lagen 3 aus einem Flächengebilde aus Draht oder aus einem Streckmetallgitter besteht, das eine Hauptebene und eine 3D-Strukturierung senkrecht zu seiner Hauptebene aufweist, so dass in Verbindung mit einer benachbarten Lage 2, 4 Strömungskanäle ausgebildet werden.

Sammelleitung für die Elektrolyse

NºPublicación:  DE102024203529A1 23/10/2025
Solicitante: 
SIEMENS ENERGY GLOBAL GMBH & CO KG [DE]
Siemens Energy Global GmbH & Co. KG
DE_102024203529_PA

Resumen de: DE102024203529A1

Die Erfindung betrifft eine elektrochemische Zelle (1) für die Elektrolyse, die elektrochemische Zelle (1) umfassend gegenüberliegende Hauptflächen (2) und zwischen den Hauptflächen (2) angeordnete Abfuhrkanäle (3) zum Abführen eines Elektrolyseproduktes, wobei die Abfuhrkanäle (3) in einen Sammelkanalabschnitt (4) münden, wobei sich der Sammelkanalabschnitt (4) von einer Hauptfläche (2) zur anderen Hauptfläche (2) der elektrochemischen Zelle (1) erstreckt und einen Durchbruch (5) in senkrechter Richtung zu den Hauptflächen (2) mit einer Umfangslinie (6) darstellt, wobei die Abfuhrkanäle (3) näherungsweise tangential zur Umfangslinie (6) in den Sammelkanalabschnitt (4) münden. Die Erfindung betrifft ferner einen Elektrolyseur (9) umfassend mehrere gestapelte elektrochemische Zellen (1) sowie ein Elektrolyseverfahren.

METHODS AND APPARATUSES FOR IN-SITU AND INTEGRATED PRODUCTION OF CLEAN FUELS, CARBON DIOXIDE MINERALIZATION, AND MINING

NºPublicación:  WO2025221298A1 23/10/2025
Solicitante: 
MASSACHUSETTS INST TECHNOLOGY [US]
MASSACHUSETTS INSTITUTE OF TECHNOLOGY
WO_2025221298_PA

Resumen de: WO2025221298A1

Apparatuses, systems, and methods for leveraging subsurface geochemical reactions to provide optimal conditions for chemical extraction, hydrogen gas and/or ammonia formation and collection, carbon dioxide mineralization, and mining. In some embodiments, an integrated system can be used to simultaneously 1) produce hydrogen (H2) and ammonia (NH3) in-situ by injecting H2O and nitrogen (N)-sources onto ultramafic rocks; 2) mineralization of carbon dioxide (CO2) by injecting CO2 gas onto ultramafic rocks; and 3) collection and separation of percolated fluid form water- ultramafic rocks to extract valuable trace elements therefrom. The integrated system can deliver reactants through a subsurface for reaction with rocks disposed below ground, and outlets for collecting the products from the earth.

POROUS SUPPORT FOR WATER ELECTROLYSIS

NºPublicación:  WO2025221010A1 23/10/2025
Solicitante: 
KOLON INC [KR]
\uCF54\uC624\uB871\uC778\uB354\uC2A4\uD2B8\uB9AC \uC8FC\uC2DD\uD68C\uC0AC
WO_2025221010_A1

Resumen de: WO2025221010A1

The present invention relates to a porous support for water electrolysis, which has constant surface resistance and electrical conductivity due to coating layers uniformly formed inside and outside thereof, wherein the porous support comprises: a porous fabric support formed by intersecting a plurality of fibers with each other; a catalyst layer formed on the porous fabric support; a first coating layer formed on the catalyst layer; and a second coating layer formed on the first coating layer.

MOLDED CATALYST FOR AMMONIA DECOMPOSITION AND MANUFACTURING METHOD THEREFOR

NºPublicación:  WO2025220974A1 23/10/2025
Solicitante: 
KOREA RES INST CHEMICAL TECH [KR]
\uD55C\uAD6D\uD654\uD559\uC5F0\uAD6C\uC6D0
WO_2025220974_A1

Resumen de: WO2025220974A1

The present invention relates to a molded catalyst for ammonia decomposition and a manufacturing method therefor and, more specifically, to an economical method for manufacturing a molded catalyst for ammonia decomposition and a molded catalyst manufactured thereby, wherein a catalyst carrier is prepared by coating various molded bodies such as beads, pellets, honeycombs, and the like with lanthanum and cerium and then ruthenium is supported on the catalyst carrier to produce an ammonia decomposition catalyst as a catalyst with superior activity in an ammonia decomposition reaction, whereby the strength of the coating can be sufficiently expressed, the catalytic activity can be improved or maintained even with a small amount of a catalytically active material (ruthenium), the loss of a coating solution can be reduced during a catalyst coating process, and the molded catalyst can be manufactured without a separate powder catalyst manufacturing process.

ELECTROLYTIC CELL STACK, ELECTROLYTIC CELL CARTRIDGE, ELECTROLYTIC CELL MODULE, AND METHOD FOR MANUFACTURING ELECTROLYTIC CELL STACK

NºPublicación:  WO2025220485A1 23/10/2025
Solicitante: 
MITSUBISHI HEAVY IND LTD [JP]
MITSUBISHI POWER LTD [JP]
\u4E09\u83F1\u91CD\u5DE5\u696D\u682A\u5F0F\u4F1A\u793E,
\u4E09\u83F1\u30D1\u30EF\u30FC\u682A\u5F0F\u4F1A\u793E
WO_2025220485_PA

Resumen de: WO2025220485A1

The present disclosure provides an electrolytic cell stack capable of increasing the amount of product generated by electrolysis while suppressing a temperature rise of the cell stack. An electrolytic cell stack (101) according to the present disclosure comprises: a hydrogen generation unit (10) provided with an electrolytic cell (105) having a hydrogen electrode, an oxygen electrode, and a solid electrolyte membrane; a raw material gas supply port (11); a hydrogen gas discharge port (12); a raw material gas supply-side heat exchange unit (13); and a hydrogen gas discharge-side heat exchange unit (14). The raw material gas supply-side heat exchange unit and the hydrogen gas discharge-side heat exchange unit are each composed of a heat transfer unit and a header unit. The heat transfer unit area of the hydrogen gas discharge-side heat exchange unit is larger than the heat transfer unit area of the raw material gas supply-side heat exchange unit.

MODIFIED MXENE MATERIALS

NºPublicación:  WO2025217689A1 23/10/2025
Solicitante: 
MELBOURNE INST TECH [AU]
ROYAL MELBOURNE INSTITUTE OF TECHNOLOGY
WO_2025217689_PA

Resumen de: WO2025217689A1

This disclosure describes freestanding or delaminated two-dimensional (2D) sheets of at least dual modified functionalised MXene materials, Mn+1XnTx, having electronegative surface groups and non-metal dopant and electrochemically active dopant atoms in the materials, suitable as OER catalysts.

Water electrolysis catalyst and water electrolysis device

NºPublicación:  US2025327198A1 23/10/2025
Solicitante: 
SHANGHAI JUNA NEW MATERIAL TECH CO LTD [CN]
Shanghai Juna New Material Technology Co., Ltd
US_2025327198_PA

Resumen de: US2025327198A1

The disclosure provides a water electrolysis catalyst and a water electrolysis device. The water electrolysis catalyst includes a catalyst support layer and a catalyst. The catalyst grows vertically and orderly on the catalyst support layer, and the catalyst has a nanowire or nanochain microstructure. The water electrolysis catalyst further includes nanoparticles stacked to form the nanowire or nanochain microstructures, and a diameter of the nanoparticles is from 5 nm to 500 nm.

ELECTROLYTE COMPRISING SOLVENT WITH LOW POLARITY AND METHOD OF PREPARING ELECTROCHEMICAL LITHIUM- MEDIATED AMMONIA USING THE SAME

NºPublicación:  US2025327193A1 23/10/2025
Solicitante: 
POSTECH RES & BUSINESS DEV FOUND [KR]
POSTECH RESEARCH AND BUSINESS DEVELOPMENT FOUNDATION
US_2025327193_PA

Resumen de: US2025327193A1

Disclosed is a electrolyte comprising solvent with low polarity and method of manufacturing electrochemical lithium-mediated ammonia using the same. In detail, an electrolyte comprising a first solvent represented by Structural Formula 1; a second solvent represented by Structural Formula 2; a metal salt; and a proton donor compound. The present disclosure can control the solvation structure through a solvent with low polarity even in a relatively low-concentration electrolyte, thereby constructing a high-performance ammonia production system.

IMPROVEMENTS RELATING TO HYDROGEN ELECTROLYSIS SYSTEMS

NºPublicación:  US2025327192A1 23/10/2025
Solicitante: 
VESTAS WIND SYSTEMS AS [DK]
VESTAS WIND SYSTEMS A/S
US_2025327192_PA

Resumen de: US2025327192A1

A hydrogen generation system comprising a hydrogen electrolyser, a power converter connected to the electrolyser, and a control system configured to control the power converter to supply power to the electrolyser The system further includes a monitoring system configured to monitor the operation of the generation system, wherein the monitoring system is configured to: determine a plurality of operational parameters of the electrolyser, and, generate one or more performance metrics based on the determined operational parameters, the one or more performance parameters including: the electrical capacitance of the electrolyser, and/or the equivalent series resistance of the electrolyser. Also disclosed is a method for determining operational performance of a hydrogen generation system including an electrolyser.

AMMONIA PRODUCTION FROM CARBON- AND WATER-DERIVED HYDROGEN

NºPublicación:  US2025326652A1 23/10/2025
Solicitante: 
SAUDI ARABIAN OIL COMPANY [SA]
Saudi Arabian Oil Company
US_2025326652_PA

Resumen de: US2025326652A1

Methods and systems for ammonia production are provided. An exemplary method includes electrolyzing water to form H2 and O2, contacting a reformer feed stream including hydrocarbons, O2 from electrolysis, and an oxidant stream including O2 and N2 to form a reformed stream including H2, CO, CO2, and N2; contacting the reformed stream with a water-gas shift catalyst to form a shifted stream including H2, CO2, and N2; separating the shifted stream to form a captured stream including CO2 and an ammonia production feed stream including H2 and N2; and reacting the ammonia production feed stream, and optionally H2 from electrolysis, to form ammonia.

BIPOLAR PLATE AND ELECTRODES ASSEMBLY AND METHOD FOR GENERATING A BIPOLAR PLATE AND ELECTRODES ASSEMBLY AND ELECTROLYSER UNIT ADAPTED FOR ELECTROLYSING WATER INTO HYDROGEN AND OXYGEN

NºPublicación:  WO2025219328A1 23/10/2025
Solicitante: 
THYSSENKRUPP NUCERA AG & CO KGAA [DE]
THYSSENKRUPP NUCERA AG & CO. KGAA
WO_2025219328_PA

Resumen de: WO2025219328A1

A bipolar plate and electrodes assembly where the bipolar plate is connected to an electrode through a number of distance units is thus suggested whereby the distance units are singular, and that further, between each singular distance unit and at least one of the bipolar plate and the electrode a fusion zone is/are provided. The invention also comprises a method for generating a bipolar plate and electrodes assembly. Further an electrolyser adapted for electrolysing water into oxygen and hydrogen, is provided, whereby the electrolyser comprises a cell stack having alternatingly a diaphragm and a bipolar plate and electrode assembly and the assembly is comprised of a number of singular distance units interposed between and interconnecting bipolar plate and respective cathode and anode electrode, which distance units are adapted to be generated by way of one or more distance unit controlled generators during an assembly and fusion process.

HYDROGEN ELECTROLYSIS USING PULSED DC SIGNAL

NºPublicación:  WO2025219263A1 23/10/2025
Solicitante: 
GEARY PAUL FRANCIS [GB]
GEARY, Paul, Francis
WO_2025219263_PA

Resumen de: WO2025219263A1

The present invention relates to an electrolysis system for generating hydrogen and/or oxygen, the system comprising: a first electrolysis apparatus, particularly an electrolysis stack or cell, comprising at least one electrode for the decomposition of electrolyte water; and a power supply unit for supplying electric power to the first electrolysis apparatus, wherein the power supply unit comprises means for converting an AC input signal to a first pulsed DC signal, said first pulsed DC signal being a first half wave of the AC input signal, and wherein the first electrolysis apparatus is connected to the power supply unit in such a way that the first electrolysis apparatus is supplied with the first pulsed DC signal

ELECTRODE FOR GASEOUS EVOLUTION IN ELECTROLYTIC PROCESS

NºPublicación:  AU2024263112A1 23/10/2025
Solicitante: 
IND DE NORA S P A
INDUSTRIE DE NORA S.P.A
AU_2024263112_A1

Resumen de: AU2024263112A1

The present invention relates to an electrode and in particular to an electrode suitable for gas evolution comprising a metal substrate and a catalytic coating. Such electrode can be used as an anode for the development of oxygen in electrolytic processes such as, for example, in the alkaline electrolysis of water.

METHOD AND APPARATUS FOR PRODUCTION OF HYDROGEN

NºPublicación:  WO2025219347A1 23/10/2025
Solicitante: 
LINDE GMBH [DE]
LINDE GMBH
WO_2025219347_PA

Resumen de: WO2025219347A1

An method (100-600) for producing hydrogen is proposed, comprising providing a first gas (1) containing hydrogen, oxygen and water, said providing the first gas (1) comprising an electrolytic conversion of water; providing a second gas (5) containing hydrogen, oxygen and water, said providing the second gas (5) comprising a condensative removal of water from the first gas (1) or a part thereof; and providing a third gas (10) containing hydrogen, said providing the third gas (10) comprising an adsorptive removal of water and a catalytic removal of oxygen from the second gas (5) or a part thereof using a adsorptive and catalytic treatment arrangement (110) comprising treatment vessels (A, B), wherein each of the treatment vessels (A, B) comprises, in a first direction from a first opening to a second opening, a first adsorption layer (211), a catalytic layer (212) and a second adsorption layer (213), wherein each of the treatment vessels (A, B) is alternatingly operated in a treatment mode and a regeneration mode, wherein, in the treatment mode, the second gas (5) or a part thereof is passed in the first direction through the treatment vessels (A, B), wherein, in the treatment mode, the first adsorption layer (211) and the second adsorption layer (213) are used for said adsorptive removal of water and the catalytic layer (212) is used for said catalytic removal of oxygen, wherein, in the regeneration mode, the treatment vessels (A, B) are heated using a heating gas (5a, 10a) wh

Molded Catalyst for decomposition of ammonia and Method for Producing of the Same

NºPublicación:  KR20250152272A 23/10/2025
Solicitante: 
한국화학연구원
KR_20250152272_PA

Resumen de: WO2025220974A1

The present invention relates to a molded catalyst for ammonia decomposition and a manufacturing method therefor and, more specifically, to an economical method for manufacturing a molded catalyst for ammonia decomposition and a molded catalyst manufactured thereby, wherein a catalyst carrier is prepared by coating various molded bodies such as beads, pellets, honeycombs, and the like with lanthanum and cerium and then ruthenium is supported on the catalyst carrier to produce an ammonia decomposition catalyst as a catalyst with superior activity in an ammonia decomposition reaction, whereby the strength of the coating can be sufficiently expressed, the catalytic activity can be improved or maintained even with a small amount of a catalytically active material (ruthenium), the loss of a coating solution can be reduced during a catalyst coating process, and the molded catalyst can be manufactured without a separate powder catalyst manufacturing process.

METHOD FOR MANUFACTURING A POROUS TRANSFER LAYER ELECTRODE CONTAINING A CARBON LAYER WITH EMBEDDED METAL NANOPARTICLES

NºPublicación:  KR20250152390A 23/10/2025
Solicitante: 
인천대학교산학협력단
KR_20250152390_PA

Resumen de: KR20250152390A

본 발명은 다공성 전달층에 표면과 내부에 균일하게 형성된 탄소층에 임베디드 된 금속 나노 입자가 담지된 다공성 전달층을 제작하는 것에 관한 것이다. 다공성 전달층 위에 직접 형성된 탄소층에 임베디드 된 촉매의 활성 및 내구성 향상에 관한 것으로 구체적으로 고분자를 합성하는 단계, 고분자 물질에 금속 전구체를 흡착하는 단계 및 금속 전구체가 흡착된 고분자를 다공성 전달층에 도포하는 단계, 그리고 열처리를 포함하는 탄소층에 임베디드 된 금속 나노 입자가 담지된 다공성 전달층의 제조방법과 상기 방법으로 제조된 전기화학 반응용 전극을 제시한다. 본 발명에 따라, 탄소층에 임베디드 된 금속 나노 입자의 경우 선행 연구와 비교했을 때 비교적 작은 크기로 균일하게 다공성 전달층 기판의 파이버 위에 고르게 담지가 될 수 있으며, 그렇게 담지된 금속 나노 입자는 작은 크기로 인해 넓은 표면적을 가져 실제로 더 적은 양의 금속 담지로도 좋은 활성을 갖는 전극을 제작할 수 있음을 확인하였다. 또한, 가혹한 전기화학 반응 조건에서도 극심하게 뭉치거나 용출되지 않는 우수한 내구성을 보여주었다.

APPARATUS FOR BRINE ELECTROLYSIS WITH REDUCED POWER CONSUMPTION

NºPublicación:  KR20250152530A 23/10/2025
Solicitante: 
한국전력공사
KR_20250152530_PA

Resumen de: KR20220122309A

The embodiment relates to a brine electrolysis system and device. The brine electrolysis system according to the embodiment includes: an electrolysis device for electrolyzing brine; a storage tank for storing a thermal fluid; and a circulation pump that is disposed between the electrolysis device and the storage tank to inject the thermal fluid stored in the storage tank into the electrolysis device when the electrolysis device electrolyzes the brine.

Porous Transport layer for electrolysis

NºPublicación:  KR20250152494A 23/10/2025
Solicitante: 
코오롱인더스트리주식회사
KR_20250152494_PA

Resumen de: KR20250152494A

본 발명은 내외부 고르게 코팅층이 형성되어 표면 저항과 전기 전도성이 일정한 수전해용 다공성 지지체에 관한 것으로, 본 발명은 다수의 섬유가 서로 교차되어 형성된 다공성 직물 지지체; 상기 다공성 직물 지지체 상에 형성된 촉매층; 상기 촉매층 상에 형성된 제1 코팅층; 및 상기 제1 코팅층 상에 형성된 제2 코팅층;을 포함하는, 수전해용 다공성 지지체에 관한 것이다.

WATER ELECTROLYSIS SYSTEM AND METHOD FOR OPERATING WATER ELECTROLYSIS SYSTEM

NºPublicación:  WO2025220363A1 23/10/2025
Solicitante: 
MITSUBISHI POWER LTD [JP]
MITSUBISHI HEAVY IND LTD [JP]
\u4E09\u83F1\u30D1\u30EF\u30FC\u682A\u5F0F\u4F1A\u793E,
\u4E09\u83F1\u91CD\u5DE5\u696D\u682A\u5F0F\u4F1A\u793E
WO_2025220363_PA

Resumen de: WO2025220363A1

This water electrolysis system uses an alkaline aqueous solution as an electrolytic solution, and is provided with: a cell stack to which the electrolytic solution is supplied; a storage unit in which the electrolytic solution is stored; an annular flow path that connects the storage unit and the cell stack; a pump unit that is provided on the annular flow path; a scale removal unit that is provided on the annular flow path and is capable of removing a scale contained in the electrolytic solution; and a scale component removal unit that is capable of removing scale components dissolved in the electrolytic solution at a saturation concentration or less.

NEW-ENERGY HYDROGEN PRODUCTION POWER SUPPLY, AND NEW-ENERGY HYDROGEN PRODUCTION SYSTEM AND CONTROL METHOD THEREFOR

NºPublicación:  WO2025218743A1 23/10/2025
Solicitante: 
NR ELECTRIC CO LTD [CN]
NR ENG CO LTD [CN]
\u5357\u4EAC\u5357\u745E\u7EE7\u4FDD\u7535\u6C14\u6709\u9650\u516C\u53F8,
\u5357\u4EAC\u5357\u745E\u7EE7\u4FDD\u5DE5\u7A0B\u6280\u672F\u6709\u9650\u516C\u53F8
WO_2025218743_PA

Resumen de: WO2025218743A1

Provided in the present application are a new-energy hydrogen production power supply, and a new-energy hydrogen production system and a control method therefor. The new-energy hydrogen production power supply comprises: a rectification stage, which is used for connecting to a power bus to perform conversion between an alternating current and a direct current; an energy storage stage, which is connected to a direct-current side of the rectification stage in parallel and is used for absorbing, storing and/or releasing electric energy; and a chopping stage, which is separately connected to the rectification stage and an electrolyzer and is used for increasing or reducing a direct-current voltage and providing a direct current to the electrolyzer. The control method for a new-energy hydrogen production system comprises: on the basis of the power generation condition of a power bus, controlling a new-energy hydrogen production power supply to operate in the following operating modes: a new-energy low generation mode, a new-energy hydrogen production mode, a new-energy fluctuation mode and a new-energy power-deficient mode. The new-energy hydrogen production power supply has an energy storage link, can operate in modes where the new-energy output is low or fluctuates rapidly, can absorb or send active power to maintain the operation of an electrolyzer, and can use an energy storage stage to mitigate new-energy fluctuations, thus maximizing the utilization of new-energy power.

HYDROGEN PRODUCTION AND DISSOLUTION SYSTEM AND METHOD

NºPublicación:  WO2025218265A1 23/10/2025
Solicitante: 
TIANJIN FURUIXING HEALTH TECH CO LTD [CN]
\u5929\u6D25\u798F\u745E\u5174\u5065\u5EB7\u79D1\u6280\u6709\u9650\u516C\u53F8
WO_2025218265_PA

Resumen de: WO2025218265A1

Disclosed in the present invention are a hydrogen production and dissolution system and method. The hydrogen production and dissolution system comprises a power supply assembly, an electrolysis assembly, a treatment assembly, a reaction assembly, and a safety assembly. The treatment assembly comprises a gas-liquid separator, and the gas-liquid separator is communicated with an electrolyzer; the reaction assembly comprises a pressure booster and reaction tanks, the pressure booster has one end communicated with the gas-liquid separator and the other end communicated with the reaction tanks, the pressure booster pressurizes the reaction tanks, and an ultrasonic generator is provided in each reaction tank; and the safety assembly comprises leakage sensors, and each leakage sensor is arranged on a side of a corresponding reaction tank. The hydrogen production and dissolution method is used for controlling the hydrogen production and dissolution system. The present invention can directly dissolve the produced hydrogen in water, thereby reducing potential safety hazards while eliminating the need for storage and transportation devices.

A CORE-SHELL CATALYST, METHODS OF MAKING AND USES THEREOF

NºPublicación:  WO2025217726A1 23/10/2025
Solicitante: 
UNIV MCMASTER [CA]
MCMASTER UNIVERSITY
WO_2025217726_PA

Resumen de: WO2025217726A1

The present disclosure relates to core-shell particles, such as core-shell particles comprising a core comprising TiOx; and a shell comprising iridium, methods of preparing core-shell particles, and uses thereof, such as a catalyst in an oxygen evolution reaction (OER).

ELECTROLYSER CELL HAVING FRAME MADE OF POLYMERIC MATERIAL

NºPublicación:  WO2025219962A1 23/10/2025
Solicitante: 
HYDEP S R L [IT]
HYDEP S.R.L
WO_2025219962_PA

Resumen de: WO2025219962A1

An electrolyser cell is disclosed, which comprises: a frame (10) with a central opening (30) arranged to act as active chamber of the electrolyser, and a bipolar plate (12) of metallic material arranged to be assembled to the frame (10) so as to close the central opening (30). The frame (10) is made of polymeric material without reinforcing fibres or reinforcing mineral charge, or having an amount of reinforcing fibres or reinforcing mineral charge not exceeding 10%, and the bipolar plate (12) is configured to comprise a flat base element (12') and at least one coupling element (12") protruding towards the frame (10) from said flat base element (12') and engaging with the frame (10) so as to act as a reinforcing element for the frame (10).

COLLECTION LINE FOR ELECTROLYSIS

NºPublicación:  WO2025218945A1 23/10/2025
Solicitante: 
SIEMENS ENERGY GLOBAL GMBH & CO KG [DE]
SIEMENS ENERGY GLOBAL GMBH & CO. KG
WO_2025218945_PA

Resumen de: WO2025218945A1

The invention relates to an electrochemical cell (1) for electrolysis, the electrochemical cell (1) comprising opposite main surfaces (2) and discharge channels (3) arranged between the main surfaces (2) for discharging an electrolysis product, the discharge channels (3) opening out into a collecting channel portion (4), the collecting channel portion (4) extending from one main surface (2) to the other main surface (2) of the electrochemical cell (1) and forming an opening (5) in a perpendicular direction to the main surfaces (2) with a circumferential line (6), the discharge channels (3) opening out into the collecting channel portion (4) approximately tangentially to the circumferential line (6). The invention further relates to an electrolyser (9) comprising a plurality of stacked electrochemical cells (1) and to an electrolysis method.

ELECTROLYSIS DEVICE AND ELECTROLYSIS METHOD

NºPublicación:  EP4636131A2 22/10/2025
Solicitante: 
TOSHIBA KK [JP]
Kabushiki Kaisha Toshiba
EP_4636131_PA

Resumen de: EP4636131A2

An electrolysis device includes: an electrolysis cell; a cathode supply flow path; an anode supply flow path; a cathode discharge flow path; an anode discharge flow path; a cathode flow rate regulator to adjust a flow rate A of a cathode supply fluid; an anode flow rate regulator to adjust a flow rate B of a anode supply fluid; a first flowmeter to measure a flow rate C of a cathode discharge fluid; a second flowmeter to measure a flow rate D of a anode discharge fluid; and a control device to estimate a Faraday efficiency according to a relational expression for approximating the Faraday efficiency to a function including the C and D, and control the cathode flow rate regulator according to the estimated Faraday efficiency to control the A.

光触媒を用いた水素ガス製造装置

NºPublicación:  JP2025160031A 22/10/2025
Solicitante: 
トヨタ自動車株式会社
JP_2025160031_PA

Resumen de: JP2025160031A

【課題】 光触媒を用いた水素ガス製造装置に於いて、水素製造量を変化させるパラメータを調節して、水素製造量を制御できるようにする。【解決手段】 水素ガス製造装置1は、水3を貯留する水槽部2と、水槽部内の水中に分散又は配置された光触媒体3aにして、光が照射されると、励起電子と正孔を発生し、水分子を水素と酸素とに分解する水の分解反応を起こし水素ガスを発生する光触媒物質を有する光触媒体と、光触媒体へ照射されて水の分解反応を惹起する光を発する光源装置4と、水素ガスの発生量を検知する水素発生量検知手段16と、水素発生量検知手段にて検知された水素ガスの発生量に基づいて水素ガスの発生量を調節する水素発生量調節手段50とを含む。【選択図】 図1

METHOD AND APPARATUS FOR PRODUCTION OF HYDROGEN

NºPublicación:  EP4635599A1 22/10/2025
Solicitante: 
LINDE GMBH [DE]
Linde GmbH
EP_4635599_PA

Resumen de: EP4635599A1

An method (100-600) for producing hydrogen is proposed, comprising providing a first gas (1) containing hydrogen, oxygen and water, said providing the first gas (1) comprising an electrolytic conversion of water; providing a second gas (5) containing hydrogen, oxygen and water, said providing the second gas (5) comprising a condensative removal of water from the first gas (1) or a part thereof; and providing a third gas (10) containing hydrogen, said providing the third gas (10) comprising an adsorptive removal of water and a catalytic removal of oxygen from the second gas (5) or a part thereof using a adsorptive and catalytic treatment arrangement (110) comprising treatment vessels (A, B), wherein each of the treatment vessels (A, B) comprises, in a first direction from a first opening to a second opening, a first adsorption layer (211), a catalytic layer (212) and a second adsorption layer (213), wherein each of the treatment vessels (A, B) is alternatingly operated in a treatment mode and a regeneration mode, wherein, in the treatment mode, the second gas (5) or a part thereof is passed in the first direction through the treatment vessels (A, B), wherein, in the treatment mode, the first adsorption layer (211) and the second adsorption layer (213) are used for said adsorptive removal of water and the catalytic layer (212) is used for said catalytic removal of oxygen, wherein, in the regeneration mode, the treatment vessels (A, B) are heated using a heating gas (5a, 10a) wh

AMMONIA DECOMPOSITION CATALYST AND METHOD FOR PRODUCING SAME

NºPublicación:  EP4635623A1 22/10/2025
Solicitante: 
POSCO HOLDINGS INC [KR]
RES INST IND SCIENCE & TECH [KR]
POSCO Holdings Inc,
RESEARCH INSTITUTE OF INDUSTRIAL SCIENCE & TECHNOLOGY
EP_4635623_PA

Resumen de: EP4635623A1

The present invention relates to an ammonia decomposition catalyst and a method for producing same and, more specifically, to an ammonia decomposition catalyst containing alumina (Al<sub>2</sub>O<sub>3</sub>), cerium (Ce), lanthanum (La), ruthenium (Ru), and potassium (K), and a method for producing the ammonia decomposition catalyst.

OPERATION METHOD OF WATER ELECTROLYSIS CELL

NºPublicación:  KR20250151693A 22/10/2025
Solicitante: 
서울대학교산학협력단
KR_20250151693_PA

Resumen de: US2025320612A1

The present disclosure relates to a method of operating a water electrolysis cell that can improve long-term durability even under high current density operating conditions.

METHANATION AND RECOVERY METHOD, SYSTEM, AND APPARATUS

NºPublicación:  EP4636058A2 22/10/2025
Solicitante: 
SHAHAR GOLAN TECH SOLUTIONS LTD [IL]
ARIEL SCIENT INNOVATIONS LTD [IL]
Shahar Golan Technology Solutions Ltd,
Ariel Scientific Innovations Ltd
EP_4636058_A2

Resumen de: EP4636058A2

A system (100) comprising a first chamber (108) configured to contain liquid water (115) and to receive a hydrocarbon combustion exhaust stream (104) comprising water and carbon dioxide; a heat exchanger (120) positioned in the first chamber and configured to convey methanation reaction products (144) through the first chamber to transfer heat from the methanation reaction products to the liquid water; and an electrolysis system (124) configured to subject the heated liquid water to electrolysis to generate hydrogen and oxygen, the electrolysis system comprising an anode (124) and a cathode (126) each received in the chamber.

AMMONIA DECOMPOSITION APPARATUS

NºPublicación:  EP4635906A1 22/10/2025
Solicitante: 
MITSUBISHI HEAVY IND LTD [JP]
Mitsubishi Heavy Industries, Ltd
EP_4635906_PA

Resumen de: EP4635906A1

This ammonia decomposition apparatus is provided with: a reactor in which a catalyst for a decomposition reaction for decomposing ammonia that is a starting material into hydrogen and nitrogen is filled; a burner which is disposed in the reactor on the upstream side beyond the catalyst and is used for combusting hydrogen; and an ammonia supply line through which ammonia is supplied into the reactor on the upstream side beyond the catalyst.

IMPROVED MULTI-LAYERED PROTON EXCHANGE MEMBRANE FOR WATER ELECTROLYSIS

NºPublicación:  EP4635013A1 22/10/2025
Solicitante: 
GORE & ASS [US]
GORE W L & ASS GMBH [DE]
W. L. Gore & Associates, Inc,
W.L. Gore & Associates GmbH
CN_120604367_PA

Resumen de: WO2024126749A1

There is provided a multi-layered proton exchange membrane for water electrolysis, comprising: at least two recombination catalyst layers, each of the at least two recombination catalyst layers comprising a recombination catalyst and a first ion exchange material, wherein at least two recombination catalyst layers are separated by a region devoid of or substantially devoid of a recombination catalyst, and at least two reinforcing layers, each of the at least two reinforcing layers comprising a microporous polymer structure and a second ion exchange material which is at least partially imbibed within the microporous polymer structure.

電解装置の運転方法

NºPublicación:  JP2025159694A 21/10/2025
Solicitante: 
旭化成株式会社
JP_2025159694_PA

Resumen de: JP2025159694A

【課題】シャットダウンせずに、陰極への金属の析出を抑制することと、陰極上に析出した金属を溶解除去することと、が可能な電解装置の運転方法を提供する。【解決手段】相互に隔膜4で区画された、陽極2aを有する陽極室5aと、陰極2cを有する陰極室5cと、を具える電解装置の運転方法であって、前記陽極室5a及び前記陰極室5cは、電解液で満たされており、可逆水素電極(RHE)よりも負に大きい電位領域で、前記陰極2cの電位Ecを制御することで、前記陰極2cの電位Ecを負の方向に大きくさせる物質の前記陰極2cへの付着を抑制し且つ前記陰極2cの電位Ecを負の方向に大きくさせる物質を前記陰極2cから除去することを特徴とする、電解装置の運転方法である。【選択図】図3

WATER ELECTROLYSIS CELL AND WATER ELECTROLYSIS STACK INCLUDING THE SAME

NºPublicación:  KR20250151113A 21/10/2025
Solicitante: 
주식회사하이드로엑스팬드
KR_20250151113_PA

Resumen de: KR20250151113A

본 발명은 수전해 셀 및 이를 포함하는 수전해 스택에 관한 것으로서, 수전해 셀은, 내부에 제1 전극 배치홀이 형성되는 제1 셀 프레임, 내부에 제2 전극 배치홀이 형성되는 제2 셀 프레임 및 상기 제1 전극 배치홀에 배치되는 제1 전극과, 상기 제2 전극 배치홀에 배치되는 제2 전극과, 상기 제1 전극과 상기 제2 전극 사이에 배치되는 이온교환막을 포함하는 막-전극 조립체를 포함할 수 있다.

SYSTEM FOR BRINE ELECTROLYSIS USING THERMAL FLUID

NºPublicación:  KR20250151270A 21/10/2025
Solicitante: 
한국전력공사
KR_20250152530_PA

Resumen de: KR20220122309A

The embodiment relates to a brine electrolysis system and device. The brine electrolysis system according to the embodiment includes: an electrolysis device for electrolyzing brine; a storage tank for storing a thermal fluid; and a circulation pump that is disposed between the electrolysis device and the storage tank to inject the thermal fluid stored in the storage tank into the electrolysis device when the electrolysis device electrolyzes the brine.

Nanosheet for hydrogen evolution reaction catalyst and method for preparing thereof

NºPublicación:  KR20250151314A 21/10/2025
Solicitante: 
고려대학교세종산학협력단
KR_20240099886_PA

Resumen de: KR20240099886A

Provided is the nano sheet for the hydrogen generation reaction catalyst. The nanosheet for a hydrogen generation reaction catalyst may be made of a transition metal dichalcogenide alloy, wherein the transition metal dichalcogenide alloy may include one transition metal selected from group 5 and one transition metal selected from group 6.

전해조 시스템 및 전극 제조 방법

NºPublicación:  KR20250150556A 20/10/2025
Solicitante: 
썬그린에이치피티이엘티디
KR_20250150556_PA

Resumen de: AU2024213038A1

An electrolyser system and method of electrode manufacture. The electrolyser system may comprise a first vessel in communication with an electrolyser stack, a power supply, an electrode, a separator, a membrane, and a second vessel in communication with the electrolyser stack. The electrode may comprise a catalytic material and a micro- porous and/or nano-porous structure. The method of electrode manufacture may comprise providing a substrate, contacting the substrate with an acidic solution, applying an electric current to the substrate, simultaneously depositing a main material and supporting material comprising a scarifying material onto the substrate, and leaching the scarifying material.

镍铁钴中熵合金纳米线三维互连网格膜及制备方法和应用

NºPublicación:  CN120797023A 17/10/2025
Solicitante: 
中国科学院合肥物质科学研究院
CN_120797023_PA

Resumen de: CN120797023A

本发明属于催化材料技术领域,具体涉及一种镍铁钴中熵合金纳米线三维互连网格膜及制备方法和应用。本发明以含铜杂质的铝片为基底,经阳极氧化制得三维有序多孔氧化铝模板;然后在孔道限域内直流共电沉积制备镍铁钴中熵合金纳米线;去除铝基底及3D‑AAO模板后获得镍铁钴中熵合金纳米线三维互连网格膜,该材料基于混合熵效应及结构一体化设计,可直接作为自支撑电极用于高效稳定电解水析氧,其三维网格结构和自支撑特性促进电解液传输与气体产物脱附,提升传质效率,避免传统粘结剂使用,增强电极稳定性;解决了现有中熵合金催化剂合成能耗高、工业级大电流工况下催化活性差及反应中活性物质脱落等问题。

压差式电解装置

NºPublicación:  CN120797010A 17/10/2025
Solicitante: 
本田技研工业株式会社
CN_120797010_PA

Resumen de: US2025320616A1

A differential pressure electrolysis device is equipped with a resin frame member bonded to a peripheral edge portion of an electrolyte membrane. A first member is interposed between a first separator and the resin frame member, and a second member is interposed between the resin frame member and a second separator. The differential pressure electrolysis device is equipped with a positioning member. The positioning member positions the resin frame member relative to the first member or the second member. However, the positioning member permits the resin frame member to move along a surface direction.

光触媒を用いた水素ガス製造装置

NºPublicación:  JP2025158504A 17/10/2025
Solicitante: 
トヨタ自動車株式会社
JP_2025158504_PA

Resumen de: JP2025158504A

【課題】 光触媒を用いた水素ガス製造装置1に於いて、水槽2内の圧力をできるだけ精度良く推定できるようにする。【解決手段】 水素ガス製造装置に於いて、水槽内圧力推定手段は、予め調べられた、光源装置4から光触媒体へ光が種々の照射光強度にて照射されたときの水槽内圧力に基づいて決定される現在の照射光強度に於ける水槽内圧力の暫定推定値に、生成ガスの搬送流路に設けられた圧力検知手段12にて検知された圧力の検知値と、その検知値に対応する圧力が水槽内にて発生した時点に於ける照射光強度に於ける水槽内圧力の暫定推定値とに基づいて算出された補正係数を乗じて得られた値を現在の水槽内圧力の現在推定値として決定する。【選択図】 図1

Método para generar y tratar un flujo de salida bifásico de una o más pilas

NºPublicación:  CL2025002799A1 17/10/2025
Solicitante: 
THYSSENKRUPP NUCERA AG & CO KGAA [DE]
THYSSENKRUPP NUCERA AG & CO. KGAA
CN_120936421_PA

Resumen de: AU2024237545A1

A method for generating and treating a two-phase outflow from one or more pressurised electrolyser stacks which are adapted to electrolyse water into hydrogen and oxygen, whereby a pump supplies a catholytic fluid flow from one first gas liquid gravitational separator vessel to the electrolyser stacks and whereby a further pump supplies an anolytic fluid flow from one second gas liquid gravitational separator vessel to the electrolyser stacks, and whereby at least one cyclone type gas liquid separator receives combined outflows from the catholytic chambers and/or receives combined outflows from anolytic chambers respectively inside corresponding gravitational gas liquid separator vessel whereby further, the at least one cyclone type gas liquid separator separates the gas from the liquid along a generally horizontal cyclonic rotation axis inside the gas liquid gravitational separator vessel. An electrolyser system is also provided.

一种碱性制氢电极及其制备方法

NºPublicación:  CN120797039A 17/10/2025
Solicitante: 
中车株洲电力机车研究所有限公司
CN_120797039_A

Resumen de: CN120797039A

本申请属于电极材料领域,具体涉及一种碱性制氢电极及其制备方法,碱性制氢电极包括:电极基底和负载在所述电极基底上的催化剂;催化剂包括如下组分:Ni、Fe、Mo、Cr、Mn,其中,Mo的摩尔百分比为5~15%,Fe和Mo的总摩尔百分比为35%。通过合金化并且引入Mo,及控制Fe和Mo的含量,增强了催化活性,相比于现有二元雷尼镍来说,催化活性更高,可以有效地降低HER反应过电位,从而降低电解槽的能耗,并且Cr和Mn可以增强电极的抗腐蚀能力。

用于耦联到以孤岛模式使用的风力设备的能量供应系统以及用于向风力设备供应太阳能的方法

NºPublicación:  CN120813766A 17/10/2025
Solicitante: 
西门子能源国际公司
CN_120813766_PA

Resumen de: AU2024291100A1

The invention relates to an energy supply system (20) for coupling to a wind turbine (30) used in island mode, wherein the wind turbine (30) is configured to operate an electrolysis system (11) for producing green hydrogen using wind energy, wherein the energy supply system (20) has a solar energy source (21), comprising a photovoltaic module (22) and/or a solar thermal collector (23), which is configured to supply the electrolysis system (21), in particular an enclosure (12) and water-conducting lines of electrolysis units of the electrolysis system (11), with thermal energy in the event of the absence of wind energy. The invention also relates to a corresponding method for supplying solar energy to a wind turbine (30) used in island mode.

触媒被覆膜成分のリサイクル

NºPublicación:  JP2025534648A 17/10/2025
Solicitante: 
ジョンソン、マッセイ、パブリック、リミテッド、カンパニー
JP_2025534648_PA

Resumen de: CN120092333A

A method of recycling a spent catalyst coated membrane, wherein the spent catalyst coated membrane comprises: a membrane comprising a membrane ionomer; a first catalyst layer disposed on one side of the membrane, the first catalyst layer comprising a first catalyst and a first catalyst layer ionomer; and a second catalyst layer disposed on opposite sides of the membrane, the second catalyst layer comprising a second catalyst and a second catalyst layer ionomer. The method is configured to recover the first catalyst layer ionomer and the second catalyst layer ionomer in addition to the catalyst materials and the membrane ionomer.

USING ELECTRICAL RESERVOIR STIMULATION TO ENGINEER A GEOLOGIC BATTERY FOR LONG-TERM ENERGY STORAGE AND HYDROGEN GENERATION

NºPublicación:  US2025320803A1 16/10/2025
Solicitante: 
EDEN GEOPOWER INC [US]
Eden GeoPower, Inc
US_2025320803_PA

Resumen de: US2025320803A1

This disclosure describes systems and methods for using electrical stimulation of a rock formation (e.g., a subterranean formation, a subterranean reservoir) to improve, or otherwise enhance, the energy storage capabilities of the rock formation. Many existing rock formations are too impermeable to facilitate energy storage; however, the Inventors have recognized and appreciated that a “geobattery” may be constructed by using electrical stimulation to increase the permeability of a rock formation (e.g., a subterranean formation) such that water (or some other fluid) can be pumped into the rock formation, in particular, a reservoir within the rock formation, and converted into hydrogen to store the energy within the hydrogen.

Verfahren und Vorrichtung zur Herstellung eines oder mehrerer von Kohlendioxid, Kohlenmonoxid, Kohlenstoff und Wasserstoff aus einem Kohlendioxid und vorzugsweise Wasser umfassenden Gas

NºPublicación:  DE102024110281A1 16/10/2025
Solicitante: 
OBRIST TECH GMBH [AT]
Obrist Technologies GmbH
DE_102024110281_PA

Resumen de: DE102024110281A1

Verfahren zur Herstellung von einem oder mehreren von Kohlendioxid, Kohlenmonoxid, Kohlenstoff und Wasserstoff aus einem Kohlendioxid und vorzugsweise Wasser umfassenden Gas, insbesondere aus Luft, umfassend die folgenden Schritte: in einem ersten Schritt wird das Kohlendioxid umfassende Gas mit Natriumhydroxid, vorzugsweise einer Natriumhydroxidlösung, in Kontakt gebracht, um Kohlendioxid zu absorbieren und um Natriumcarbonat, insbesondere Natriumcarbonat mit Kristallwasser, zu bilden; in einem zweiten Schritt wird das Natriumcarbonat mit Zinkoxid, insbesondere mit einem Überschuss an Zinkoxid, umgesetzt, um eines oder mehrere von Kohlendioxid, Kohlenmonoxid und, falls Wasser vorhanden ist, Wasserstoff freizusetzen. Vorrichtung zum Durchführen eines Verfahrens zum Bereitstellen von einem oder mehreren von Kohlendioxid, Kohlenmonoxid, Kohlenstoff und Wasserstoff aus einem Kohlendioxid und vorzugsweise Wasser umfassenden Gas, insbesondere aus atmosphärischer Luft, umfassend einen Absorber, der zum Durchführen des ersten Schritts konfiguriert ist, und eine Zersetzungseinheit, die zum Durchführen des zweiten Schritts konfiguriert ist.

CONTROL DEVICE FOR WATER ELECTROLYSIS CELL, WATER ELECTROLYSIS SYSTEM, AND CONTROL METHOD FOR WATER ELECTROLYSIS CELL

NºPublicación:  US2025320617A1 16/10/2025
Solicitante: 
ENEOS CORP [JP]
ENEOS Corporation
AU_2023241755_PA

Resumen de: US2025320617A1

A water electrolysis cell has: an oxygen generating electrode containing an oxygen generating catalyst; a hydrogen generating electrode containing a hydrogen generating catalyst; and a membrane that separates the oxygen generating electrode and the hydrogen generating electrode, and electrolyzes water to generate oxygen on the oxygen generating electrode and generate hydrogen on the hydrogen generating electrode. A control device controls electric current supply to the water electrolysis cell so that a potential of the oxygen generating electrode is higher than a reduction potential of the oxygen generating catalyst and lower than an oxygen generating potential, and a potential of the hydrogen generating electrode is lower than an oxidation potential of the hydrogen generating catalyst, during an operation stop.

A METHOD FOR PRODUCING HYDROGEN GAS FROM NON-PURIFIED WATER VIA SULPHUR DEPOLARIZED ELECTROLYSIS (SDE)

NºPublicación:  WO2025214668A1 16/10/2025
Solicitante: 
TECHNISCHE UNIV GRAZ [AT]
TECHNISCHE UNIVERSIT\u00C4T GRAZ
WO_2025214668_PA

Resumen de: WO2025214668A1

A method for producing hydrogen gas from non-purified water via sulphur depolarized electrolysis (SDE), said method comprises the steps of providing at least one electrochemical cell (2), which comprises at least one positive electrode (A) and at least one negative electrode (C), separated by a proton conductive membrane (3), non-purified water supply means (S1) configured to supply non-purified water to the cathode, sulphur dioxide supply means (S2) configured to supply sulphur dioxide to the anode, electrical connecting means (4) configured to connect the anode (A) and the cathode (C) to an external power source (P), supplying non-purified water to the cathode, supplying sulphur dioxide to the anode, applying a voltage of at least 0.45 V and up to 1.37 V to the electrodes (A, C) to cause an electrolysis reaction that produces hydrogen gas at the cathode and sulphuric acid at the anode, removing produced hydrogen gas from the cathode and produced sulphuric acid from the anode.

HYDROGEN PRODUCING DEVICE

NºPublicación:  US2025320618A1 16/10/2025
Solicitante: 
SOLHYD [BE]
SOLHYD
AU_2023270735_PA

Resumen de: US2025320618A1

Hydrogen producing devices include: an inner tube with macroscopic holes. The tube has at one end an entrance opening, and at the other end an exit opening. The openings allow entrance of moist a gas and allowing exit of a gas comprising oxygen being produced in the device respectively. An electrode assembly covers the outer surface of the tube. The assembly includes an oxygen producing electrode at the inner side of the assembly, and a hydrogen producing electrode at the outer side of the assembly. The electrodes are separated from each other by a separator, a liquid or solid material with hygroscopic properties.

COOLING SYSTEM FOR AN ELECTROCHEMICAL PLANT

NºPublicación:  US2025320614A1 16/10/2025
Solicitante: 
ELECTRIC HYDROGEN CO [US]
ELECTRIC HYDROGEN CO
US_2025320614_PA

Resumen de: US2025320614A1

The present disclosure advantageously provides an improved cooling system for an electrochemical plant. The configurations disclosed herein provide advantages and improvements in a cooling system for the electrochemical plant. The cooling system advantageously cools multiple subsystems within the plant using dry coolers, thereby easing maintenance and access to various components within the plant, minimizing or reducing the amount of process piping within the plant used to cool the multiple subsystems, and reducing the complexity of the overall plant.

Reactor For Producing Hydrogen From Water

NºPublicación:  US2025320613A1 16/10/2025
Solicitante: 
COATES GEORGE J [US]
COATES GREGORY [US]
Coates George J,
Coates Gregory

Resumen de: US2025320613A1

A reactor for producing hydrogen from water by applying a magnetic field and positive and negative electric charges to the water, and by heating the water with a hot gas. The reactor comprises a housing, at least one conduit for supplying water to the housing, at least one magnetic inductor for applying a magnetic field to the water, electrode plates for applying positive and negative charges to the water, and a conduit for supplying a hot gas to the housing. The reactor also includes a conduit for removing the hydrogen from the housing. The hydrogen produced by the reactor may be supplied as at least a portion of the fuel required to power or run generators that provide electric power to substations, dams, or buildings, or engines in vehicles such as cars, trucks, buses, boats, ships, locomotives, motorcycles, airplanes, submarines, golf carts, lawn mowers, and Zambonis.

METHOD OF OPERATING WATER ELECTROLYSIS CELL

NºPublicación:  US2025320612A1 16/10/2025
Solicitante: 
SEOUL NAT UNIV R&DB FOUNDATION [KR]
SEOUL NATIONAL UNIVERSITY R&DB FOUNDATION
US_2025320612_A1

Resumen de: US2025320612A1

The present disclosure relates to a method of operating a water electrolysis cell that can improve long-term durability even under high current density operating conditions.

DIFFERENTIAL PRESSURE ELECTROLYSIS DEVICE

NºPublicación:  US2025320616A1 16/10/2025
Solicitante: 
HONDA MOTOR CO LTD [JP]
HONDA MOTOR CO., LTD
US_2025320616_PA

Resumen de: US2025320616A1

A differential pressure electrolysis device is equipped with a resin frame member bonded to a peripheral edge portion of an electrolyte membrane. A first member is interposed between a first separator and the resin frame member, and a second member is interposed between the resin frame member and a second separator. The differential pressure electrolysis device is equipped with a positioning member. The positioning member positions the resin frame member relative to the first member or the second member. However, the positioning member permits the resin frame member to move along a surface direction.

SYSTEMS AND METHODS OF PROCESSING WASTE TO GENERATE ENERGY AND GREEN HYDROGEN

NºPublicación:  US2025320419A1 16/10/2025
Solicitante: 
INTEGRATED ENERGY LLC [US]
Integrated Energy LLC
WO_2024242964_PA

Resumen de: US2025320419A1

Systems and methods for producing green hydrogen from a source material (e.g., biowaste) are contemplated. The source material is at least partially dehydrated to produce a dried intermediate and recovered water. The dried intermediate is pyrolyzed to produce syngas and a char. The recovered water is electrolyzed to produce oxygen and green hydrogen.

GAS DIFFUSION LAYER FOR AN ELECTROLYSIS CELL

NºPublicación:  WO2025214639A1 16/10/2025
Solicitante: 
SIEMENS ENERGY GLOBAL GMBH & CO KG [DE]
SIEMENS ENERGY GLOBAL GMBH & CO. KG
WO_2025214639_PA

Resumen de: WO2025214639A1

The invention relates to a gas diffusion layer (5) for an electrolysis cell (1), comprising a fine layer (51) and a coarse layer (52). The fine layer (51) comprises a fine structure with pores of a first pore size, and the coarse layer (52) comprises a coarse structure with pores of a second pore size. The coarse layer (52) comprises a plurality of spiral elements (520), the spiral elements (520) are interwoven, and at least one spiral element (520) is freely movable, in particular freely rotatable, The gas diffusion layer further comprises at least one intermediate layer (53). The at least one intermediate layer (53) comprises an intermediate structure with pores of an intermediate pore size, and the intermediate layer (53) is provided between the fine layer (51) and the coarse layer (52), said intermediate pore size being larger than that of the fine layer (51) and smaller than that of the coarse layer (52).

APPARATUSES AND METHODS FOR PRODUCING HYDROGEN FROM SAND AND WATER

NºPublicación:  US2025320117A1 16/10/2025
Solicitante: 
LICITAR ANTONIJO [HR]
Licitar Antonijo
US_2025197207_PA

Resumen de: US2025320117A1

A method may provide a mechanical mill for reducing a size of particles; wherein the mechanical mill includes: a core for accelerating particles, the core including: a first disc and a second disc facing the first disc in an axial direction, wherein each of the first disc and the second disc includes a plurality of concentric rings and a plurality of concentric channels alternately interleaved with the plurality of concentric rings; and wherein the first disc, the second disc, or a combination thereof are rotated. A method may introduce water into the mechanical mill. A method may introduce soil particles into the mechanical mill. A method may activate the mechanical mill to accelerate the water and the soil particles. A method may thereby produce nanoparticles from the soil particles and producing hydrogen from a reaction between the nanoparticles and the water.

METHOD OF SYNTHESIZING VANADIUM CARBIDE AND LAYERED DOUBLE HYDROXIDE-BASED COMPOSITES FOR SOLAR HYDROGEN PRODUCTION

NºPublicación:  US2025319459A1 16/10/2025
Solicitante: 
UNIV UNITED ARAB EMIRATES [AE]
United Arab Emirates University
US_2025319459_PA

Resumen de: US2025319459A1

There is disclosed a method of constructing a layered double hydroxide (LDH) material comprising selected metal ions, and employing metallic vanadium carbide (V2C) for promoting conductive properties of the LDH material, wherein the layered LDH material is a trimetallic LDH material. The trimetallic LDH material comprises selected Ni2+, Co2+, and AL3+ metal ions with its cationic configuration for improving photocatalytic properties of the LDH material, wherein trimetallic nickel-cobalt-aluminium layered double hydroxide (NixCoyAlz LDH) and vanadium carbide MXene (V2C)-based composite is coupled with a graphitic carbon nitride (g-C3N4) nanosheet, to form a hybrid-junction photocatalyst. Also disclosed is a layered structure of vanadium carbide (V2C) MXenes, comprising trimetallic nickel-cobalt-aluminium layered double hydroxide (NixCoyAlz LDH) and vanadium carbide MXene (V2C) coupled with graphitic carbon nitride (g-C3N4), forming a NixCoyAlz LDH/g-C3N4 hybrid-junction photocatalyst.

ELECTROCHEMICAL CELL STACKS INCLUDING MULTI-DIAMETER MESH CONTACT LAYER

NºPublicación:  US2025323304A1 16/10/2025
Solicitante: 
BLOOM ENERGY CORP [US]
BLOOM ENERGY CORPORATION
KR_20250124032_PA

Resumen de: US2025323304A1

An electrochemical cell stack includes at least two electrochemical cells that each contain a fuel electrode, an air electrode, and an electrolyte located between the fuel electrode and the air electrode, at least one interconnect located between the at least two electrochemical cells, and a contact layer that electrically connects the at least one interconnect and the fuel electrode of an adjacent one of the at least two electrochemical cells. The contact layer includes first wires that extend in a first direction, the first wires including thinner first wires and thicker first wires, the thicker first wires having a thickness that is larger than a thickness of the thinner first wires, and second wires that extend in a second direction different from the first direction.

METHANE GENERATION SYSTEM

NºPublicación:  US2025323299A1 16/10/2025
Solicitante: 
MITSUBISHI ELECTRIC CORP [JP]
Mitsubishi Electric Corporation
CN_119301094_PA

Resumen de: US2025323299A1

The methane generation system according to the present disclosure includes a methane generation unit including an electrolysis device that electrolyzes water to obtain hydrogen and a methane reactor that obtains a fuel gas containing methane by a methanation reaction using the hydrogen; a reformer that reforms the fuel gas to obtain a reformed gas; a fuel cell that generates electricity by a reaction of obtaining a product gas from the reformed gas and an oxygen-containing gas; a recovery device that separates a recovery gas containing carbon dioxide from return fluid which is a pail of the product gas; and a circulation path through which the recovery gas is guided to the methane generation unit.

STEAM SULFUROUS MATERIAL REFORMING AND THERMOCHEMICAL CYCLES RELATED THERETO

NºPublicación:  US2025320118A1 16/10/2025
Solicitante: 
PEREGRINE HYDROGEN INC [US]
Peregrine Hydrogen Inc
US_2025320118_PA

Resumen de: US2025320118A1

A method can include performing a series of reactions in a closed cycle, the series of reactions consisting of a hydrolysis reaction where a redox reagent is oxidized to a corresponding oxidized redox reagent with water contemporaneously with the production of hydrogen; and a reduction reaction where the oxidized redox reagent is reduced to the redox reagent using a sulfurous reactant contemporaneously with production of sulfur dioxide.

Reverse Electrodialysis or Pressure-Retarded Osmosis Cell and Methods of Use Thereof

NºPublicación:  US2025323303A1 16/10/2025
Solicitante: 
NANA RAHUL S [US]
FERIA RAFAEL A [US]
Nana Rahul S,
Feria Rafael A
CN_120513347_PA

Resumen de: US2025323303A1

A method and system of generating electrical power or hydrogen from thermal energy is disclosed. The method includes separating, by a selectively permeable membrane, a first saline solution from a second saline solution, receiving, by the first saline solution and/or the second saline solution, thermal energy from a heat source, and mixing the first saline solution and the second saline solution in a controlled manner, capturing at least some salinity-gradient energy as electrical power as the salinity difference between the first saline solution and the second saline solution decreases. The method further includes transferring, by a heat pump, thermal energy from the first saline solution to the second saline solution, causing the salinity difference between the first saline solution and the second saline solution to increase. The method may include a process of membrane distillation, forward osmosis, evaporation, electrodialysis, and/or salt decomposition for further energy efficiency and power generation.

PRIME LOCATION OF UNIPOLAR ELECTROLYSIS PLANTS ON THE ELECTRICITY GRID

NºPublicación:  AU2024268862A1 16/10/2025
Solicitante: 
GOMEZ RODOLFO ANTONIO M
GOMEZ, Rodolfo Antonio M
AU_2024268862_PA

Resumen de: AU2024268862A1

An apparatus for generating electrical energy is disclosed. The apparatus comprises an electrolytic hydrogen generator configured to receive electricity from at least one renewable electricity generating source and produce hydrogen and oxygen from water. The apparatus also comprises a hydrogen storage unit configured to store hydrogen produced by the electrolytic hydrogen generator and a plurality of hydrogen fuel cells in fluid connection with the hydrogen storage unit and a source of oxygen or air, each hydrogen fuel cell configured to generate electricity from hydrogen supplied from the hydrogen storage unit and oxygen or air supplied from the source of oxygen or air.

WATER ELECTROLYSIS CATALYST

NºPublicación:  AU2024262055A1 16/10/2025
Solicitante: 
UOP LLC
UOP LLC
AU_2024262055_PA

Resumen de: AU2024262055A1

A family of catalysts for oxygen evolution reaction (OER) in alkaline condition is disclosed. The catalysts utilize elements which are abundant on earth, leading to lower costs compared to IrCh catalysts. The catalysts can be used in the anode of an anion exchange membrane-based water electrolyzer. The family of new catalysts comprises Ni, Fe, M, B, and O, where M is a metal from Group VIB, Group VIII, and elements 57-71 of the Periodic Table. The catalyst has a layered double hydroxide structure. Methods of making the catalysts are also described.

TWO-ELECTRODE ELECTROCHEMICAL SYSTEM STABILIZATION

NºPublicación:  AU2024240321A1 16/10/2025
Solicitante: 
THE REGENTS OF THE UNIV OF MICHIGAN
KONG XIANGHUA
GUO HONG
THE REGENTS OF THE UNIVERSITY OF MICHIGAN,
KONG, Xianghua,
GUO, Hong
AU_2024240321_PA

Resumen de: AU2024240321A1

An electrochemical system includes a counter electrode and a working electrode spaced from the counter electrode. The working electrode includes a substrate, an array of conductive projections supported by the substrate and extending outwardly from the substrate, each conductive projection of the array of conductive projections having a semiconductor composition, and including a surface, the surface including nitrogen, and an oxynitride layer disposed on the surface. The counter electrode and the working electrode are arranged in a two-electrode configuration.

A GEOTHERMAL HYDROGEN PRODUCTION AND COMPRESSION SYSTEM

NºPublicación:  AU2024236667A1 16/10/2025
Solicitante: 
GOOD WATER ENERGY LTD
GOOD WATER ENERGY LTD
AU_2024236667_PA

Resumen de: AU2024236667A1

The present disclosure is directed to a geothermal hydrogen production and compression system, wherein the system comprises an impure water intake to receive water from a impure water source, at least one geothermal well having a well inlet to receive the impure water from the impure water intake in to the geothermal well and one or more well outlets adapted to return heated impure water from the geothermal well, one or more well outlets being adapted to direct the heated impure water from the geothermal well through a steam engine providing a mechanical output, a purification plant comprising one or more purification chambers for separating impurities from the heated impure water expelled from the steam engine to produce at least some fresh water, one or more discharge outlets to discharge one or more products of the purification plant wherein the fresh water is directed to an electrolyser for electrolysis to produce hydrogen gas, where the hydrogen gas is passed through a hydrogen compressor coupled to the mechanical output and pressurised in a storage apparatus.

ELECTROLYSER SYSTEM AND METHOD OF ELECTRODE MANUFACTURE

NºPublicación:  AU2024213038A1 16/10/2025
Solicitante: 
SUNGREENH2 PTE LTD [SG]
SUNGREENH2 PTE. LTD
AU_2024213038_PA

Resumen de: AU2024213038A1

An electrolyser system and method of electrode manufacture. The electrolyser system may comprise a first vessel in communication with an electrolyser stack, a power supply, an electrode, a separator, a membrane, and a second vessel in communication with the electrolyser stack. The electrode may comprise a catalytic material and a micro- porous and/or nano-porous structure. The method of electrode manufacture may comprise providing a substrate, contacting the substrate with an acidic solution, applying an electric current to the substrate, simultaneously depositing a main material and supporting material comprising a scarifying material onto the substrate, and leaching the scarifying material.

SYSTEMS AND METHODS FOR GEOLOGIC HYDROGEN PRODUCTION

NºPublicación:  WO2025217223A1 16/10/2025
Solicitante: 
MASSACHUSETTS INST TECHNOLOGY [US]
MASSACHUSETTS INSTITUTE OF TECHNOLOGY
WO_2025217223_PA

Resumen de: WO2025217223A1

Geologic hydrogen production and related systems and methods are generally described.

PROCESS AND PLANT

NºPublicación:  WO2025215366A1 16/10/2025
Solicitante: 
JOHNSON MATTHEY DAVY TECHNOLOGIES LTD [GB]
JOHNSON MATTHEY DAVY TECHNOLOGIES LIMITED
WO_2025215366_PA

Resumen de: WO2025215366A1

PROCESS AND SYSTEM The invention relates to processes and systems for the cracking of ammonia to produce hydrogen and nitrogen. The invention provides a process for controlling an ammonia cracking plant to place the ammonia cracking plant into a turndown state, an ammonia cracking plant in a turndown state, and a process for returning an ammonia cracking plant from a turndown state to a state of normal operation. FIGURE 2 TO ACCOMPANY

METHOD AND APPARATUS FOR THE PRODUCTION OF ONE OR MORE OF CARBON DIOXIDE, CARBON MONOXIDE, CARBON AND HYDROGEN FROM A GAS

NºPublicación:  WO2025215217A1 16/10/2025
Solicitante: 
OBRIST TECH GMBH [AT]
OBRIST TECHNOLOGIES GMBH
WO_2025215217_PA

Resumen de: WO2025215217A1

A method for the production of one or more of carbon dioxide, carbon monoxide, carbon and hydrogen from a gas comprising carbon dioxide and preferably water, in particular from air, comprising the following steps: in a first step, the gas comprising carbon dioxide is brought into contact with sodium hydroxide, preferably a sodium hydroxide solution, to absorb carbon dioxide and to form sodium carbonate, in particular sodium carbonate with water of crystallization; in a second step, the sodium carbonate is reacted with zinc oxide, in particular with a surplus of zinc oxide, for releasing one or more of carbon dioxide, carbon monoxide and, if water is present, hydrogen. An apparatus for carrying out a method for providing one or more of carbon dioxide, carbon monoxide, carbon and hydrogen from a gas comprising carbon dioxide and preferably water, in particular from atmospheric air, comprising an absorber that is configured for performing the first step and a decomposition unit that is configured for performing the second step.

アノード触媒、アノード電極、及び電解反応器

NºPublicación:  JP2025157938A 16/10/2025
Solicitante: 
株式会社豊田中央研究所
JP_2025157938_A

Resumen de: JP2025157938A

【課題】触媒活性及び耐久性に優れたアノード触媒を提供する。【解決手段】組成式:Ru1-xTaxOy(式中、x、yは、0.3≦x≦0.7、1.8+0.45x≦y≦2.2+0.55xを満たす)で表され、X線回折パターンにおける(110)面の回折ピークの半値幅が0.7°超である複合酸化物を含むことを特徴とするアノード触媒である。【選択図】なし

Caldera con máquina productora de hidrógeno y oxígeno

NºPublicación:  ES3039082A1 16/10/2025
Solicitante: 
SUSILLA SANTAMARIA RAUL [ES]
Susilla Santamaria, Raul
ES_3039082_PA

Resumen de: ES3039082A1

La Caldera con máquina productora de hidrógeno y oxígeno, con una cámara de combustión, comprende una máquina (1) equipada con al menos una celda electrolítica (2) conectada con la cámara de combustión para alimentarla en hidrógeno y oxígeno.

STEAM SULFUROUS MATERIAL REFORMING AND THERMOCHEMICAL CYCLES RELATED THERETO

NºPublicación:  WO2025217599A1 16/10/2025
Solicitante: 
PEREGRINE HYDROGEN INC [US]
PEREGRINE HYDROGEN INC
WO_2025217599_PA

Resumen de: WO2025217599A1

A method can include performing a series of reactions in a closed cycle, the series of reactions consisting of a hydrolysis reaction where a redox reagent is oxidized to a corresponding oxidized redox reagent with water contemporaneously with the production of hydrogen; and a reduction reaction where the oxidized redox reagent is reduced to the redox reagent using a sulfurous reactant contemporaneously with production of sulfur dioxide.

CLOSED-CYCLE USE OF HYDROGEN AND OXYGEN FOR CARBON CAPTURE AND EMISSIONS REDUCTION

NºPublicación:  WO2025217582A1 16/10/2025
Solicitante: 
UNIV OF WYOMING [US]
UNIVERSITY OF WYOMING
WO_2025217582_A1

Resumen de: WO2025217582A1

Embodiments of the present disclosure provide for a processing system and methods for carbon capture and emissions reduction associated with industrial processes. The processing system includes an electrolysis plant, a first kiln, a second kiln, and a carbon capture system. The electrolysis plant configured to generate oxygen and hydrogen from a first amount of water. The first kiln is configured to receive the oxygen generated by the electrolysis plant and to produce a second amount of water, a commercial product, and flue gas via an oxy-combustion reaction. The second kiln is configured to receive the hydrogen generated by the electrolysis plant and to produce a third amount of water, the commercial product, and an exhaust gas via a combustion reaction. The carbon capture system is configured to receive flue gas from the first kiln.

METHOD OF HIGH EFFICIENCY ELECTRICAL HEATING FOR A THERMOCHEMICAL PROCESS

NºPublicación:  WO2025217322A1 16/10/2025
Solicitante: 
OMC HYDROGEN INC [US]
OMC HYDROGEN, INC
WO_2025217322_PA

Resumen de: WO2025217322A1

Various aspects of this disclosure relate to large-scale commercial systems and methods of thermochemical processes to produce green hydrogen or syngas from one or more of a hydrocarbon, H2O, and CO2 via a thermochemical gas splitting reactor system. In some embodiments, the systems and methods include a standalone thermochemical reactor that bypasses the requirement for direct concentrated solar radiation as the source of process heat. In some embodiments, the systems and methods include a well-insulated, refractory-lined steel pressure vessel, in which process gases heated indirectly via radiation can be delivered to facilitate the desired thermochemical reactions in a fluidized bed configuration.

STAINLESS STEEL MATERIAL FOR SOLID OXIDE WATER ELECTROLYSIS

NºPublicación:  WO2025216105A1 16/10/2025
Solicitante: 
NIPPON STEEL CORP [JP]
\u65E5\u672C\u88FD\u9244\u682A\u5F0F\u4F1A\u793E
WO_2025216105_PA

Resumen de: WO2025216105A1

Provided is a stainless steel material for solid oxide water electrolysis, which contains, on a mass basis, 0.030% or less of C, 1.6% to 3.5% of Si, 0.10% to 1.00% of Mn, 0.050% or less of P, 0.0030% or less of S, 16.0% to 21.0% of Cr, 1.00% or less of Al, 0.030% or less of N, 1.00% or less of Nb, 1.00% or less of Ti, 1.00% or less of Ni, and 1.00% or less of Cu, with the balance being made up of Fe and impurities.

FUEL SUPPLY SYSTEM FOR A COMBUSTION ENGINE, SYSTEM COMPONENTS AND METHODS

NºPublicación:  WO2025215257A1 16/10/2025
Solicitante: 
PAPIZTURBINE EUROPE GMBH [DE]
PAPIZTURBINE EUROPE GMBH
WO_2025215257_PA

Resumen de: WO2025215257A1

The invention relates to generating fuel for an internal combustion engine such as a piston engine or a gas turbine. The invention relates to a system, apparatuses and methods for producing hydrogen and for hydrogen fuel enhancement. The invention relates in particular to an electrolyser that comprises an electrolyser housing enclosing an interior space that is adapted for containing a water reservoir. The electrolyser housing comprises a side wall and a top cover and a bottom cover that are tightly connected to the side wall. The electrolyser further comprises a plurality of elongate electrodes that extend from the bottom cover and/or the top cover into the interior space enclosed by the electrolyser housing. The electrodes are electrically isolated from the electrolyser housing and are electrically connected to electric conductors for feeding DC current to the electrodes. The electric connections are configured to connect electrodes acting as cathodes to a negative voltage terminal of a DC electric power source and to connect electrodes acting as anodes to a positive voltage terminal of a DC electric power source.. The invention further relates to a method of producing hydrogen enhanced hydrocarbon fuel comprising the steps of. - producing hydrogen from water by means of an electrolyser - vaporizing hydrocarbon fuel - mixing the hydrogen and the vaporized hydrocarbon fuel - compressing the mixture of hydrogen and the vaporized hydrocarbon fuel, and - ionizing the compressed

산화물들을 제조하기 위한 프로세스

NºPublicación:  KR20250149669A 16/10/2025
Solicitante: 
에보닉오퍼레이션스게엠베하
KR_20250149669_A

Resumen de: WO2024165389A1

The present invention relates to a pyrogenic process for manufacturing metal oxides or metalloid oxides wherein a metal precursor and/or a metalloid precursor is introduced into a flame formed by burning a gas mixture comprising oxygen and hydrogen, wherein at least a part of the hydrogen has been obtained from electrolysis of water or an aqueous solution, using electrical energy, at least a part of which has been obtained from a renewable energy source, and wherein at least a part of the thermal energy of the flame is transferred to a first heat transmission medium by means of at least one exchanger, thereby heating the first heat transmission medium to a maximal temperature in the range between 80 and 150 °C.

Microbial electrolysis cell driven by duty-cycle method and hydrogen production method using the same

NºPublicación:  KR20250149338A 16/10/2025
Solicitante: 
경상국립대학교산학협력단
KR_20250149338_PA

Resumen de: KR20250149338A

본 발명의 바람직한 실시예에 따른 간헐적 전압 공급장치를 포함하는 미생물전기분해전지 및 이를 이용한 수소 발생방법은 소모되는 에너지량을 줄일 수 있음과 동시에 환원전극에서 국부적으로 발생되는 데드 존을 감소시켜 환원전극의 표면적을 효율적으로 이용하며 수소 생산을 향상시킬 수 있다.

GAS MANAGEMENT SYSTEM FOR AN ELECTROCHEMICAL CELL

NºPublicación:  US2025320615A1 16/10/2025
Solicitante: 
CUMMINS INC [US]
CUMMINS INC
EP_4632108_PA

Resumen de: US2025320615A1

A gas management system includes an anodic chamber, a cathodic chamber, and a membrane assembly configured to remove bubbles from an electrochemical cell to increase hydrogen generation of the electrochemical cell. The membrane assembly includes a first outer layer arranged between the cathodic chamber and the anodic chamber, a second outer layer arranged between the first outer layer and the cathodic chamber, and a spacer layer arranged between the first outer layer and the second outer layer.

GAS PRESSURE CONTROLS FOR A WATER ELECTROLYZER PLANT

NºPublicación:  EP4632109A1 15/10/2025
Solicitante: 
CUMMINS INC [US]
HYDROGENICS CORP [CA]
Cummins, Inc,
Hydrogenics Corporation
EP_4632109_PA

Resumen de: EP4632109A1

The present disclosure relates to systems and methods for increasing efficiency and performance by balancing pressure in electrolytic cell. The present disclosure relates to systems and methods of utilizing different valves for controlling absolute pressure and differential in the electrolytic cell system based on hydrogen demand and the operating state of the system.

GAS MANAGEMENT SYSTEM FOR AN ELECTROCHEMICAL CELL

NºPublicación:  EP4632108A1 15/10/2025
Solicitante: 
CUMMINS INC [US]
Cummins, Inc
EP_4632108_PA

Resumen de: EP4632108A1

A gas management system includes an anodic chamber, a cathodic chamber, and a membrane assembly configured to remove bubbles from an electrochemical cell to increase hydrogen generation of the electrochemical cell. The membrane assembly includes a first outer layer arranged between the cathodic chamber and the anodic chamber, a second outer layer arranged between the first outer layer and the cathodic chamber, and a spacer layer arranged between the first outer layer and the second outer layer.

ELECTROLYTIC CELL AND ELECTROLYTIC APPARATUS

NºPublicación:  EP4632113A1 15/10/2025
Solicitante: 
MITSUBISHI HEAVY IND LTD [JP]
Mitsubishi Heavy Industries, Ltd
EP_4632113_PA

Resumen de: EP4632113A1

The electrolysis cell according to the present disclosure includes: a first separator including a first surface; a second separator disposed with an accommodating space apart from the first separator, the second separator including a second surface facing the first surface; an ion-exchange membrane disposed in the accommodation space; a first power feeder disposed between the first separator and the ion-exchange membrane; a first catalyst layer disposed between the first power feeder and the ion-exchange membrane; a second power feeder disposed between the second separator and the ion-exchange membrane; a second catalyst layer disposed between the second power feeder and the ion-exchange membrane; and a flow direction changing part provided as a part of the first separator or disposed between the first separator and the first power feeder, the flow direction changing part changing a flow direction of at least a portion of an electrolyte flowing along the first surface in a first direction to a second direction intersecting the first surface at each of a plurality of positions in the first direction.

FUEL SUPPLY SYSTEM FOR A COMBUSTION ENGINE, SYSTEM COMPONENTS AND METHODS

NºPublicación:  EP4632214A1 15/10/2025
Solicitante: 
PAPIZTURBINE EUROPE GMBH [DE]
PAPIZTURBINE Europe GmbH
EP_4632214_PA

Resumen de: EP4632214A1

The invention relates to generating fuel for an internal combustion engine such as a piston engine or a gas turbine. The invention relates to a system, apparatuses and methods for producing hydrogen and for hydrogen fuel enhancement. The invention relates in particular to an electrolyser that comprises an electrolyser housing enclosing an interior space that is adapted for containing a water reservoir. The electrolyser housing comprises a side wall and a top cover and a bottom cover that are tightly connected to the side wall. The electrolyser further comprises a plurality of elongate electrodes that extend from the bottom cover and/or the top cover into the interior space enclosed by the electrolyser housing. The electrodes are electrically isolated from the electrolyser housing and are electrically connected to electric conductors for feeding DC current to the electrodes. The electric connections are configured to connect electrodes acting as cathodes to a negative voltage terminal of a DC electric power source and to connect electrodes acting as anodes to a positive voltage terminal of a DC electric power source..The invention further relates to a method of producing hydrogen enhanced hydrocarbon fuel comprising the steps of.- producing hydrogen from water by means of an electrolyser- vaporizing hydrocarbon fuel- mixing the hydrogen and the vaporized hydrocarbon fuel- compressing the mixture of hydrogen and the vaporized hydrocarbon fuel, and- ionizing the compressed mixtu

A METHOD FOR PRODUCING HYDROGEN GAS FROM NON-PURIFIED WATER VIA SULPHUR DEPOLARIZED ELECTROLYSIS (SDE)

NºPublicación:  EP4632107A1 15/10/2025
Solicitante: 
UNIV GRAZ TECH [AT]
Technische Universit\u00E4t Graz
EP_4632107_PA

Resumen de: EP4632107A1

A method for producing hydrogen gas from non-purified water via sulphur depolarized electrolysis (SDE), said method comprises the steps of providing at least one electrochemical cell (2), which comprises at least one positive electrode (A) and at least one negative electrode (C), separated by a proton conductive membrane (3), non-purified water supply means (51) configured to supply non-purified water to the cathode, sulphur dioxide supply means (S2) configured to supply sulphur dioxide to the anode, electrical connecting means (4) configured to connect the anode (A) and the cathode (C) to an external power source (P), supplying non-purified water to the cathode, supplying sulphur dioxide to the anode, applying a voltage of at least 0.45 V and up to 1.37 V to the electrodes (A, C) to cause an electrolysis reaction that produces hydrogen gas at the cathode and sulphuric acid at the anode, removing produced hydrogen gas from the cathode and produced sulphuric acid from the anode.

WATER ELECTROLYSIS CATALYST METHOD FOR MANUFACTURING THE SAME AND WATER ELECTROLYSIS DEVICE CONTAINING THE SAME

NºPublicación:  KR20250148875A 15/10/2025
Solicitante: 
중앙대학교산학협력단한국과학기술원
KR_20250148875_PA

Resumen de: KR20250148875A

본 발명은 수전해 촉매, 이의 제조방법 및 이를 포함하는 수전해 장치를 개시한다. 본 발명에서는 3 전극 시스템을 통해 Ni에 Ru를 도핑하여 이를 수전해 촉매로 사용함을 특징으로 하며, 이러한 수전해 촉매는 수소 흡착 강도가 감소하고 표면의 수소 이동성이 촉진되어 HER 활성이 향상되는 효과를 제공할 수 있다.

Catalyst-coated membranes for water electrolysis

NºPublicación:  GB2640128A 15/10/2025
Solicitante: 
JOHNSON MATTHEY HYDROGEN TECHNOLOGIES LTD [GB]
Johnson Matthey Hydrogen Technologies Limited
GB_2640128_PA

Resumen de: GB2640128A

A catalyst-coated membrane (10) for a water electrolyser is provided. The catalyst-coated membrane comprises a polymer electrolyte membrane with an anode catalyst layer (12) on a first side of the membrane (14). The anode catalyst layer (12) comprises an oxygen evolution reaction catalyst containing at least one noble metal at a loading of the oxygen evolution reaction catalyst, based on the noble metal content, of less than or equal to 0.6 mg/cm2 . The polymer electrolyte membrane comprises a membrane layer comprising dispersed platinum group metal-containing nanoparticles (20), a nanoparticle stabilising agent and an ion-conducting polymer.

触媒及びその製造方法、触媒を含む金属空気二次電池用の電極又は水電解システム用の電極、並びに電極を含む金属空気二次電池又は水電解システム

NºPublicación:  JP2025157301A 15/10/2025
Solicitante: 
AZULEnergy株式会社
JP_2025157301_A

Resumen de: US2024145732A1

Provided is a catalyst excellent in both oxygen reduction catalytic performance and oxygen evolution catalytic performance and making effective use of biomass, a manufacturing method thereof, an electrode for a metal-air secondary battery or a water electrolysis system containing the catalyst, and a metal-air secondary battery or a water electrolysis system containing the electrode.Provided is a catalyst containing a calcined product of a mixture including biomass-derived cellulose nanofibers and a dry matter containing proteins or amino acids, a manufacturing method thereof, an electrode for a metal-air secondary battery or an electrode for a water electrolysis system containing the catalyst, and a metal-air secondary battery or a water electrolysis system containing the electrode.

プロセス及び膜

NºPublicación:  JP2025534204A 15/10/2025
Solicitante: 
ジョンソンマッセイハイドロジェンテクノロジーズリミテッド
JP_2025534204_PA

Resumen de: CN119866394A

A method for producing an ion conducting membrane comprising a membrane layer comprising a reconstitution catalyst. The film layer is made from an ink comprising a stabilized dispersion of reconstitution catalyst nanoparticles. Also provided are ion conducting membranes for electrochemical devices, such as fuel cells or water electrolysers, having a membrane layer comprising a reconstitution catalyst, the membrane layer comprising dispersed reconstitution catalyst nanoparticles, a nanoparticle stabilizer, and an ion conducting polymer.

IMPROVEMENTS RELATING TO HYDROGEN ELECTROLYSIS SYSTEMS

NºPublicación:  EP4630686A1 15/10/2025
Solicitante: 
VESTAS WIND SYS AS [DK]
VESTAS WIND SYSTEMS A/S
CN_120187948_PA

Resumen de: CN120187948A

A hydrogen production system comprising a wind turbine facility comprising a wind turbine generator (18) connected to a hydrogen electrolyser (30) by a power converter system (22). A power converter system (22) includes a generator-side converter (24) and an electrolyzer-side converter (26) electrically coupled together by a DC link (28), and a converter controller (50) including a generator-side control module (50) coupled to the generator-side converter and an electrolyzer-side control module (52) coupled to the electrolyzer-side converter. The converter controller is configured to control the load torque on the wind turbine generator and the electrical power fed to the electrolysis cell to achieve a mechanical damping function associated with the wind turbine facility while maintaining a stable DC link voltage. Accordingly, advantageously, the wind turbine facility can achieve active control of the electromechanical damping system while operating the electrolysis cell at an effective operating point.

PROCESSES FOR PREPARING LITHIUM HYDROXIDE

NºPublicación:  EP4631606A2 15/10/2025
Solicitante: 
NEMASKA LITHIUM INC [CA]
Nemaska Lithium Inc
EP_4631606_A2

Resumen de: EP4631606A2

There is provided a system for preparing lithium hydroxide. The system comprises:an electrolysis cell, defining an anodic compartment separated from a central compartment by an anion exchange membrane and a cathodic compartment separated from said central compartment by a cation exchange membrane. The central compartment comprising at least one inlet for receiving an aqueous composition comprising lithium compound. The cathodic compartment comprises at least one cathode wherein said cathode is configured to produce a lithium hydroxide-enriched aqueous composition. A pH probe and at least one inlet for receiving acid or base for at least substantially maintaining the pH of said aqueous composition comprising said lithium compound at about 1 to about 4 is also provided.

AMMONIA DECOMPOSING CATALYST AND METHOD FOR PRODUCING SAME

NºPublicación:  EP4631617A1 15/10/2025
Solicitante: 
POSCO HOLDINGS INC [KR]
RES INST IND SCIENCE & TECH [KR]
POSCO Holdings Inc,
RESEARCH INSTITUTE OF INDUSTRIAL SCIENCE & TECHNOLOGY
EP_4631617_PA

Resumen de: EP4631617A1

The present invention pertains to an ammonia decomposing catalyst and a method for producing same. More specifically, the present invention pertains to: an ammonia decomposing catalyst containing an MgAl<sub>2</sub>O<sub>4</sub> spinel support and ruthenium, the content of ruthenium being 0.1-5 wt% of the total weight of the catalyst; and a method for producing same.

Electrode for Water electrolysis and Method of preparing the same

Nº publicación: KR20250148919A 15/10/2025

Solicitante:

광주과학기술원

KR_20250148919_PA

Resumen de: KR20250148919A

가교화된 셀룰로오스계 바인더를 전극 접합체로 포함하는 수전해용 전극 및 이의 제조 방법을 제공한다. 상기 수전해용 전극은 다공성 수송층 상에 촉매 및 가교화된 셀룰로오스계 바인더를 포함하는 전극 촉매층이 코팅된 전극으로, 상기 가교화된 셀룰로오스계 바인더에 의해 친수성을 가져 산소를 발생시키는 원료가 되는 물의 공급과 물을 통한 수소 이온 전달이 용이해져 수전해 성능이 향상되고, 부하 변동 상황에서 발생하는 손상 정도를 줄여 내구성이 향상된다. 또한, 상기 수전해용 전극은 막전극 접합체의 애노드로 사용되어 양이온 교환막 수전해 단위 전지에 포함될 수 있다.

traducir