Ministerio de Industria, Turismo y Comercio LogoMinisterior
 

Tintas y pinturas con propiedades eléctricas

Resultados 28 resultados
LastUpdate Última actualización 26/01/2026 [07:19:00]
pdfxls
Solicitudes publicadas en los últimos 30 días / Applications published in the last 30 days (Publicaciones Chinas excluidas /Chinese publications excluded).
Resultados 1 a 25 de 28 nextPage  

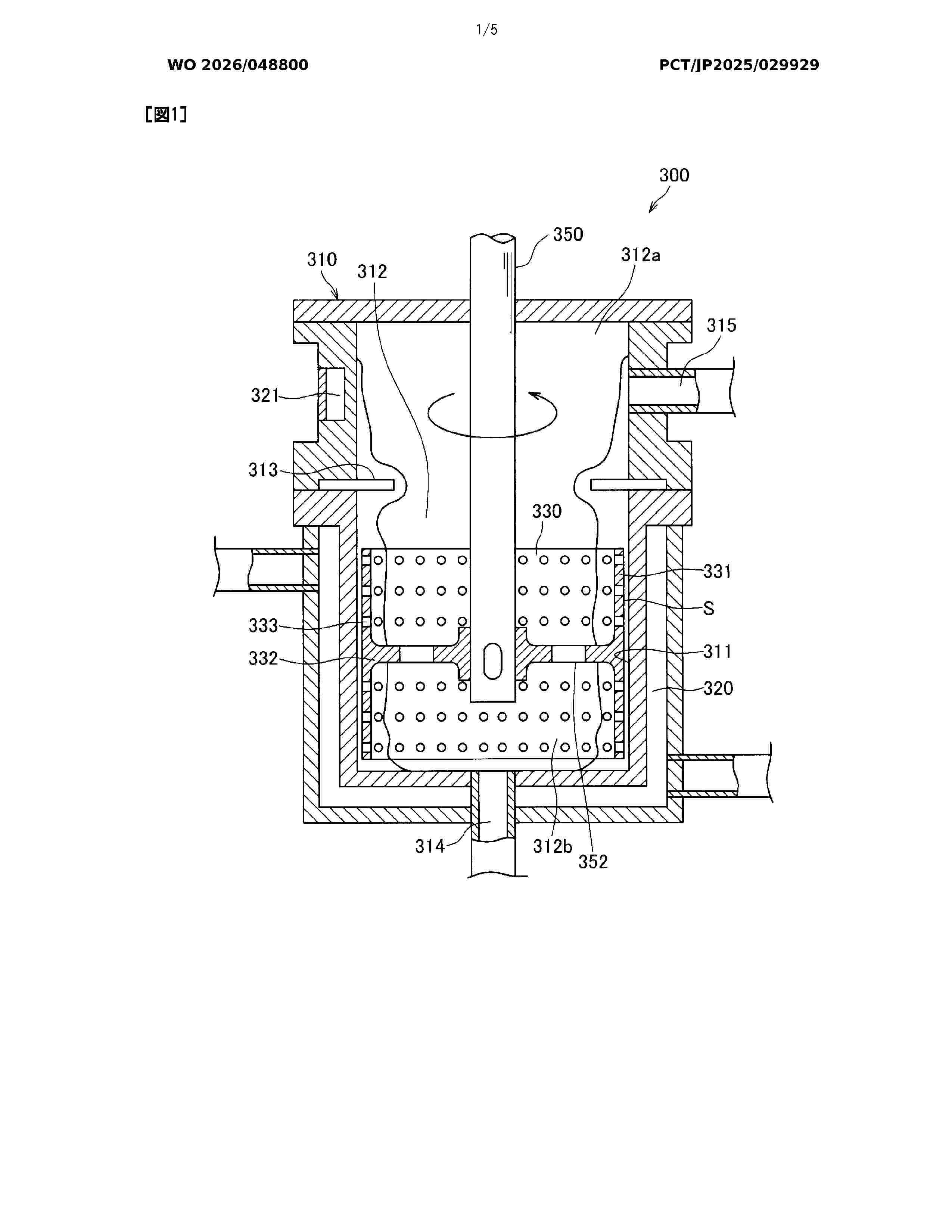
METHOD FOR PRODUCING A COMPOUND AND APPARATUS FOR PRODUCING A COMPOUND

NºPublicación:  EP4677141A1 14/01/2026
Solicitante: 
HELANDER HOLDING OY [FI]
Helander Holding Oy
CN_121079452_PA

Resumen de: WO2024184587A1

The invention relates to a method for producing a compound comprising at least one of hydrogen or oxygen. The method comprises providing water and a first substance, producing a mixture comprising the water and bubbles comprising the first substance, decreasing diameter of bubbles comprising the first substance, decomposing a part of the water, and composing a compound at least from the decomposed water and the first substance, and the compound comprising at least one of hydrogen or oxygen. The invention further relates to apparatus for producing a compound comprising at least one of hydrogen or oxygen.

Catalyst-coated polymer electrolyte membranes and methods for their manufacture

NºPublicación:  GB2642535A 14/01/2026
Solicitante: 
JOHNSON MATTHEY HYDROGEN TECHNOLOGIES LTD [GB]
Johnson Matthey Hydrogen Technologies Limited
GB_2642535_PA

Resumen de: GB2642535A

A method for the manufacture of catalyst-coated polymer electrolyte membranes (CCMs) for water electrolysis is described. The CCMs may comprise a proton exchange membrane (PEM) or an anion exchange membrane (AEM) with an anode layer and/or a cathode catalyst layer applied to a face of the membrane. The method comprises the steps of forming a polymer electrolyte membrane on a first catalyst layer 2 comprising a platinum-containing catalyst on a carbon support material 1 and a catalyst layer ion-conducting polymer. The catalytic layer 2 may comprise a hydrogen evolution catalyst (HER) and/or an oxygen evolution catalyst (OER). The first catalyst layer 2 has an expected effective platinum surface area in the range of and including 5-200 cm2Pt/cm2 and a carbon content in the range of and including 30-60 wt%.

THERMOCHEMICAL REACTIONS USING GEOTHERMAL ENERGY

NºPublicación:  EP4676875A1 14/01/2026
Solicitante: 
ENHANCEDGEO HOLDINGS LLC [US]
EnhancedGEO Holdings, LLC
TW_202436207_A

Resumen de: TW202436207A

A first aspect is directed to a method for producing hydrogen by thermochemical splitting of water includes injecting one or more feed streams of water into a reaction chamber. The method further includes using heat from a subterranean heat source to carry out the thermochemical splitting of water to form hydrogen and oxygen in the reaction chamber. The formed products are subsequently removed from the reaction chamber. A second aspect is directed to a reaction system includes a wellbore extending from a surface into a subterranean heat source. The reaction system further includes a reaction chamber configured to be maintained at a reaction temperature using heat from the subterranean heat source. The reaction system further includes one or more inlet conduits. The inlet conduits are configured to provide one or more feed streams to the reaction chamber. The reaction system also includes outlet conduits configured to allow flow of one or more product streams.

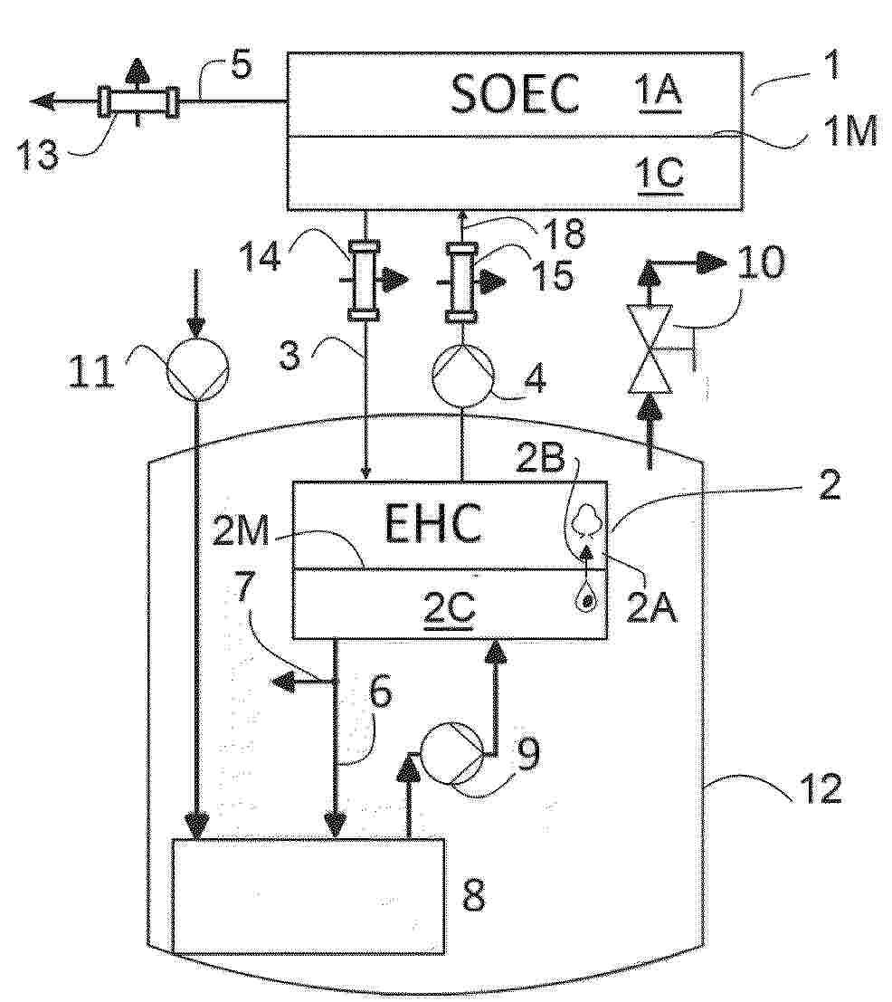
System and method for producing pressurized hydrogen from a solid oxide electrolyser connected to an electrochemical hydrogen compressor

NºPublicación:  FI20245884A1 13/01/2026
Solicitante: 
TEKNOLOGIAN TUTKIMUSKESKUS VTT OY [FI]
Teknologian tutkimuskeskus VTT Oy
FI_20245884_PA

Resumen de: FI20245884A1

The invention relates to a system and method for producing pressurized hydrogen from a solid oxide electrolyser connected to an electrochemical hydrogen compressor. The system comprises a solid oxide electrolyser (SOEC) (1), which is configured to generate hydrogen; an electrochemical hydrogen compressor (EHC) (2), which is configured to pressurize said hydrogen generated by said SOEC; and a first recovery circuit, which is configured to recover water exiting the cathode (2c) of the EHC (2) by providing a return path through the EHC (2) to the cathode (1C) of the SOEC (1) for consumption. An optional second recovery circuit is configured to recover heat from at least one output flow (4, 5) of the SOEC (1) to a heat exchanger (15), which is configured to heat said return path (4,18) at the cathode (1C) of said solid oxide electrolyser (1).

过氧化氢发生装置及其应用

NºPublicación:  CN121320993A 13/01/2026
Solicitante: 
无锡美芝电器有限公司
CN_121320993_PA

Resumen de: CN119491243A

The invention relates to the technical field of household appliances, and provides a hydrogen peroxide generating device and application thereof. The hydrogen peroxide generating device comprises a shell, a liquid inlet and a liquid outlet, the liquid inlet and the liquid outlet are formed in the shell, the liquid inlet is used for being connected with a water supply component, a cathode piece and an anode piece which are used for electrolyzing water to generate a hydrogen peroxide solution are arranged in the shell, and the liquid outlet is used for discharging the generated hydrogen peroxide solution. According to the hydrogen peroxide generating device provided by the invention, water entering the shell through the liquid inlet can be electrolyzed to generate the hydrogen peroxide solution, and the generated hydrogen peroxide solution is discharged through the liquid outlet; the hydrogen peroxide generating device can be applied to household appliances such as clothes washing equipment, clothes processing equipment, an air conditioner, a dehumidifier, a refrigerator and a dish washing machine, can play a good role in cleaning, odor removal, disinfection, sterilization and the like, reduces the use of detergent, and improves the use experience of a user.

一种用于降低碱性制氢装置启动时间的极板及其组装工艺

NºPublicación:  CN121321084A 13/01/2026
Solicitante: 
新乡海卓能源科技有限公司
CN_121321084_PA

Resumen de: CN116377465A

The invention is applicable to the related technical field of hydrogen production, and provides a polar plate for reducing the starting time of an alkaline hydrogen production device and an assembly process thereof.The main polar plate comprises a metal ring, two partition plates which are symmetrically arranged are fixedly connected to the inner wall of the metal ring, holes are evenly distributed in the metal ring, a cavity is formed between the holes and the two partition plates, the partition plates are 0.6 mm steel plates, and the metal ring is made of stainless steel. The distance between the two partition plates is 0.8 mm. A cavity is formed in the metal ring under the action of the partition plates, when the alkaline hydrogen production device is started, water at the constant temperature of 85 DEG C is injected into a new drainage basin 2 hours ahead of time by a technician, circulation is conducted to heat the electrolytic bath till the electrolytic bath is heated to 65 DEG C, at the moment, the alkaline hydrogen production device is started, circulation of the water at the constant temperature of 85 DEG C is stopped, and therefore the alkaline hydrogen production device is started. And the temperature of the alkaline hydrogen production electrolytic cell is increased from 65 DEG C to 85 DEG C. The time is 2 hours; the starting time of the alkaline hydrogen production device is shortened to 2 hours, and the energy consumption of the alkaline hydrogen production devi

用于碱性水电解的隔板

NºPublicación:  CN121336005A 13/01/2026
Solicitante: 
爱克发-格法特公司
CN_121336005_PA

Resumen de: AU2024407460A1

A catalyst coated separator for alkaline water electrolysis (1) comprising a porous support (100) and on at least side of the support, in order: - an optional porous polymer layer (200), - a non-porous alkali-stable polymer layer (300), and - a catalyst layer (400).

System for producing hydrogen based on composite energy using water purifier

NºPublicación:  KR20260005849A 12/01/2026
Solicitante: 
한국전력공사
KR_20260005849_PA

Resumen de: KR20240175881A

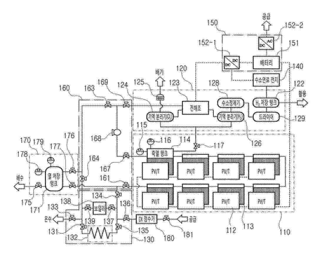
Provided is the complex energy base hydrogen production system utilizing the solar energy and sunlight complex energy and produces the hydrogen. The complex energy-based hydrogen generation system comprises: a complex energy block collecting solar energy to generate hot water or electricity; a hydrogen generation block generating hydrogen by using the generated hot water; and an electricity supply block storing or supplying the generated electricity.

System for producing hydrogen based on composite energy

NºPublicación:  KR20260005845A 12/01/2026
Solicitante: 
한국전력공사
KR_20260005845_PA

Resumen de: KR20240175881A

Provided is the complex energy base hydrogen production system utilizing the solar energy and sunlight complex energy and produces the hydrogen. The complex energy-based hydrogen generation system comprises: a complex energy block collecting solar energy to generate hot water or electricity; a hydrogen generation block generating hydrogen by using the generated hot water; and an electricity supply block storing or supplying the generated electricity.

System for producing hydrogen based on composite energy using water

NºPublicación:  KR20260005847A 12/01/2026
Solicitante: 
한국전력공사
KR_20260005847_PA

Resumen de: KR20240175881A

Provided is the complex energy base hydrogen production system utilizing the solar energy and sunlight complex energy and produces the hydrogen. The complex energy-based hydrogen generation system comprises: a complex energy block collecting solar energy to generate hot water or electricity; a hydrogen generation block generating hydrogen by using the generated hot water; and an electricity supply block storing or supplying the generated electricity.

用于产生氢气和/或氧气的方法和系统

NºPublicación:  CN121311629A 09/01/2026
Solicitante: 
林德有限责任公司
CN_121311629_PA

Resumen de: AU2024305642A1

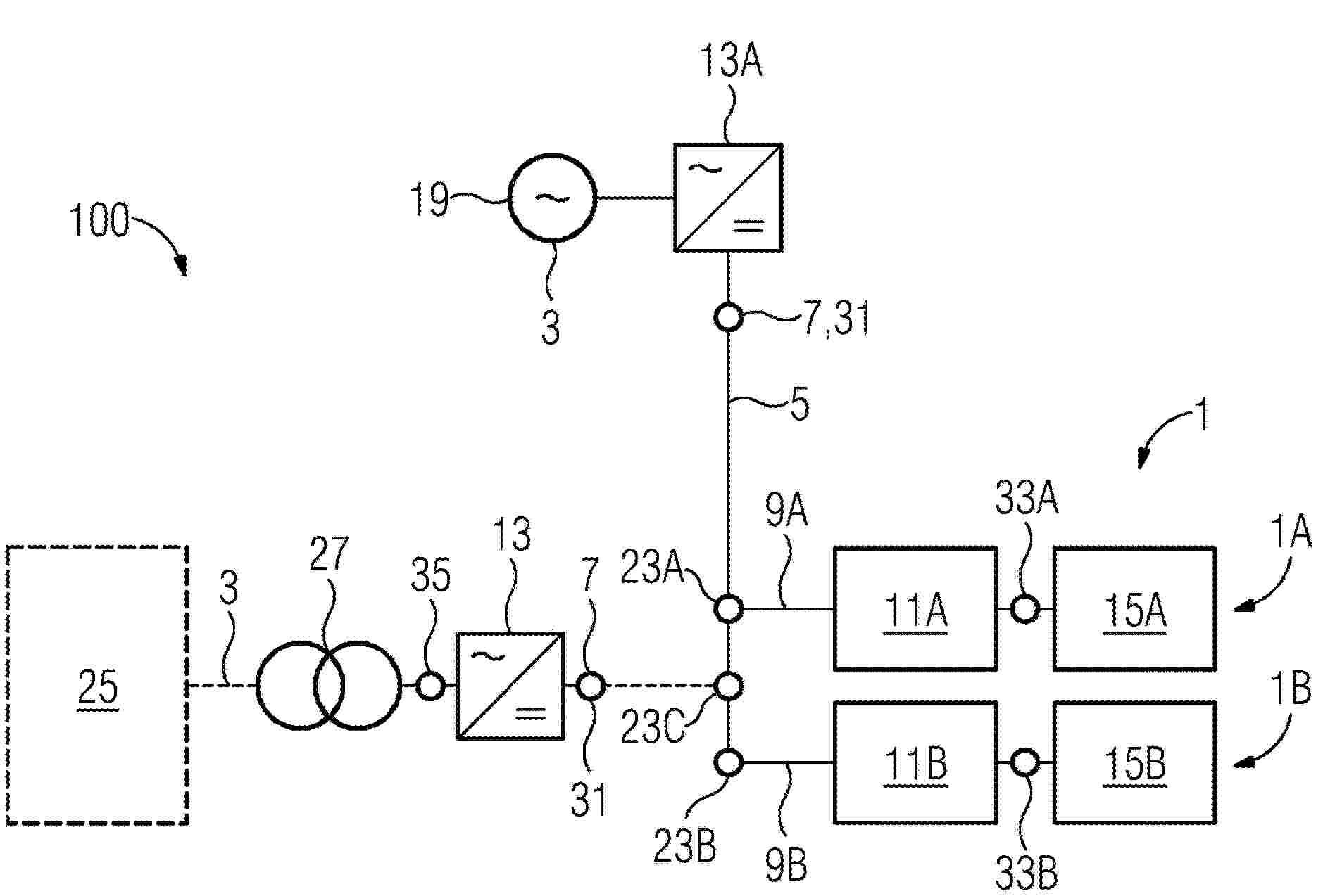
The invention relates to a method (100) for producing hydrogen and/or oxygen by means of electrolysis, in which an electrolysis unit (10) is supplied with a direct current (2) which is provided from an alternating current (1) using a rectifier (20), wherein the electrolysis unit (10) is supplied with water using a water circuit (110). The rectifier (20) is cooled using a cooling water which is provided using a sub-flow (5) of water being conducted in the water circuit (110) and/or water supplied to the water circuit. The invention likewise relates to a corresponding system.

METHOD OF PRODUCING GREEN STEEL

NºPublicación:  WO2026008847A1 08/01/2026
Solicitante: 
H2 SPHERE GMBH [DE]
H2-SPHERE GMBH
EP_4674988_PA

Resumen de: WO2026008847A1

The present invention relates to a method of producing green steel by reduction of iron oxides using hydrogen. The inventive method makes use of mining waste as starting material for H2 generation by SDE process or a sulfur-iodine-process. Side products can be utilized in the steelmaking process. This is achieved by a method according to the present invention comprising the following steps: a) a part or all of the iron oxide used as raw material for steelmaking is reduced by hydrogen, b) a part or all hydrogen required for the reduction of iron oxide is generated via a SO2-depolarized electrolyzer (SDE) process or a sulfur-iodine-process, and c) a part or all of the diluted sulfuric acid obtained from step b) is used for at least one of i. steel pickling, ii. reaction with steel mill dust for generation of iron sulfate (FeSO4 or Fe2(SO4)3), and iii. increasing the concentration of said diluted sulfuric acid by vacuum evaporation of water using off-heat from steelmaking or pyrite roasting.

INTEGRATED PROCESS FOR METHANE PRODUCTION AND DRY METHANE REFORMING

NºPublicación:  AU2024310412A1 08/01/2026
Solicitante: 
BP P L C
BP P.L.C
AU_2024310412_A1

Resumen de: AU2024310412A1

The present disclosure relates generally to integrated processes for the production of methane and its use in dry methane reforming. In one aspect, the present disclosure provides process for producing a stream containing hydrogen and carbon monoxide, the process comprising: providing a methane synthesis feed stream comprising hydrogen and carbon dioxide; contacting the methane synthesis feed stream with a methane synthesis catalyst (e.g., in a methane synthesis reactor) to form a methane synthesis product stream comprising methane and water; providing a dry methane reformation feed stream comprising carbon dioxide and at least a portion of the methane of the methane synthesis product stream; contacting the dry methane reformation feed stream with a dry methane reformation catalyst (e.g., in a dry methane reformation reactor) to produce a dry methane reformer product stream comprising carbon monoxide and hydrogen.

TRANSITION METAL-DOPED NICKEL OXYHYDROXIDE CATALYST, PREPARATION METHOD THEREOF, AND USE THEREOF

NºPublicación:  US20260009149A1 08/01/2026
Solicitante: 
ZHEJIANG UNIV [CN]
BAIMAHU LABORATORY CO LTD OF ZHEJIANG PROVINCE [CN]
Zhejiang University,
Baimahu Laboratory Co., Ltd. of Zhejiang Province
US_20260009149_PA

Resumen de: US20260009149A1

Provided is a transition metal-doped nickel oxyhydroxide catalyst, its preparation method, and its application in seawater electrolysis for hydrogen production. The method includes: (1) constructing a three-electrode system and using a chronoamperometry or chronopotentiometry method to electrodeposit a precatalyst onto a conductive substrate from a mixed metal salt solution containing nickel, iron, and at least one other transition metal salt such as cobalt or chromium; and (2) using the precatalyst-loaded substrate as a working electrode in an alkaline solution and applying a constant current to perform an in-situ conversion, thereby forming the final transition metal-doped nickel oxyhydroxide catalyst. The resulting catalyst exhibits high catalytic activity, high selectivity for oxygen evolution, and exceptional long-term stability under high current densities, making it highly suitable for direct seawater electrolysis systems,

COBALT ON TUNGSTEN TITANIUM CARBIDE MXene

NºPublicación:  US20260009146A1 08/01/2026
Solicitante: 
IOWA STATE UNIV RESEARCH FOUNDATION INC [US]
IOWA STATE UNIVERSITY RESEARCH FOUNDATION, INC
US_20260009146_PA

Resumen de: US20260009146A1

We synthesized a tungsten titanium carbide (W2TiC2) MXene. By loading cobalt onto the surface of W2TiC2, we developed an effective and stable catalyst for an alkaline hydrogen evolution reaction. The catalyst exhibited a small overpotential of 63 mV at 10 mA/cm2 and a low Tafel slope of 44.3 mV/dec. At high current density of 100 mA/cm2 and 1000 mA/cm2, low overpotentials of 191 mV and 408 mV were achieved, outperforming commercial Pt/C electrodes. Under both current ranges, our catalyst exhibited excellent stability of 500 h at 10 mA/cm2 and for 100 h at 1000 mA/cm2 without any degradation. In flow cell tests, by pairing with Ni foam, our catalyst required much lower cell voltage than commercial Ni foam Pt/C and maintained ̃100% H2 faradaic efficiency over 15 h of continuous tests from 50 to 400 mA/cm2. Under more demanding industry-level conditions, the catalyst maintains the incredible performance, exhibiting an excellent stability of at least 1000 h at 4000 mA cm−2 in 1 M KOH.

OXYGEN-DOMINATED SUPRA-NANO DUAL-PHASE CATALYTIC REACTION MATERIAL ON A SUBSTRATE

NºPublicación:  US20260009148A1 08/01/2026
Solicitante: 
CITY UNIV OF HONG KONG [HK]
City University of Hong Kong
US_20260009148_PA

Resumen de: US20260009148A1

The present invention provides an oxygen-dominated supra-nano dual-phase catalytic reaction material, which includes a uniform oxygen-enriched amorphous shell and a core encapsulated within the uniform oxygen-enriched amorphous shell. This invention exhibits ultrahigh HER performance, a critical reaction in water splitting, making it suitable for application in hydrogen production industries, battery companies, new energy vehicle enterprises, and large power stations.

ELECTROLYSIS SYSTEM

NºPublicación:  US20260009145A1 08/01/2026
Solicitante: 
SIEMENS ENERGY GLOBAL GMBH & CO KG [DE]
Siemens Energy Global GmbH & Co. KG
US_20260009145_PA

Resumen de: US20260009145A1

An electrolysis system has at least two electrolysis installations, a power supply source with a direct voltage output, and a central supply line connected to the direct voltage output. A direct current, at a first direct voltage, can be fed into the central supply line. The electrolysis installations are connected electrically in parallel to the central supply line. For a direct voltage supply from the public power grid a central voltage source converter converts an input-side alternating voltage into the output-side first direct voltage at a direct voltage output. Each electrolysis installation is connected via a DC/DC converter that converts the first direct voltage into a second direct voltage, parallel to the direct voltage output so that the second direct voltage drops across the electrolysis installation. Each of the DC/DC converters can be controlled and/or regulated for adapting a level of its second direct voltage.

METHOD FOR THE PRODUCTION OF DIHYDROGEN USING OXIDIZED NANODIAMONDS AS PHOTOCATALYSTS

NºPublicación:  US20260008033A1 08/01/2026
Solicitante: 
COMMISSARIAT A LENERGIE ATOMIQUE ET AUX ENERGIES ALTERNATIVES [FR]
CENTRE NATIONAL DE LA RECHERCHE SCIENT [FR]
UNIV DE STRASBOURG [FR]
COMMISSARIAT A L'ENERGIE ATOMIQUE ET AUX ENERGIES ALTERNATIVES,
CENTRE NATIONAL DE LA RECHERCHE SCIENTIFIQUE,
UNIVERSITE DE STRASBOURG
US_20260008033_PA

Resumen de: US20260008033A1

A method for producing dihydrogen by photodissociation of water, may include bringing an aqueous solution in contact with oxidized nanodiamonds under solar, natural, or artificial illumination (or light). The oxidized nanodiamonds may have an oxygen/carbon ratio of at least 5% atomic, determined by XPS without previous treatment of the oxidized nanodiamonds. The method may further include preparing the oxidized nanodiamonds by subjecting nanodiamonds to an oxidizing treatment. The oxidizing treatment may include annealing at a temperature of 500° C.±50° C. for a duration in a range of from 1 to 5 hours under an oxygenated atmosphere.

COMPOSITIONS AND METHODS FOR TREATING POROUS MATERIALS

NºPublicación:  US20260008042A1 08/01/2026
Solicitante: 
AMOGY INC [US]
Amogy Inc
US_20260008042_PA

Resumen de: US20260008042A1

The present disclosure is directed to a processing solution composition comprising a metal salt, an acid, a solvent, and a non-metal reductant. The present disclosure is also directed to a method of impregnating a porous material by covering or coating the porous material with a processing solution comprising a metal salt, an acid, a solvent, and a non-metal reductant.

POROUS ELECTROLYZER GAS DIFFUSION LAYER AND METHOD OF MAKING THEREOF

NºPublicación:  US20260008100A1 08/01/2026
Solicitante: 
OHMIUM INT INC [US]
Ohmium International, Inc
US_20260008100_PA

Resumen de: US20260008100A1

A porous titanium sheet configured to function as an anode side gas diffusion layer of a proton exchange membrane (PEM) electrolyzer is formed by a powder technique, such as tape casting or powder metallurgy.

A CATALYST FOR GENERATING HYDROGEN AND METHOD OF ITS PRODUCTION

NºPublicación:  US20260008043A1 08/01/2026
Solicitante: 
ELECTRIQ GLOBAL ENERGY SOLUTIONS LTD [IL]
Electriq-Global Energy Solutions Ltd
US_20260008043_A1

Resumen de: US20260008043A1

The present disclosure provides a catalyst, its preparation and uses thereof, the catalyst comprising a conductive substrate coated by at least two layers including a proximal layer and a distal layer wherein said proximal layer comprises a proximal metal composition and said distal layer comprise a distal metal composition, the proximal metal composition being different from the distal metal composition; wherein said proximal metal composition comprises a metallic M and said distal metal composition comprise a combination of two or more different metal complexes, each having a formula MxLy, wherein M, which may be the same or different in said two or more metal complexes, represents a metal atom; L, which may be the same or different in said two or more metal complexes, represents a moiety comprising at least one atom selected from the group consisting of oxygen (O), phosphorous (P), boron (B) and nitrogen (N); x represents any value between (1) and (6); and y represents any value between (1) and (6); and wherein said metal atom of metallic M and said metal atom in MxLy may be the same or different metal atom.

電気化学触媒用複合体およびその調製方法

NºPublicación:  JP2026002777A 08/01/2026
Solicitante: 
ハイドロライザードゥ
JP_2026002777_A

Resumen de: CA3273968A1

5 10 15 20 25 30 35 Abstract The present invention relates to a method of preparing a composite material, in particular one useful as a catalyst in an electrolytic hydrogen evolution reaction and/or the oxygen evolution reaction and/or urea oxidation-assisted water electrolysis. Provided is a method of preparing a composite material, the method comprising the steps of: (i) electrochemically depositing material onto a substrate from a deposition solution comprising a nickel (II) salt and graphene oxide, to obtain a nickel-reduced graphene oxide composite material comprising nickel dispersed on reduced graphene oxide, said composite material being deposited on the substrate; (ii) after step (i), placing the substrate, having the nickel-reduced graphene oxide composite deposited thereon, in an alkaline solution along with a counter electrode; and (iii) after step (ii), partially electrochemically oxidising the nickel, to obtain a partially oxidised nickel-reduced graphene oxide composite material comprising partially oxidised nickel dispersed on reduced graphene oxide, said composite material being deposited on the substrate. The composite of the invention demonstrates high catalytic activity for electrolytic hydrogen production under alkaline water electrolysis conditions (for example, a hydrogen evolution current of up to 500 mA cm-2 at -1.35 V against a Reversible Hydrogen Electrode). High activity is demonstrated even when the substrate (on which the composite is deposited)

ELECTROLYTIC CELL

NºPublicación:  WO2026011021A1 08/01/2026
Solicitante: 
PATHAK VIVEK [US]
PATHAK, Vivek

Resumen de: WO2026011021A1

Large scale exploitation of Solar energy is proposed by using floating devices which use solar energy to produce compressed hydrogen by electrolysis of deep sea water. Natural ocean currents are used to allow the devices to gather solar energy in the form of compressed hydrogen from over a large area with minimum energy transportation cost. The proposal uses a combination of well understood technologies, and a preliminary cost analysis shows that the hydrogen produced in this manner would satisfy the ultimate cost targets for hydrogen production and pave the way for carbon free energy economy.

ELECTROCHEMICAL CELL, SOLID OXIDE ELECTROLYSIS CELL, CELL STACK, HOT MODULE, AND HYDROGEN PRODUCTION DEVICE

NºPublicación:  WO2026009910A1 08/01/2026
Solicitante: 
NITERRA CO LTD [JP]
\u65E5\u672C\u7279\u6B8A\u9676\u696D\u682A\u5F0F\u4F1A\u793E

Resumen de: WO2026009910A1

An electrolysis cell 21 comprises: a solid electrolyte layer 211; a fuel electrode layer 213 that is disposed as a stack on one surface side of the solid electrolyte layer 211; and an air electrode layer 212 that is disposed as a stack on the other surface side of the solid electrolyte layer 211. The fuel electrode layer contains Fe. When a surface 213a1 on the solid electrolyte layer side of the fuel electrode layer is defined as a first surface and a surface 213b2 on the side opposite from the solid electrolyte layer side is defined as a second surface, n points pk (where k is an integer of 1 to n) are set in the fuel electrode layer along the thickness direction at intervals such that a point p1 is located at the first surface, a point pn is located at the second surface, and k increases in the direction from the first surface toward the second surface, and when a value obtained by dividing, by n, a cumulative value of the Fe concentration at each of the points from the point p1 to the point pk is defined as a normalized cumulative value Ck of the Fe concentration at the point pk, a normalized cumulative value Cn is 0.118-0.367 wt%.

ORGANIC COMPOUND, PHOTO-ASSISTED WATER ELECTROLYSIS CATALYST, SEMICONDUCTOR THIN FILM ELECTRODE, PHOTO-ASSISTED WATER ELECTROLYSIS CELL, AND METHOD FOR PRODUCING HYDROGEN

Nº publicación: WO2026009849A1 08/01/2026

Solicitante:

MITSUI CHEMICALS INC [JP]
\u4E09\u4E95\u5316\u5B66\u682A\u5F0F\u4F1A\u793E

Resumen de: WO2026009849A1

This organic compound is represented by general formula (1). X includes at least one type of linking group selected from the group consisting of an arylene group and an aromatic heterocyclic group, Y is a single bond or an aliphatic hydrocarbon linking group, Ar is an aromatic heterocyclic group, R1 and R2 are each independently a hydrogen atom or an aliphatic hydrocarbon group, R3, R4, R5 and R6 are each independently a hydrogen atom, an aliphatic hydrocarbon group or an aryl group, and at least one combination selected from the group consisting of R3 and R5, and R4 and R6, may bond to each other to form a ring.

traducir