Ministerio de Industria, Turismo y Comercio LogoMinisterior
 

Alerta

Resultados 50 resultados
LastUpdate Última actualización 04/04/2026 [06:46:00]
pdfxls
Patentes publicadas en los últimos 30 días/ Patents published in the last 30 days
previousPage Resultados 25 a 50 de 50  

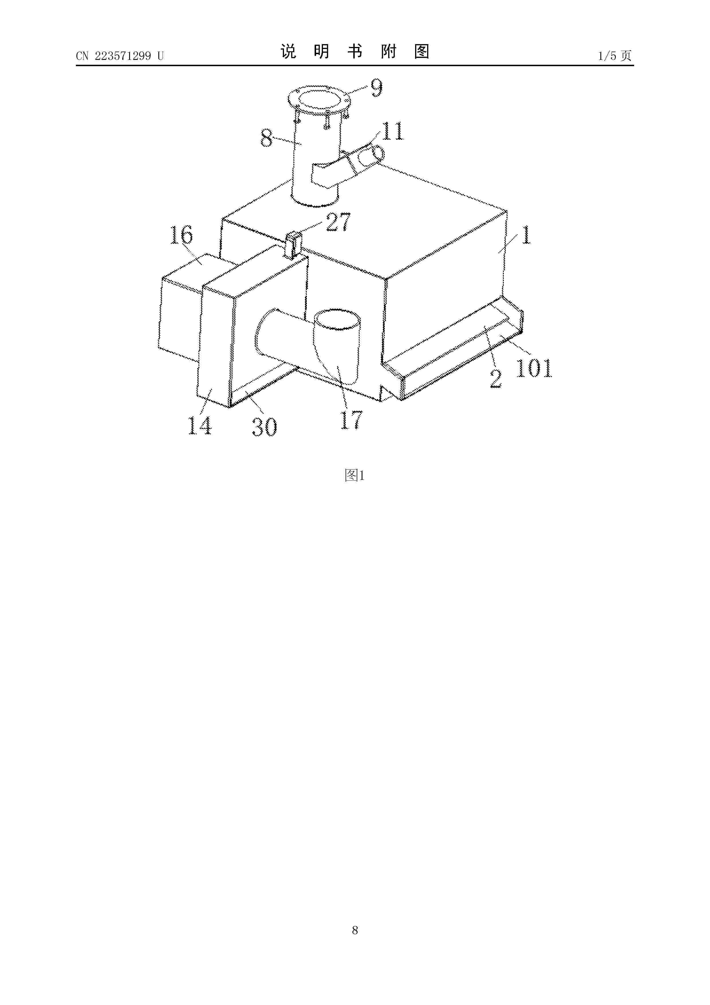
一种防堆积粉碎机

NºPublicación:  CN223988566U 13/03/2026
Solicitante: 
山东博力达机械有限公司
CN_223988566_U

Resumen de: CN223988566U

本实用新型涉及生物质燃料加工设备领域,具体为一种防堆积粉碎机,其包括底座和粉碎装置;底座上设置有下壳体和排料管,下壳体上设置有上壳体,上壳体和下壳体上连通设置有两个对称分布的气流补风管,排料管上设置有风机;粉碎装置包括设置在上壳体内部的切割机构与破碎机构,以及设置在下壳体内部的研磨机构;研磨机构包括设置在下壳体上的第三电机、转动连接在下壳体上的第三转轴、同轴设置在第三转轴上的锤架板、六个环形阵列分布在锤架板上的安装杆、多个线性阵列分布在安装杆上的锤片,以及设置在下壳体内部的筛板。本实用新型不仅能提高对物料的粉碎加工质量,还能避免出现物料在机体内部堆积的情况,优化了装置的实用性。

一种生物质颗粒生产干燥装置

NºPublicación:  CN223992409U 13/03/2026
Solicitante: 
无锡市贝斯尔精密机械有限公司
CN_223992409_U

Resumen de: CN223992409U

本实用新型公开了一种生物质颗粒生产干燥装置,包括支撑架、翻转机构、烘干桶、旋转机构、搅拌机构、烘干机构,所述翻转机构设置于支撑架下端,所述烘干桶设置于支撑架上部,所述旋转机构设置于支撑架与烘干桶之间,所述搅拌机构设置于烘干桶内部,所述烘干机构设置于固定架与搅拌机构之间。本实用新型与现有技术相比的优点在于:设置旋转机构带动烘干桶转动,使烘干桶内部的生物质颗粒不断翻动,随着烘干桶的旋转运行至高处后再通过重力下落;设置搅拌机构对生物质颗粒进行搅拌,使生物质颗粒更加分散,增加颗粒之间的空隙,设置烘干机构增加桶内的热空气流动,从而使生物质颗粒受热更加均匀,烘干效率更高,质量更好。

生物质燃料原料烘干装置

NºPublicación:  CN223992439U 13/03/2026
Solicitante: 
五峰正浩工贸有限公司
CN_223992439_U

Resumen de: CN223992439U

生物质燃料原料烘干装置,包括支撑架和设置于其上的送料结构,所述的送料结构包括设置于支撑架上的送料筒,送料筒的上半部开口并设有透气网框,送料筒的底部设有出料口和加热件,透气网框上设有进料口,送料筒内设有送料绞龙,送料绞龙的端部与电机的输出端连接,电机通过第一固定座与送料筒连接,送料筒的底部配有辅助烘干结构。采用上述结构,动态烘干,将定点热源辐射配合送料,物料持续翻滚输送,受热更加均匀,水分蒸发快且耗能低;烘干腔体结构简洁实用,方便启闭清理,操作容易;热风配合,烘干过程中持续带动空气流动,避免湿热空气再腔体内持续循环,快速排出,避免二次吸潮。

脱硫脱硝用活性焦生产设备

NºPublicación:  CN223990940U 13/03/2026
Solicitante: 
石嘴山市鸿地环保科技有限公司宁夏中科碳基材料产业技术研究院
CN_223990940_U

Resumen de: CN223990940U

本实用新型公开了脱硫脱硝用活性焦生产设备,包括炭化箱本体,所述炭化箱本体的右表面固定连接有固定座,所述固定座的内表面固定连接有固定柱,所述固定柱的外表面转动连接有连接座,所述连接座的上表面固定连接有箱盖,所述箱盖的外表面固定连接有安装座,所述安装座的外表面设置有第一螺纹孔。通过设置风机与进风管,可以将外界空气快速引入炭化箱本体的内部,从而促进燃烧反应,增加炭化箱本体内部的氧气供应,进而加快炭化速度,通过设置把手、固定盒、第一弹簧与L形限位块,可以对滤网整体进行拆卸,从而提升实用性,且通过设置U形架、滑杆、第二弹簧、连接块与推杆,可以在拆卸滤网时将其顶出,从而提升滤网的拆卸效率。

一种酒精制作生产用蒸馏装置

NºPublicación:  CN223988129U 13/03/2026
Solicitante: 
湖北景源生物科技股份有限公司
CN_223988129_U

Resumen de: CN223988129U

本实用新型公开了一种酒精制作生产用蒸馏装置,涉及酒精生产技术领域,包括加热炉,所述加热炉的中间设置有蒸馏罐,所述蒸馏罐的顶部设置有顶盖,且顶盖的中间设置有搅拌组件,搅拌组件包括驱动电机,所述驱动电机的底部设置有旋转杆,且旋转杆的外部设置有安装环与支撑臂,所述支撑臂的一端设置有刮动板与弧形刮板,且支撑臂的外壁上设置有安装框与连接杆,所述连接杆的外壁上设置有搅拌桨。本实用新型通过设置的搅拌组件实现对蒸馏罐内部的发酵料的搅动,通过设置的驱动电机带动旋转杆与支撑臂进行旋转,使刮动板与弧形刮板进行对粘黏在蒸馏罐内壁上的发酵料的刮取,防止靠近蒸馏罐内壁的发酵料温度过高,影响加热均匀度。

GENETICALLY MODIFIED YEAST FOR PRODUCTION OF NON-ALCOHOLIC BEVERAGES

NºPublicación:  AU2024332297A1 12/03/2026
Solicitante: 
BERKELEY FERMENTATION SCIENCE INC
BERKELEY FERMENTATION SCIENCE INC
AU_2024332297_PA

Resumen de: WO2025049654A2

Provided herein are genetically modified yeast cells that comprise genetic modifications to reduce sensory detection of one or more wort-associated off-flavors of a fermented beverage and the cell is not capable of converting maltose and/or maltotriose to ethanol. Also provided are methods of producing fermented products (e.g., non-alcoholic fermented beverages) using the genetically modified yeast cells described herein.

PROCESS FOR CONVERTING POMACE DERIVED FROM WINERIES INTO A FOOD INGREDIENT AND PRODUCT

NºPublicación:  US20260068914A1 12/03/2026
Solicitante: 
CRUSH DYNAMICS INC [CA]
CRUSH DYNAMICS INC
US_20260068914_PA

Resumen de: US20260068914A1

A process for converting pomace derived from the production of fruit wine into a nutrient-rich food product, and a product made by said process. The process comprises milling the pomace, carrying out an anaerobic ethanolic fermentation in an anaerobic fermenter by adding yeast and optionally sugars to produce ethanol; carrying out an aerobic acetic acid fermentation in an aerobic fermenter by adding acetic acid bacteria to produce acetic acid, shearing the acetic acid pomace to produce a raw puree; and further processing the raw puree into a puree or powder. The process can be used to produce a product that qualifies for Kosher certification. The nutrient-rich product can be used as an ingredient in foods as a flavour, texture and color enhancer, to mask bitter flavours or off-notes, as a preservative, to fortify processed foods.

BIOETHANOL PRODUCTION FROM WASTE USING ENZYMES

NºPublicación:  EP4705496A2 11/03/2026
Solicitante: 
HALL PHILIP [GB]
Hall, Philip
CN_121443746_A

Resumen de: AU2024267388A1

The invention relates to a method for treating waste material. The method comprises the steps of: a. converting the waste material into a slurry, e.g., by adding water; b. adding enzymes to the slurry and allowing the enzymes to extract sugars from the slurry by enzyme saccharification; c. separating the liquid content of the slurry from the solid waste content to give a liquid; d. converting the liquid to an ethanol-water mixture; and e. concentrating or separating the ethanol-water mixture to give ethanol. An apparatus for treating waste material according to the method is also provided..

METHOD FOR PRODUCING HIGH ENERGY DENSITY CO2-DEPLETED WOOD FUELS

NºPublicación:  EP4707362A1 11/03/2026
Solicitante: 
PROFAGUS GMBH [DE]
ProFagus GmbH
EP_4707362_A1

Resumen de: EP4707362A1

Die Erfindung betrifft die Herstellung von CO<sub>2</sub>-armen Holzbrennstoffen (z.B. Holzpellets oder Holzbriketts) mit hoher Energiedichte durch die Zugabe von Kohlestaub, wie z.B. Holz-, Stein- oder Braunkohlenstaub, während des Produktionsverfahrens.

一种环保颗粒燃料生产用转运车

NºPublicación:  CN223982542U 10/03/2026
Solicitante: 
罗源县长盛新能源科技有限公司
CN_223982542_U

Resumen de: CN223982542U

本实用新型公开了一种环保颗粒燃料生产用转运车,具体涉及转运车技术领域,包括车架、底座和移动轮,所述车架右侧的顶端安装有扶手,所述车架的左侧设置有转动式料筒组件,所述转动式料筒组件包括定位架、料筒主体、锁紧台、锁紧孔、锁紧栓、手轮、摩擦片、加料管以及密封帽,所述车架的左侧安装有定位架,所述定位架的内侧活动安装有料筒主体,所述料筒主体的顶端固定有加料管。本实用新型通过设置有料筒主体,料筒主体活动安装在定位架的内侧进行使用,取下密封帽,借助加料管,可将燃料放入至料筒主体内,通过螺纹安装密封帽,可对加料管处密封,防止在转移过程中,燃料洒落,实现了该转运车转移燃料时的稳定性。

一种高水分生物质除水装置

NºPublicación:  CN223985477U 10/03/2026
Solicitante: 
国家能源集团乐东发电有限公司
CN_223985477_U

Resumen de: CN223985477U

本实用新型公开了一种高水分生物质除水装置,属于高水分生物质除水设备技术领域,本实用新型包括:受力墙,所述受力墙顶部安装有入料槽,所述受力墙中心设置有碾压件,且受力墙内壁与碾压件外壁之间存在均匀间隙;排料防飞溅上组件,所述排料防飞溅上组件安装于受力墙底端;排料防飞溅下组件。本实用新型可以将哈密瓜藤蔓、西瓜藤蔓、红薯藤蔓等高水分生物质收集后,集中处理这些水分含量高的物料,将高水分生物质从入料槽放入设备,在重力和碾压件的牵引下物料不断下降,进入碾压件和受力墙之间,在旋转轴的带动下,碾压件对物料进行挤压从而析出其中大量的水分,实现物料与水的分离,有利于下一步物料的处理和水资源的回收再利用。

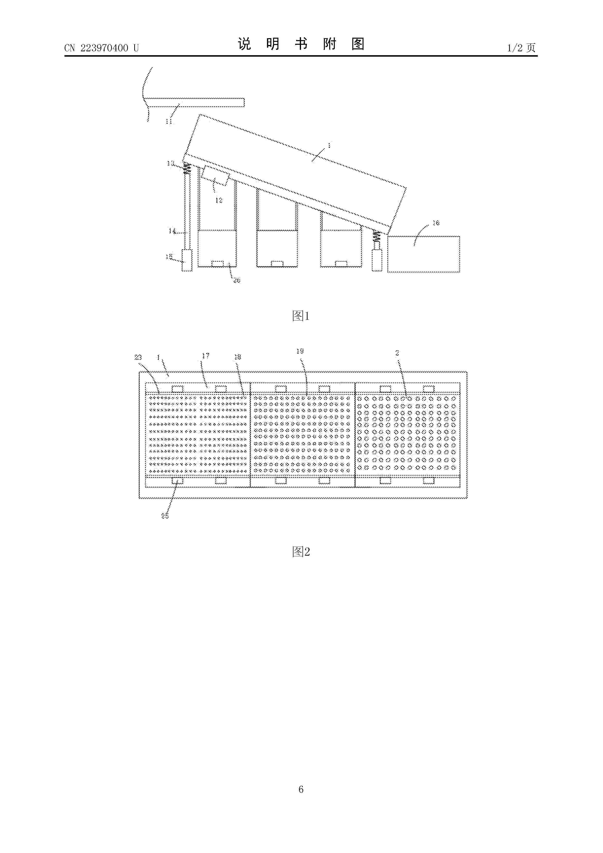
一种秸秆颗粒燃料冷却筛选装置

NºPublicación:  CN223970400U 06/03/2026
Solicitante: 
天津市恒盛兴旺生物科技股份有限公司
CN_223970400_U

Resumen de: CN223970400U

本实用新型公开了一种秸秆颗粒燃料冷却筛选装置,包括倾斜设置的框架,所述框架上安装有振动电机,所述框架的两端底部通过支撑弹簧连接有不同高度的支撑柱,所述支撑柱的底部设置有液压缸,所述框架的内部设置有用于安装筛选组件的连接板,所述筛选组件包括依次横向布置且筛孔直径依次变大的第一筛网机构、第二筛网机构和第三筛网机构,所述第一筛网机构、第二筛网机构和第三筛网机构均包括可拆卸的外壳体和挡板。本实用新型结构设计科学合理,可以对框架的放置角度进行调节,以满足不同情况下的筛分需求,采用多级分布的筛分机构,能够达到对物料进行连续高效筛分的目的,使得筛选机构可以快速拆卸和安装,从而便于清理和维护。

生物质热解流化床装置

NºPublicación:  CN223974051U 06/03/2026
Solicitante: 
衢州市沃德仪器有限公司
CN_223974051_U

Resumen de: CN223974051U

本实用新型公开了生物质热解流化床装置,包括热解反应单元、生物质进料单元、催化裂化反应单元和产物收集单元,热解反应单元用于物料进行热解反应,热解反应单元连接有气体进料单元,生物质进料单元与热解反应单元连接,生物质进料单元设有定量输送模块,通过定量输送模块使生物质进料单元向热解反应单元中定量输送物料,催化裂化反应单元与热解反应单元连接,催化裂化反应单元用于物料进行催化裂化反应,产物收集单元与催化裂化反应单元连接,产物收集单元用于收集产物,通过在生物质进料单元与热解反应单元之间设有定量输送模块,通过定量输送模块控制物料向热解反应单元中的输送,从而实现物料的持续、可控的进料。

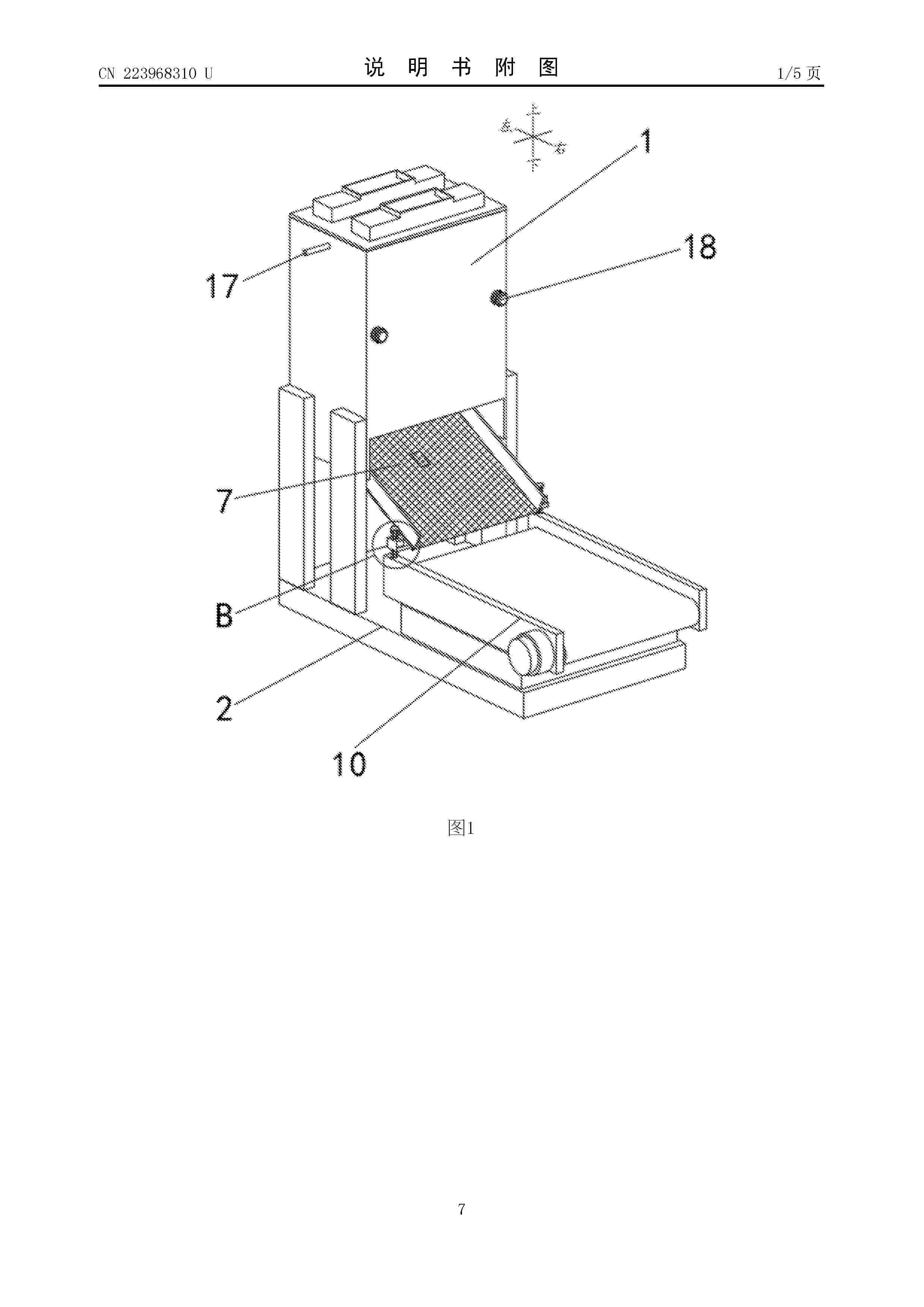
一种玉米秸秆生物炭制备装置

NºPublicación:  CN223968310U 06/03/2026
Solicitante: 
杭州市农业科学研究院
CN_223968310_U

Resumen de: CN223968310U

本实用新型涉及一种玉米秸秆生物炭制备装置,包括破碎箱和固定安装于破碎箱底部的支撑架,所述破碎箱的内部设置有玉米秸秆粉碎机构,所述破碎箱的底部设置有沙土分离结构,所述沙土分离结构包括固定安装于破碎箱内壁左侧的四个侧块。该玉米秸秆生物炭制备装置,通过侧块和支撑杆将左侧支板和金属网的左侧端限制在破碎箱内活动,T杆将右侧支板和金属网的右侧端限制在输送带顶部活动;振动电机带动金属网振动,破碎机构将玉米秸秆粉碎后落在振动的金属网上,有效筛除了秸秆中携带的沙土,提高生物质炭的品质;最终,玉米秸秆经过倾斜安装的金属网过滤后落在输送带上,输送带运行将其输送至下一制备环节。

一种高效食醋反应装置

NºPublicación:  CN223974070U 06/03/2026
Solicitante: 
镇江市恒兴醋业有限公司
CN_223974070_U

Resumen de: CN223974070U

本实用新型公开了一种高效食醋反应装置,包括:反应罐,反应罐顶部设有进料口和温度计,反应罐底部设有出料口,反应罐四周设有中空部,中空部设有加热装置,加热装置包括设置于中空部上侧的第一加热盘管和设置于中空部下侧的第二加热盘管;设置于反应罐内中部的搅拌轴,搅拌轴中间设有滴液通道,搅拌轴上设有搅拌装置,搅拌装置包括设置于搅拌轴上的顺时针螺旋的第一螺旋叶片和设置于搅拌轴上且与第一螺旋叶片反向螺旋的第二螺旋叶片。本实用新型通过设置第一加热盘管和第二加热盘管,实现快速加热,并且当原料过少,可关闭第二加热盘管,减少能源浪费,通过设置搅第一螺旋搅拌叶片和第二螺旋搅拌叶片,使反应罐内加热更加均匀,不会出现局部反应不充分的情况出现。

一种富氢气氛下生物质焦油裂解装置

NºPublicación:  CN223974047U 06/03/2026
Solicitante: 
沈阳氢洁能源科技有限公司
CN_223974047_U

Resumen de: CN223974047U

本实用新型公开了一种富氢气氛下生物质焦油裂解装置,涉及生物质焦油裂解技术领域,包括反应罐体,所述反应罐体上端中部转动设有安装管,所述安装管上设有若干个进气口,所述进气口内均固定设有过滤网板,所述反应罐体内部上端设有清理机构,所述安装管上转动设有转动连接管,所述安装管底端设有翻料机构。本实用新型通过在安装管上若干个进气口处均设置过滤网板,使得便于对裂解后的气体中杂质进行过滤,通过设置传输管和螺旋板,使得便于对反应罐体内部底端裂解物料进行循环翻料。

GENETICALLY MODIFIED YEAST AND FERMENTATION PROCESSES FOR THE PRODUCTION OF ETHANOL

NºPublicación:  WO2026049933A1 05/03/2026
Solicitante: 
CARGILL INC [US]
CARGILL, INCORPORATED
WO_2026049933_A1

Resumen de: WO2026049933A1

Disclosed herein are genetically engineered yeast cells capable of producing ethanol. The genetically engineered yeast cells comprise an exogenous polynucleotide sequence encoding an alpha-amylase enzyme and an exogenous polynucleotide sequence encoding a pullulanase enzyme. Also disclosed herein are fermentation methods to produce ethanol using the genetically engineered cells described herein.

SYSTEMS AND METHODS FOR CONVERSION OF A BIOMASS INTO BIOFUEL USING A GEOTHERMAL HEAT SOURCE

NºPublicación:  US20260062656A1 05/03/2026
Solicitante: 
BLUE EVOLUTION INC [US]
Blue Evolution Inc
US_20260062656_PA

Resumen de: US20260062656A1

A system for converting a biomass into a biofuel including a biomass processing station arranged to receive the biomass from a biomass harvester, output the biomass to a hydrothermal liquefaction (HTL) converter, and receive a processed biomass from the HTL converter. The system includes a conduit arranged to transport the biomass from the biomass processing station to the HTL converter and transport the processed biomass from the HTL converter to the biomass processing station. The HTL converter includes a heat exchanger arranged to transfer thermal energy from a geothermal heat source to the biomass to convert the biomass into the processed biomass. The system also includes a controller arranged to monitor conditions of the biomass at locations along the conduit and adjust operations of components along the conduit to, thereby, adjust the conditions of the biomass at one or more locations along the conduit.

PROCESSES AND SYSTEMS FOR BIOLOGICAL HYDROGEN AND ETHANOL PRODUCTION FROM ORGANIC MATERIAL USING YEAST

NºPublicación:  WO2026050535A1 05/03/2026
Solicitante: 
PURDUE RESEARCH FOUNDATION [US]
PURDUE RESEARCH FOUNDATION
WO_2026050535_PA

Resumen de: WO2026050535A1

Processes and systems for biologically producing hydrogen gas and ethanol from organic material, including food waste. During an initial phase of the process, hydrogen is predominantly produced. By selectively altering process parameters, in particular, reducing temperature, increasing pH, and altering composition, the process can be switched to predominantly producing ethanol and possibly also butanol. Such a process includes biologically producing hydrogen gas and ethanol and optionally butanol from organic material by anaerobic fermentation of the organic material with at least one strain of yeast.

廃棄物から作られたブリケット

NºPublicación:  JP3254965U 05/03/2026
Solicitante: 
ベルネッガーゲゼルシャフトミットベシュレンクテルハフツング
EP_4471112_PA

Resumen de: ZA202212654B

The invention relates to a process for producing briquettes (1), to a briquette (1) made of a waste material (2) and to the use of a briquette (1) in the process according to the invention. The process provides for providing a waste material (2) comprising at least one metal (3) and at least one organic material (4). It comprises performing a single- or multistage mechanical workup of the waste material (2) and a separation of at least one first fraction (5) from the waste material (2). A briquette mixture (6) containing the at least one first fraction (5) is produced, wherein the at least one first fraction (5) has a heating value of 0 MJ/kg to 30 MJ/kg. A heating value of the briquette mixture (6) is adjusted by varying at least the first fraction (5). The briquette mixture (6) is introduced into a briquetting apparatus (7) and pressed into briquettes (1) therein. This affords briquettes (1) having a heating value of 5 MJ/kg to 30 MJ/kg and having a maximum copper proportion of 0.1% by weight to 20% by weight.

Process for Producing Low-CO2 Wood Fuels With High Energy Density

NºPublicación:  US20260062637A1 05/03/2026
Solicitante: 
PROFAGUS GMBH [DE]
proFagus GmbH
US_20260062637_A1

Resumen de: US20260062637A1

The production of low-CO2 wood fuels (for example, wood pellets or wood briquettes) with high energy density by adding coal dust, such as wood, stone, or lignite dust, during the production process.

PROCESSES FOR RECOVERING PRODUCTS FROM A SLURRY

NºPublicación:  US20260062719A1 05/03/2026
Solicitante: 
POET GRAIN OCTANE LLC [US]
POET Grain (Octane), LLC
US_20260062719_PA

Resumen de: US20260062719A1

Improved processes and systems for recovering products from a corn fermentation mash. In some examples, a process recovers an oil product, a protein meal product, and a fiber product from a slurry. A process includes the following steps: introducing the slurry into a device with a flexible screen and mechanical agitation to produce a filtrate and a fibrous solid stream; and introducing the filtrate into a three-phase centrifuge to produce an oil stream, a high protein solids stream, and a water with solubles stream. The flexible screen includes a washing nozzle. The slurry is whole stillage from an ethanol process. The three-phase centrifuge is a three-phase decanter. The filtrate is heated before introducing into the three-phase centrifuge. The filtrate is optionally evaporated before introducing into the three-phase centrifuge.

Enhanced Distillate Oil Recovery from Thermal Processing and Catalytic Cracking of Biomass Slurry

NºPublicación:  US20260062625A1 05/03/2026
Solicitante: 
WASTE TO FUELS INC [CA]
Waste to Fuels Inc
US_20260062625_PA

Resumen de: US20260062625A1

A method for thermal processing and catalytic cracking of a biomass to effect distillate oil recovery can include particle size reduction, slurrying the biomass with a carrier fluid to create a reaction mixture, slurrying a catalyst with a carrier fluid to create a catalyst slurry, heating the reaction mixture and/or the catalyst slurry, and depolymerizing the reaction mixture with the catalyst. The reaction mixture can undergo distillation and fractionation to produce distillate fractions that include naphtha, kerosene, and diesel. In some embodiments, thermal processing and catalytic cracking includes vaporization of the biomass followed by distillation and fractionation. In some embodiments, a resulting distillate can be used as a carrier fluid. In some embodiments, the method can include desulfurization, dehydration, and/or decontamination.

PROCESS OF ALCOHOLIC FERMENTATION OF STARCHY SUBSTRATES WITH ELIMINATION OF THE YEAST PROPAGATION STEP, AND WITHOUT THE USE OF SEPARATOR CENTRIFUGES

NºPublicación:  US20260062653A1 05/03/2026
Solicitante: 
GODOY ALEXANDRE [BR]
FERREIRA GUILHERME MARENGO [BR]
GODOY Alexandre,
FERREIRA Guilherme Marengo
US_20260062653_PA

Resumen de: US20260062653A1

An alcoholic fermentation process that eliminates the yeast propagation step and dispenses with the use of separator centrifuges. An objective is to remove the yeast propagation step in ethanol production processes based on starchy substrates, resulting in reduced fermentation time, improved fermentation yield, and significant reductions in operating costs, particularly regarding the daily acquisition of yeasts.

Verfahren zur Herstellung von CO2-armen Holzpellets mit hoher Energiedichte

Nº publicación: DE102024125512A1 05/03/2026

Solicitante:

PROFAGUS GMBH [DE]
proFagus GmbH

DE_102024125512_A1

Resumen de: DE102024125512A1

Die Erfindung betrifft die Herstellung von CO2-armen Holzpellets mit hoher Energiedichte durch die Zugabe von Kohlestaub, wie z.B. Holz-, Stein- oder Braunkohlenstaub, während des Produktionsverfahrens.

traducir