Ministerio de Industria, Turismo y Comercio LogoMinisterior
 

Alerta

Resultados 388 resultados
LastUpdate Última actualización 26/04/2026 [07:20:00]
pdfxls
Solicitudes publicadas en los últimos 60 días (excluida automoción) / Applications published in the last 60 days (Automotion publications excluded)
previousPage Resultados 325 a 350 de 388 nextPage  

用于具有全环绕栅极晶体管和二极管器件的背侧功率输送的绝缘体上硅集成

NºPublicación:  CN121751755A 27/03/2026
Solicitante: 
英特尔公司
CN_121751755_PA

Resumen de: EP4718994A1

0001 Devices, transistor structures, systems, and techniques are described herein related to silicon on insulator (SOI) substrate integration for gate all around field effect transistors and diode devices. An integrated circuit die includes a diode device having a semiconductor layer, which is on an insulator layer of the SOI substrate, and an integrated gate all around field effect transistor fabricated within a well in the semiconductor layer to form nanoribbons each within a thickness of the semiconductor layer and absent a device subfin.

含钴正极材料前驱体及其制备方法、正极材料、电池和涉电设备

NºPublicación:  CN121735311A 27/03/2026
Solicitante: 
湖南中伟新能源科技有限公司中伟新材料股份有限公司
CN_121735311_PA

Resumen de: CN121735311A

0001 本申请属于电池领域,尤其涉及一种含钴正极材料前驱体及其制备方法、正极材料、电池和涉电设备。本申请提供的一种含钴正极材料前驱体,化学式为xCoOOH·(1‑x)/3Co<3>O<4>·yM(OH),其中,0.436≤x<1,0≤y≤0.1,2≤z≤4,掺杂金属元素M为Al、Mg、Ti、Zr、Mo、Cr、Ba、Nb与Sr中的至少一种,CoOOH为γ晶型。本申请提供的含钴正极材料前驱体可以提高对正极材料包覆效果,以促使制备得到的电池的电化学性能获得有效提高。

一种锂空气电池用碲化铋/碲化锑异质结正极催化剂及其制备方法

NºPublicación:  CN121748412A 27/03/2026
Solicitante: 
山东大学
CN_121748412_PA

Resumen de: CN121748412A

本发明公开了一种锂空气电池用碲化铋/碲化锑异质结正极催化剂及其制备方法、锂空气电池,属于锂空气电池技术领域。本发明所述的锂空气电池用碲化铋/碲化锑异质结正极催化剂包括碲化铋/碲化锑纳米片,所述碲化铋/碲化锑纳米片由碲化锑在碲化铋表面外延生长形成横向异质结而得,将其作为锂空气电池的正极催化剂时能够提高电池的比容量,降低过电位,提高循环稳定性,即使在空气环境下,锂空气电池在500mA/g的首次放电容量仍可达到8000mAh/g以上,同时在1000mA/g的高电流密度、500mAh/g的截止容量下,可以循环350圈以上,保持了优异的循环性能。

一种双金属氧化物的制备方法及应用

NºPublicación:  CN121737758A 27/03/2026
Solicitante: 
中国科学院过程工程研究所
CN_121737758_PA

Resumen de: CN121737758A

本发明公开了一种双金属氧化物的制备方法及应用。该方法将金属盐、盐酸和泡沫金属进行水热反应得到负载在泡沫金属上的前驱体普鲁士蓝类似物前驱体,之后以上述前驱体为模板,经退火制得负载在泡沫金属上的双金属氧化物。由于普鲁士蓝类似物对材料形貌、表面性质的调节以及活性位点的调配和协同,和三维泡沫金属骨架的良好机械性能和导电性,将其作为催化剂用于电催化甘油氧化反应中,具有较小的起始电位和低的Tafel斜率,并且具有良好的稳定性和甲酸选择性。

导电材料分散液、包含该导电材料分散液的电极浆料及包含该电极浆料的锂二次电池

NºPublicación:  CN121748037A 27/03/2026
Solicitante: 
SK\u65B0\u6280\u672F\u682A\u5F0F\u4F1A\u793E
CN_121748037_PA

Resumen de: EP4718541A1

A conductive material dispersion liquid according to embodiments of the present disclosure includes a conductive material including carbon nanotubes; a first dispersant including a cellulose polymer; and a second dispersant including a polyethylene oxide polymer. The dispersibility of a conductive material dispersion liquid including both the first dispersant and the second dispersant may be improved, and resistance characteristics of a secondary battery may be improved.

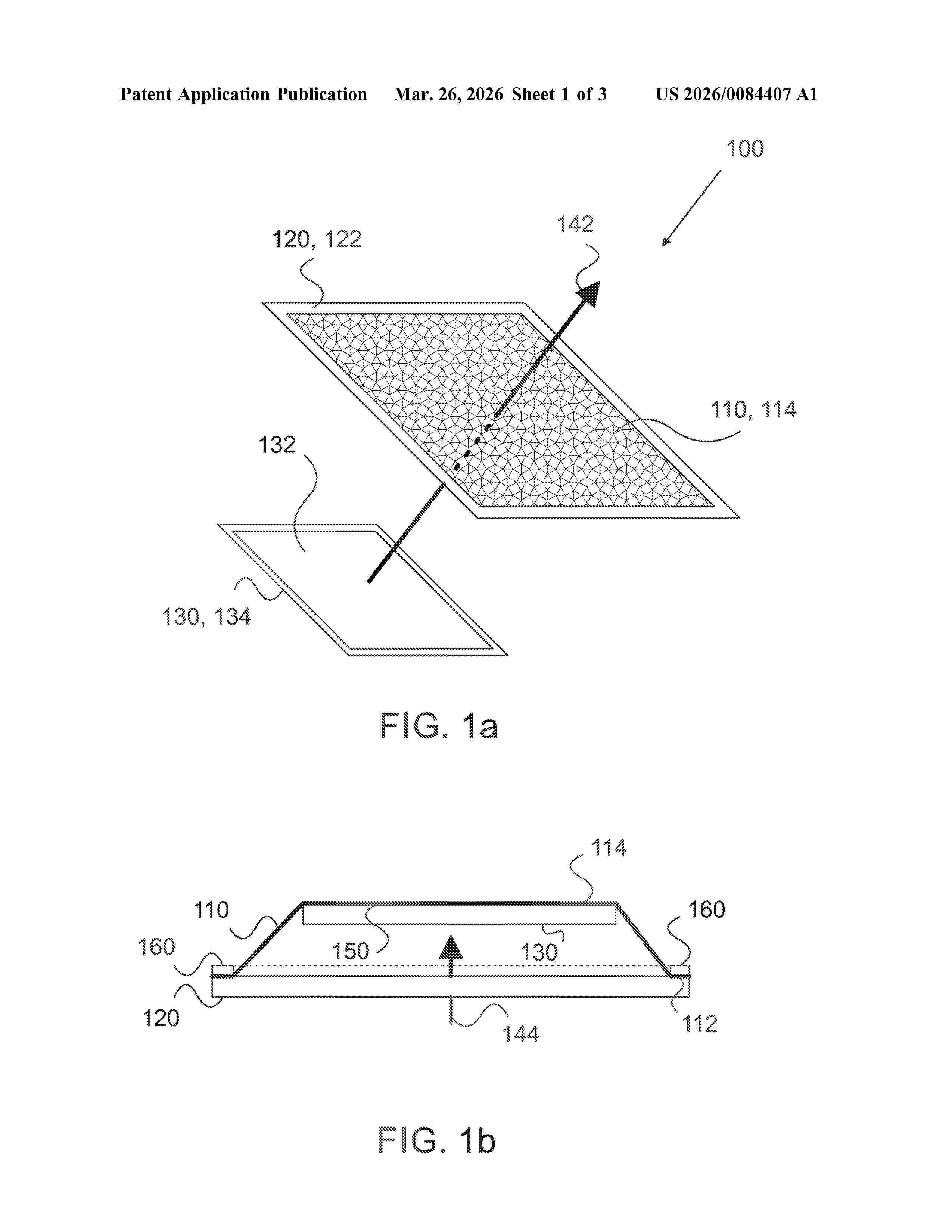
HARM METHOD OF PREPARING FREE-STANDING FILM OF HARM-STRUCTURES AND APPARATUS

NºPublicación:  KR20260041657A 27/03/2026
Solicitante: 
카나투핀란드오와이
US_20260084407_A1

Resumen de: US20260084407A1

A method of preparing a free-standing film of high aspect ratio molecular structures (HARM-structures) includes arranging a second frame from an opening of a first frame to a position where the second frame is in contact with a film of HARM-structures for stretching the film into a stretched position where the second region of the film is supported by the second frame as the free-standing film. An evaporating wetting agent forms a contact surface between the second frame and the second region of the film. The film is in the stretched position at a moment when the evaporating wetting agent evaporates so that the second region of the film adheres to the second frame. The second region of the film is separated from the first frame.

将大黄素与高密度脂蛋白类似物联用作为制备药物的新用途

NºPublicación:  CN121731450A 27/03/2026
Solicitante: 
中国中医科学院中医基础理论研究所
CN_121731450_PA

Resumen de: CN120570996A

The invention discloses a novel application of emodin and a high-density lipoprotein analogue in preparation of a medicine for treating brain nerve injury, and the high-density lipoprotein analogue comprises apolipoprotein A-1 single mimetic peptide and natural phospholipid. The invention has the advantages of long-term stability and no immunogenicity and organ toxicity risk, thereby providing a clinically convertible solution for precise treatment of nerve injury.

肥料组合物

NºPublicación:  CN121752539A 27/03/2026
Solicitante: 
天然植物防护有限公司
CN_121752539_A

Resumen de: WO2025003952A1

The present invention relates to an agricultural composition comprising a nutrient particle, preferably a plant nutrient particle, one or more plant extracts, and a stabilizer. In particular, the present invention relates to fertilizer composition comprising a plurality of nutrient nanoparticles prepared using plant extracts as a size reducing agent. The present invention also relates to the methods of preparing said compositions and methods of using the same.

磷酸焦磷酸铁钠正极材料及其制备方法、正极和钠离子电池

NºPublicación:  CN121735232A 27/03/2026
Solicitante: 
苏州清陶新能源科技有限公司
CN_121735232_PA

Resumen de: CN121735232A

本发明涉及一种磷酸焦磷酸铁钠正极材料及其制备方法、正极和钠离子电池。磷酸焦磷酸铁钠正极材料的制备方法包括以下步骤:基于Na4Fe3(PO4)2P2O7的化学计量比,将铁源、钠源和磷源分散于水中,并加入碳源,形成固液混合浆料;对固液混合浆料进行砂磨处理,同时在砂磨过程中逐渐加入刻蚀剂溶液,得到悬浮浆料,刻蚀剂溶液包括柠檬酸溶液、草酸溶液、抗坏血酸溶液和苹果酸溶液中的至少一种;将悬浮浆料进行喷雾干燥,得到前驱体粉末;在惰性气氛下对前驱体粉末进行烧结处理,得到磷酸焦磷酸铁钠正极材料。本发明的磷酸焦磷酸铁钠正极材料的制备方法,通过在砂磨过程中动态、逐渐地加入弱酸刻蚀剂,有效减少杂相的产生。

一种基于多壁碳纳米管负载的高熵合金催化剂及其制备方法和应用

NºPublicación:  CN121737757A 27/03/2026
Solicitante: 
中国科学院上海高等研究院
CN_121737757_PA

Resumen de: CN121737757A

本发明公开了一种基于多壁碳纳米管负载的高熵合金催化剂及其制备方法和应用,所述高熵合金催化剂由多壁碳纳米管载体以及负载于所述多壁碳纳米管载体表面的高熵合金纳米颗粒组成;所述高熵合金纳米颗粒以Fe、Co、Ni、Pt、In五种金属元素为组元,形成热力学稳定的FeCoNiPtIn高熵合金固溶体相;所述高熵合金纳米颗粒通过化学键合锚定在载体表面,具有d‑p/d‑d/sp杂化形成的离域电子结构。根据本发明方法制备的催化剂在析氢反应中表现出卓越的活性和耐久性,能够实现长期稳定运行,为电解水析氢反应的大规模工业化推广提供了性能可靠、制备高效的优质技术方案。

一种顺丁烯二酸浸取电石渣CO2间接矿化可控制备纳米碳酸钙的方法

NºPublicación:  CN121735289A 27/03/2026
Solicitante: 
贵州大学
CN_121735289_PA

Resumen de: CN121735289A

0001 本发明公开了一种顺丁烯二酸浸取电石渣CO<2>间接矿化可控制备纳米碳酸钙的方法,该方法首先将电石渣与顺丁烯二酸浸取剂混合,搅拌反应过滤后得到富钙浸取液,然后向富钙浸取液中加入pH调整剂调节pH值,陈化后通入CO<2>气体持续搅拌反应,最后终止反应进行固液分离得到纳米碳酸钙;该方法以顺丁烯二酸作为电石渣浸取剂通过两步式间接矿化工艺制备纳米碳酸钙,所用浸取剂绿色环保,能强化钙离子的浸出,并且解决了现有电石渣制备碳酸钙工艺中产品碳酸钙的粒度分布不均匀、电石渣中杂质分离不彻底的问题,矿化工艺简单,浸取‑矿化周期短,适合纳米碳酸钙的规模化工业生产。

一种基于磷化工废渣梯级分离联产白炭黑、纳米碳酸钙及硫酸钙晶须的方法

NºPublicación:  CN121735262A 27/03/2026
Solicitante: 
四川思达能环保科技有限公司成都思达能环保设备有限公司
CN_121735262_PA

Resumen de: CN121735262A

本发明涉及磷化工废渣资源化利用技术领域,具体涉及一种基于磷化工废渣梯级分离联产白炭黑、纳米碳酸钙及硫酸钙晶须的方法。该方法解决了现有技术中磷渣资源利用率低、酸碱介质无法闭路循环及废水排放量大的问题。其技术方案包括:将磷渣粉与硝酸酸解分离钙、硅组分;酸解液净化后与硫酸反应制备硫酸钙晶须,再生硝酸循环用于酸解;活性硅渣碱溶后碳化制备白炭黑,母液苛化制备纳米碳酸钙,再生碱液循环用于碱溶;白炭黑滤饼中和后副产元明粉。本方法实现了磷渣中钙、硅组分的梯级高值化利用及酸、碱介质的双独立闭路循环,显著降低了生产成本和环保压力。

一种N-CDs荧光探针及其制备方法和应用

NºPublicación:  CN121736747A 27/03/2026
Solicitante: 
深圳大学
CN_121736747_PA

Resumen de: CN121736747A

本发明属于荧光探针技术领域,具体公开了一种N‑CDs荧光探针及其制备方法和应用,荧光探针通过对苯二胺和L‑酒石酸,采用一步水热法制备。本发明涉及一种具有双光子吸收特性、并可同时特异性靶向活细胞内的细胞核与脂滴细胞器,从而实现双色、双靶向荧光成像的碳量子点探针。该探针在活细胞长时间动态观测、多细胞器互作研究及深层组织成像方面具有重要应用价值。

电催化复合电极及其制备方法和应用

NºPublicación:  CN121737771A 27/03/2026
Solicitante: 
中国石油化工股份有限公司中石化石油化工科学研究院有限公司
CN_121737771_PA

Resumen de: CN121737771A

0001 本公开涉及一种电催化复合电极及其制备方法和应用,该电催化复合电极包括基底和负载于所述基底表面的复合层,其中,所述复合层含有碳纳米管和含氮聚合物,所述碳纳米管与所述含氮聚合物的重量比为(1~10):1。该电催化复合电极可替代传统铅电极应用于电催化还原顺丁烯二酸合成丁二酸反应中,有利于增强催化反应活性,提高电流效率、丁二酸收率和选择性,是一种高效节能的电催化电极材料,具有良好的工业化应用前景。

一种高密度铁-氮-碳单原子催化剂及其制备方法与应用

NºPublicación:  CN121748417A 27/03/2026
Solicitante: 
南通大学
CN_121748417_PA

Resumen de: CN121748417A

本发明公开了一种高密度铁‑氮‑碳单原子催化剂的制备方法及应用,方法具体为:S1:将氮掺杂碳与草酸亚铁均匀混合;S2:在惰性气氛中,在340‑360℃进行第一次热解反应,获得中间体,同时反应产生了CO2气体对碳载体进行刻蚀,从而使碳载体形成若干微孔结构;S3:将中间体继续在惰性气氛中在850‑950℃中进行第二次热解反应,使FeOx纳米颗粒转化为Fe‑N4活性位点,获得热解产物;S4:自然冷却至室温,得到高密度铁‑氮‑碳单原子催化剂。通过前驱体生成超细氧化铁(FeOx)纳米颗粒作为中间体,并利用其分解过程中释放的CO2气体创造碳缺陷,从而显著提升催化剂的氧还原反应性能,应用于燃料电池。

一种硼发射极钝化结构及其制备方法

NºPublicación:  CN121751818A 27/03/2026
Solicitante: 
中科研和(宁波)科技有限公司
CN_121751818_PA

Resumen de: CN121751818A

0001 本发明提供一种硼发射极钝化结构及其制备方法,钝化结构包括硼发射极,所述硼发射极的成分包括硅、硼、碳和氢,所述硼发射极表面设有纳米氧化硅层,所述硼发射极包括电注入区和掺杂区,所述电注入区对应位置设有导电层,所述导电层用于连接金属电极,所述掺杂区对应位置设有钝化减反层,所述掺杂区的碳浓度高于所述电注入区的碳浓度。本发明采用分区钝化技术,在硼发射极的掺杂区引入碳元素,可以实现优异的钝化效果,降低表面复合;电注入区不进行碳掺杂,且不设置钝化膜,有利于提高金属电极的接触电阻率;电注入区引入导电通道,用于进行电注入,可以进一步消除硼发射极的缺陷态,降低复合电流。

一种基于MPCVD的嵌套式多晶金刚石复合膜制备方法

NºPublicación:  CN121737840A 27/03/2026
Solicitante: 
超硬材料产业技术研究院河南省科学院激光制造研究所
CN_121737840_A

Resumen de: CN121737840A

本发明属于化学气相沉积金刚石膜制造技术领域,具体涉及一种基于MPCVD的嵌套式多晶金刚石复合膜制备方法。本发明所述方法包括分步梯度生长、嵌套式集成工艺等步骤。本发明通过微波等离子体化学气相沉积(MPCVD)分步生长微米级高硬度层与纳米级功能层,并通过嵌套式集成实现多功能一体化的金刚石复合膜的制备方法,能够实现在同一金刚石膜上不同区域具备不同功能。本发明基于MPCVD工艺的极限调控能力与嵌套式结构设计,突破了现有金刚石复合膜在界面结合、生长效率及功能复用方面的瓶颈,为高性能金刚石器件的工业化应用提供了创新解决方案。本发明所述方法适用于复合刀具、光学窗口、MEMS传感器等需局部精密功能的耐磨器件。

一种靶向MMP-9的MRI纳米探针及其制备方法和应用

NºPublicación:  CN121731506A 27/03/2026
Solicitante: 
中国人民解放军陆军军医大学第二附属医院
CN_121731506_PA

Resumen de: CN121731506A

0001 本发明公开了一种靶向MMP‑9的MRI纳米探针及其制备方法和应用,该靶向MMP‑9的MRI纳米探针,所述纳米探针以Gd‑ACC‑MAP表示,包含无定型碳酸钙和共价连接在其表面的适配体,所述碳酸钙掺杂有钆,所述适配体具有如SEQ ID NO:1所示的核甘酸序列。该MRI纳米探针可以用于动脉瘤的早期诊断及其破裂风险的评估。

一种B、N共掺杂双发射比率型荧光碳量子点荧光探针的制备及其在莠去津检测中的应用

NºPublicación:  CN121736744A 27/03/2026
Solicitante: 
中国农业科学院植物保护研究所天津工业大学
CN_121736744_PA

Resumen de: CN121736744A

0001 本发明公开了一种B、N共掺杂双发射比率型荧光碳量子点荧光探针的制备及其在莠去津检测中的应用,属于纳米功能材料及荧光分析检测技术领域。所述荧光碳量子点荧光探针制备时的最佳反应温度为160℃,最佳加热时间为5 h,最佳原料配比为3‑CPBA:PPD=2:1,最佳pH为8。其检测莠去津的浓度范围是0.15‑600 μg/L,I660/I380比值与莠去津浓度呈现出良好的线性关系,线性拟合方程为:y=0.004莠去津+0.29,检出限为0.187 μg/L。选择3.5 min作为其检测时间可兼顾效率与准确性。其在实际样品检测中对莠去津具有特异性识别能力且检测效果佳。本发明在莠去津检测领域意义重大。

一种硅碳负极材料及其制备方法与锂离子电池

NºPublicación:  CN121748358A 27/03/2026
Solicitante: 
浙江安高特电科技有限公司
CN_121748358_PA

Resumen de: CN121748358A

0001 本申请实施例提供一种硅碳负极材料及其制备方法与锂离子电池,涉及锂二次电池领域。硅碳负极材料包括:多孔含硅碳骨架、第二硅材料和碳包覆层,多孔含硅碳骨架包括具有多孔结构的碳骨架,以及位于碳骨架内部的第一硅材料,第二硅材料附着于碳骨架的表面和多孔结构内,且第二硅材料与多孔含硅碳骨架共同组成基体,碳包覆层包覆于基体的表面。本申请实施例的硅碳负极材料及其制备方法与锂离子电池的材料中的硅包覆性好且含量高,振实密度较高;电池的容量和首效高,且循环性能好。

一种锌铈双掺杂白藜芦醇碳点的制备方法及应用

NºPublicación:  CN121736742A 27/03/2026
Solicitante: 
铭洋新材料(天津)有限公司
CN_121736742_PA

Resumen de: CN121736742A

0001 本发明涉及一种锌铈双掺杂白藜芦醇碳点的制备方法及应用,以白藜芦醇为碳源,和硝酸铈为掺杂剂,通过可控水热法一步合成锌/铈双掺杂白藜芦醇碳点Zn/Ce‑RCDs。制备得到的锌/铈双掺杂白藜芦醇碳点Zn/Ce‑RCDs具有高生物相容性、抗氧化活性和优异的促血管再生性能,能够用作促血管再生的生物材料或药物。

一种复合纳米材料及其制备方法和应用

NºPublicación:  CN121736749A 27/03/2026
Solicitante: 
德州学院
CN_121736749_PA

Resumen de: CN121736749A

本发明公开了一种复合纳米材料及其制备方法和应用,属于发光复合纳米材料技术领域。复合纳米材料包括发光纳米材料和碳量子点(CDs);发光纳米材料的分子式为Ca5(PO4)3OH:x%Eu3+/y%Tb3+,其中,y%为0%‑90%,x%为0%‑90%,x和y不同时为0。本发明提供的复合纳米材料395nm的激发波长下,590nm和615nm具有红光发射峰;在371nm的激发波长下,453nm具有蓝光发射峰,在490nm和545nm处有绿光发射峰,在590nm和615nm处具有红光发射峰,可实现在防伪、白光LED、温度传感领域的应用,且制备工艺简单、成本低廉,有利于实现工业化大规模生产。

一种高分散米粒状纳米碳酸钙的制备方法

NºPublicación:  CN121735288A 27/03/2026
Solicitante: 
广西华纳新材料股份有限公司
CN_121735288_PA

Resumen de: CN121735288A

0001 本发明公开了一种高分散米粒状纳米钙的制备方法,该方法包括:将生石灰经剪切消化、静置、过滤后得到石灰乳,其中,在消化阶段添加木糖醇作为分散剂;向石灰乳中加入晶型控制剂植酸钠,通入二氧化碳与空气的混合气体,在特定温度与搅拌速度下进行碳酸化反应,至pH值降至7.0~8.5时停止,得到碳酸钙浆料;最后将浆料经脱水、干燥、粉碎,即得米粒状纳米碳酸钙产品。本发明首次实现了纳米级米粒状碳酸钙的可控制备,工艺步骤简洁,反应条件温和,易于操作与控制,产品分散性好、粒径均匀,具有高补强、高流动性等优点,本发明的生产原料易得,工艺可扩展性强,适合规模化生产,具有良好的应用前景。

基于COF模板的非贵金属高熵合金催化剂及制备方法和应用

NºPublicación:  CN121737744A 27/03/2026
Solicitante: 
安徽大学
CN_121737744_PA

Resumen de: CN121737744A

0001 本发明公开了基于COF模板的非贵金属高熵合金催化剂及制备方法和应用,包括以下步骤:步骤一:将至少五种非贵金属元素的金属盐与COF模板进行混合,使金属离子通过物理吸附或化学配位作用负载所述COF模板的孔道及骨架上,得到金属‑COF前驱体;步骤二:在惰性或还原性气氛保护下,对负载了金属离子的COF复合材料进行程序升温热处理;步骤三:冷却至室温,得到最终产物。首次利用具有规则孔道和螯合位点的联吡啶基Tp‑Bpy‑COF作为模板前驱体。在后续热解过程中,COF的限域空间有效阻止了金属原子的迁移和团聚且均匀嵌入碳基体中的高熵合金纳米颗粒。这从根本上解决了传统方法制备高熵合金时颗粒大、分散性差、比表面积低的关键瓶颈。

一种酯交换反应固载催化剂及其制备方法、应用

Nº publicación: CN121732231A 27/03/2026

Solicitante:

惠州市宙邦化工有限公司

CN_121732231_A

Resumen de: CN121732231A

本发明涉及有机合成技术领域,具体涉及一种酯交换反应固载催化剂的制备方法,包括:将乙二胺、柠檬酸混合,反应得到碳化聚合物点;将碳化聚合物点添加至溶剂中,加酸调节pH值,添加1‑乙基‑(3‑甲基氨基丙基)碳二亚胺盐酸盐和N‑羟基丁二酰亚胺进行活化;再加入过量的、总碳数≤5的胺类有机物进行反应,得到碳化聚合物点固体催化剂混合物;纯化后得到碳化聚合物点固体催化剂。本发明通过将CPDs与EDC和NHS进行反应,活化CPDs中的羧酸,再加入胺类有机物与羧基反应成键得到酰胺,形成牢固的化学键;且因其内部具有高度交联的聚合物网络结构,结构中能够产生大量的氢键作用力,应用于催化酯交换反应时,产品杂质含量少。

traducir