Ministerio de Industria, Turismo y Comercio LogoMinisterior
 

Alerta

Resultados 111 resultados
LastUpdate Última actualización 11/03/2026 [07:38:00]
pdfxls
Solicitudes publicadas en los últimos 60 días (excluida automoción) / Applications published in the last 60 days (Automotion publications excluded)
previousPage Resultados 25 a 50 de 111 nextPage  

一种原位生长于纳米纤维的碳纳米管及其制备方法和应用

NºPublicación:  CN121591202A 03/03/2026
Solicitante: 
中国建筑材料科学研究总院有限公司
CN_121591202_PA

Resumen de: CN121591202A

本申请是关于一种原位生长于纳米纤维的碳纳米管及其制备方法和应用,其制备方法的步骤为:将基体材料、分散助剂和过渡金属催化剂与连续相混合均匀,制得静电纺丝液;以静电纺丝液的质量为100%计,基体材料的含量为8%~15%,分散助剂的含量为0.05%~1%,过渡金属催化剂的含量为1%~10%;将静电纺丝液装填进静电纺丝设备的注射器中,进行静电纺丝,获得纳米纤维催化前驱体;将纳米纤维催化前驱体在保护气体氛围下升温至380~450℃;接着通入还原气体,将过渡金属催化剂还原;之后升温至650~750℃,然后通入碳源气体,制得原位生长于纳米纤维的碳纳米管。本申请提供的原位生长制备碳纳米管的方法高效快速、基底适应性高、与基底结合力强。

正极活性材料、及其制备方法、二次电池、电池模块、电池包和用电装置

NºPublicación:  CN121601628A 03/03/2026
Solicitante: 
宁德时代新能源科技股份有限公司
CN_121601628_PA

Resumen de: US2025286064A1

A positive electrode active material, a secondary battery, a battery module, a battery pack, and an electric device. The positive electrode active material is used as a positive electrode active material for a secondary battery, and comprises a carbon material compounded iron-based polyanionic compound and an aluminum-containing oxide, and the iron-based polyanionic compound has the following general formula: Na4Fe3−xMxAly(PO4)2P2O7/C, wherein M comprises a transition metal element, 0≤x≤0.5, and y is greater than 0 and less than 0.2. The positive electrode active material has relatively low residual alkali amount, and the battery has excellent cycle performance and rate capability.

一种富本征缺陷碳材料及其制备方法与应用

NºPublicación:  CN121591199A 03/03/2026
Solicitante: 
辽宁瑞麟氢能科技有限公司
CN_121591199_PA

Resumen de: CN121591199A

本发明公开了一种富本征缺陷碳材料及其制备方法与应用,属于催化剂技术领域,本发明采用的富勒烯或富勒烯衍生物碳笼具有π共轭结构,故分子间存在较强的π‑π相互作用力。本发明以富勒烯或富勒烯衍生物为原料,基于分子间作用力自组装,得到宏观的晶态材料,即富勒烯基凝聚态前驱体,将所述富勒烯基凝聚态前驱体先采用氧气等离子体进行预刻蚀处理,对富勒烯基凝聚态前驱体进行表面改性,再于ZnCl2熔融盐中进行低温预刻蚀处理和高温焙烧的两段式程序升温热处理,赋予富勒烯基凝聚态前驱体五元环拓扑缺陷、边界和曲率的碳本征缺陷,得到富本征缺陷碳材料,这些本征缺陷位点赋予该碳材料良好的电催化性能。

用于耐用的空气阴极的封装过渡金属氧化物纳米棒

NºPublicación:  CN121605087A 03/03/2026
Solicitante: 
圣地亚哥大学
CN_121605087_A

Resumen de: WO2025012300A1

It relates to a material comprising a plurality of nanorods encapsulated within open-ended hollow carbon nanostructures, wherein the plurality of nanorods is composed of either a) a transition metal oxide of the formula AzM'2 yMn1 -xO2 (A), or alternatively, b) a transition metal oxide of the formula M''3m/nM2-mO3 (B), as defined herein, wherein the transition metal oxide of the formula (A) or formula (B) is in an amount from 20 to 60% by weight with respect to the total material weight; and the volume of the nanorods encapsulated within hollow carbon nanostructures is equal to or less than 50% with respect of the total cavity volume of the hollow carbon nanostructures, in particular, wherein the hollow carbon nanostructures are tubular and their internal average diameter is at least 2 times the average thickness of the nanorods. It also relates to a process for preparing this material, to a precursor material RtM'''3-tO4 (C) as defined herein from which the material is obtained, and to the use of the material as electrocatalyst in different applications.

石墨烯基前体结构

NºPublicación:  CN121591206A 03/03/2026
Solicitante: 
罗伯特·博世有限公司
CN_121591206_PA

Resumen de: US20260058167A1

A method of improving catalyst accessibility of a carbon precursor includes exposing a graphene-based multi-layer precursor structure to a plurality of electrocatalyst clusters by applying voltage to accelerate the clusters towards the graphene-based multi-layer precursor structure to generate both mechanical defects in the graphene-based multi-layer precursor structure's surface and a near-uniform size population of deposited electrocatalyst at a near-uniform depth in the graphene-based multi-layer precursor structure.

一种单壁碳纳米管的纯化方法、高纯单壁碳纳米管及其应用

NºPublicación:  CN121591201A 03/03/2026
Solicitante: 
江西紫宸科技有限公司
CN_121591201_PA

Resumen de: WO2026040289A1

The present disclosure relates to the technical field of the removal of impurities from carbon nanotubes and in particular to a method for purifying a single-walled carbon nanotube, a high-purity single-walled carbon nanotube, and a use thereof. The present disclosure provides a high-purity single-walled carbon nanotube. In a test in which the high-purity single-walled carbon nanotube is digested at 200°C and a mass ratio of the high-purity single-walled carbon nanotube to the mixed acid of 1:100 for 30 min in a mixed acid which is prepared from perchloric acid, concentrated sulfuric acid and concentrated nitric acid in a volume ratio of 1:3:3, the measured mass content of metals in the high-purity single-walled carbon nanotube is less than or equal to 0.5%. The rapid oxidative weight loss temperature in a thermogravimetric differential curve obtained by testing the high-purity single-walled carbon nanotube in an air atmosphere at a heating rate of 10°C/min is 740-800°C. The high-purity single-walled carbon nanotube of the present disclosure has fewer metal impurities and carbon impurities, high conductivity, and good electrical conductivity, thereby facilitating improving the electrochemical performance of a battery prepared using the high-purity single-walled carbon nanotube.

石墨烯基前体结构

NºPublicación:  CN121591205A 03/03/2026
Solicitante: 
罗伯特·博世有限公司
CN_121591205_PA

Resumen de: US20260054990A1

A method of producing a graphene-based precursor includes providing graphene flakes based on one or more predetermined criteria, at least some of the graphene flakes having lattice defects, modifying the graphene flakes by decorating at least some of the graphene flakes with non-graphene carbon structures to form modified graphene flakes, and crumpling the modified graphene flakes to form graphitic carbon mesostructures.

カーボンナノチューブ分散液及びこの製造方法

NºPublicación:  JP2026507343A 02/03/2026
Solicitante: 
エルジー・ケム・リミテッド
JP_2026507343_A

Resumen de: CN120303212A

The present invention relates to a carbon nanotube dispersion containing carbon nanotubes, a first dispersant containing a nitrogen atom, a second dispersant containing a compound represented by Formula 1, and a solvent, and a method for preparing the same. The content of the compound represented by Formula 1 is as defined in the specification.

一种掺杂铈和铜的碳量子点及其制备方法

NºPublicación:  CN121574726A 27/02/2026
Solicitante: 
张家港市中医医院
CN_121574726_PA

Resumen de: CN121574726A

本发明涉及生物医学材料技术领域,具体为一种掺杂铈和铜的碳量子点及其制备方法,该碳量子点以甘氨酸、铈盐、铜盐为原料,经三步制得:前驱体制备;高温碳化;纯化处理。本发明铈通过Ce3+/Ce4+循环抗氧化,铜以晶格掺杂态缓释Cu2+,具有抗菌功能,DPPH·清除率≥85%、杂质残留<1%、批次重复性RSD<5%;且工艺标准化、能耗及成本低。

一种碳纳米点修饰的多孔微米金属氟化物正极材料的制备方法及其在锂离子电池中的应用

NºPublicación:  CN121573725A 27/02/2026
Solicitante: 
湘潭大学
CN_121573725_PA

Resumen de: CN121573725A

本发明公开了一种碳纳米点修饰的多孔微米金属氟化物复合正极材料的制备方法和在锂离子电池中的应用。以碳纳米点修饰的多孔微米氟化亚铁为例,该材料通过阶梯式原位合成策略制备:通过液相法结合低温煅烧构建三维多孔三氟化铁骨架,利用化学气相沉积技术在乙炔气氛中碳纳米点的沉积与锚定。该复合结构将多孔微米材料的高体积能量密度优势与碳纳米点构建的连续导电网络相结合,解决了传统金属氟化物材料固有的导电性差和离子传输缓慢的难题。本发明工艺简单可控,为高性能锂离子电池的正极材料开发提供了新思路且具备产业化应用潜力,同时在合成方法学上具备广泛的推广价值。

一种葛根素碳点及其合成方法和应用

NºPublicación:  CN121573668A 27/02/2026
Solicitante: 
四川大学华西医院
CN_121573668_PA

Resumen de: CN121573668A

本发明涉及医药技术领域,具体涉及一种葛根素碳点及其合成方法和应用。葛根素碳点,以葛根素为碳源、间苯二胺为氮源合成得到。本发明还提供一种葛根素碳点的合成方法,步骤为:将葛根素分散于无机溶剂中,得溶液A;将间苯二胺溶于无机溶剂中,得溶液B;将溶液B加入到溶液A中,加热反应,降温,过滤,得滤液;用滤膜将滤液过滤,然后对滤液透析,冷冻干燥,得葛根素碳点。本发明还提供一种葛根素碳点在制备疾病诊疗一体化试剂中的应用。本发明解决了现有葛根素存在水溶性差,生物利用度低和自身荧光弱、难以用于生物成像的缺点,以及难以直接用于纳米诊疗系统的问题。

一种延长冷鲜肉类货架期的抗菌包装材料及其制备方法

NºPublicación:  CN121574398A 27/02/2026
Solicitante: 
华南农业大学
CN_121574398_PA

Resumen de: CN121574398A

本发明属于食品保鲜技术领域,具体涉及一种延长冷鲜肉类货架期的抗菌包装材料及其制备方法。本发明以天然抗菌植物鱼腥草为碳源,通过绿色环保的水热法制备抗菌碳点HCO‑CDs,原料天然可再生、制备工艺简单温和,兼具环保性与经济性。HCO‑CDs抗菌性能优异且生物安全,将其与聚乙烯醇、果胶复合成膜制备成活性包装材料,不仅具备优异的生物安全性,还能通过协同抗菌作用有效抑制冷鲜肉类腐败菌滋生,显著延长冷鲜肉类货架期,为冷鲜肉类的保鲜提供了绿色、高效的新型包装解决方案,具有重要的实际应用价值与市场前景。

一种石墨烯双包覆层纳米硅负极材料的制备方法

NºPublicación:  CN121573679A 27/02/2026
Solicitante: 
福建科达新能源科技有限公司
CN_121573679_PA

Resumen de: CN121573679A

本发明涉及负极材料技术领域,公开了一种石墨烯双包覆层纳米硅负极材料的制备方法,所述方法包括以下步骤:步骤1、将块状金属硅在研钵中破碎、研磨,得到硅粉;步骤2、将球磨后的产物真空干燥;步骤3、将步骤2得到的产物按照一定的重量比例与鳞片状石墨、酚醛树脂液混合均匀;步骤4、将步骤3中的球磨产物真空干燥,随后在惰性气氛中热处理,得到石墨烯/双包覆层纳米硅复合负极材料;本发明以制得的改性纳米硅粉作为助磨剂,酚醛树脂液作为石墨剥离助剂,采用机械球磨法可有效地将鳞片石墨剥离成少层或多层石墨烯,更重要的是,最终的产物中改性纳米硅全部附着在石墨烯表面,实现石墨烯与纳米硅的均匀复合,得到石墨烯/硅复合负极材料。

一种TPP介导线粒体靶向的铈掺杂抗氧化碳量子点制备方法

NºPublicación:  CN121574719A 27/02/2026
Solicitante: 
张家港市中医医院
CN_121574719_PA

Resumen de: CN121574719A

本发明涉及生物医学材料技术领域,具体为一种TPP介导线粒体靶向的铈掺杂抗氧化碳量子点制备方法,以柠檬酸、尿素、铈盐为原料,混合后采用水热法反应合成铈掺杂碳量子点;再通过酰胺法将三苯基膦接枝到铈掺杂碳量子点表面,反应完成后经分离纯化,得到目标碳量子点,其中铈盐中的铈元素用于赋予碳量子点抗氧化功能。该方法制得的碳量子点靶向线粒体精准、抗氧化能力强,制备工艺简便环保可规模化,产物粒径均一、荧光稳定且生物相容性好,在生物医学领域应用前景广阔。

QUANTUM DOT DISPERSION LIQUID, METHOD FOR PRODUCING SEMICONDUCTOR FILM, METHOD FOR PRODUCING LIGHT DETECTION ELEMENT, METHOD FOR PRODUCING IMAGE SENSOR, AND METHOD FOR PRODUCING QUANTUM DOT DISPERSION LIQUID

NºPublicación:  WO2026042597A1 26/02/2026
Solicitante: 
FUJIFILM CORP [JP]
\u5BCC\u58EB\u30D5\u30A4\u30EB\u30E0\u682A\u5F0F\u4F1A\u793E
WO_2026042597_A1

Resumen de: WO2026042597A1

Provided are a quantum dot dispersion liquid and a method for producing the same, the quantum dot dispersion liquid including: quantum dots including an In element and a group 15 element, the group 15 element including an Sb element; ligands; and a solvent, the ligands including an organic ligand having 6 or less carbon atoms and an inorganic ligand including a halogen element. Also provided are methods for producing a semiconductor film, a light detection element, and an image sensor in which the quantum dot dispersion liquid is used.

ASYMMETRIC CHEMICAL VAPOR DEPOSITION AND USE THEREOF IN THE GROWTH OF GRAPHITE

NºPublicación:  WO2026042065A1 26/02/2026
Solicitante: 
RAMOT AT TEL AVIV UNIV LTD [IL]
RAMOT AT TEL-AVIV UNIVERSITY LTD
WO_2026042065_A1

Resumen de: WO2026042065A1

The present invention relates to a system and method of producing multilayer graphene using asymmetric CVD. The multilayer graphene obtained is characterized by superior thermal and electrical conductance, particularly suitable for thermal management applications.

LAYERED MATERIAL NANOSHEET PRODUCTION METHOD, LAYERED MoS2 NANOSHEET, AND LAYERED GRAPHITE NANOSHEET

NºPublicación:  US20260054989A1 26/02/2026
Solicitante: 
TOHOKU UNIV [JP]
TOHOKU UNIVERSITY
US_20260054989_PA

Resumen de: US20260054989A1

A layered material nanosheet production method includes an exfoliation step of exfoliating layered material particles in layers by irradiating the layered material particles with a microwave while cooling the layered material particles.

CYLINDRICAL-SHAPED CAPACITIVE SENSORS AND THEIR OPTIMAL LOCATIONS FOR EYE-TRACKING

NºPublicación:  WO2026043950A1 26/02/2026
Solicitante: 
UNIV OF WASHINGTON [US]
UNIVERSITY OF WASHINGTON
WO_2026043950_PA

Resumen de: WO2026043950A1

A capacitive sensor, including a composite substrate formed of a plurality of insulating fibers coated with a plurality of carbon nanotubes (CNTs), a plurality of cross-bar junctions of the plurality of insulating fibers at or near a fracture site in the composite substrate, and a sensor core, wherein the composite substrate is wrapped around the sensor core to form a cylindrical capacitive sensor.

PELLICLE MEMBRANE FOR A LITHOGRAPHIC APPARATUS

NºPublicación:  US20260056459A1 26/02/2026
Solicitante: 
ASML NETHERLANDS B V [NL]
ASML NETHERLANDS B.V
US_20260056459_PA

Resumen de: US20260056459A1

A pellicle membrane for a lithographic apparatus, the membrane including uncapped carbon nanotubes. A method of regenerating a pellicle membrane, the method including decomposing a precursor compound and depositing at least some of the products of decomposition onto the pellicle membrane. A method of reducing the etch rate of a pellicle membrane, the method including providing an electric field in the region of the pellicle membrane to redirect ions from the pellicle, or heating elements to desorb radicals from the pellicle, preferably wherein the pellicle membrane is a carbon nanotube pellicle membrane. An assembly for a lithographic apparatus, the assembly including a biased electrode near or including the pellicle membrane or heating means for the pellicle membrane.

Catalyst, Catalyst Precursor, Production Process, and Resulting High Purity and Controlled Morphology Carbon Nanotubes

NºPublicación:  US20260054256A1 26/02/2026
Solicitante: 
CHASM ADVANCED MAT INC [US]
Chasm Advanced Materials, Inc
US_20260054256_PA

Resumen de: US20260054256A1

A catalyst, catalyst precursor, and carbon nanotubes grown using the catalyst. The catalyst includes a support comprising alumina and a cobalt species on a surface of the support, wherein cobalt is the sole active catalyst species for carbon nanotube growth. The support surface is iron-free.

Catalyst, Catalyst Precursor, Production Process, and Resulting High Purity and Controlled Morphology Carbon Nanotubes

NºPublicación:  US20260054988A1 26/02/2026
Solicitante: 
CHASM ADVANCED MAT INC [US]
Chasm Advanced Materials, Inc
US_20260054988_PA

Resumen de: US20260054988A1

A catalyst, catalyst precursor, and carbon nanotubes grown using the catalyst. The catalyst includes a support comprising alumina and a cobalt species on a surface of the support, wherein cobalt is the sole active catalyst species for carbon nanotube growth. The support surface is iron-free.

ナノチューブアレイの製造方法、ナノチューブアレイおよびデバイス

NºPublicación:  JP2026506427A 25/02/2026
Solicitante: 
浙江大学
JP_2026506427_PA

Resumen de: US2025162874A1

Provided are a method for preparing a nanotube array, a nanotube array and a device. The method includes: preparing a double-layer two-dimensional material with a relative angle of lattice orientations, which is used as a template; determining the chiral parameters of nanotubes to be prepared corresponding to the relative angle of the lattice orientations of the double-layer two-dimensional material, determining a nanoribbon orientation and a nanoribbon width according to the determined chiral parameters, determining the inter-nanoribbon spacing according to the density of the nanotubes to be prepared and the nanoribbon width, and etching the double-layer two-dimensional material according to the determined nanoribbon orientation, nanoribbon width and inter-nanoribbon spacing to obtain a nanoribbon array of the double-layer two-dimensional material; and performing thermal excitation treatment on the obtained nanoribbon array of the double-layer two-dimensional material to obtain a nanotube array. The present disclosure can prepare a nanotube array with controllable density, orientation and chirality.

一种晶圆级半导体单壁碳纳米管阵列薄膜制备方法及装置

NºPublicación:  CN121553931A 24/02/2026
Solicitante: 
北京华碳元芯电子科技有限责任公司
CN_121553931_PA

Resumen de: CN121553931A

本发明涉及晶圆级半导体单壁碳纳米管阵列薄膜的制备方法,包括以下步骤:将首先碳纳米管粉体加入含有偶氮苯结构的共轭聚合物的第一有机溶剂中,经过超声、离心得到上清液,取所述上清液进行过滤重分散至第二有机溶剂,获得半导体型碳纳米管溶液;然后提供一基底并进行基底表面官能团均一化处理,将所述基底置于剪切压力机机台上,通过力反馈驱动泵注入所述半导体型碳纳米管溶液进行剪切沉积,在所述基底上沉积碳纳米管阵列薄膜;对上述得到的基底置于降解液中浸泡降解和清洗,获得半导体单壁碳纳米管阵列薄膜。本发明解决了现有溶液法制备碳纳米管阵列薄膜无法实现晶圆级大面积均匀制备的问题,同时缩短阵列碳纳米管薄膜制备时间。

一种铁基硫化物复合材料的制备方法和应用

NºPublicación:  CN121553993A 24/02/2026
Solicitante: 
济宁学院
CN_121553993_PA

Resumen de: CN121553993A

本发明属于电池技术领域,具体涉及一种铁基硫化物复合材料的制备方法和应用。本发明将MIL‑101(Fe)和硫脲在水热条件下反应后与氧化石墨烯反应,得到铁基硫化物复合材料,所述的铁基硫化物复合材料表现出优异的电化学性能,作为电池负极材料。本发明以MIL‑101(Fe)为前驱体,利用其高铁含量、稳定且规整的结构优势作为理想模版,与低毒性的硫脲低温水热合成形貌均一的双相金属硫化物,能耗低且过程温和、可控,最大限度地继承和保留MIL‑101前驱体的高孔隙率和规整形貌,同时实现异质结与孔隙的协同构建。

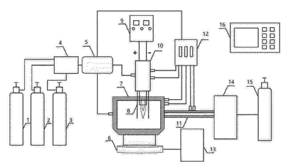
一种文丘里管法分温区低温制备碳纳米管的装置及方法

Nº publicación: CN121553930A 24/02/2026

Solicitante:

成都珈丰新能源科技有限公司

CN_121553930_PA

Resumen de: CN121553930A

本发明提供了一种文丘里管法分温区低温制备碳纳米管的装置及方法,方法所采用的装置是由卧式管式炉及两端密封箱、碳源气体进气系统、排气系统组成;所述卧式管式炉包括文丘里炉管,文丘里炉管由其中部的喉管段将其前后分隔为高温段炉管与低温段炉管;生产过程中,催化剂位于低温段炉管内,碳源气体通过高温段炉管发生热裂解,生成活性碳物种,活性碳物种由载气携带至低温段炉管内,以在催化剂表面实现碳纳米管的生长;碳源气体进气系统、排气系统在生产过程中分别用于输入碳源气体、排出尾气。本发明的有益效果是:通过将碳源气体裂解与碳纳米管生长过程在空间上采用文丘里管法分离的分温区系统,以实现碳纳米在热敏性基底上低温、高质量生长。

traducir