Ministerio de Industria, Turismo y Comercio LogoMinisterior
 

Alerta

Resultados 400 resultados
LastUpdate Última actualización 25/04/2026 [08:16:00]
pdfxls
Solicitudes publicadas en los últimos 60 días (excluida automoción) / Applications published in the last 60 days (Automotion publications excluded)
previousPage Resultados 50 a 75 de 400 nextPage  

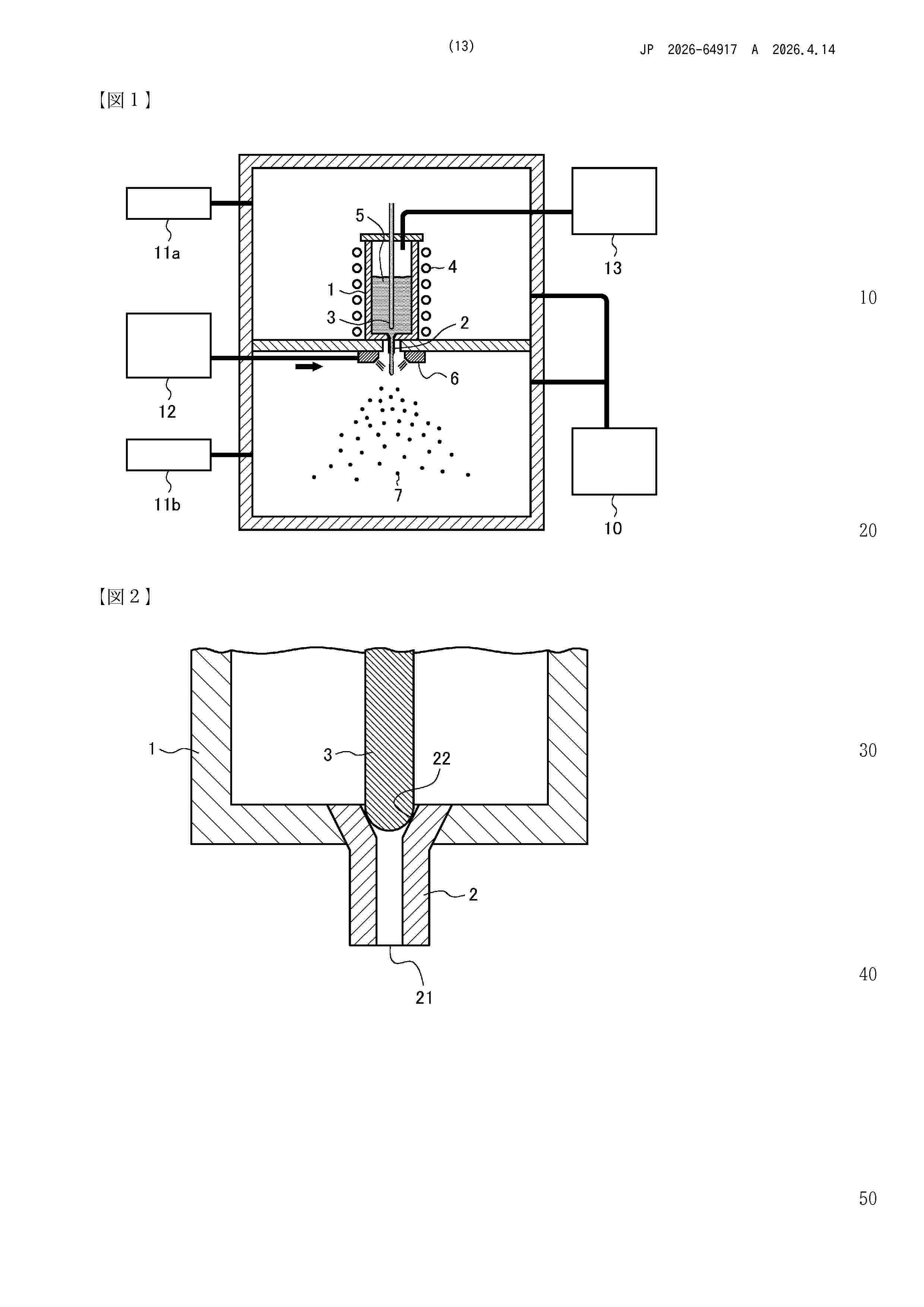
耐熱性の良好なSm-Fe-N系磁性粉体およびその製造方法

NºPublicación:  JP2026064917A 14/04/2026
Solicitante: 
DOWAホールディングス株式会社
JP_2026064917_A

Resumen de: JP2026064917A

【課題】不活性ガス雰囲気下で300℃程度に加熱したときに磁気特性(特に保磁力Hc)の低下が少ない、耐熱性の良好なSm-Fe-N系磁性粉体を提供する。【解決手段】Sm、Fe、Nを主成分とする粒子からなる粉体であって、Feに対するSmのモル比Sm/Feが0.09以上0.25以下、Feに対するNのモル比N/Feが0.06以上0.30以下である組成を有し、レーザー回折・散乱法による体積基準の粒度分布における累積50%粒子径D50が0.5μm以上5.0μm以下であり、AES(オージェ電子分光法)による粒子最表面からの深さ方向分析において、SiO2換算で2.0nm以上5.0nm以下の深さ領域におけるSm、Fe、N、Oの合計100原子%に占める平均O含有量が23.0原子%以下である、Sm-Fe-N系磁性粉体。【選択図】図3

一种利用废旧液流电池用复合双极板生产石墨烯气凝胶的方法

NºPublicación:  CN121849929A 14/04/2026
Solicitante: 
山东海化集团有限公司山东海化股份有限公司
CN_121849929_PA

Resumen de: CN121849929A

本发明涉及一种利用废旧液流电池用复合双极板生产石墨烯气凝胶的方法,属于石墨烯气凝胶的制备技术领域。本发明利用闪蒸焦耳热处理的瞬间高温环境,实现对复合双极板的碳化以及碳骨架的固定,再结合瞬间升温产生的热应力,将废旧的液流电池用复合双极板转化为石墨烯气凝胶材料。通过酸洗或酸溶液‑水溶液交替循环浸泡处理,可有效去除因液流电池运行而吸附、并经焦耳热处理后形成的金属颗粒,经过自然干燥后得到高价值的石墨烯气凝胶。本发明可替代以天然石墨为原料制备的石墨烯产品,降低石墨烯气凝胶的生产成本,同时解决废旧复合双极板传统处理方式——焚烧带来的污染和碳排放,达到变废为宝的目的。

表面改性碳纳米管及其制备方法

NºPublicación:  CN121849923A 14/04/2026
Solicitante: 
无锡零一未来新材料技术研究院有限公司
CN_121849923_A

Resumen de: CN121849923A

本申请涉及一种表面改性碳纳米管及其制备方法,所述表面改性碳纳米管包括碳纳米管以及所述碳纳米管上键接的含氧官能团;所述表面改性碳纳米管的氧元素摩尔含量为2%~8%,且在所述表面改性碳纳米管的拉曼光谱中,G峰与D峰的强度比值为20~80。本申请所述的表面改性碳纳米管不仅亲水性好,易于分散,而且具有优异的结构完整性,有利于保持高导电性并提高电池的循环性能。

一种高均匀性且多扭曲角可控的转角二维材料制备方法

NºPublicación:  CN121849932A 14/04/2026
Solicitante: 
重庆智南科技有限公司朱鹏鹏
CN_121849932_PA

Resumen de: CN121849932A

本发明公开了一种用于制备高均匀性和具有多个可控扭曲角的转角二维材料制备方法及其应用,包括以下步骤:在亲水衬底上获取单层二维材料并将其切割为几部分;旋涂PPC膜并使用激光在PPC膜上切割出几个相邻的边缘相互平行的矩形,通过机械剥离周围多余的PPC膜形成多个PPC矩形,每一个PPC矩形覆盖一部分单层二维材料,PPC矩形之间的扭曲角就等于每部分二维材料之间的扭曲角;利用PDMS将这些PPC矩形依次逐个从衬底上拾取,根据PPC矩形的边缘控制扭曲角依次堆叠每一个PPC矩形并去除PPC,即可实现多扭曲角可控的转角二维材料制备。本方法适用范围广,效率高,制备的转角石墨烯具有高度均匀的扭曲角分布,使其在转角电子学领域发挥极大的优势。

一种磷酸铁锂和制备方法及其用途

NºPublicación:  CN121849895A 14/04/2026
Solicitante: 
万华化学集团电池科技有限公司万华化学(烟台)电池产业有限公司万华化学(海阳)电池材料科技有限公司万华化学(四川)电池材料科技有限公司万华化学(烟台)电池材料科技有限公司
CN_121849895_PA

Resumen de: CN121849895A

本发明涉及磷酸铁锂技术领域,公开了一种磷酸铁锂和制备方法及其用途,克服现有技术中直接采用二水磷酸铁湿滤饼制得的磷酸铁锂碳包覆效果差、压实较低、电化学性能差的问题。本申请磷酸铁锂的制备方法包括以下步骤:S1、将二水磷酸铁湿滤饼、第一碳源、锂源和水混合,制得浆料,将浆料喷雾干燥得到喷雾料;S2、将喷雾料进行破碎,得到破碎料;破碎料满足(Dv90‑Dv10)/Dv50≤1.5;S3、将破碎料进行一次烧结,得到一烧料;S4、将一烧料与第二碳源混合,然后在含CO2的气氛中进行二次烧结,得到磷酸铁锂;第二碳源中碳元素的质量为一烧料质量的0.1%~1%。本申请制得的磷酸铁锂碳包覆效果好、压密度高、容量高。

一种碳纳米管的纯化方法

NºPublicación:  CN121849925A 14/04/2026
Solicitante: 
鄂尔多斯实验室
CN_121849925_PA

Resumen de: CN121849925A

本申请公开了一种碳纳米管的纯化方法,将含杂质的碳纳米管与固体卤素源混合后置于反应器中,通入惰性气体并进行热处理,所述热处理将所述固体卤素源转化为卤素气体,所述卤素气体与所述碳纳米管中的杂质发生反应生成金属卤化物,所述金属卤化物在惰性气体氛围下带离所述反应器,获得纯化碳纳米管。通过使用固体卤素源纯化碳纳米管,避免了液体酸的使用,全过程无废水或仅产生易处理的副产物,能耗低,且能更好地保持碳纳米管的结构完整性。

一种富硒螺旋藻碳点及其制备方法与应用

NºPublicación:  CN121849918A 14/04/2026
Solicitante: 
陕西科技大学
CN_121849918_PA

Resumen de: CN121849918A

本发明公开了一种富硒螺旋藻碳点及其制备方法与应用,属于医药技术领域。本发明以生长至对数期的富硒螺旋藻为原料,离心、收集、冻干获得富硒螺旋藻粉。将其与催化剂、去离子水按照质量比1:0.1~0.8:20混匀后置于高温反应釜中于140~260 ℃反应1.5~5.5 h,结束后透析反应液24 h离心、冻干透析液,即得收率为70~95%的富硒螺旋藻碳点。本发明提供的富硒螺旋藻碳点不仅具有α‑淀粉酶、α‑葡萄糖苷酶、胆固醇酯酶、胰脂肪酶抑制能力以及胆酸盐结合能力,更能在清除外源氧化性物质的同时提升模式生物内源抗氧化防御能力,从而高效调控糖脂代谢平衡。

一种核壳结构的钠离子电池正极材料及其制备方法和应用

NºPublicación:  CN121862723A 14/04/2026
Solicitante: 
鄂尔多斯实验室
CN_121862723_PA

Resumen de: CN121862723A

本发明属于钠离子电池技术领域,涉及一种核壳结构的钠离子电池正极材料及其制备方法和应用。所述钠离子电池正极材料包括P2型锰基钠离子层状氧化物材料内核以及包覆于所述内核表面的包覆层,所述包覆层包括橄榄石结构的磷酸铁钠材料。本发明提供的正极材料中,以橄榄石结构的磷酸铁钠包覆P2型锰基钠离子层状氧化物材料,包覆牢固且紧密,使得结构稳定性高,并具有高容量和高循环性能的优势。

一种近红外碳点及其在制备阿尔茨海默病诊疗制剂中的应用

NºPublicación:  CN121849919A 14/04/2026
Solicitante: 
杭州师范大学
CN_121849919_PA

Resumen de: CN121849919A

本发明公开一种近红外碳点及其在制备阿尔茨海默病诊疗制剂中的应用,所述近红外碳点由谷胱甘肽与甲酰胺在140‑150℃下进行溶剂热反应3‑5h后透析得到。该探针通过精准的结构设计,使形貌、晶体结构、光学性能、强负表面电荷及表面官能团特征形成协同效应,共同构成其针对AD核心致病机制实施多靶点干预的结构基础,并为近红外成像功能提供性能支撑。其中,强负表面电荷通过静电斥力直接抑制Aβ42聚集,二维层状类石墨结构促进表面电子快速转移,羧基、巯基等官能团协同提升Cu2+螯合与ROS清除效率,三者形成“物理排斥‑化学螯合‑电子转移”的协同作用网络,为开发下一代AD靶向纳米治疗/诊断材料奠定了关键基础。

一种酸化碳纳米管的处理方法及其在锂硫电池中的应用

NºPublicación:  CN121849924A 14/04/2026
Solicitante: 
郑州中科新兴产业技术研究院龙子湖新能源实验室
CN_121849924_PA

Resumen de: CN121849924A

本发明公开了一种酸化碳纳米管的处理方法及其在锂硫电池中的应用,属于锂硫电池技术领域。本发明通过浓硝酸的强酸氧化作用,在碳纳米管表面及缺陷位点引入羧基、羟基等亲水性官能基团,改善疏水易团聚的现象,提升在极性溶剂与基体材料中的分散稳定性,本发明所使用的原料低廉易得、操作简便,适合工业化大规模生产。本发明得到的酸化碳纳米管用作锂硫电池正极材料和隔膜材料,使得锂硫电池的首放电比容量高,库伦效率高,且具有良好的容量保持率。本发明通过一种处理工艺简单和具有多硫化物抑制能力的酸化碳纳米管处理方法,解决了锂硫电池中穿梭效应和性能衰减问题,提升电池的性能。

碳纳米管及其制备方法

NºPublicación:  CN121843897A 10/04/2026
Solicitante: 
株式会社化学
CN_121843897_A

Resumen de: EP1000000A1

The invention relates to an apparatus (1) for manufacturing green bricks from clay for the brick manufacturing industry, comprising a circulating conveyor (3) carrying mould containers combined to mould container parts (4), a reservoir (5) for clay arranged above the mould containers, means for carrying clay out of the reservoir (5) into the mould containers, means (9) for pressing and trimming clay in the mould containers, means (11) for supplying and placing take-off plates for the green bricks (13) and means for discharging green bricks released from the mould containers, characterized in that the apparatus further comprises means (22) for moving the mould container parts (4) filled with green bricks such that a protruding edge is formed on at least one side of the green bricks.

一种水产品新鲜度检测方法及系统

NºPublicación:  CN121830598A 10/04/2026
Solicitante: 
顺德职业技术大学
CN_121830598_PA

Resumen de: EP1000000A1

The invention relates to an apparatus (1) for manufacturing green bricks from clay for the brick manufacturing industry, comprising a circulating conveyor (3) carrying mould containers combined to mould container parts (4), a reservoir (5) for clay arranged above the mould containers, means for carrying clay out of the reservoir (5) into the mould containers, means (9) for pressing and trimming clay in the mould containers, means (11) for supplying and placing take-off plates for the green bricks (13) and means for discharging green bricks released from the mould containers, characterized in that the apparatus further comprises means (22) for moving the mould container parts (4) filled with green bricks such that a protruding edge is formed on at least one side of the green bricks.

量子ドット、量子ドット分散液、光変換硬化性組成物、前記組成物を用いて形成される硬化膜および前記硬化膜を含む画像表示装置

NºPublicación:  JP2026062869A 10/04/2026
Solicitante: 
東友ファインケム株式会社
JP_2026062869_A

Resumen de: CN116478680A

The present invention relates to a quantum dot having a ligand layer on the surface thereof, the ligand layer comprising a metal complex composed of a thiol-based compound and any one metal selected from the group consisting of Zn, Mg, Al, and In, and provides a quantum dot dispersion liquid and a light conversion curable composition comprising the quantum dot. The quantum dot and the light conversion curable composition containing the quantum dot according to the present invention have excellent viscosity stability, high temperature and humidity resistance, adhesion and ink jet process characteristics, and can be effectively applied to a plurality of uses such as a quantum dot film, a quantum dot light emitting diode, a color filter, a light conversion laminated substrate, etc. Thus, a high-quality image display device can be provided.

カーボンナノチューブフィルムの性能を大幅に向上させる後処理方法及び応用

NºPublicación:  JP2026511201A 10/04/2026
Solicitante: 
中国科学院蘇州納米技術与納米▲ファン▼生研究所
JP_2026511201_A

Resumen de: CN116281963A

The invention discloses a post-treatment method for greatly improving the performance of a carbon nanotube film and application. The post-treatment method comprises the following steps: infiltrating an original carbon nanotube film in chlorosulfonic acid for standing, then placing the original carbon nanotube film in air to enable chlorosulfonic acid molecules in the carbon nanotube film to react with water molecules in the air, then generating sulfuric acid molecules in the carbon nanotube film, and promoting the water molecules to enter the carbon nanotube film; then placing the carbon nanotube film in chlorosulfonic acid again, and enabling the carbon nanotube film to chemically react with water molecules to generate hydrogen chloride gas, so that the carbon nanotube film expands; drafting treatment is carried out, then soaking in the chlorosulfonic acid solution is carried out, and finally high-temperature vacuum annealing heat treatment is carried out. The tensile strength of the prepared carbon nanotube film is in the GPa magnitude, the conductivity is in the 106S/m level, the surface flatness is higher, the carbon nanotube film can be easily compounded with other materials, a composite interface with higher binding force is constructed, and the final mechanical and electrical properties of the composite material are greatly improved.

電気刺激のためのポリマー複合物ドライ電極およびその使用方法

NºPublicación:  JP2026511160A 10/04/2026
Solicitante: 
ユニバーシティーヘルスネットワーク
JP_2026511160_A

Resumen de: WO2024197392A1

Electrodes known in the art and used with functional electrical stimulation degrade after multiple uses and require constant wetting or a skin interface layer to be comfortable. A reusable, convenient and comfortable dry electrode as herein disclosed comprises a conductive material comprising a fluoropolymer matrix and conductive carbon nanoparticles dispersed in the matrix, and a conductor configured to contact and deliver an electrical pulse to the material from a stimulator, wherein a dry tissue-contacting surface of the material is configured to deliver electrical stimulation directly to a tissue. The present disclosure also relates to uses of reusable dry electrodes, dry electrode garments and devices and methods of manufacturing and uses thereof.

一种基于乙醇催化裂解制备单壁碳纳米管的方法

NºPublicación:  CN121823549A 10/04/2026
Solicitante: 
贵州希诚新材料科技有限公司
CN_121823549_PA

Resumen de: EP1000000A1

The invention relates to an apparatus (1) for manufacturing green bricks from clay for the brick manufacturing industry, comprising a circulating conveyor (3) carrying mould containers combined to mould container parts (4), a reservoir (5) for clay arranged above the mould containers, means for carrying clay out of the reservoir (5) into the mould containers, means (9) for pressing and trimming clay in the mould containers, means (11) for supplying and placing take-off plates for the green bricks (13) and means for discharging green bricks released from the mould containers, characterized in that the apparatus further comprises means (22) for moving the mould container parts (4) filled with green bricks such that a protruding edge is formed on at least one side of the green bricks.

一种高压均质机及电池生产线

NºPublicación:  CN121819620A 10/04/2026
Solicitante: 
微思纳米科技(苏州)有限公司
CN_121819620_PA

Resumen de: EP1000000A1

The invention relates to an apparatus (1) for manufacturing green bricks from clay for the brick manufacturing industry, comprising a circulating conveyor (3) carrying mould containers combined to mould container parts (4), a reservoir (5) for clay arranged above the mould containers, means for carrying clay out of the reservoir (5) into the mould containers, means (9) for pressing and trimming clay in the mould containers, means (11) for supplying and placing take-off plates for the green bricks (13) and means for discharging green bricks released from the mould containers, characterized in that the apparatus further comprises means (22) for moving the mould container parts (4) filled with green bricks such that a protruding edge is formed on at least one side of the green bricks.

一种单壁碳纳米管纯化方法、系统、设备及可读存储介质

NºPublicación:  CN121823551A 10/04/2026
Solicitante: 
深圳职业技术大学
CN_121823551_PA

Resumen de: EP1000000A1

The invention relates to an apparatus (1) for manufacturing green bricks from clay for the brick manufacturing industry, comprising a circulating conveyor (3) carrying mould containers combined to mould container parts (4), a reservoir (5) for clay arranged above the mould containers, means for carrying clay out of the reservoir (5) into the mould containers, means (9) for pressing and trimming clay in the mould containers, means (11) for supplying and placing take-off plates for the green bricks (13) and means for discharging green bricks released from the mould containers, characterized in that the apparatus further comprises means (22) for moving the mould container parts (4) filled with green bricks such that a protruding edge is formed on at least one side of the green bricks.

金属功能化的石墨烯薄膜及其制备方法、应用

NºPublicación:  CN121819596A 10/04/2026
Solicitante: 
中国科学技术大学苏州高等研究院中国科学技术大学
CN_121819596_PA

Resumen de: EP1000000A1

The invention relates to an apparatus (1) for manufacturing green bricks from clay for the brick manufacturing industry, comprising a circulating conveyor (3) carrying mould containers combined to mould container parts (4), a reservoir (5) for clay arranged above the mould containers, means for carrying clay out of the reservoir (5) into the mould containers, means (9) for pressing and trimming clay in the mould containers, means (11) for supplying and placing take-off plates for the green bricks (13) and means for discharging green bricks released from the mould containers, characterized in that the apparatus further comprises means (22) for moving the mould container parts (4) filled with green bricks such that a protruding edge is formed on at least one side of the green bricks.

一种锰基复合负极材料、负极极片及它们的制备方法和锂离子电池

NºPublicación:  CN121839626A 10/04/2026
Solicitante: 
合肥国轩高科动力能源有限公司
CN_121839626_A

Resumen de: EP1000000A1

The invention relates to an apparatus (1) for manufacturing green bricks from clay for the brick manufacturing industry, comprising a circulating conveyor (3) carrying mould containers combined to mould container parts (4), a reservoir (5) for clay arranged above the mould containers, means for carrying clay out of the reservoir (5) into the mould containers, means (9) for pressing and trimming clay in the mould containers, means (11) for supplying and placing take-off plates for the green bricks (13) and means for discharging green bricks released from the mould containers, characterized in that the apparatus further comprises means (22) for moving the mould container parts (4) filled with green bricks such that a protruding edge is formed on at least one side of the green bricks.

一种三维超薄碳基复合材料的制备方法及其应用

NºPublicación:  CN121826762A 10/04/2026
Solicitante: 
江苏江科石墨烯研究院有限公司江苏江科复合新材料有限公司江苏大学
CN_121826762_A

Resumen de: EP1000000A1

The invention relates to an apparatus (1) for manufacturing green bricks from clay for the brick manufacturing industry, comprising a circulating conveyor (3) carrying mould containers combined to mould container parts (4), a reservoir (5) for clay arranged above the mould containers, means for carrying clay out of the reservoir (5) into the mould containers, means (9) for pressing and trimming clay in the mould containers, means (11) for supplying and placing take-off plates for the green bricks (13) and means for discharging green bricks released from the mould containers, characterized in that the apparatus further comprises means (22) for moving the mould container parts (4) filled with green bricks such that a protruding edge is formed on at least one side of the green bricks.

一种基于Zn,N共掺杂碳点的种子包衣及其制备方法与应用

NºPublicación:  CN121825542A 10/04/2026
Solicitante: 
东北林业大学
CN_121825542_PA

Resumen de: EP1000000A1

The invention relates to an apparatus (1) for manufacturing green bricks from clay for the brick manufacturing industry, comprising a circulating conveyor (3) carrying mould containers combined to mould container parts (4), a reservoir (5) for clay arranged above the mould containers, means for carrying clay out of the reservoir (5) into the mould containers, means (9) for pressing and trimming clay in the mould containers, means (11) for supplying and placing take-off plates for the green bricks (13) and means for discharging green bricks released from the mould containers, characterized in that the apparatus further comprises means (22) for moving the mould container parts (4) filled with green bricks such that a protruding edge is formed on at least one side of the green bricks.

一种多元素共掺杂复合石墨烯及其合成方法和应用

NºPublicación:  CN121823557A 10/04/2026
Solicitante: 
佛山安亿纳米材料有限公司
CN_121823557_A

Resumen de: EP1000000A1

The invention relates to an apparatus (1) for manufacturing green bricks from clay for the brick manufacturing industry, comprising a circulating conveyor (3) carrying mould containers combined to mould container parts (4), a reservoir (5) for clay arranged above the mould containers, means for carrying clay out of the reservoir (5) into the mould containers, means (9) for pressing and trimming clay in the mould containers, means (11) for supplying and placing take-off plates for the green bricks (13) and means for discharging green bricks released from the mould containers, characterized in that the apparatus further comprises means (22) for moving the mould container parts (4) filled with green bricks such that a protruding edge is formed on at least one side of the green bricks.

钛系锂离子筛及其制备方法

NºPublicación:  CN121823645A 10/04/2026
Solicitante: 
西南石油大学中国石油集团川庆钻探工程有限公司川西钻探公司
CN_121823645_PA

Resumen de: EP1000000A1

The invention relates to an apparatus (1) for manufacturing green bricks from clay for the brick manufacturing industry, comprising a circulating conveyor (3) carrying mould containers combined to mould container parts (4), a reservoir (5) for clay arranged above the mould containers, means for carrying clay out of the reservoir (5) into the mould containers, means (9) for pressing and trimming clay in the mould containers, means (11) for supplying and placing take-off plates for the green bricks (13) and means for discharging green bricks released from the mould containers, characterized in that the apparatus further comprises means (22) for moving the mould container parts (4) filled with green bricks such that a protruding edge is formed on at least one side of the green bricks.

一种光响应碳点纳米酶抗菌材料及其制备方法和应用

Nº publicación: CN121823544A 10/04/2026

Solicitante:

新乡医学院

CN_121823544_PA

Resumen de: EP1000000A1

The invention relates to an apparatus (1) for manufacturing green bricks from clay for the brick manufacturing industry, comprising a circulating conveyor (3) carrying mould containers combined to mould container parts (4), a reservoir (5) for clay arranged above the mould containers, means for carrying clay out of the reservoir (5) into the mould containers, means (9) for pressing and trimming clay in the mould containers, means (11) for supplying and placing take-off plates for the green bricks (13) and means for discharging green bricks released from the mould containers, characterized in that the apparatus further comprises means (22) for moving the mould container parts (4) filled with green bricks such that a protruding edge is formed on at least one side of the green bricks.

traducir