Ministerio de Industria, Turismo y Comercio LogoMinisterior
 

Alerta

Resultados 487 resultados
LastUpdate Última actualización 01/01/2026 [06:59:00]
pdfxls
Publicaciones de solicitudes de patente de los últimos 60 días/Applications published in the last 60 days
previousPage Resultados 275 a 300 de 487 nextPage  

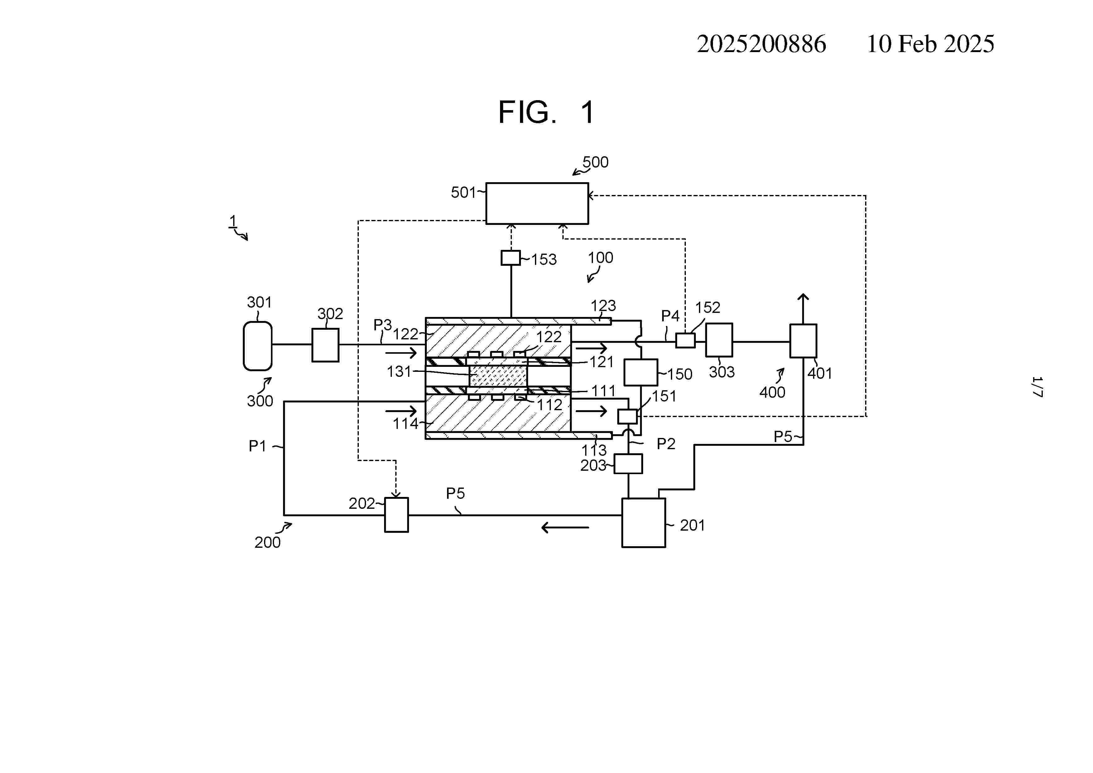
전해조 시스템

NºPublicación:  KR20250163344A 20/11/2025
Solicitante: 
케레스인텔렉츄얼프로퍼티컴퍼니리미티드
CN_120882908_PA

Resumen de: AU2024237817A1

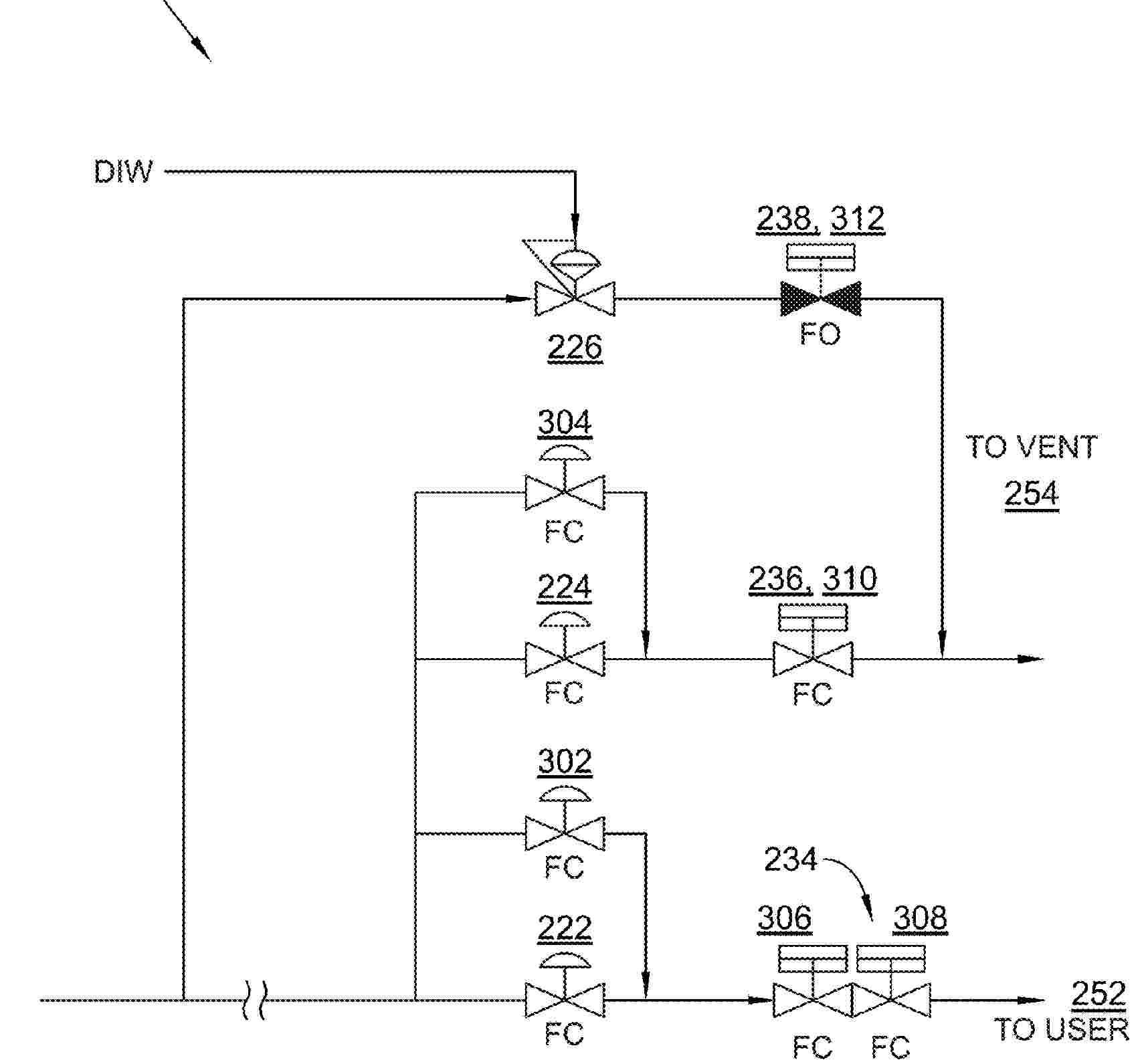
The present invention relates to an electrolyser system (10) comprising at least one electrolyser (20), the electrolyser (20) comprising at least one steam inlet (41) and at least one off-gas outlet (38; 39), and a turbocharger (62) for compressing off-gas from the electrolyser (20). The turbocharger (62) comprises a drive fluid inlet, a drive fluid outlet, a compression fluid inlet, a compressed fluid outlet, a compressor (13) and a turbine (12). The turbine (12) is configured to drive the compressor (13). The drive fluid outlet of the turbocharger (62) is fluidically connected to the at least one steam inlet (41) of the electrolyser (20). The at least one off-gas outlet (38; 39) of the electrolyser (20) is fluidically connected to the compression fluid inlet of the turbocharger (62). The system (10) can further can comprise a steam source fluidically connected to the drive fluid inlet of the turbocharger (62) for powering the turbine (12) using pressurised steam.

HYDROGEN PRODUCTION CONTROL SYSTEM AND METHOD

NºPublicación:  WO2025239029A1 20/11/2025
Solicitante: 
HITACHI LTD [JP]
\u682A\u5F0F\u4F1A\u793E\u65E5\u7ACB\u88FD\u4F5C\u6240
WO_2025239029_PA

Resumen de: WO2025239029A1

Provided is a hydrogen production control system for producing hydrogen with different environmental impacts. A hydrogen production control system 20 causes a hydrogen production apparatus 10 to produce hydrogen. The hydrogen production apparatus inputs, to a water electrolysis device 13, a power amount from a renewable energy generation device 12 or a power amount from a power grid 30, and causes the water electrolysis device to electrolyze water to thereby produce hydrogen with different environmental impacts. The hydrogen production apparatus comprises: a renewable energy variation amount prediction unit which predicts variation in the power amount from the renewable energy power generation device; and a type-specific hydrogen production planning unit which creates a type-specific hydrogen production plan for producing hydrogen with different environmental impacts by the hydrogen production apparatus, on the basis of a prediction result from the renewable energy variation amount prediction unit. The type-specific hydrogen production planning unit creates a production plan for producing a first type of hydrogen with a small environmental impact among hydrogen with different environmental impacts by using a power amount in a first case where the power amount from the renewable energy generation device is predicted to be supplied stably.

METHOD FOR MANUFACTURING ELECTROCHEMICAL REACTION DEVICE, AND ELECTROCHEMICAL REACTION DEVICE

NºPublicación:  WO2025239002A1 20/11/2025
Solicitante: 
DENSO CORP [JP]
\u682A\u5F0F\u4F1A\u793E\u30C7\u30F3\u30BD\u30FC
WO_2025239002_PA

Resumen de: WO2025239002A1

Provided is a method for manufacturing an electrochemical reaction device (1) comprising: an electrochemical cell (2) that includes an electrolyte layer (20), a first electrode (21), and a second electrode (22); a frame (3) that includes a support section (31) and a frame body section (32); and a sealing plate (4) that hermetically separates a second space (122) and an outer peripheral cavity (11) from each other. The sealing plate (4) includes an outer peripheral plate section (42), an inner peripheral plate section (41), and a coupling section (43). The coupling section (43) includes a flexed section (430) flexed so as to protrude in a normal direction Z of the electrolyte layer (20). When forming the flexed section (430), the sealing plate (4), in which the flexed section (430) has not yet been formed, is fixed to the electrochemical cell (2) and the frame (3), and then a buckling step is performed for causing the coupling section (43) to buckle so as to form the flexed section (430) by causing a volume change of at least one of the electrochemical cell (2), the frame (3), or the sealing plate (4).

INTEGRATED SYSTEM FOR PREPARING HYDROGEN AND A DEHYDROGENATED PRODUCT FROM AN ALCOHOL

NºPublicación:  WO2025238525A1 20/11/2025
Solicitante: 
TERNARY KINETICS LTD [NZ]
TERNARY KINETICS LIMITED
WO_2025238525_PA

Resumen de: WO2025238525A1

The invention provides an integrated system for preparing a dehydrogenated product from an alcohol, the integrated system comprising a heat integration system for heat transfer from at least one heat source to the at least one heat sink. The at least one heat sink includes a feed stream comprising an alcohol and/or an electrolyser system having an electrochemical cell configured for carrying out a partial dehydrogenation process to produce a product stream comprising hydrogen and a co-product stream comprising a dehydrogenated product from the alcohol of the feed stream and/or an infrastructure for handling and/or storing the co- product stream. The at least one heat source includes a hydrogen fuel cell for generating electricity from the product stream of the electrolyser system, wherein operation of the hydrogen fuel cell generates heat, and/or the electrolyser system, wherein the electrolyser system is configured to operate the electrochemical cell so as to generate heat.

ELECTROCHEMICAL PROCESS AND APPARATUS

NºPublicación:  WO2025238527A1 20/11/2025
Solicitante: 
TERNARY KINETICS LTD [NZ]
TERNARY KINETICS LIMITED
WO_2025238527_PA

Resumen de: WO2025238527A1

An electrochemical process and apparatus for generating electricity from an alcohol. Electricity is generated in a hydrogen fuel cell utilising hydrogen produced by partial dehydrogenation of the alcohol in an electrolyser.

ELECTROCHEMICAL PROCESS AND APPARATUS FOR PRODUCING HYDROGEN

NºPublicación:  WO2025238524A1 20/11/2025
Solicitante: 
TERNARY KINETICS LTD [NZ]
TERNARY KINETICS LIMITED
WO_2025238524_PA

Resumen de: WO2025238524A1

An electrochemical process and apparatus for producing hydrogen and a dehydrogenated product from partial oxidation of an alcohol. The hydrogen may be utilised in a hydrogen fuel cell to generated electricity, e.g., to power a vehicle.

ELECTROCHEMICAL SYSTEM

NºPublicación:  US2025354272A1 20/11/2025
Solicitante: 
HYUNDAI MOTOR CO LTD [KR]
KIA CORP [KR]
Hyundai Motor Company,
Kia Corporation
US_2025354272_PA

Resumen de: US2025354272A1

Provided is an electrochemical system comprising a water electrolysis stack with an anode and a cathode. The system includes a reaction fluid supply line that supplies a reaction fluid to the anode, a first gas-liquid separator located in the reaction fluid supply line to separate the reaction fluid into gaseous and liquid components, and a first filter part positioned upstream of the first gas-liquid separator to filter the reaction fluid. The system further includes a first circulation line that circulates the liquid reaction fluid from the anode back to the first gas-liquid separator. Additionally, a second gas-liquid separator in a discharged fluid discharge line is connected to the cathode, with a second circulation line configured to maintain the ionic purity of the discharged fluid. The system also includes a mechanism to monitor ionic conductivity and selectively control the operation of the water electrolysis stack based on detected ionic levels.

WATER ELECTROLYSIS CELL, WATER ELECTROLYSIS CELL STACK, AND MANUFACTURING METHOD OF WATER ELECTROLYSIS CELL

NºPublicación:  US2025354277A1 20/11/2025
Solicitante: 
TOSHIBA KK [JP]
TOSHIBA ENERGY SYSTEMS & SOLUTIONS CORP [JP]
KABUSHIKI KAISHA TOSHIBA,
TOSHIBA ENERGY SYSTEMS & SOLUTIONS CORPORATION
US_2025354277_PA

Resumen de: US2025354277A1

A water electrolysis cell according to an embodiment includes: an anode electrode including an anode catalyst layer in which anode catalyst sheets are stacked via a gap, each anode catalyst sheet containing iridium oxide and being in the form of a nanosheet; a cathode electrode including a cathode catalyst layer in which cathode catalyst sheets are stacked via a gap, each cathode catalyst sheet containing platinum and being in the form of a nanosheet; and an electrolyte membrane containing a hydrocarbon-based material, placed between the anode electrode and the cathode electrode.

WATER ELECTROLYSIS PROCESS HAVING AN EXTENDED RANGE OF OPERATION AND RELATED INSTALLATION

NºPublicación:  US2025354282A1 20/11/2025
Solicitante: 
TOTALENERGIES ONETECH [FR]
TotalEnergies OneTech
US_2025354282_PA

Resumen de: US2025354282A1

A water electrolysis process includes recovering a mixture of electrolyte and dioxygen from an anodic compartment and separating it in a dioxygen separator to obtain a dioxygen stream and a dioxygen containing electrolyte stream; recovering a mixture of electrolyte and dihydrogen from an cathodic compartment and separating it in a dihydrogen separator to obtain a dihydrogen stream and a dihydrogen containing electrolyte stream; recirculating the dioxygen containing electrolyte stream and the dihydrogen containing electrolyte stream. Upon detection of conditions susceptible of leading to a dioxygen to dihydrogen ratio greater than a safety OTH threshold in the cathodic compartment or/and to a dihydrogen to dioxygen ratio greater than a safety HTO threshold in the anodic compartment, flushing dihydrogen in electrolyte fed to the or each cathodic compartment, and/or flushing dioxygen in electrolyte fed to the or each anodic compartment.

COMPOSITE FOR ELECTROCATALYSIS AND PREPARATION METHOD THEREOF

NºPublicación:  US2025354279A1 20/11/2025
Solicitante: 
HYDROLYZER DOO [RS]
Hydrolyzer DOO
EP_4650493_A1

Resumen de: US2025354279A1

The present invention relates to a method of preparing a composite material, in particular one useful as a catalyst in an electrolytic hydrogen evolution reaction and/or the oxygen evolution reaction and/or urea oxidation-assisted water electrolysis. Provided is a method of preparing a composite material, the method comprising the steps of:(i) electrochemically depositing material onto a substrate from a deposition solution comprising a nickel (II) salt and graphene oxide, to obtain a nickel-reduced graphene oxide composite material comprising nickel dispersed on reduced graphene oxide, said composite material being deposited on the substrate;(ii) after step (i), placing the substrate, having the nickel-reduced graphene oxide composite deposited thereon, in an alkaline solution along with a counter electrode; and(iii) after step (ii), partially electrochemically oxidising the nickel, to obtain a partially oxidised nickel-reduced graphene oxide composite material comprising partially oxidised nickel dispersed on reduced graphene oxide, said composite material being deposited on the substrate.The composite of the invention demonstrates high catalytic activity for electrolytic hydrogen production under alkaline water electrolysis conditions (for example, a hydrogen evolution current of up to 500 mA cm−2 at −1.35 V against a Reversible Hydrogen Electrode). High activity is demonstrated even when the substrate (on which the composite is deposited) does not contain any, or at m

CARBON CAPTURE WITH MOLTEN CARBONATE ELECTROLYSIS CELL

NºPublicación:  US2025354275A1 20/11/2025
Solicitante: 
EXXONMOBIL TECH AND ENGINEERING COMPANY [US]
EXXONMOBIL TECHNOLOGY AND ENGINEERING COMPANY

Resumen de: US2025354275A1

Systems and methods are provided for integration of molten carbonate electrolysis cells in applications for hydrogen production and for operating turbines using oxycombustion. In some aspects, the unusual output flows from an MCEC (or more typically a plurality of MCECs) can be synergistically used in combination with reverse flow reactors and/or partial oxidation units to allow for hydrogen production while also performing carbon capture. In other embodiments, the anode output from an MCEC (or a plurality of MCECs) can be used as the oxygen-containing gas for a combustion turbine or a furnace.

HYDROGEN AND OXYGEN DEPLETING SYSTEM WITHIN A WATER ELECTROLYSIS INSTALLATION AND RELATED PROCESS

NºPublicación:  US2025354283A1 20/11/2025
Solicitante: 
TOTALENERGIES ONETECH [FR]
TotalEnergies OneTech
CN_120967379_PA

Resumen de: US2025354283A1

A water electrolysis installation includes a dioxygen separator configured to separate a mixture of electrolyte and dioxygen and to obtain an electrolyte with dissolved dioxygen; a dihydrogen separator to separate a mixture of electrolyte and dihydrogen and to obtain an electrolyte with dissolved dihydrogen; a recombination zone configured to receive the electrolytes to produce, at a mixing region, a mixed electrolyte stream. The installation includes a dihydrogen and/or dioxygen depleting system, including a catalyst configured to react dioxygen and dihydrogen dissolved in the mixed electrolyte stream, to produce a treated electrolyte stream with reduced dioxygen and dihydrogen. The depleting system is positioned in contact with the mixed electrolyte stream downstream of the mixing region and upstream of the inlet of the electrochemical stack device.

Framing Structure For An Electrolyser

NºPublicación:  US2025354276A1 20/11/2025
Solicitante: 
VIERING JENTSCHURA & PARTNER MBB PATENT UND RECHTSANWAELTE [DE]
Viering, Jentschura & Partner mbB Patent- und Rechtsanw\u00E4lte
CA_3247505_A1

Resumen de: US2025354276A1

The present invention relates to a framing structure for an electrolyser subject to internal pressure, able to withstand corrosive environments and radial pressure forces. The present invention also relates to an electrolytic cell and electrolyser equipped with said framing structure, as well as its use in high-pressure water electrolysis applications.

ELECTROCHEMICAL WATER SPLITTING WITH A NIVOX CATALYST

NºPublicación:  US2025354278A1 20/11/2025
Solicitante: 
UNIV KING FAHD PET & MINERALS [SA]
KING FAHD UNIVERSITY OF PETROLEUM AND MINERALS
US_2025354278_PA

Resumen de: US2025354278A1

An electrocatalyst and a method of preparing the electrocatalyst are described. The electrocatalyst includes a porous foam substrate; and a catalytically active layer comprising NiVOx nanostructures, the catalytically active layer being disposed on an exterior surface and an interior pore surface of the porous metal foam substrate; where “x” is in the range of 1 to 3. A method of using the electrocatalyst for water oxidation is also described.

SYSTEM AND METHOD FOR INCREASING HYDROGEN PRODUCTION IN ELECTROLYZERS

NºPublicación:  US2025354280A1 20/11/2025
Solicitante: 
T C ERCIYES UNIV [TR]
T.C. ERCIYES UNIVERSITESI
JP_2025520258_PA

Resumen de: US2025354280A1

Polymer electrolysis membrane (PEM) or alkali electrolyzers are provided. The PEM or alkali electrolyzers have a compact structure that produces high-purity hydrogen and a device and method for increasing the hydrogen production efficiency of these devices. An electrolyzer control circuit includes: an electrolysis cell, a mosfet, a square wave oscillator integration, a potentiometer, a mosfet driver integration, a first resistance, a second resistance, a first adjustable direct current power supply, a second adjustable direct current power supply, and an oscilloscope.

ELECTRIC ENERGY CONVERSION UNIT, ESPECIALLY FOR THE USE OF ELECTRICITY WITH TIME-VARYING POWER FOR THE PRODUCTION OF HYDROGEN GAS

NºPublicación:  WO2025238387A1 20/11/2025
Solicitante: 
SZARVAS TIBOR ZOLTAN [HU]
SZARVAS, Tibor Zolt\u00E1n
WO_2025238387_PA

Resumen de: WO2025238387A1

The subject of the invention relates to an electric energy conversion unit, especially for the use of electricity with time-varying power for the production of hydrogen gas, which has a current conducting piece (2) provided with an input gate (3) that may be connected to the electrical energy supply unit (4), at least one hydrogen gas production subunit (20) connected to the current conducting piece (2), and at least one hydrogen gas storage tank (30) connected to the hydrogen gas production subunit (20), where the hydrogen gas production subunit (20) has an electrolysing cell (21), and the gas output (21a) of the electrolysing cell (21) is connected to the input pipe (31)of the hydrogen gas storage tank (30), and the hydrogen gas storage tank (30) is provided with an unloading pipe (32). It is characteristic of the invention that an electric current regulation subunit (10) is fitted between the input gate (3) of the current conducting piece (2) and the hydrogen gas production subunit (20), where the electric current regulation subunit (10) has at least one transformer (11), a rectifier device (12) and a current intensity regulation device (13), and the current intensity regulation device (13) is interposed between the input gate (3) of the current conducting piece (2) and the input (11a) of the transformer (11), or between the output (11) of the transformer (11) and the input (12a) of the rectifier device (12), or between two transformers (11) in the case of several transfor

ALLOY MATERIALS AND RELATED METHODS FOR PROCESSING HYDROGEN SULFIDE

NºPublicación:  WO2025240133A1 20/11/2025
Solicitante: 
SAUDI ARABIAN OIL CO [SA]
ARAMCO SERVICES CO [US]
SAUDI ARABIAN OIL COMPANY,
ARAMCO SERVICES COMPANY
WO_2025240133_A1

Resumen de: WO2025240133A1

A method utilizing the multi-metal composition is disclosed. The multi-metal composition may comprise: an alloy comprising at least five elements selected from the group consisting of Co, Cr, Fe, Mn, Ni, Al, Mg, Cu, Zn, Zr, Ru, Rh, Pd, Ag, W, Re, Ir, Pt, Pd, Au, Ce, Yb, Sn, Ca, Be, Mo, V, W, and Sr. The method may comprise: providing a multi-metal composition comprising an alloy comprising at least five elements selected from the group consisting of Co, Cr, Fe, Mn, Ni, Al, Mg, Cu, Zn, Zr, Ru, Rh, Pd, Ag, W, Re, Ir, Pt, Pd, Au, Ce, Yb, Sn, Ca, Be, Mo, V, W, and Sr; and interacting a gas stream comprising hydrogen sulfide with the multi-metal composition.

LUNAR WATER COLLECTION DEVICE

NºPublicación:  US2025354490A1 20/11/2025
Solicitante: 
BLUE ORIGIN MFG LLC [US]
Blue Origin Manufacturing, LLC
US_2024035379_PA

Resumen de: US2025354490A1

Techniques and systems extract water from lunar regolith using microwave radiation and may also produce fuel from the extracted water. The system can distill the extracted water to remove impurities before electrolyzing the purified water into oxygen and hydrogen gases, which may then be cooled to form liquid oxygen and liquid hydrogen. A portion of the system may reside on a lunar landing module. Another portion of the system may be affixed to a robotic arm that is extendable from the lunar landing module. This portion of the system includes a water extraction unit, comprising a cone used as a cold trap. The cone may include cooling channels to keep the temperature of the smooth inner surface of the cone cold enough to trap particles of frost that attach to the inner surface. The frost is then scraped from the inner surface and collected.

PRODUCTION OF NANOCHALCOGENIDES FOR USE IN ELECTROCATALYSIS

NºPublicación:  US2025353758A1 20/11/2025
Solicitante: 
THE GOVERNING COUNCIL OF THE UNIV OF TORONTO [CA]
TOTALENERGIES ONETECH [FR]
THE GOVERNING COUNCIL OF THE UNIVERSITY OF TORONTO,
TOTALENERGIES ONETECH
US_2021162392_A1

Resumen de: US2025353758A1

The present description relates to metal alloy electrocatalysts, preferably composed of Ni and Co as transition metals and Se as a chalcogen. The electrocatalysts can take the form of nanochalcogenides that can be made using cryogenic milling followed by surfactant-assistant milling. The electrocatalysts can be used in the context of water electrolysis or electroreduction of CO2 gas into carbon based products.

METHODS AND PROCESSES FOR THE USE OF CALCIUM- AND MAGNESIUM-BEARING OXIDES, HYDROXIDES, AND SILICATES; CALCIUM- AND MAGNESIUM-BEARING AQUEOUS STREAMS TO CAPTURE, CONVERT, AND STORE CARBON DIOXIDE AND PRODUCE HYDROGEN

NºPublicación:  US2025353740A1 20/11/2025
Solicitante: 
UNIV CORNELL [US]
Cornell University
US_2025353740_PA

Resumen de: US2025353740A1

The present disclosure relates to methods for producing hydrogen and calcium- or magnesium-bearing carbonates by capturing, converting, and storing carbon dioxide. The methods may include providing one or more calcium- or magnesium-bearing compounds; providing one or more water-soluble oxygenates; providing a plurality of catalysts; and reacting one or more calcium- or magnesium-bearing compounds and one or more water-soluble oxygenates with plurality of catalysts under conditions to produce hydrogen and calcium- or magnesium-bearing carbonates. The methods may include providing one or more calcium- or magnesium-bearing silicates; providing carbon monoxide; providing water vapor; and reacting one or more calcium- or magnesium-bearing silicates, carbon monoxide, and water vapor. The methods may include providing one or more calcium- or magnesium-bearing compounds; providing one or more water-soluble oxygenates; providing a catalyst; and reacting one or more calcium- or magnesium-bearing compounds and one or more water-soluble oxygenates with said catalyst.

ALLOY MATERIALS AND RELATED METHODS FOR PROCESSING HYDROGEN SULFIDE

NºPublicación:  US2025353743A1 20/11/2025
Solicitante: 
SAUDI ARABIAN OIL CO [SA]
SAUDI ARABIAN OIL COMPANY
US_2025353743_PA

Resumen de: US2025353743A1

A multi-metal composition and a method utilizing the multi-metal composition is disclosed. The multi-metal composition may comprise: an alloy comprising at least five elements selected from the group consisting of Co, Cr, Fe, Mn, Ni, Al, Mg, Cu, Zn, Zr, Ru, Rh, Pd, Ag, W, Re, Ir, Pt, Pd, Au, Ce, Yb, Sn, Ca, Be, Mo, V, W, and Sr. The method may comprise: providing a multi-metal composition comprising an alloy comprising at least five elements selected from the group consisting of Co, Cr, Fe, Mn, Ni, Al, Mg, Cu, Zn, Zr, Ru, Rh, Pd, Ag, W, Re, Ir, Pt, Pd, Au, Ce, Yb, Sn, Ca, Be, Mo, V, W, and Sr; and interacting a gas stream comprising hydrogen sulfide with the multi-metal composition.

METHODS FOR PHOTOCATALYTIC WATER SPLITTING OF PRODUCED WATERS

NºPublicación:  US2025353738A1 20/11/2025
Solicitante: 
SAUDI ARABIAN OIL CO [SA]
SAUDI ARABIAN OIL COMPANY
US_2025353738_A1

Resumen de: US2025353738A1

Methods for photocatalytic water splitting of produced waters may comprise introducing a photocatalyst comprising a semiconductor to a produced water comprising ions of sodium, chloride, calcium, magnesium, potassium, sulfate, barium, iron, lithium, strontium, or any combination thereof; in the presence of sunlight, allowing the photocatalyst to facilitate a reduction-oxidation reaction of a plurality of water molecules from the produced water; and obtaining hydrogen and oxygen.

Method to process borate by-products from sodium borohydride hydrolysis

NºPublicación:  US2025353754A1 20/11/2025
Solicitante: 
UNIV DO PORTO [PT]
LABORATORIO NAC DE ENERGIA E GEOLOGIA [PT]
UNIVERSIDADE DO PORTO,
LABORAT\u00D3RIO NACIONAL DE ENERGIA E GEOLOGIA
US_2025353754_PA

Resumen de: US2025353754A1

The present disclosure relates to a method for processing a liquid by-product of sodium borohydride hydrolysis to obtain a borate compound, the method comprising the following steps: separating the liquid by-product by sedimentation, to obtain a borate-rich supernatant; drying the borate-rich supernatant under vacuum to obtain a solid composition comprising a borate compound. An aspect of the present disclosure relates composition obtainable by the disclosed method comprising at least 90% (w/w) of sodium boron hydroxide and its use as a source of borate in the production of sodium borohydride and/or hydrogen.

A PIEZO PHOTOCATALYTIC PROCESS FOR THE PRODUCTION OF HYDROGEN FROM WATER

NºPublicación:  US2025353739A1 20/11/2025
Solicitante: 
NEWSOUTH INNOVATIONS PTY LTD [AU]
NEWSOUTH INNOVATIONS PTY LIMITED
AU_2023277213_PA

Resumen de: US2025353739A1

The present invention is directed to piezo photocatalytic process for the production of hydrogen from water, wherein the process comprises the steps of: (a) providing non-metal-doped barium titanate which includes at least one defect; (b) contacting the non-metal-doped barium titanate provided in step (a) with water to form a mixture; and (c) subjecting the mixture formed in step (b) to: (i) actinic radiation; and (ii) mechanical force, to produce hydrogen from the water, as well as non-metal-doped barium titanate and methods of production thereof.

SYSTEM AND METHOD FOR STABILIZING THE OPERATION OF FACILITIES USING HYDROGEN PRODUCED BY LOW CARBON SOURCES

Nº publicación: US2025353737A1 20/11/2025

Solicitante:

PACHPANDE SUNIL NIVRUTTI [IN]
BALIGA SATISH BANTWAL [US]
FENG ZHENTAO [US]
YAMALIDOU EKATERINI [US]
KELLOGG BROWN & ROOT LLC [US]
Pachpande Sunil Nivrutti,
Baliga Satish Bantwal,
Feng Zhentao,
Yamalidou Ekaterini,
KELLOGG BROWN & ROOT LLC

WO_2025240177_PA

Resumen de: US2025353737A1

A system and a method for stabilizing hydrogen flow to a downstream process in a facility determining a hydrogen density and pressure profiles in the hydrogen storage unit for different target net hydrogen flows at different time intervals of a time horizon of a renewable power availability profile, determining an operating target net hydrogen flow of a hydrogen feed to the downstream process, determining a target direct hydrogen flow of a hydrogen feed and a target stored hydrogen flow of a hydrogen feed to the downstream process, and controlling the operation of the downstream process based on the operating target hydrogen flows.

traducir