Ministerio de Industria, Turismo y Comercio LogoMinisterior
 

Alerta

Resultados 521 resultados
LastUpdate Última actualización 02/12/2025 [06:53:00]
pdfxls
Solicitudes publicadas en los últimos 15 días / Applications published in the last 15 days
previousPage Resultados 125 a 150 de 521 nextPage  

一种基于MES的产线自动化系统

NºPublicación:  CN121028689A 28/11/2025
Solicitante: 
卡莱特云科技股份有限公司
CN_121028689_PA

Resumen de: CN121028689A

本申请涉及一种基于MES的产线自动化系统,属于智能制造的技术领域,其包括:MES系统、仓储管理系统、生产设备控制系统和AGV小车控制系统;MES系统用于获取订单信息;仓储管理系统用于基于订单信息确定生产原材料和数量并生成出库指令,将出库指令发送至AGV小车控制系统;AGV小车控制系统用于响应出库指令,控制AVG小车将生产原材料运输至制造车间对应的位置;生产设备控制系统用于确定工艺参数,控制生产设备基于工艺参数进行加工,得到模组产品;对模组产品进行质量检测,得到检测数据并上传至MES系统。本申请具有通过MES系统的订单信息驱动AGV小车运输生产原材料,生产设备的数据反哺MES系统,形成计划-执行-反馈闭环,提高整体生产效率的效果。

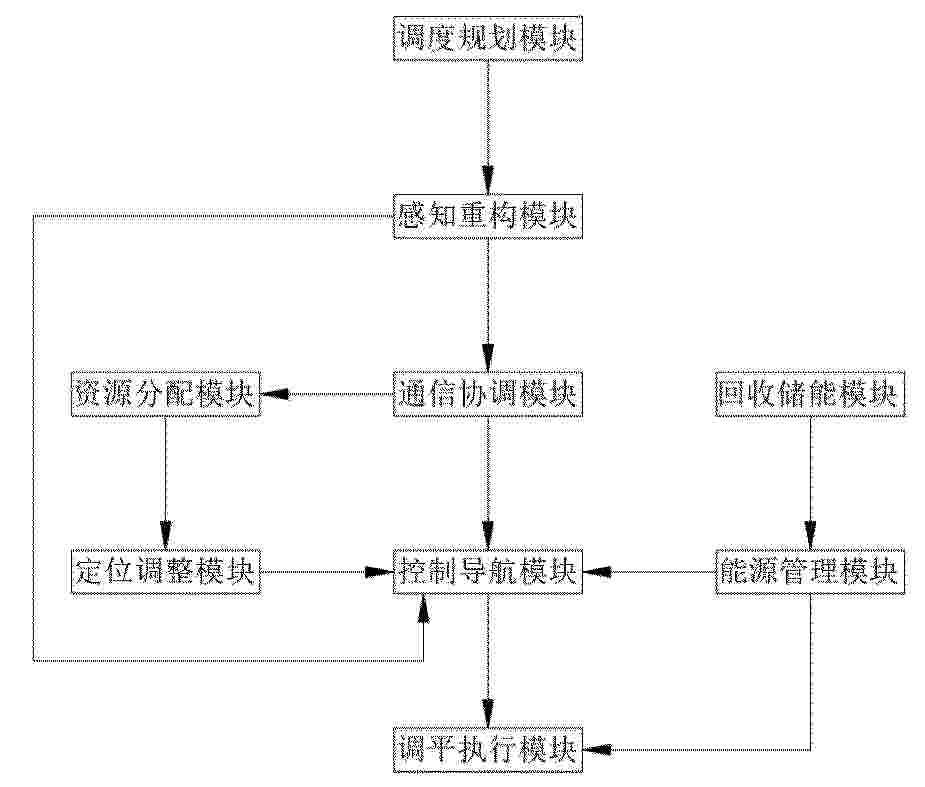
一种AGV入库小车及其入库路径规划方法

NºPublicación:  CN121020064A 28/11/2025
Solicitante: 
宁波发现国际物流有限公司
CN_121020064_PA

Resumen de: CN121020064A

本发明公开了一种AGV入库小车及其入库路径规划方法,属于仓储物流技术领域,包括调度规划模块、感知重构模块、控制导航模块、通信协调模块、资源分配模块、定位调整模块、调平执行模块、回收储能模块以及能源管理模块;本发明提高路径的效率与鲁棒性,实现各AGV入库小车间的冲突检测和优先级调度,减少拥堵与碰撞,确保入库动作稳定可靠;同时确保微调路径可行性与执行稳定性,实现资源的动态、合理、高效分配与回收,提升整体调度效率,进而保证任务连续性。

商品车运输线路成本预测与异常监测方法、电子设备及介质

NºPublicación:  CN121032596A 28/11/2025
Solicitante: 
中都数科供应链管理有限公司
CN_121032596_PA

Resumen de: CN121032596A

本申请公开了一种商品车运输线路成本预测与异常监测方法、电子设备及介质。该方法可以包括:针对标准起始地址和标准目的地址进行识别与转换,获得对应的经纬度坐标;根据经纬度坐标确定行驶路径;根据行驶路径确定合计里程;根据合计里程计算多个类型费用,将各个费用相加获得线路总成本;基于线路总成本进行异常监测与预警。本发明获得准确、实时的成本数据和异常预警信息,能为企业管理层提供全面、及时的决策支持。

一种基于食品大数据的食品流通数据分析方法及系统

NºPublicación:  CN121032354A 28/11/2025
Solicitante: 
北京小黄象食品科技有限公司
CN_121032354_PA

Resumen de: CN121032354A

本发明公开一种基于食品大数据的食品流通数据分析方法及系统,所述分析方法包括以下步骤:收集食品流通数据,通过多源异构数据融合引擎整合数据,构建三维特征矩阵,采用张量分解技术消除数据的量纲差异;根据收集的食品流通数据组成路径拓扑,基于局部离群因子算法结合多参数熵值计算每个物流节点的异常置信度,结合时间滑动窗口机制更新异常置信度;创建流通效率指数,构建新鲜度衰减模型,基于模糊层次分析法将流通效率指数与新鲜度衰减值进行非线性加权,生成流通质量评估值;建立弹性供需预测模型,确定节点最优库存分配策略;根据最优库存分配策略,实现运输网络自适应调整。本发明通过收集食品流通数据进行分析,提高了食品流通的效率。

订单数据的处理方法以及相关装置

NºPublicación:  CN121032385A 28/11/2025
Solicitante: 
顺丰科技有限公司
CN_121032385_PA

Resumen de: CN121032385A

本说明书实施例提供了一种订单数据的处理方法,该方法通过获取订单数据,并基于订单数据包含的库存单位生成提总清单;然后确定库存单位对应的商品属性,并确定提总清单在立体存储区中指示的多个目标货位;并控制第一运输设备从目标货位获取商品料箱,并将商品料箱运输至商品属性对应的货物缓存区;然后响应于订单数据对应的执行任务的输入,控制第二运输设备从货物缓存区获取执行任务指示的商品料箱,并将商品料箱进行分拣后运输至输送线;进而通过输送线对执行任务进行处理,以执行订单数据对应的出库流程。从而实现多种运输设备的接力运输过程,使得不同运输设备可以充分结合自身的功能特点执行运输任务,提高了订单数据的处理效率。

基于物联网的鸡肉新鲜度检测方法

NºPublicación:  CN121027229A 28/11/2025
Solicitante: 
高密市南洋食品有限公司

Resumen de: CN121027229A

本发明涉及肉类新鲜度检测技术领域,尤其涉及一种基于物联网的鸡肉新鲜度检测方法,获取冷加工后的生鲜鸡肉,检测鸡肉的表面温度以确定按压力值、检测时间窗口以及延迟时间;对鸡肉施加按压力值并保持预设时间后解除压力,基于所述检测时间窗口,对待检测鸡肉的按压区域进行阻抗测量,得到恢复速率值和结构强度值;基于恢复速率值和结构强度值,确定鸡肉的检测新鲜度并输出至物联网终端;在冷链物流中,通过温度传感器获取鸡肉所处的环境温度,记录其环境温度偏差值以及对应的偏差持续时间并得到基础热负荷;根据有效热负荷更新检测新鲜度,得到生鲜鸡肉的当前校正新鲜度。本发明实现了鸡肉新鲜度的准确检测和动态修正。

一种自动化搬送OHT路径选择方法

NºPublicación:  CN121032375A 28/11/2025
Solicitante: 
江苏道达智能科技有限公司
CN_121032375_PA

Resumen de: CN121032375A

本发明涉及自动化物流搬送技术领域,公开了一种自动化搬送OHT路径选择方法,包括以下步骤:采集OHT实时状态及位置数据、轨道网络环境参数以及晶圆厂各区域内OHT数量;对历史OHT通行数据进行预处理;基于地图数据结构生成从起点到终点的路径集合;计算各路径的动态权重值并排序;基于凸优化、排队论以及LSTM预测对路径进行优化决策;根据优化决策确定最终执行路径并下发至OHT。通过自动化搬送OHT路径选择方法通过多流程操作,涵盖数据采集、预处理、路径集合生成、权重计算等,确定符合实际且具前瞻性的路径,同时利用实时监控与闭环反馈优化动态调整路径规划,进而提升搬送效率。解决了传统路径选择方法中搬送效率低的问题。

基于机器学习的大规模数据分析预测系统

NºPublicación:  CN121031663A 28/11/2025
Solicitante: 
北方民族大学
CN_121031663_PA

Resumen de: CN121031663A

本发明公开了一种基于机器学习的大规模数据分析预测系统,涉及机器学习和大数据技术领域。本发明包括数据采集模块、数据预处理模块、特征工程模块、机器学习预测模型模块、模型训练模块、分析预测输出模块和可视化展示模块。本发明通过测试集返回的预测精度选择最优的BPNN架构,获取包含最优初始化权重和偏置的最佳神经网络架构,利用机器学习模型预测未来状态,对指导路径进行动态调整,实现了物流信息的精准分析,提高物流效率,降低了物流的运营成本。

基于长短时神经网络的船舶到港时间高精度预测方法、设备、存储介质

NºPublicación:  CN121031867A 28/11/2025
Solicitante: 
东南大学
CN_121031867_PA

Resumen de: CN121031867A

本发明涉及一种基于长短时神经网络的船舶到港时间高精度预测方法、设备、存储介质,先将AIS与航海日志按小时聚合并在滑动窗口内空间匹配,生成融合航速;继而对气象数据进行反距离加权插值,补全风浪参数并统一船舶静态信息编码。随后将三类数据同步至统一时序轴,经轨迹分割与卡尔曼滤波平滑后,利用递归特征消除与交叉验证筛选最优特征子集,并以之为输入训练双向长短期记忆网络模型,最终实现对船舶到港时间的精准预测。与现有技术相比,本发明综合运用长短期记忆网络(LSTM)、注意力机制(Attention),实现了对船舶ETA的高精度、实时预测,可广泛应用于港口调度、航运管理和智能物流等场景。

PERSONALIZED PRESENTATION OF CONTENT BASED ON LOCATION DATA CAPTURED FROM SMART CART SYSTEMS

NºPublicación:  US2025363526A1 27/11/2025
Solicitante: 
MAPLEBEAR INC [US]
Maplebear Inc
US_2025363526_PA

Resumen de: US2025363526A1

A system stores content items at a content data store, each content item corresponding to an item within an environment. The system accesses location data captured by a plurality of location sensors in the environment, each coupled to a smart cart system located within the environment. The location data indicates a current location of a corresponding smart cart system. The system computes a number of smart cart systems within a threshold area around a display screen within the environment based on the location data. The system computes a presentation score for each of the content items by combining a context relevance score and a personal relevance score weighted based on a personalization weighting. The system selects a subset of the content items for display based on the presentation scores and causes the display screen to present the subset of content items.

SYSTEMS AND METHODS FOR SHELF SPACE OPTIMIZATION

NºPublicación:  WO2025243096A1 27/11/2025
Solicitante: 
KENVUE BRANDS LLC [US]
KENVUE BRANDS LLC
WO_2025243096_PA

Resumen de: WO2025243096A1

Systems and methos for generating a schematic for shelf space in a retail environment include acquiring fixture data for a fixture; acquiring item data for a plurality of items to be displayed on fixture; importing an existing planogram, the imported existing planogram comprising an existing location of each item of the plurality of items on the fixture; based on identified assortment rules, generating an updated planogram for the fixture, the generated updated planogram for the fixture including an optimized placement of the plurality of items on the fixture; and generating the schematic based on the generated updated planogram, the generated recommended schematic including a sequence of the plurality of items included in the generated updated planogram.

ECOMMERCE PRODUCT MANAGEMENT USING INSTANT MESSAGING

NºPublicación:  US2025363538A1 27/11/2025
Solicitante: 
LOOP NOW TECH INC [US]
Loop Now Technologies, Inc
US_2025363538_PA

Resumen de: US2025363538A1

Techniques for inventory and product control are disclosed. An instant messaging (IM) system that recognizes an ecommerce business entity as a valid IM system identity is accessed. The IM system interfaces between one or more customers and the ecommerce business entity. The ecommerce business entity identity is bound to one or more back-office management systems. One or more products for sale are detected in an IM thread between the ecommerce entity and one or more customers. A product description page (PDP) based on the one or more detected products is created. A link to the PDP is provided to the ecommerce business entity. The ecommerce business entity sends the PDP link to the one or more customers. The IM system collects responses from the customers and manages products of the ecommerce business using the back-office management systems, including inventory, ordering, shipping, and transaction processing.

SYSTEM AND METHOD FOR MANAGING A WAREHOUSE ON A FARM

NºPublicación:  US2025363570A1 27/11/2025
Solicitante: 
CLAAS OMAHA INC [US]
CLAAS Omaha Inc
US_2025363570_PA

Resumen de: US2025363570A1

A system and method for managing a warehouse on a farm. The system comprises a server, a database, and at least one user end device. A module for managing the warehouse and information and/or criteria for managing the warehouse is stored in the database. The module is executable by the at least one user end device and the server is hosting the module for the at least one user end device. Upon execution of the module by the at least one user end device, the module is configured to manage a stock of spare parts in the warehouse based on the information and/or criteria stored in the database.

METHOD FOR AUTONOMOUS PRODUCT DETECTION AND RECOGNITION ON INVENTORY STRUCTURES WITHIN A STORE

NºPublicación:  US2025363807A1 27/11/2025
Solicitante: 
SIMBE ROBOTICS INC [US]
Simbe Robotics, Inc
US_2025363807_PA

Resumen de: US2025363807A1

One variation of a method includes: accessing an image of an inventory structure captured by a robotic system navigating within a facility; detecting an object occupying a slot in the inventory structure depicted in the image; extracting a set of visual features from the image; representing the set of visual features in a vector; projecting the vector into a multi-dimensional space populated template vectors representing product units of verified product types within the facility; calculating a similarity score between the set of visual features and template visual features represented in a cluster of template vectors in the multi-dimensional space, based on proximity between the vector and the cluster of template vectors; and, in response to the similarity score exceeding a threshold score, identifying the object as a product unit of a first product type affiliated with a first product identifier associated with the cluster of template vectors.

CREATING GOLFER PROFILES USING DRIVING HABITS

NºPublicación:  US2025363540A1 27/11/2025
Solicitante: 
TEXTRON INC [US]
Textron Inc
US_2025363540_PA

Resumen de: US2025363540A1

A golf system includes one or more processing circuits including one or more memory devices coupled to one or more processors. The one or more memory devices are configured to store instructions thereon that, when executed by the one or more processors, cause the one or more processors to associate an identifier of a respective player assigned to a golf cart with the golf cart, monitor at least one of locations of the golf cart about a golf course or purchases made on the golf course associated with the identifier, and update a player profile for the respective player based on the identifier and the at least one of the locations of the golf cart or the purchases.

SYSTEM AND METHOD OF OBJECT TRACKING USING WEIGHT CONFIRMATION

NºPublicación:  US2025363446A1 27/11/2025
Solicitante: 
POSITION IMAGING INC [US]
Position Imaging, Inc
US_2025363446_PA

Resumen de: US2025363446A1

Methods and systems for tracking an object comprise a horizontal surface upon which objects are to be placed, a weight sensor disposed on one side of the horizontal surface, and a processor in communication with the weight sensor. The processor is adapted to detect a change in weight measured by the weight sensor, to associate the detected weight change with an identified object and with a location on the horizontal surface, and to confirm whether a cause of the weight change at the location on the horizontal surface corresponds to a proper handling of the identified object.

METHOD AND SYSTEM FOR PROVIDING TECHNICAL SERVICE TO AN AGRICULTURAL WORKING MACHINE

NºPublicación:  US2025363434A1 27/11/2025
Solicitante: 
CLAAS OMAHA INC [US]
CLAAS Omaha Inc
US_2025363434_PA

Resumen de: US2025363434A1

A method and system for providing technical service to an agricultural working machine. A digital service module of a server, configured to coordinate the technical service, may receive a request for service. The request for service may include at least one part and at least one service needed to fix the problem of the agricultural working machine. The digital service module is divided into a plurality of subsystems and follow a multi-target optimization strategy during planning and implementing the service events.

PACKING STATION MONITORING SYSTEM AND METHOD

NºPublicación:  US2025363443A1 27/11/2025
Solicitante: 
SMART GLADIATOR LLC [US]
Smart Gladiator LLC
US_2025363443_PA

Resumen de: US2025363443A1

A packing station monitoring system may comprise a support arm configured to be mounted above a packing station. A content capture device may be mounted on the support arm. The content capture device may comprise a camera. A computing device may be in communication with the content capture device. The computing device may comprise a processor and a memory storing instructions. The instructions may cause the computing device to receive an identifier associated with a carton to be packed. The identifier may be decoded to retrieve metadata associated with the carton. Content capture may be initiated for a time duration. Content capture may be stopped in response to the time duration elapsing or receipt of a command to end recording. The captured content and metadata may be uploaded to a data store.

SYSTEMS AND METHODS FOR MACHINE VISION BASED OBJECT RECOGNITION

NºPublicación:  US2025363445A1 27/11/2025
Solicitante: 
SYNCHRONY BANK [US]
Synchrony Bank
US_2025363445_PA

Resumen de: US2025363445A1

The present disclosure is related to object recognition and tracking using multi-camera driven machine vision. In one aspect, a method includes capturing, via a multi-camera system, a plurality of images of a user, each of the plurality of images representing the user from a unique angle; identifying, using the plurality of images, the user; detecting, throughout a facility, an item selected by the user; creating a visual model of the item to track movement of the item throughout the facility; determining, using the visual model, whether the item is selected for purchase; and detecting that the user is leaving the facility; and processing a transaction for the item when the item is selected for purchase and when the user has left the facility.

SYSTEMS AND METHODS FOR SHELF SPACE OPTIMIZATION

NºPublicación:  US2025363428A1 27/11/2025
Solicitante: 
KENVUE BRANDS LLC [US]
Kenvue Brands LLC
US_2025363428_PA

Resumen de: US2025363428A1

Systems and methos for generating a schematic for shelf space in a retail environment include acquiring fixture data for a fixture; acquiring item data for a plurality of items to be displayed on fixture; importing an existing planogram, the imported existing planogram comprising an existing location of each item of the plurality of items on the fixture; based on identified assortment rules, generating an updated planogram for the fixture, the generated updated planogram for the fixture including an optimized placement of the plurality of items on the fixture; and generating the schematic based on the generated updated planogram, the generated recommended schematic including a sequence of the plurality of items included in the generated updated planogram.

SYSTEM AND METHOD FOR PLANNING TECHNICAL SERVICE TO AN AGRICULTURAL MACHINE

NºPublicación:  US2025363465A1 27/11/2025
Solicitante: 
CLAAS OMAHA INC [US]
CLAAS Omaha Inc
US_2025363465_PA

Resumen de: US2025363465A1

A system and method for planning technical service to at least one agricultural machine on at least one farm in a region. The system comprises a server, a database and a computational device. A module, executable by the computational device, for planning technical service to the at least one agricultural machine and a crop cultivation map for the region are stored in the database. Upon execution of the module by the computational device, the module is configured to generate a service network plan for the region to provide technical service to the at least one agricultural machine based on the crop cultivation map.

PROCESSING DEVICE, PROCESSING SYSTEM, PROCESSING METHOD, AND RECORDING MEDIUM

NºPublicación:  US2025363393A1 27/11/2025
Solicitante: 
NEC CORP [JP]
NEC Corporation
US_2025363393_PA

Resumen de: US2025363393A1

A calculator includes a memory configured to store instructions; and a processor configured to execute the instructions to: generate a predictive model for predicting a required work time of a task according to a combination of resources based on a combination of one or more types of tasks included in predetermined work and one or more skills required to execute the task, one or more types of resources for executing the predetermined work, a quantity of each of the resources, and a skill possessed by each of the resources; and identify the combination of the resources for completing the predetermined work based on the quantity of each of the tasks and the predictive model.

SYSTEM AND METHOD FOR PERFORMING AN AGRICULTURAL PROCESS IN LINE WITH AN INSURANCE POLICY BY OPERATING AN AGRICULTURAL WORKING MACHINE BY A CUSTOMER

NºPublicación:  US2025363452A1 27/11/2025
Solicitante: 
CLAAS OMAHA INC [US]
CLAAS Omaha Inc
US_2025363452_PA

Resumen de: US2025363452A1

A method and system for performing an agricultural process in line with an insurance policy. An agricultural working machine is operated by a customer. A digital service module, which may be hosted on a server, comprises an insurance policy management system to ensure to stay in line with the insurance policy at least partly while performing the agricultural process. The digital service module plans and implements the service events based on an optimization strategy, which may comprise a multi-target optimization strategy based on a number of weighted optimization criteria, which may be at least partly derived from insurance policy information.

SYSTEM AND METHOD FOR MANAGING A STOCKING OF A WAREHOUSE ON A FARM

NºPublicación:  US2025363450A1 27/11/2025
Solicitante: 
CLAAS OMAHA INC [US]
CLAAS Omaha Inc
US_2025363450_PA

Resumen de: US2025363450A1

A system and method for managing a stocking of a warehouse on a farm. The system comprises a server, a database, and a computational device. A module for managing the stocking of the warehouse with spare parts and information and/or criteria regarding the stocking of the warehouse are stored in the database. The module is executable by the computational device, with the server hosting the module for the computational device. Upon execution of the module by the computational device, the module is configured to automatically plan, coordinate, and supervise the stocking of the warehouse with spare parts based on the information and/or criteria stored in the database.

AUTOMATIC CONTROL SYSTEM FOR A PRINTER SYSTEM

Nº publicación: US2025362847A1 27/11/2025

Solicitante:

RUSSELL STEWART [GB]
PATEL DILIP [GB]
RUSSELL Stewart,
PATEL Dilip

US_2025362847_PA

Resumen de: US2025362847A1

The present invention relates to an automated printer system for loading a printed set of printed material items into a container. The printer system is operative to determine which printer device, from one or more available printer devices, to output a print job to, for controlling the printer devices based on identifier marks provided on containers.

traducir