Ministerio de Industria, Turismo y Comercio LogoMinisterior
 

Hidrógeno electrolítico

Resultados 966 resultados
LastUpdate Última actualización 04/04/2026 [07:06:00]
pdfxls
Publicaciones de solicitudes de patente de los últimos 60 días/Applications published in the last 60 days
previousPage Resultados 250 a 275 de 966 nextPage  

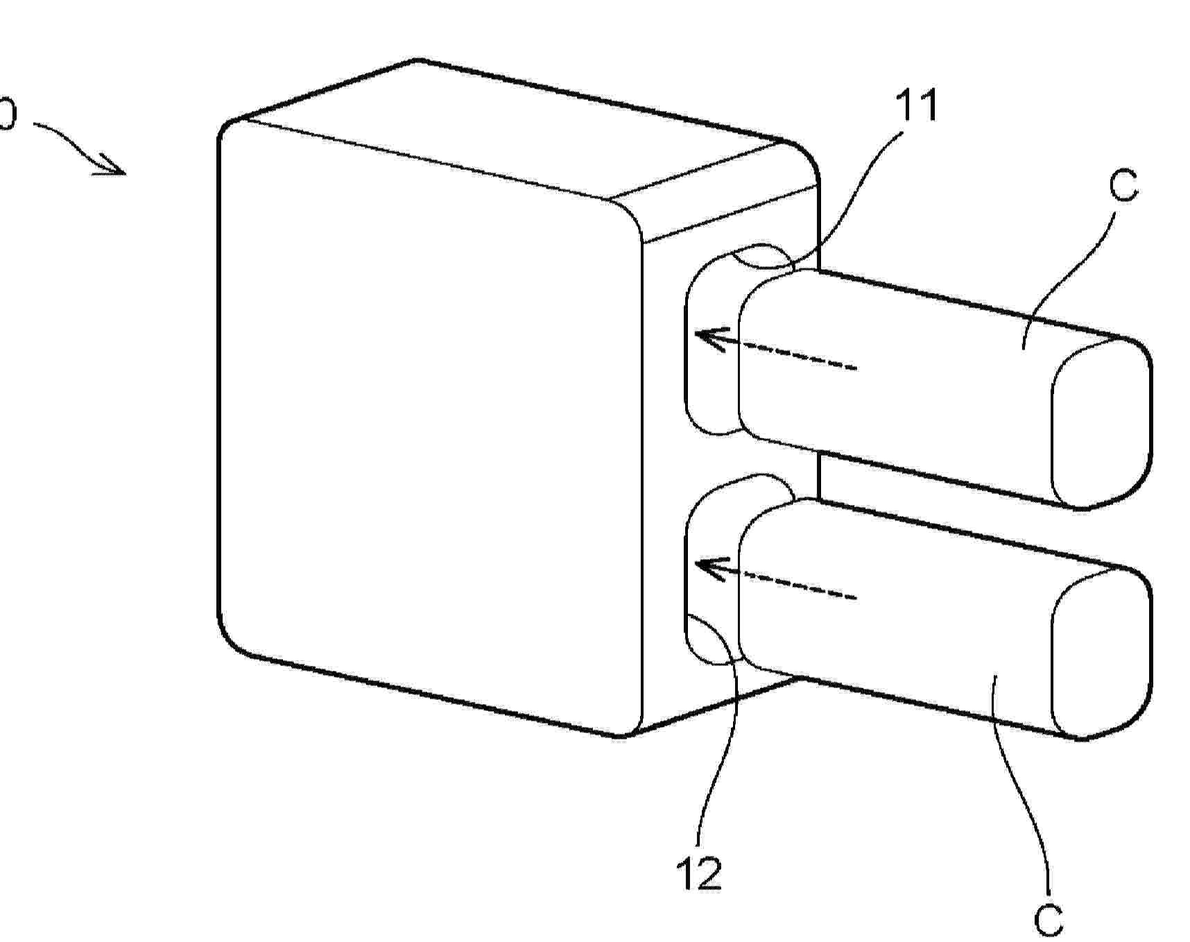
ELECTROLYSIS SYSTEM

NºPublicación:  WO2026052657A1 12/03/2026
Solicitante: 
ROBERT BOSCH GMBH [DE]
ROBERT BOSCH GMBH
WO_2026052657_PA

Resumen de: WO2026052657A1

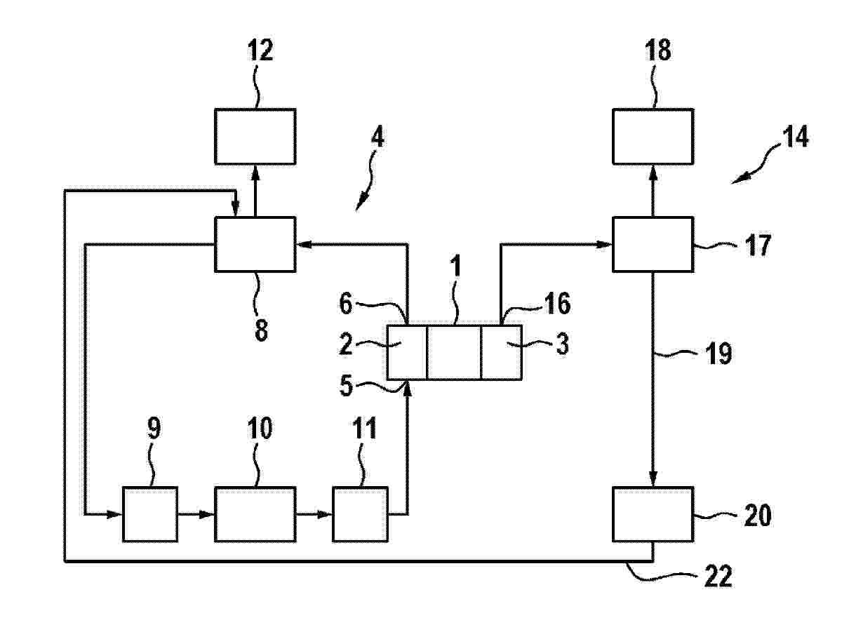
The invention relates to an electrolysis system for electrolytically splitting water into hydrogen and oxygen, comprising an electrolytic cell (1) having an anode chamber (2) and a cathode chamber (3) that are separated from one another by a semipermeable barrier, and comprising an anode water circuit (4) which supplies the anode chamber (2) with water via an anode inlet (5) and which receives water from the anode chamber (2) via an anode outlet (6), wherein a gas-water separator (8) and a pump device (9) are disposed in the anode water circuit (4). The water from the cathode chamber (3) is received in a cathode water pathway (14) and fed into the anode water circuit (4), with a second gas-water separator (17) being disposed in the cathode water pathway (14) and an ion exchanger (10) for removing metal ions being disposed in the anode water circuit (4). A free-radical scavenger (20) is disposed in the cathode water pathway (14).

PROCESS FOR GENERATION OF THERMAL AND RADIANT ENERGY, HYDROGEN AND CARBON MONOXIDE BY OXIDIZING METAL AND ORGANIC COMPOUND

NºPublicación:  WO2026052234A1 12/03/2026
Solicitante: 
ENERGY 13 GMBH [DE]
ENERGY 13 GMBH
WO_2026052234_PA

Resumen de: WO2026052234A1

Disclosed is a process for oxidizing a metal and for generating hydrogen and carbon monoxide by using a reactor having a reaction chamber with an inlet zone for reactive materials, a central zone and an outlet zone for a product gas. In this process a first reactive material and a second reactive material are used, each comprising selected components comprising selected metals and organic compounds. In the process a first flame is generated by reacting the first reactive material present in the inlet zone. This first flame generates and supports a second flame that is formed by reacting the second reactive material present in the inlet zone. In the second flame a product gas is formed that contains hydrogen and carbon monoxide. Hydrogen and carbon monoxide are discharged from the reactor and can be used for various chemical reactions and/or for generation of energy. Moreover, thermal energy generated in the reactor can be used for generation of electrical energy and/or for different heating applications.

AMMONIA DECOMPOSITION REACTOR, HYDROGEN PRODUCTION APPARATUS AND METHOD FOR PRODUCING HYDROGEN USING THE SAME

NºPublicación:  US20260070031A1 12/03/2026
Solicitante: 
SK INNOVATION CO LTD [KR]
SK INNOVATION CO., LTD
US_20260070031_PA

Resumen de: US20260070031A1

An ammonia decomposition reactor, a hydrogen production apparatus and a method for producing hydrogen are provided. The ammonia decomposition reactor may include a first chamber and a second chamber, wherein an operating temperature of the first chamber is 410° C. or lower, the first chamber includes at least one selected from the group consisting of carbon steel, low alloy steel, stainless steel, and a nickel-based alloy, and the second chamber includes a nickel-based alloy (NT) satisfying Equation 1 below.T≤15⁢μmEquation⁢1

PRODUCTION OF HYDROGEN AND SOLID LITHIUM HYDROXIDE

NºPublicación:  US20260071333A1 12/03/2026
Solicitante: 
EVONIK OPERATIONS GMBH [DE]
Evonik Operations GmbH
US_20260071333_PA

Resumen de: US20260071333A1

The problem addressed by the invention is that of specifying a process for producing lithium hydroxide that is very energy-efficient. The process should in particular manage without using thermal energy. As a raw material, the process should be able to process Li-containing waters that arise when used lithium-ion batteries are digested. The LiOH produced by the process should be of sufficiently high purity that it can be used directly for the production of new LIBs. The process should achieve a high throughput and have a low space requirement so that it can be combined with existing processes for reprocessing used LIBs or for producing new LIBs to form a closed, continuous production cycle. The process according to the invention is an electrolytic membrane process that is operated using an LiSICon membrane. A particular aspect of the process is that the electrolysis is operated up to the precipitation limit of the lithium hydroxide.

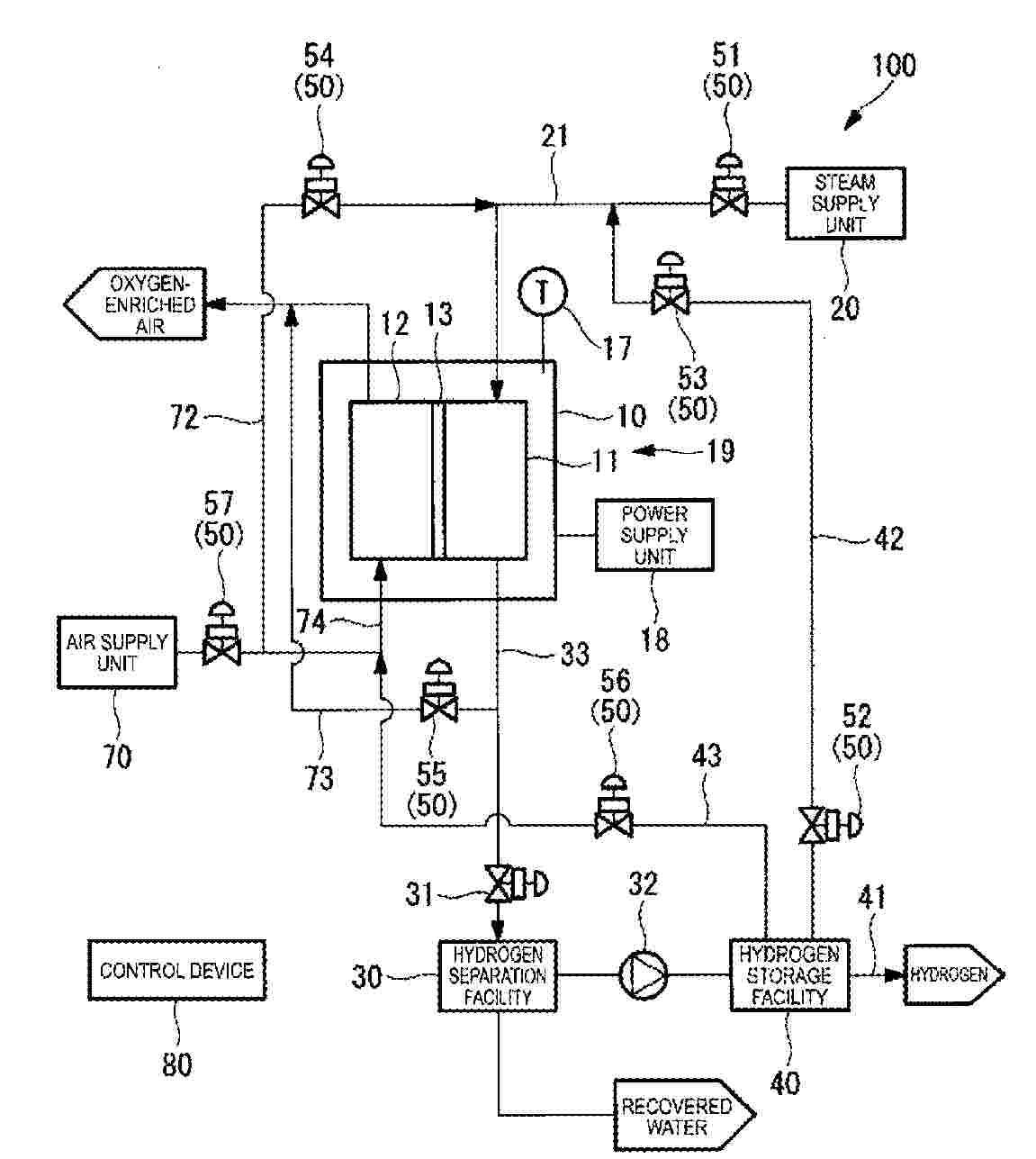
HYDROGEN PRODUCTION SYSTEM AND METHOD FOR CONTROLLING HYDROGEN PRODUCTION SYSTEM

NºPublicación:  US20260071341A1 12/03/2026
Solicitante: 
MITSUBISHI HEAVY IND LTD [JP]
MITSUBISHI HEAVY INDUSTRIES, LTD
US_20260071341_PA

Resumen de: US20260071341A1

A hydrogen production system includes: an electrolysis module that supplies steam to a hydrogen electrode including a metal component and produces hydrogen through steam electrolysis; a hydrogen storage facility that stores generated hydrogen; a steam supply unit that supplies steam to the hydrogen electrode; a regulation unit that regulates a supply amount of the hydrogen supplied from the hydrogen storage facility to the hydrogen electrode and a supply amount of the steam supplied from the steam supply unit to the hydrogen electrode; and a control device for controlling the regulation unit to switch a heating medium supply state in which a heating medium is supplied from a heating medium supply unit to the hydrogen electrode to a steam supply state in which steam is supplied from the steam supply unit to the hydrogen electrode, in response to the electrolysis module exceeding a first switching temperature when activating the electrolysis module.

CATALYST FOR WATER ELECTROLYSIS ELECTRODE, METHOD FOR PREPARING THE CATALYST, AND WATER ELECTROLYSIS ELECTRODE

NºPublicación:  US20260071340A1 12/03/2026
Solicitante: 
SK INNOVATION CO LTD [KR]
SK Innovation Co., Ltd
US_20260071340_PA

Resumen de: US20260071340A1

A catalyst for water electrolysis electrode, a method for preparing the catalyst, and a water electrolysis electrode including the catalyst are provided. A catalyst for water electrolysis electrode according to an embodiment of the present disclosure includes a carbon structure doped with a first element and a second element, and an alloy nanoparticle doped with the first element. The alloy nanoparticle is supported on a surface of the carbon structure, and the first element is iron (Fe).

SYSTEM AND METHOD FOR PRODUCTION OF A FUEL FROM A CO2-RICH FLUE GAS

NºPublicación:  US20260071342A1 12/03/2026
Solicitante: 
ALICECO IP OY [FI]
ALICECO IP OY
US_20260071342_PA

Resumen de: US20260071342A1

There is provided a system comprising burning facility (101); a synthetic fuel production facility (102); a hydrogen production facility; and an oxygen production facility (114); wherein the oxygen production facility (114) is configured to feed the produced oxygen to the burning facility (101) for combustion of fuel at the burning facility (101) using the produced oxygen, and the burning facility (101) is configured to produce a CO2-rich flue gas based on the combustion of the fuel at the burning facility (101) using the produced oxygen, and the burning facility (101) is configured to feed the produced CO2-rich flue gas to the synthetic fuel production facility (102) for capturing the CO2 generated at the combustion in a fuel synthesis.

ELECTROLYZER USING RECOVERABLE PROCESS HEAT

NºPublicación:  US20260071336A1 12/03/2026
Solicitante: 
ADVANCED IONICS INC [US]
Advanced Ionics, Inc
US_20260071336_PA

Resumen de: US20260071336A1

A system for producing hydrogen gas comprising: a heat exchanger module; the heat exchanger comprising: a warming module; and a boiler; a converter module; the converter module comprising a superheater, vaporizer, and/or compressor; an electrolyzer in communication with the converter module; and the electrolyzer in communication with the heat exchanger module. A method for producing hydrogen gas comprising: passing a working fluid into a heat exchanger module comprising warming module and a boiler to form a vapor-phase working fluid; passing the vapor-phase working fluid into a converter module comprising a superheater, vaporizer, and/or compressor to form a converted working fluid; passing the converted working fluid into an electrolyzer to form hot hydrogen gas and hot oxygen gas; passing the hot oxygen gas and/or hot hydrogen gas into the heat exchanger module.

MINERAL RECOVERY AND CHEMICAL PRODUCTION FROM PRODUCED WATER IN A GAS OIL SEPARATION PLANT

NºPublicación:  US20260070826A1 12/03/2026
Solicitante: 
SAUDI ARABIAN OIL COMPANY [SA]
Saudi Arabian Oil Company
US_20260070826_PA

Resumen de: US20260070826A1

A produced water stream in a GOSP is pretreated to remove total suspended solids, emulsified oil, total organic carbon, chemical organics and inorganics, and biodegradable matter. The pretreated produced water stream is further processed to remove hydrogen sulfide gas, which is split in an electrolysis cell to produce hydrogen, sulfur, and water. Following this, bromine gas is removed. The pretreated produced water stream, after the removal of hydrogen sulfide and bromine gas, is further treated using CO2 to produce several minerals. The pretreated produced water stream, after mineral production, is desalinated to produce fresh water and a reject stream. Several valuable chemicals are produced from the reject stream. This process recovers valuable minerals and chemicals from a produced water stream in a GOSP.

CONVERSION OF AMMONIA TO HYDROGEN AND NITROGEN USING AMMONIA AS A SWEEP GAS

NºPublicación:  US20260070783A1 12/03/2026
Solicitante: 
SAUDI ARABIAN OIL COMPANY [SA]
Saudi Arabian Oil Company
US_20260070783_PA

Resumen de: US20260070783A1

The disclosure relates to systems and methods for the production of hydrogen (H2) from ammonia (NH3) in a membrane reactor that include using ammonia as a sweep gas. Ammonia is converted to hydrogen and nitrogen (N2), and the hydrogen is separated from the nitrogen and unreacted ammonia by passing the hydrogen through a hydrogen-permeable membrane while using ammonia as a sweep gas. The ammonia sweep gas can be separated from the permeated hydrogen and continuously recycled.

HYDROGEN GENERATING DEVICE

NºPublicación:  US20260070784A1 12/03/2026
Solicitante: 
TOYOTA MOTOR CO LTD [JP]
TOYOTA JIDOSHA KABUSHIKI KAISHA
US_20260070784_PA

Resumen de: US20260070784A1

A hydrogen generating device may include a water supply device for cartridges; a first hydrogen supply valve provided in a first hydrogen supply passage through which hydrogen gas is supplied from the first cartridge to a buffer tank; a second hydrogen supply valve provided in a second hydrogen supply passage through which hydrogen gas is supplied from the second cartridge to the buffer tank; and a main hydrogen supply passage for supplying hydrogen gas from the buffer tank to outside. For switching a hydrogen supply source from the first cartridge to the second cartridge, a controller may perform: a first process to stop supplying water to the first cartridge and supply water to the second cartridge with the second hydrogen supply valve closed, and a second process to open the second hydrogen supply valve to supply hydrogen gas from the second cartridge to the buffer tank.

AMMONIA SUPPLY SYSTEM, HYDROGEN PRODUCTION SYSTEM, CARBON-FREE POWER GENERATION SYSTEM, AND FUEL CELL SYSTEM

NºPublicación:  US20260070782A1 12/03/2026
Solicitante: 
SK INNOVATION CO LTD [KR]
SK INNOVATION CO., LTD
US_20260070782_PA

Resumen de: US20260070782A1

Disclosed are an ammonia supply system, a hydrogen production system, a carbon-free power generation system and a fuel cell system. The ammonia supply system includes an ammonia supply unit; an ammonia demand unit; a connection line that connects the ammonia supply unit and the ammonia demand unit; a hydrogen supply unit; and one or more first hydrogen supply lines that connect the hydrogen supply unit and the connection line, and are configured to supply a hydrogen gas stream, wherein the connection line includes a first pipe controlled to an average temperature of 410° C. or lower and a second pipe controlled to an average temperature of greater than 410° C., and the second pipe includes a nickel-based alloy (NT) satisfying Equation 1 below.T≤15⁢µmEquation⁢1

CORROSION-RESISTANT SYSTEM, CARBON-FREE POWER GENERATION SYSTEM, AND FUEL CELL SYSTEM

NºPublicación:  US20260074250A1 12/03/2026
Solicitante: 
SK INNOVATION CO LTD [KR]
SK INNOVATION CO., LTD
US_20260074250_PA

Resumen de: US20260074250A1

A corrosion-resistant system, a carbon-free power generation system, and a fuel cell system are provided. The corrosion-resistant system includes an ammonia supply unit; a first conduit connected to the ammonia supply unit; an ammonia decomposition unit comprising a chamber connected to the first conduit; and a second conduit connected to the chamber, wherein an operating temperature of the chamber is 410° C. or lower, the first conduit and the chamber comprise at least one selected from the group consisting of carbon steel, low alloy steel, stainless steel and a nickel-based alloy, and the second conduit comprises a nickel-based alloy (NT) satisfying Equation 1: T≤15 μm.

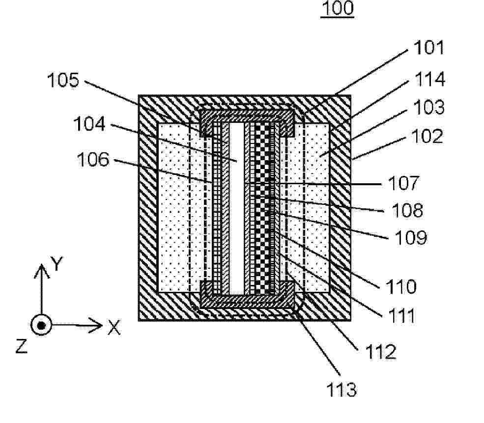
Solid Oxide Fuel Cell System with Carbon Capture and Increased Efficiency

NºPublicación:  US20260074251A1 12/03/2026
Solicitante: 
VERSA POWER SYSTEMS LTD [US]
VERSA POWER SYSTEMS, LTD
US_20260074251_PA

Resumen de: US20260074251A1

A fuel cell system including a fuel cell module having an anode inlet configured to receive an anode inlet stream including fuel and an anode outlet configured to output an anode exhaust stream including carbon dioxide and steam, a solid oxide electrolysis cell module configured to receive waste heat and a first portion of the anode exhaust stream from the solid oxide fuel cell module and output an electrolysis output stream including hydrogen and carbon monoxide, wherein at least a portion of the electrolysis output stream is redirected to become a component of the anode inlet stream of the fuel cell module, and a controller configured to operate the solid oxide electrolysis cell module at an endothermic current density

METHOD FOR OBTAINING A CATALYTIC MEMBRANE, CATALYTIC MEMBRANE OBTAINED AND USES THEREOF

NºPublicación:  US20260070025A1 12/03/2026
Solicitante: 
UNIV DE MURCIA [ES]
UNIVERSIDAD DE MURCIA
US_20260070025_PA

Resumen de: US20260070025A1

Calcined or pyrolyzed metal compounds immobilized in membranes based on ionic liquids and/or eutectic solvents. The invention relates to new catalytic membranes synthesized from ionic liquids or deep eutectic solvents and oxidized or pyrolyzed immobilized metal compounds in the membranes. The use of these new catalytic membranes in oxidation/reduction reactions, for application in fuel cells and in water electrolyzers for hydrogen production, is described.

Inertial hydrodynamic pump and wave engine

NºPublicación:  AU2026201233A1 12/03/2026
Solicitante: 
LONE GULL HOLDINGS LTD
Lone Gull Holdings, Ltd
AU_2026201233_A1

Resumen de: AU2026201233A1

WO 2021/168125 PCT/US2021/018596 The present invention provide a method for manufacturing hydrogen, comprising: deploying a hydrodynamic pump to an ocean, the hydrodynamic pump including an inertial water tube comprising a constricting feature to pressurize ocean water, a pressurized fluid reservoir partially filled with ocean water transported from the ocean to the pressurized fluid reservoir via the inertial water tube, a turbine energized by a flow of pressurized ocean water exiting the pressurized fluid reservoir, an electrical generator coupled to the turbine, an electrolyzer, and a hydrogen tank; transmitting electrical energy from the electrical generator to the electrolyzer to generate hydrogen; and storing the hydrogen in the hydrogen tank. eb e b

Inertial hydrodynamic pump and wave engine

NºPublicación:  AU2026201234A1 12/03/2026
Solicitante: 
LONE GULL HOLDINGS LTD
Lone Gull Holdings, Ltd
AU_2026201234_A1

Resumen de: AU2026201234A1

WO 2021/168125 PCT/2021/018596 The present invention provides a wave engine, comprising: a buoy configured to rise and fall under an influence of a body of water; a hollow tube depending from the buoy and having a water ingress/egress mouth at a lower end and a water discharge spout at an upper end, and further comprising an interior including a wall defining a water accelerating surface adapted to eject water through the water discharge spout in response to an increasing hydrodynamic pressure within the interior of the hollow tube; a water collection reservoir in fluid communication with the water discharge spout; a first effluent conduit for diverting at least a portion of water collected in the water collection reservoir from the water collection reservoir; and a first electrical energy generator for converting an energy of a portion of water in the first effluent conduit into electrical energy. eb e b

Inertial hydrodynamic pump and wave engine

NºPublicación:  AU2026201235A1 12/03/2026
Solicitante: 
LONE GULL HOLDINGS LTD
Lone Gull Holdings, Ltd
AU_2026201235_A1

Resumen de: AU2026201235A1

WO 2021/16125 PCT/US2021/018596 The present invention provides a hydrodynamic pump, comprising: an upper hull enclosure adapted to float at a surface of a body of liquid; a liquid collecting chamber at least partially housed within the upper hull enclosure, the liquid collecting chamber adapted to confine liquid and gas at elevated pressure; a liquid pressurizing columnar conduit extending below the upper hull enclosure, the liquid pressurizing columnar conduit comprising an ingress orifice disposed outside the upper hull enclosure, an injection orifice opening into the liquid collecting chamber, and an interior wall defining a liquid pressurizing surface adapted to pressurize liquid in the liquid pressurizing columnar conduit when the hydrodynamic pump oscillates vertically in the body of liquid to inject liquid into the liquid collecting chamber; a first effluent conduit configured to drain liquid from the liquid collecting chamber and having an effluent port for discharging liquid from the first effluent conduit; and a first flow governor adapted to maintain a liquid pressure gradient between the liquid collecting chamber and the effluent port. WO 2021/16125 PCT/US2021/018596 eb e b

REACTION MEDIUM AND TREATMENT METHOD

NºPublicación:  AU2024328562A1 12/03/2026
Solicitante: 
NIIGATA UNIV
NIIGATA UNIVERSITY
AU_2024328562_PA

Resumen de: AU2024328562A1

A reaction medium according to the present invention is characterized by having a chemical structure in which Mn is introduced into a composite iron oxide. It is preferable that this reaction medium is used in a method for producing hydrogen by thermally decomposing water. It is preferable that this reaction medium contains a composite metal oxide of Fe, Co, Ni, and Mn, contains a composite metal oxide of Fe, Ni, Mg, and Mn, or contains a composite metal oxide of Fe, Co, Mg, and Mn. A treatment method according to the present invention includes: a first step for thermally reducing the reaction medium; and a second step for bringing the thermally reduced reaction medium into contact with an object to be treated, thereby oxidizing the reaction medium and decomposing the object to be treated.

RUTHENIUM-NICKEL FOAM COMPOSITE CATALYST AND METHOD FOR PRODUCING SAME

NºPublicación:  WO2026054416A1 12/03/2026
Solicitante: 
POSCO HOLDINGS INC [KR]
POSTECH RES AND BUSINESS DEVELOPMENT FOUNDATION [KR]
\uD3EC\uC2A4\uCF54\uD640\uB529\uC2A4 \uC8FC\uC2DD\uD68C\uC0AC,
\uD3EC\uD56D\uACF5\uACFC\uB300\uD559\uAD50 \uC0B0\uD559\uD611\uB825\uB2E8
WO_2026054416_PA

Resumen de: WO2026054416A1

A method for producing a catalyst for ammonia decomposition according to an embodiment of the present invention comprises the steps of: preparing an aqueous metal precursor solution and a porous support; and forming a metal-support composite by supporting a metal of the aqueous metal precursor solution on the surface of the porous support using a cyclic voltametric electrodeposition method, wherein the content of the metal may be 0.3-3.0 wt% on the basis of the total weight of the catalyst for ammonia decomposition. A catalyst for ammonia decomposition according to another embodiment of the present invention comprises: a porous support; and a metal supported on the surface of the porous support using a cyclic voltametric electrodeposition method, wherein the content of the metal may be 0.3-3.0 wt% on the basis of the total weight of the catalyst.

ELECTRODE FOR WATER ELECTROLYSIS AND METHOD FOR MANUFACTURING SAME

NºPublicación:  WO2026054554A1 12/03/2026
Solicitante: 
LG CHEM LTD [KR]
\uC8FC\uC2DD\uD68C\uC0AC \uC5D8\uC9C0\uD654\uD559
WO_2026054554_PA

Resumen de: WO2026054554A1

The present invention relates to an electrode for water electrolysis and a method for manufacturing same, the electrode comprising a metal substrate and a catalyst layer formed on at least one surface of the metal substrate, wherein the catalyst layer includes CoxFeyO4 (0≤x≤4, 0≤y≤3) and satisfies formula 1.

HYDROGEN GENERATION AMOUNT ADJUSTMENT DEVICE, AND VEHICLE HYDROGEN GENERATOR HAVING SAME

NºPublicación:  WO2026054154A1 12/03/2026
Solicitante: 
KAMFTY CO LTD [KR]
\uC8FC\uC2DD\uD68C\uC0AC \uCEA0\uD504\uD2F0
WO_2026054154_PA

Resumen de: WO2026054154A1

According to one embodiment, a vehicle hydrogen generator having a hydrogen generation amount adjustment device may comprise a PEM water electrolysis stack for generating hydrogen by electrolyzing water, wherein the PEM water electrolysis stack includes: a water tank for storing water for generating hydrogen through electrolysis; an electrolysis cell for generating hydrogen by electrolyzing the water provided from the water tank; a water separator which removes moisture contained in the hydrogen provided from the electrolysis cell and which provides the removed moisture to the water tank; and a control unit electrically connected to the electrolysis cell and the water tank.

HYDROGEN GAS PRODUCTION DEVICE AND HYDROGEN GAS PRODUCTION METHOD

NºPublicación:  WO2026053829A1 12/03/2026
Solicitante: 
AIR WATER MECHATRONICS INC [JP]
BALL WAVE INC [JP]
\u30A8\u30A2\u30FB\u30A6\u30A9\u30FC\u30BF\u30FC\u30FB\u30E1\u30AB\u30C8\u30ED\u30CB\u30AF\u30B9\u682A\u5F0F\u4F1A\u793E,
\u30DC\u30FC\u30EB\u30A6\u30A7\u30FC\u30D6\u682A\u5F0F\u4F1A\u793E
WO_2026053829_PA

Resumen de: WO2026053829A1

Provided is a device capable of producing high purity hydrogen gas. Provided is a method capable of producing high purity hydrogen gas. This hydrogen gas production device comprises a cathode, an anode disposed facing one side of the cathode, and a solid electrolyte member disposed between the cathode and the anode, the hydrogen gas production device being provided with a hydrogen gas recovery passage disposed on the other side of the cathode.

WATER SPLITTING DEVICE

NºPublicación:  WO2026053545A1 12/03/2026
Solicitante: 
PANASONIC HOLDINGS CORP [JP]
\u30D1\u30CA\u30BD\u30CB\u30C3\u30AF\u30DB\u30FC\u30EB\u30C7\u30A3\u30F3\u30B0\u30B9\u682A\u5F0F\u4F1A\u793E
WO_2026053545_PA

Resumen de: WO2026053545A1

This water splitting device produces hydrogen through irradiation with light and comprises: an electrolytic cell filled with an electrolyte solution and a water splitting cell immersed in the electrolyte solution. The water splitting cell has: a laminate in which an anode electrode, a hole transport layer, a perovskite battery layer, an electron transport layer, and a cathode electrode are stacked in this order; and an electrically insulating protective material that covers the outer periphery of the laminate. Two or more perovskite battery cells are connected in series in the perovskite battery layer.

MULTIPURPOSE GENERATOR FOR PRODUCING GASEOUS OXYGEN AND HYDROGEN, WATER AND ELECTRICITY

Nº publicación: WO2026052984A1 12/03/2026

Solicitante:

COLICCHIA CARLOS ANTONIO [AR]
BOIZEAU ANTONY JOHN PRICE [CL]
COLICCHIA, Carlos Antonio,
BOIZEAU, Antony John Price

WO_2026052984_PA

Resumen de: WO2026052984A1

The present invention relates to a multipurpose generator for producing gaseous oxygen and hydrogen, water and electricity, comprising a spherical reactor with two external branches of operatively connected components, namely a warm air flow branch and a cold air flow branch. The warm air flow branch contains: a water inlet connected to a vaporiser associated with a water vapour fan device having a non-return valve that channels said flow to a water vapour intake pipe connected to a diffuser. The cold air flow branch comprises: a cold air mass inlet connected to a cold air circulation intake pipe associated with a cooler in turn coupled to a cold air fan having a non-return valve that channels said flow to a pipe connected to a fluid inlet diffuser distributing the cold air mass to the reactor. The invention also comprises two radially opposite electrical connectors.

traducir